Fórum témák
» Több friss téma |
- Ez a felület kizárólag, az elektronikában kezdők kérdéseinek van fenntartva és nem elfelejtve, hogy hobbielektronika a fórumunk!
- Ami tehát azt jelenti, hogy a nagymama bevásárlását nem itt beszéljük meg, ill. ez nem üzenőfal! - Kerülendő az olyan kérdés, amit egy másik meglévő (több mint 17000 van), témában kellene kitárgyalni! - És végül büntetés terhe mellett kerülendő az MSN és egyéb szleng, a magyar helyesírás mellőzése, beleértve a mondateleji nagybetűket is!
Az összehasonlításhoz legjobb, ha előszeded mindkét áramkör adatlapját, mert a lábkiosztás sem stimmel.
LT = lamptest, ha 0, akkor minden szegmens világít, ha 1, akkor tudod a szegmenseket vezérelni. Alaphelyzet tápra, ajánlatos az igazságtábla tanulmányozása. BL = blank 0 -ra kötve sötét, 1 re kötve világítanak a kiválasztott szegmensek LE = Latch enable, chip engedélyezés = LE/strobe
Köszönöm a választ. Ezt mind értem, de nem ez volt a kérdésem.
A hozzászólás módosítva: Márc 11, 2016
Idézet: „A számolt frekvenciaértéket ráadom a négypólus bemenetére és mérem a kimenetet. Jól gondolkozom, hogy ez lesz a mért érték?” Ha mérsz valamit, akkor az mi? Az a mért érték. Az más kérdés, hogy mivel méred, és az egyáltalán alkalmas-e rá. De ha mondjuk mérsz 350 mV -ot, az mi? Egy szűrőnek van áteresztő, és zárótartománya. Ahhoz, hogy tudd mi az a mért 350 mV, ahhoz kell tudni, mennyi az áteresztő tartományban. Tehát mérned kell a kimeneti feszültséget a törésponti frekvencia alatt fele frekvencián, kétszeres frekvencián, és a töréspont közelében több frekvencián, illetve a törésponti frekvencia az lesz, ahol az áteresztő tartománybeli feszültség felét méred. Mindeközben a bemeneti feszültséget állandó értéken tartod.
- Az R7 ellenállás árama kinyitja a T1 tranzisztort, megjelenik a kimenti feszültség.
- A terhelőárammal arányos feszültség jön létre, Az R1 ellenálláson. - Ha a feszültség eléri a tranyó kb. 650mV küszöbfeszültségét, a T2 kinyit. - A kollektoráram először R5-önkeresztül kigyújtja a Led-et, majd a D1 diódán keresztül elszívja a T1 bázisáramát. - A T1 zárásával beáll egy egyensúlyi helyzet, ahol ahol a terhelőáram kb. állandó értékű lesz. - A T1-nek hűtőborda kell, ha korlátoz, mert maximum 3W terhelése lesz. - A negatív oldal ugyan ezt teszi, csak minden tükör-szimmetrikus lesz. A hozzászólás módosítva: Márc 11, 2016
Hello! Pld. alul-áteresztő szűrő esetén, a számított törésponti frekvencia alatti (pld. egy dekáddal) frekvencia mellet beállítasz a szkópon értékelhető nagyságú jelet. Majd a frekvenciát addig növeled, míg a jel a 70%-ára nem csökken. Ez lesz a törésponti frekvencia, vagy is a -3dB-es pontja. Ha ez lett volna a kérdés.
Sziasztok!
Édesapámtól örököltem pár műszert, de nem igazán jöttem rá, hogy a mai világban mire tudnám használni. Ő autóvillamossági műszerész volt. Teszek ide fel két képet. Ha tudtok segítsetek mire tudom használni a mai világban vagy csak őrizzem meg egy fiók mélyén emlékbe. Köszönöm előre is. A hozzászólás módosítva: Márc 11, 2016
Sziasztok!
Egy hangváltón szeretném az alkatrészeket kicserélni, mert nem működik, nem tudom mi mehetett rajta tönkre, az ellenállást nem tudom megállapítani milyen értékű lehet, esetleg valaki megtudná mondani kép alapján, hogy mennyi W-os és Ohm-os lehet? Ráírva a színkódokon kívül nem látok semmit, de ezt a színkódot nem tudtam értelmezni, 4 sávos. mert az első az narancs színű, a 2. meg olyan krémszínű, de nem citromsárga azért, lehet fehért jelölne, a 3. az fekete ha minden igaz és akkor 39 ohmos 2% tűréssel? De a W értéket még akkor sem tudom, hogy ha így lenne... A hozzászólás módosítva: Márc 11, 2016
Ottvan minden. - Add oda simonnak--
Szia!
Az első képen egy analóg multiméter van, feszültséget, áramerősséget és ellenállást mér. Ugyanúgy használhatod mérésre, mint a mai digitális műszereket. A második képen egy autódiagnosztikai műszer van, feszültséget, ellenállást, fordulatszámot és zárásszöget mér. Autóteszter alkalmazása Üdv.: Feri A hozzászólás módosítva: Márc 12, 2016
Sziasztok!
Nem teljesen elektronikai kérdés,de bízom benne hogy valaki már találkozott vele. Van egy ledem. Zsugorcsővel száloptikai világító szálakat tettem elé. Mivel lehet a rövid szálakat elhajlítani, úgy hogy vezető képességüket ne veszítsék el? Tudom ez a kis műanyag hajlik, de itt arra gondolok, hogy magától sét kell állniuk a szálaknak és nem egy kötegben. Arra rövidek, hogy a súlyuk miatt azt megtegyék nekem. Forrasztóval nagyon gyorsan túlságonsan megolvad, húzgálva féloldalasan elveszíti vezető képességét, körömmel megtörve szintén romlik nagyon a hatásfoka. Előre is köszi.
Van egy minimális hajlítási sugár ezekre is, az alá nem lehet menni a fényvezetőképesség csökkenése nélkül.
Sziasztok!
Van egy ilyen relém. Átnyálaztam a kezelés útmutatóját, de nem akar működni nekem. Bekapcsol, 00:00-ra, az időt be akarom állítani, de ha forgatom a forgatni valót, akkor nem reagál rá. Ugyan úgy a nap beállításnál, és hogy mikor oldjon a relé. Valakinek van ötlete?
Ok.
Nem ez a gond. Most 100 fokos pákával csinálom (ez a legkisebb állása), és megy de nagyon lassan, és hát az a baj, hogy sok esetben hirtelen nagyon megolvad így is és ott van némi veszteség, meg szögletesen össze vissza áll. Szerencse ott ahol most próbálom ott még van ami elrejtse ezt a csúnya részt de tuti kell valami normális módszernek is lennie. Amikor szépen ívben csak meglágyul annyira hogy meg tudjam hajtani.... A hozzászólás módosítva: Márc 12, 2016
Sziasztok!
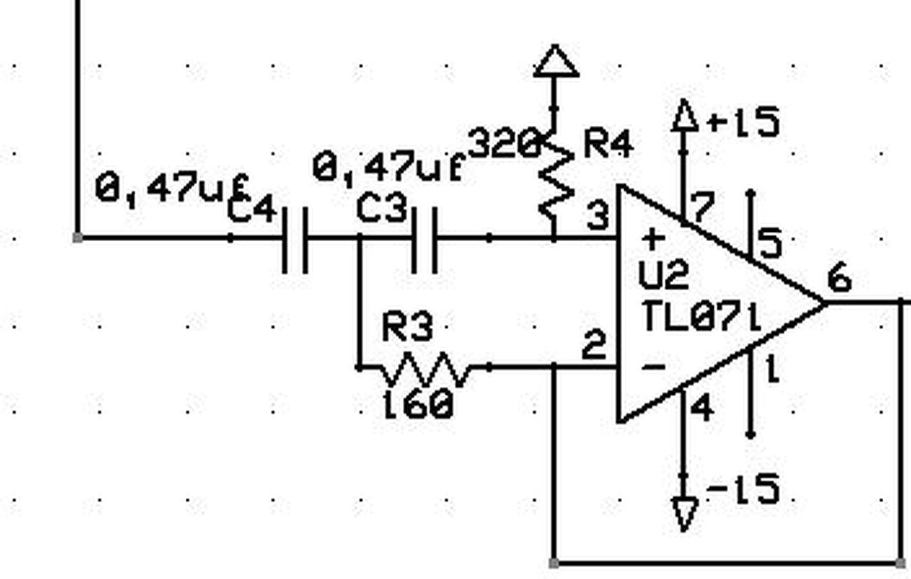
Szeretnék építeni egy high-pass filtert. Találtam egy kalkulátort, ami ezt dobta. (hipass2.jpg) Ezt megcsináltam egy kapcsolási rajz tervezőben (ExpressSCH). (hipass.jpg) Kérdés: ha én ezt így megcsinálom, működni fog? Ha nem, mit, és hol módosítsak? Esetleg irányítsatok át a megfelelő témába! A hozzászólás módosítva: Márc 12, 2016
Szia!
Megnéztem az érintkezőket, és találtam egy problémát. A 2, 5 és 8 érintkezőknek közösítve kellene lennie (ahogy az általad talált képen is szerepel), viszont az én kapcsolómon ez valamiért nem így van. Ez megoldható azzal, hogy egyszerűen összekötöm őket egy drótdarabbal?
Én nem tudok róla, hogy fényvezető szálakad direktben hajlítgatnának.
Annak pont az a lényege, hogy minnél kissebb elhajlása legyen, így tud gyorsan haladni rajta a fény. Ha megtöröd, ott a fényvezető ér két fala közt viszaverődések jönnek létre, ami nagymértékben rontja az átvitelt. Ezeket a szálakat csak szép ívben (ahogy adja magát), úgy szokták vezetni. És valóban van olyan legkissebb sugár, amiben hajlíthatóak, de ez nem azt jelenti, hogy felmelegítik az anyag lágyulásáig, meghajlítják, majd megvárják, hogy lehüljön és úgy maradjon.
Én egy sablon készítését javaslom. Abba belefekteted (belehajlítod) az optikai szálat, majd valahogy, pl. hőlégfúvóval megmelegíted. Így, ha túllősz a célon, sem hajlik túl, lehülés után pedig megmarad a megfelelő forma. A trükk a sablon pontos elkészítése lesz, de ha az megvan, sorozatban gyárthatod a hajlított szálakat.
Hidegen addig lehet hajlítani, amíg el nem törik (üveg esetén, ami meglepően jól hajlítható), vagy maradandó károsodást nem szenved (műanyag). Általános előírás, hogy a lehető legnagyobb sugárral kell vezetni, bár nálad ilyenekről szó sincs. A hozzászólás módosítva: Márc 12, 2016
Most találtam egy módszert:
Hajszárító és a súlya és a levegő nyomásra szebben is meg tudom hajtani. Tudom nem erre találták ki, de a projec 60-90 fokot kíván olyan 10cm.-en úgy hogy a vége nincs rögzítve?
Nem tudom minek neked hajlított optikai kábel, de ha ez csak valami dekorációs project, mint pl az optikai vezetőszálas lámpa, talán használj hosszabb szálat, az meghajlik a súlyától is. Vagy ha nem akarsz hosszút, használj véknyabbat.
Esetleg még meg lehet próbálni damillal, feltekert horgászzsinórral. Talán az eleve íves marad bizonyos hosszban, ahogy letekered a csévetestről... Több ötletem nincs... A hozzászólás módosítva: Márc 12, 2016
Szép napot, proli007! Úgy gondolom, hogy ez az igazi magyarázat. Sajnos elfelejtettem, hogy annak idején mit is mértünk. Még nem próbáltam ki, mert nincsen frekvenciamérőm, de folyamatban van. Üdv.: Joe
Igen mint a lámpánál amit mondasz.
Olyanból van vágva a szál, így annál vékonyabb nincs. Dami nem vezeti a fényt. Hosszabb nem lehet, mert ez egy jelmez (fursuit) része, így adott mekkora kell. Egy hasonló csáp vége ami lefelé lóg. Benne lesz strucctoll, és közte fényszál is belekeverve. A led a csáp szárából jön ki (és a szálak is), és ugye a nyitott rész felé kell behajlaniuk. Kép
Hello! Működne, de ez így nem jó. Ugyan is, túl alacsony impedanciákat használsz. A műveleti erősítő kimeneti impedanciája alacsony de mégsem nulla, és ami a fokozatot meghajtja forrás, annak forrásellenállása sem lesz nulla. Ezek pedig befolyásolhatják a szűrő erősítését és töréspontját.
Vagy is célszerű kondiból 100-szor kisebb kapacitásút, ellenállásból százszor nagyobb értékűt használni. Az eredmény (átviteli függvény) ugyan az lesz, csak nagyobb forrásellenállással lehet meghajtani. .
Szia!
Ez a kezdők topikja, tehát "magyarúl, kéremszépen"! Tehát: használjak 100-ad ekkora kondit, és 100x ekkora ellenállást? Ha pedig low-pass-t építek, akkor 100x kondi, 100-ad ellenállás? A hozzászólás módosítva: Márc 12, 2016
Magyarul van ez, maximum Te még nem érted. De rákereshetsz a hálón, ha valamit nem értesz. Megértés nélkül nem fogsz eredményre jutni. Vagy nézel mások által elkövetett szűrőket és összeveted a tiéddel. A "low-pass" sem magyar és még is érted..
Az, hogy felül vagy aluláteresztő a szűrő, nem az alkatrészek értékétől függ, hanem a kapcsolástól. Egy szűrő tervezésénél mindig figyelembe kel venni a megható sé lezáró impedanciákat. Egyébként a magasabb fokszámú szűrők tervezése, már nem kimondottan kezdő feladat. Sajnos tanulás nélkül itt nem mész semmire. Abból pedig jó sok van tervezői témában.
Üdv!
Most el kezdtem gondolkodni a kondenzátorokon. Ugye, ha be kötjük sorban akkor feltölt és tárolja az elektronokat, amíg ki nem sül. Viszont azt nem tudom, hogy ha párhuzamosan kötjük pufferként akkor mi történik, hogy szűri ki a zavarokat? Ha valakinek lenne rá ideje/kedve akkor leírhatná ezt részletesebben. Előre is köszönöm! |
Bejelentkezés
Hirdetés |













