Fórum témák
» Több friss téma |
- Ez a felület kizárólag, az elektronikában kezdők kérdéseinek van fenntartva és nem elfelejtve, hogy hobbielektronika a fórumunk!
- Ami tehát azt jelenti, hogy a nagymama bevásárlását nem itt beszéljük meg, ill. ez nem üzenőfal! - Kerülendő az olyan kérdés, amit egy másik meglévő (több mint 17000 van), témában kellene kitárgyalni! - És végül büntetés terhe mellett kerülendő az MSN és egyéb szleng, a magyar helyesírás mellőzése, beleértve a mondateleji nagybetűket is!
Hi
Valaki nem tudná megmondani hogy egy ilyen kereső, ami a videókamerákba van (volt), hogy működik? válaszokat előre is köszönöm üdv Source2
Keress rá itt a fórumon "villogó" / "astabil multivibrátor" címszavak alatt. Biztos találsz!
köszi, de úgy vettem észre, hogy ezek szó szerint villogtatnak. nekem lassan kikapcs, lassan bekapcs kell a végtelenségig. tehát ilyen naplemente, napfelkelte
![]() köszi!
sziasztok!
lenne egy kérdésem, de nem merek neki témát nyitni... olyan áramkört keresek amiben ha mondjuk kigyulladt egy led egy bizonyos eseményre(mondjuk kinyit egy tranya) akkor addik világítson a led, míg nem nyomok meg egy reset gombot. tehát hiába szűnik meg az esemény ami miatt kigyulladt a led, akkoris világítson a led, míg nem nyomom meg a reset gombot. Remélem tudtok segíteni!
Éppen ezt csinálja a bistabil áramkör. Ennek két stabil állapota van: egyik, amibe a reset jellel lököd be, a másik, amibe egy "külső" esemény hatására kerül.
Létezik ilyen IC, flip - flop a neve, pl. 74ls74, CD4013. De kapukból is össze lehet rakni ilyen áramkört, ha éppen maradt fölösleges kapud a kapcsolásban de nem akarsz újabb IC-t betenni.
ez az ami neked kell: [link=http://www.hobbielektronika.hu/forum/topic_1205.html]http://www.hobbielektronika.hu/forum/topic_1205.html[/link]
köszi!
végülis milyen tirisztorral csináltad? és 9v-ról működtetés esetén mekkora ellenállás kell a gate-je elé? Idézet: „sziasztok! lenne egy kérdésem, de nem merek neki témát nyitni...” Nagyon jól teszed, így is kapsz rá választ! :yes:
hát már sajnos fogalmam sincs, az áramkör úgy elkeveredett valahova, hogy nem találom... Arra emléxem, hogy a legolcsóbb tirisztort vettem ami volt a boltban
. Az ellenállást próbálgasd...
Sziasztok!
totál kezdő vok, de szeretnék beruházni egy pákába. túl sok pénzem nincs és már jópár topicot végigolvasva írok ide.. a forrasztás 1x1 topic hozzászólóinak túlnyomó többsége a weller 24V/40W-os pákákra esküszik. erre alapozva néztem ki egy lr 21es weller pákát, //24V/50W// és szeretnék hozzá készíteni egy hőfokszabályzós tápot. ehhez kérném a segítségeteket - hogy fussak neki a dolognak, mivel a saját állomásai mocskos drágák. előre is köszi: Gergő
Helló!!
Én ezt a linket vagyis topicot találltam és ajánlom.Igaz nem építettem meg mert nekem egy JTL-02 -es forrasztóállomást használok és személy szerint nagyon meg vagyok vele elégedve.Mident tud ami csak nekem kell.Ezen a linken csak a kép+az ár bővebb infó kell akkor csak írj bátran.:yes: állomás Ja és itt van a topic is amit meg én találtam h.szabályzó De én a JLT-02-est ajánlom Üdv: Bence Ui.:Sok sikert az elektónikához!
köszi szépen, használhatónak tűnik.
Gergő
Nagyon szívesen!Örülök hogy tudtam segíteni!
Reseter nevében tbence3-nak adtam 10 pontot a segítségért.
zaik linkje is a megoldáshoz vezet, de nem tudom hogy működik ez a pontozásos dolog
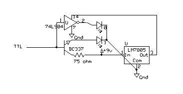
na eztis ide írom. keresek olyan kapcsolást, amivel ha rátapintok egy ttl jelre akkor magas ttl esetén 1-est alacsony ttl esetén 0-át írjon ki egy hétszegmentes kijelzőre. közös katódú kijelzőm lenne hozzá, és a legegyszerűbb megoldás érdekelne!
nagyjából megvan az áramkör, már csak egy olya tranzisztort keresek ami alacsony ttl-re nyit.
Itt van egy TÖK olyan cucc, amire most szükséged van:
[link=http://www.electronics-lab.com/projects/test/020/index.html]http://www.electronics-lab.com/projects/test/020/index.html[/link]
Sziasztok!
Szeretném megkérdezni, jól gondolkodtam-e, mert nem tudom, hogy értem-e a dolgokat. Van DC 15V feszültségem, és egy kék ledem (20mA, 3.2V). Ohm bácsi szerint a bepakolandó ellenállás: U=15-3.2V=11.8V I=20mA(=0.02A) R=U/I R=11.8/0.02=590ohm lenne. Remélem jól tanultam meg. Ha ez így van, létezik 560ohmos és 680ohmos ellenállás. Melyiket tegyem be? Előre is köszönöm a segítséget.
Kedves blokkmetal!
A számolásod jó. Pár ohmon nem fog múlni sok minden. Azt tegyed be, amelyik kéznél van. Szerintem egy 560 Ohmos bőven jó!
sn74hc164n ehez tud nekem küldeni rajzokat főleg ledes érdekelne de azééé bármilyen jó,hogy megtudjam hogy müködik
de szeretem az ilyet, ma voltam a muzeum koruton a hangszoro szervizben.. szabadsagolas miatt aug. 22-ig zarva
Erre azt szokták mondani, hogy szerencséd volt
Hali!
Sajnos nem! Az első bekapcsoláskor kb. az történne, hogy az LS04 bemenete (nem elírás!) kinyitná a tranzisztort, melynek emitterében lévő 1-es LED rögtön kigyúlladna - majdnem szó szerint. De ha bemeneti jel nélkül még élve is marad a LED, egy 5V-os bemenet esetén a LED és/vagy a tranzisztor meghalna, majd nagy valószínűséggel magával vinné a mérés alatt álló kimenetet is (terhelhetőségtől függően). Ezen sajnos egy soros ellenállás is keveset segítene, mert a LED fényereje nagyban függne a bemenet feszültségétől. És a TTL bemenetek sem szeretik a kis impedanciás magas jelet! A 0-ás LED-nek is egészségére válna egy soros ellenállás :yes: . Bocs :miaz:, hogy ennyire lehúztam az áramkörödet, nem akartam neked esni , de sajnos az elektronok a saját szabályaik szerint ténykednek, és nem mindig, ahogy mi szeretnénk.ui: a Norberto által belinkelt kapcsolás nekem azért nem tetszik, mert a mérőcsúcson lévő jelet rögtön megterheli egy LED + 180 ohmos ellenállással .
oké
nincs harag, sőt.. A Norberto által megadott linken levő kapcsoláshoz készítettem nyáktervet. Ez az ideigi legprofibb nyáktervem, amit valaha készítettem, szóval büszke vagy rá! (Csatolom is...) A kék vonal vezetéket jelöl.Szóljatok, ha bármi hibát láttok benne! Nah megyek aludni, jó8 mindenkinek! :unalmas: |
Bejelentkezés
Hirdetés |





végülis milyen tirisztorral csináltad? és 9v-ról működtetés esetén mekkora ellenállás kell a gate-je elé?

.
(Csatolom is...) A kék vonal vezetéket jelöl.




