Fórum témák
» Több friss téma |
- Ez a felület kizárólag, az elektronikában kezdők kérdéseinek van fenntartva és nem elfelejtve, hogy hobbielektronika a fórumunk!
- Ami tehát azt jelenti, hogy a nagymama bevásárlását nem itt beszéljük meg, ill. ez nem üzenőfal! - Kerülendő az olyan kérdés, amit egy másik meglévő (több mint 17000 van), témában kellene kitárgyalni! - És végül büntetés terhe mellett kerülendő az MSN és egyéb szleng, a magyar helyesírás mellőzése, beleértve a mondateleji nagybetűket is!
3x7 percig megy/nap.
Amit most használok időzítő nélkül kb. egy hétig bírja. Gondolom az időzítő is fogyasztja majd, ezért 9V-os tölthető akksira gondoltam. Lehet betegeknek, akik ágyhozkötöttek adapterrel is jó lehet, de egy órát a falhoz kötve nem szeretnék eltölteni.
Ehhez inkább mikrokontroller fog kelleni. A "testet kapcsol" részt hogyan kell érteni?
Az adott bemenetre kell ( - ) -t kapcsolni. Én erre egy a közelben levő test pontot használok, amin keresztül jelenleg teszteltem, hogyan működhetne.
Ha javasolhatom, ne NiMH akkut használj. Már kaphatók majdnem azonos árban lítium alapú 9V-osak, és a kapacitásuk kb. a duplája a NiMH-énak. Mikro-USB-ről tölthetők, védelem is van bennük, szóval szerethetők. Több éve használok ilyeneket teljes megelégedésre.
Egyébként írtam privátban, nem olvastad?
A kérdés nem tőlem származik: Sziasztok! A következő probléma megoldásához kérem a segítségeteket: Találkozott már valaki olyan problémával hogy Awival(Tig)mikor ívet gyújtok, nagyfrekis gyújtással (Hf),akkor a ledes műhely reflektorok tönkremennek? A gép Alfaweld Pegasus 200. Ha igen akkor mi volt a megoldás? Előre is köszi!
Sziasztok
Ma kicseréltem a dekopírfűrészben a triak-ot és a diak-ot. Tökéletesen működik a fordulatszámszabályzó. Köszönöm szépen mindenkinek a segítséget. ![]()
Sziasztok!
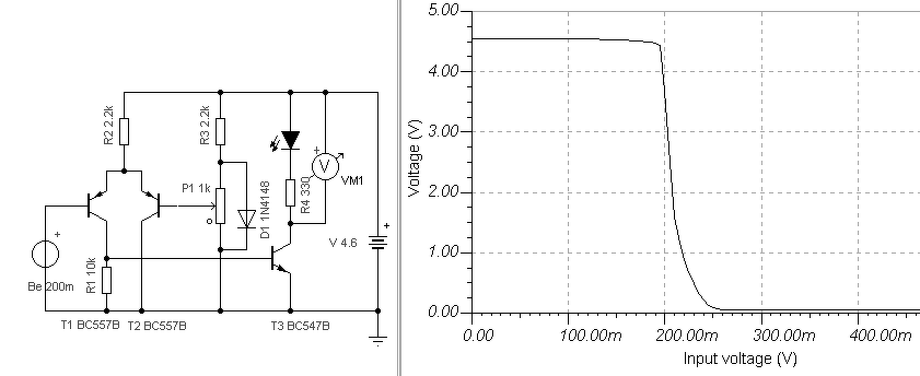
Építeni szeretnék egy áramkört ami áll 1 piros ledből, tranzisztorból, potiból, ellenállásból. A tápfeszültség 4.6V , és az lenne a lényege, hogy a piros led 0-0,2 voltnál kapcsoljon be , ha a feszültség több +0.2 voltnál a led kapcsoljon ki. Ha a potival lehetne állítani a fesz szintjét az jó lenne de ha fix az se baj. Ehhez tudtok kapcsolási rajzot? (ha kézzel van rajzolva úgy is jó nekem)
Nem fog menni. A tranzisztor bázisára legalább 0,6 - 0,7 V -ot kell kapcsolni, hogy kinyisson. Esetleg Ge tranzisztorral, de az sem biztos. A potinak meg nagyon kicsi lesz az állíható tartománya.
Hello!
Remélhetőleg nem egy szem tranyóra és egy ellenállásra gondoltál.. Amúgy miért kell megnehezítened a életedet, amikor egy komparátor IC-vel megoldható a dolog.. Nem írtad, hogy a 200mV terhelhető-e vagy sem. A hozzászólás módosítva: Júl 17, 2020
Hello!
Köszi szépen. Nem csak egy-egy alkatrészre gondoltam. A kikapcsolt áramkör terhelésére gondolsz? Ha igen, azt hiszem az terhelhető. Erről a komparátor IC-ről még nem hallottam , röviden elmondanád a lényegét?
Hello!
Nem arra gondoltam, hanem hogy "miből származik" a 200mV amit figyelni kell. Mert ha pld. egy sönt ellenálláson eső feszültséget kell figyelni, akkor az áramkör bemenete nyugodtan terhelheti a söntöt, mert annak általában kicsi az ellenállása, így nem számít ha terhelve van. De ha pld. valami nagy belső-ellenállású a jelforrás, akkor az nem terhelhető. Tehát ara is oda kell figyelni. A komparátorban nincs semmi különleges, csak ott nem kell tranyók garmadát összekötözgetni, mert az már kész van belül az IC-ben. És sokkal precízebben lehet vele elkészíteni valamit, mert azt univerzálisra tervezik, hogy minél több helyen alkalmazható legyen. pld. LM311 vagy pld a kettő fokozatot magában hordozó LM393. Egyébiránt egy ilyen feladatnál vagy el kell mondani mi is lenne a funkció, vagy sokkal több paramétert kell megadni. Mert csak úgy lehet értelmes választ adni ha ismertek az igények.. Különben csak általánosságban lehet választ adni. Ami okulni jó, de megoldásnak nem biztos.
Hello!
A kapcsolás többi része úgy néz ki, hogy van 1 táp ami 4,6V ez soil moisture szenzorra van kötve (+ -) Az output lábán a nedvesség arányába 0Volt van ha teljesen száraz a talaj ha nagyon nedves akár 4 volt felett is lehet. A piros led szerepe az lenne , hogy ha száraz a talaj (ilyenkor kb 100-200 mV van az output-on) akkor a piros led kapcsoljon be mert ez egy riasztófény, hogy nincs víz. A hozzászólás módosítva: Júl 18, 2020
Rendben, bár én ebből nem tudom hogy mi van a háromlábú tokban. Lehet akár egy mezei tranyó is, vagy egy céláramkör.. De majd kiderül. Ha gondolod, megrajzolhatom az IC-s verziót is. A tápja stabil lesz?
Tranyó az azthiszem (J3Y jelzésü). A tápja stabil és ha megrajzolnád az ic-s verziót is azt megköszönném szépen.
A hozzászólás módosítva: Júl 18, 2020
Rendben. A trimmerrel 0..400mV-ig lehet állítani és van hiszterézise. (Avagy határozottan fog be-ki kapcsolni a Led.)
Nagyon szépen köszönöm a segítségedet! Ahogy sikerült beszereznem az összes alkatrészt megépítem és beszámolok róla.
Szevasztok,
élő embernél minden előfordul[6]... Ha a heggesztendő tárgy földelt felületen van, a test kábelt pedig elmulasztjuk rácsatolni, még cifrább esetek is előfordulnak, sőt a gép is elromlik... Ellenőrözni kell a testkábelt, nem kontakthibás? Alulicnis kábelnél akár a közepén is szakadt lehet, kívül a burkolaton meg se látszik...
Szia!
Az Arduino Nano jó ötlet, de van annál is kisebb verzió. Én ezt ajánlom: Bővebben: Link Ugyanúgy USB-n keresztül programozható Arduino rendszerben, csak sokkal kisebb. A csatolt 9V-os áramkörben a kimenetre milyen eszköz lenne csatlakoztatva? Ahogy nézem az áramköröd egy kb. 35 kHz-es négyszögjelet ad a kimeneten. Ezt pofonegyszerűen le lehetne programozni szintén az Arduinoban, így erre az áramkörödre sem lenne szükség.
Sziasztok!
A képen látható csatlakozó nevét szeretném kideríteni, esetleg beszerezhetőségét. Köszönöm!
Milyen készülékben van? Ne legyen igazam de nekem gyanus, hogy ilyen kereskedelmi forgalomban nem kapható, én legalábbis még nem láttam.
PROTECO Q60A kétszárnyú kapunyitó elektronika
A másik topikban írtam.
Nem hiszem, hogy programozható lenne USB-n. Ha megnézed a képet, akkor van rajta egy Attiny85 és egy 78L05, a másik oldala pedig sanszosan üres. Nincs rajta semmilyen USBTTL chip az USB max. tápnak jó ezen.
Persze programozható Arduino IDE-vel, de fel kell rakni hozzá az attiny chip-et és kell hozzá egy programozó (minimum ArduinoISP), a kérdező pedig kezdő. Illetve ha már Attiny, akkor nem is feltétlen kell érdemes ezzel a modullal játszani, ettől kisebb helyen simán összehozol egy DIP8 attiny + 78L05 + 2 kerámia + elkó kapcsolást - programozó pedig mindenképp kell hozzá.
De, pedig programozható USB-n, nem kell hozzá programozó, jópár ilyet használtam már hobbi célokra. Olcsó, picike és könnyen felprogramozható az adott célra, én imádom, egyszerűbb feladatokra nagyon hasznos tud lenni.
Tényleg nincs a lapon külön USB vezérlő, hanem a gyárilag benne lévő program alapján maga az Attiny kezeli közvetlenül az USB portot. Emiatt limitált a programmemória, amit saját célra fel tudsz használni. Abban igazad van, hogy első használat előtt egy kicsit szenvedni kell vele, fel kell tenni az Arduino IDE alá a megfelelő dolgokat, hogy a szoftver tudja kezeli ezt a kis lapot, de utána már tényleg pofonegyszerű a letöltés bele. Itt le van írva lépésről lépésre, hogyan kell beállítani az Arduino IDE-t hozzá, nem egy nagy ördöngősség: Bővebben: Link A hozzászólás módosítva: Júl 20, 2020
Idézet: „Tényleg nincs a lapon külön USB vezérlő, hanem a gyárilag benne lévő program alapján maga az Attiny kezeli közvetlenül az USB portot. Emiatt limitált a programmemória, amit saját célra fel tudsz használni.” Köszi, jó tudni, erre nem is gondoltam. Bár elég hihetetlen, hogy egy attiny-ben egy valamire való usb stack-et lekódolt valaki, de ha így van akkor örülök. Van ilyen itthon, illetve az USB A "apa" csatlakozós Attiny modul is, azzal asszem próbáltam is, de a gépen nem jelent meg semmilyen eszköz, ebből vontam le ezt a következtetést (és az USBTTL hiánya is erre utalt). Igazából minimál kódot bíznék rá, sokat könnyítene ha nem kellene a programozós dugdosással szórakozni. Szóval köszi még egyszer, ha egyszer lesz pár percem rápróbálok.
Pedig lekódolták és működik.
![]() Ha kipróbálod, arra figyelj majd oda, hogy letöltéskor elindítása után meg kell várni, amíg az IDE az alsó üzenetfelületen kiírja, hogy próbálja keresni az eszközt és csak akkor szabad rádugni a lapot a számítógép USB portjára. Ha korábban rádugtam, akkor nekem nem ismerte fel.
Üdvözlet.
Megépítettem a tranzisztoros verziót (próbaüzem) és nagyon szépen működik pont ahogy kell. A potival lehet állítani a bekapcsolás pontját. Nagyon jól csinálja a dolgát. Meglehet , hogy majd megépítem a komparátoros verziót is de most ez is elég. Köszönöm mégegyszer proli007-nek.
Sziasztok !
A kis medence vizforgatóját - 3 percenként szeretném ki-be kapcsolgatni egy időzítővel. ( egy gumi napkollektor ennyi idő alatt átmelegíti a vizet és ezt forgatnám vissza a medencébe) Vettem is egyet, ami Elko smr-t multifunkcionális relé. Mellékelem a bekötési rajzot, de sehogy sem boldogulok. Sajnos megsütöttem a kis automatikát, mert rosszul kötöttem be. Sehogy sem tudom, hová kell kötni az S szálat? Itt a gyári bekötés és az általam készített bekötés. Minden segítséget köszönök.
Ha medencét akarsz fűteni, ne időzíts semmit, amikor süt a nap, járasd a szivattyút. Jobb lesz a hatásfok, több hő kerül a medencébe.
Az SMR-K, SMR-T típusok 3-vezetékes, nulla vezető bekötése nélküli változatok . A szivattyú hány wattos? Az S-re opcionálisan kapcsolót vagy nyomógombot lehet kötni ha azt nem adtak hozzá. Ha jól látom van benne egy 1A-es biztosíték meg kell nézni hogy kiégett-e és egy csere megoldja-e.
|
Bejelentkezés
Hirdetés |





Köszönöm szépen mindenkinek a segítséget. 










