Fórum témák
» Több friss téma |
- Ez a felület kizárólag, az elektronikában kezdők kérdéseinek van fenntartva és nem elfelejtve, hogy hobbielektronika a fórumunk!
- Ami tehát azt jelenti, hogy a nagymama bevásárlását nem itt beszéljük meg, ill. ez nem üzenőfal! - Kerülendő az olyan kérdés, amit egy másik meglévő (több mint 17000 van), témában kellene kitárgyalni! - És végül büntetés terhe mellett kerülendő az MSN és egyéb szleng, a magyar helyesírás mellőzése, beleértve a mondateleji nagybetűket is!
Hát miért szépen nézne ki a pic mellett
Igy?
Közben beelőztem, de igen jól rajzoltad, és hogy szépen nézne-e ki, azt nem tudom, de hogy jó lenne az biztos.
Bővebben: Link
Heló Azt honnan lehet megtudni hogy a leden mennyi feszültség esik meg menyi áram folyik át rajta?
Használd a keresőt, nemrég ki lett fejtve, nem is akárhogyan!
Megjegyzem, el vagyok hűlve, hogy párhuzamos kapcsolást ajánl a HE! Kicsit szakbarbárság, na de mindegy...
Ja! Vágom már! Kicsit összeolvastam amit írtál. De már egyenesben vagyunk!
Nézd mit találtam neked:LED nyitófeszültségek
Köszönöm szépen a segítséget így már boldogulok! heló
Megtaláltam azt is, hogy ez miért van, és hogy kell számolni! Bevallom ezt még én sem tudtam volna így leírni! Gratula a szerzőnek!
- Íme -
Nincs mit! Tök jó ez a keresőmotor, használjátok ti is, megéri!
A PIC nek elég 12V VPP nek?A te rajzodban úgy van.Akkor a két dióda a 7812 gnd lábára felesleges?
Elég bőven. Igen, felesleges megemelni a regulátort.
Sziasztok!
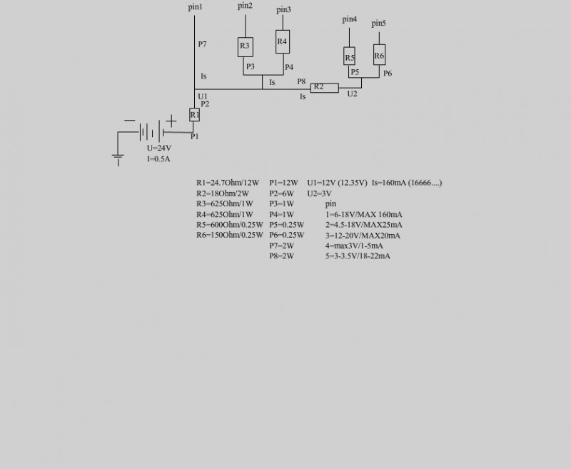
építettem papíron egy tápot. letudnátok ellenőrizni az adatokat, hogy stimmelnek-e? az ellenállásokat számoltam ki. a táp stabil, és a kimeneteknek (pin-eknek) leírtam az elfogadható értékeiket. köszönöm: Zsolt
Első látásra nekem kicsit zavaros.... Egyszerre csak egy kimenetet terhelsz?
igen, ez egy 5.1-es hangrendszert akar táplálni...
TDA7057AQ, TDA1554Q, és 2 db LM3915 kivezérlésjelzőt..
Akkor több kimeneten is folyik áram egyidejűleg, igy nehéz lesz.
Tudom, hogy nem ez volt a kérésed, de a helyedben letennék erről az ellenállásosztós tápellátásról. Egyszerűen nem lehet kézbentartani a feszültségeket,a kivezérléstől függően ingadozni fognak ott is ahol nem kellene, káros visszacsatolások léphetnek fel, begerjedhet a rendszer a táp szűretlensége miatt. Szóval inkább helyi stabilizálás, ott ahol szükséges, és a többi rész is külön-külön ellenállásokkal legyen inkább megoldva.
Hello! A TV-ben mondták hogy 4 előre tervezett beszélgetés lesz majd az ISS-szel! Azt valaki megtudja mondani hogy mikor? Mert megakarom próbálni befogni!
Köszi!
oké, akkor tovább bonyolítom, tuti, hogy még jelentkezek, ha nem ide akkor a ki mit épített topicba
kösz mindent!
Hy kérdésem egyszerű, csak megakadtam a GD 241 C típusú tranzisztort esetlegesen mivel tudnám helyettesíteni. A gugli nem dobott ki semmi magyartartalmat, amúgy erősítőbe kellenék. Előre is köszi
Sziasztok!
Volt ez a kérdésem. Egy választ kaptam rá, azt figyelembe véve, akkor elég ha 2-3V-tol indul. Biztos nincsenek ilyen IC-k amivel kis áramon lehet szabályozni?(akár<1A) A lényeg hogy trafót ne keljen belerakni, csak egy egyszerű kis kapcsolás...
Hali mindenkinek, elkezdtem keresgetni a google-ban, de nem jártam sikerrel. Szerintetek egy PCR406os tirisztor elbír hajtani egy 1.5W os ledes izzót??? Van egy fenyőfa izzósor vezérlőm és arra akarom rátenni. Ha nem birja el akkor kicserélem a tirisztorokat. Várom a véleményeket.
Hello!
"Nem baj, ha Trabant motor van benne, csak menjen 300-al!" - Feszültség növelést, alapvetően StepUp konverterrel lehet készíteni. Abba, szinte elengedhetetlen egy tekercs. Nézd meg a Google-ban, a Maxim készít ilyen célcuccokat. - Két lehetőség van. Van vagy előállítod az 5V-ból a 12..15V-ot és azt analóg szabályzóval szabályozod, vagy a konvertert csak akkor indítod el, ha a feszültség már nem elegendő a szabályozáshoz. (utóbbi kissé komplikáltabb) - Ha 12V-on 1A áramot akarsz, akkor az 12W plusz a hatásfok miatti veszteség, ami minimum 30..40%. Az már 17W, és 5V-on ez 3,4A-t jelent. Szóval, elég macerás és értelmetlen a feladat így önmaga környezetében. Ritkán készítünk ilyen marhaságot. Mert több a ráfordított energia, mint az eredmény. Remélem nem az USB-ről akarsz labortápot készíteni, mert tö... szúrom magamat. üdv! proli007
Hello!
Ha találtam volna a kínai vacakról, valami értelmes adatlapot, akkor meg is lehetne mondani... De miért akarsz egy ilyen kis vacakkal hálózati feszültséget kapcsolni? Aztán meg majd panaszkodsz, hogy elszállt (meg vele együtt a vezérlő is). üdv! proli007 |
Bejelentkezés
Hirdetés |




Igy? 

Köszi!





