Fórum témák

» Több friss téma
Fórum » Elektronikában kezdők kérdései
- Ez a felület kizárólag, az elektronikában kezdők kérdéseinek van fenntartva és nem elfelejtve, hogy hobbielektronika a fórumunk!
- Ami tehát azt jelenti, hogy a nagymama bevásárlását nem itt beszéljük meg, ill. ez nem üzenőfal!
- Kerülendő az olyan kérdés, amit egy másik meglévő (több mint 17000 van), témában kellene kitárgyalni!
- És végül büntetés terhe mellett kerülendő az MSN és egyéb szleng, a magyar helyesírás mellőzése, beleértve a mondateleji nagybetűket is!
Lapozás: OK   511 / 4063
(#) Dempsey hozzászólása Máj 23, 2009 /
 
Sziasztok!

Az lenne a kérdésem hogy a képen látható kondenzátoron mit jelent az hogy 100+100uF?
Köszönöm előre is a válaszokat!
Üdv: Dempsey!
(#) Imi65 válasza Dempsey hozzászólására (») Máj 23, 2009 /
 
Azt, ami rá van írva. Ebben az aluházban van két darab 100 µF -os kondi, aminek a negatív kivezetései a házra vannak közösítve (felrögzítése: vagy fém szerelőlapra, ami eleve a negatív pont, vagy egy speciális- hozzá méretezett, és kivezető füllel ellátott - alátéttel lehet megoldani), míg a pozitív kivezetések külön vannak kihozva. Ezek speciálisan az elektroncsöves technikához kifejlesztett kondenzátorok voltak, erre utal a 350V-os feszültségtűrése is. Váltakozó áramra ( Pl: motorindítás) nem használható, ilyen áramkörbe kapcsolva felrobbanhat!
(#) Dempsey válasza Imi65 hozzászólására (») Máj 23, 2009 /
 
Köszönöm a válaszod így minden világos! Akkor még jó hogy nem próbáltam ki motor indításra soha pedig megfordult a fejembe! Még egyszer köszönöm!
(#) danelnagy95 hozzászólása Máj 23, 2009 /
 
Hali!

A mellékelt kapcsolásban a potmétert úgy kell bekötni h egyik lába sem ér a másikhoz, vagy másképp?
(#) mex válasza danelnagy95 hozzászólására (») Máj 23, 2009 /
 
Igen, mindegyik láb máshová csatlakozik.
(#) gammabuta hozzászólása Máj 23, 2009 /
 
Valaki esetleg feltudna vilagositani, hogy mi a kulonbseg egy litium ion es egy litium polymer tolto kozott?

Vettem egy Li poly toltot de jol beneztem, mert csak Li Ion cellaim meg pakkjaim vannak, a toltore meg vilagosan ravan irva, hogy csak polymerhez jo ionhoz nem.....

Abban bizom hogy hulyeseg amit rairtak es tolt Li Iont is, bar eleg nagybetukkel irtak ra eleg sok helyre....

Ja egyebkent ElectriFly PolyCharge a neve (GPMM3010).
(#) Sir-Nyeteg válasza gammabuta hozzászólására (») Máj 23, 2009 /
 
Ha neten keresgélsz, találsz kismillió leírást róluk.
Teljesen más tipusú akksik, ne próbáld tölteni egyikkel a másikat!
A li-ion kis áram, kis méret, pl alaplap, óra.
Lypo, pl repülő-modellezés, nagy áram, kis suly, érzékeny nagyon.
(#) csuszo_zalan hozzászólása Máj 23, 2009 /
 
Helló!
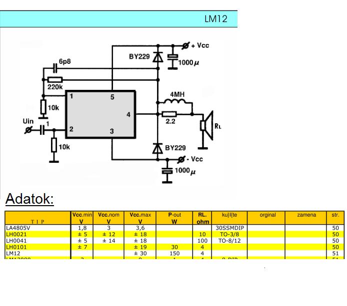
Az alábbi kapcsolással adódott egy kis gondom.A kapcsoláson szereplő tekercs 4MH(mega Henry? vagy mili Henry? ha már nagy "m" akkor valószínűleg mega.nem?)De sehol sem találok ilyen tekercset.Mennyiért mennek ezek manapság? Meg a másik kérdésem az ,hogy ez a kis erősítő 150W-ot le tudadni?A táblázat szerint legalábbis.Lehetséges ez? Köszönöm a leendő válaszokat!

150W-os.JPG
    
(#) kobold válasza csuszo_zalan hozzászólására (») Máj 23, 2009 /
 
Azt, hogy 150 W-ot lead-e, nem tudom, de az induktivitás 4 mH, az biztos.
4 MH, azaz négymillió Henry értékhez már majdhogynem a Föld vasmagját kellene körbetekercselni...
(#) csuszo_zalan válasza kobold hozzászólására (») Máj 23, 2009 /
 
Kösz,és hol tudnák beszerezni egy ilyen tekercset? Néztem a neten,de ilyet nem találtam.Egyébként meg csak annyit mondjak az eladónak,hogy egy 4mH-s tekercset kérek?Nem kell semmit részletezni?
(#) Norberto válasza (Felhasználó 13571) hozzászólására (») Máj 23, 2009 /
 
qvasz pedig nem írt hülyeségeket, szerintem igenis jó, hogy felhívta a figyelmet pár, nem elhanyagolható dologra... /már csak az osztásarány-dolog megölhette volna a panelműszert, bár nem tudom, ezek mennyire érzékenyek 200 mV helyett 2V-os bemeneti feszültségre/
(#) Norberto válasza (Felhasználó 13571) hozzászólására (») Máj 23, 2009 /
 
Az alapkérdés viszont az volt, hogy 20 V-ra kell kiterjeszteni a méréshatárt, és erre jogosan hívta fel a figyelmet qvasz, mert Baxi rossz rajzot rakott fel (rossz osztásarányút!!!). Az, hogy utána ismeretlen okokból már ez a 2 V-os!!! méréshatárra vonatkoztatott történet folytatódott, az már egy másik történet, de az eredeti problémát még nem oldotta meg...

Idézet:
„az osztásarányban is tévedsz, számolj kicsit utánna”


qvasz2 ezen mondata pedig talán nem is kizárólag mex-nek szólt, mert az azt megelőző, Baxi által közölt rajzon is rossz osztásarány van, szóval talán inkább mindkettejüknek szólt, felhívva ezzel a figyelmet arra, hogy márpedig a 20V-os méréshatárhoz a 200 mV-os alapműszert 1/100-os feszültségosztással célszerű végezni, nem pedig a 1/10-es osztású úton célszerű továbbhaladni.
(#) mex válasza Norberto hozzászólására (») Máj 23, 2009 /
 
Hibát követtem el az osztásarány beállitásánál, ez tény.
Az is tény viszont, hogy az osztó méretezésekor elsődleges a mérendő feszültség terhelhetősége, illetve a mérőmű bemeneti ellenállása. Ezért nem kell mindenáron hatalmas értékű, esetenként beszerezhetetlen ellenállásokból tervezni egy ilyet.
Szerencsére az ICL 7107 a tápfeszültségét meg nem haladó bemeneti értéket még elvisel.
Eddigi hozzászólásaimban nem minősitettem még senki irását, velem megtették,de nem haragszom, mert az osztásarányban igaza volt. Mondjuk a butaság helyett alternativaként ajánlom a "helytelen" kifejezést...
(#) Norberto válasza mex hozzászólására (») Máj 23, 2009 /
 
Tudjátok, mi a legérdekesebb?

Most találtam rá erre a képre, egy PDF dokumentumban. Baxi nemrég linkelte, hogy sikerült egy panelmeter-t rendelnie. A HEStore-on fellelhető és szabadon letölthető a műszerhez tartozó adatlap :yes:
(#) Vacok válasza (Felhasználó 13571) hozzászólására (») Máj 23, 2009 /
 
Szia!

Köszönöm szépen a segítséget, átrajzolom a nyákot úgy, ahogy mondtad.
(#) gammabuta válasza Sir-Nyeteg hozzászólására (») Máj 23, 2009 /
 
koszi a felvilagositast, bar en a neten nemlattam lenyeges kulonbseget, azt meg nemertem miert irod, hogy kis aram es, hogy pl. alaplap, ora, hisz a laptopokban is litium ion cellak vannak, egy egesz szamitogepet elhajt, manapsag az osszes mobiltelefonban, videaokamkorderek ben azvan, kompakt fenykepezogepek es a DSL-ek is litium ion akkupakkrol mennek, nem polymerrol.
Ha a polymer erzekenyebb es a cellafszkojuk meg a toltesi feszkojuk azonos akkor miert ne birna egy erzekenyebbre tervezett tolto tolteni egy kevesbe erzekenyt egy ionost?
Termeszetesen biztos igy van, de meg nemtalaltam konkret leirast. Gondolom az egesz tolto mikrokontrollert ujrakene programozni, hogy vigye az ionost, szoval valoszinuleg az uj toltom a kukaban vegzi majd es vehetek egyet ionosra.
(#) XD válasza El_Pinyo hozzászólására (») Máj 23, 2009 /
 
[quote]Ezt láttad?
Tökéletes dokumentáció, minden benne van.
Egyébként miért AVR- el (mikrokontrollerrel) kezded az elektronikával való ismerkedést? Gyorsan akarsz nagy kudarcot, vagy csak a már kész programokat akarod beégetni vele?
Üdv.[/qoute]
Üdv!
Hát igen először meglévő programokat, aztán meg csak kitanulom, a programozásról van némi fogalmam (főleg basic-ben).
Láttam. Mondjuk ott van az a "A NYÁK előnézete"
Abból kéne kiigazodni?
Mert ott csak az van, hogy R1, R2....
És nem tudom, hogy most melyik ellenállást hova....
(#) XD válasza (Felhasználó 13571) hozzászólására (») Máj 23, 2009 /
 
Jó, köszi!
(#) Baxi válasza Norberto hozzászólására (») Máj 23, 2009 /
 
Hi

Köszönöm mindenkinek a válaszokat, "jó" kis vita kerekedet ki belőle.
Ma megvettem az ellenállásokat, igaz 9,9M ohm-os nem volt csak 10M ohm-os, remélem a potival lehet annyit korrigálni.
Köszi a pdf-et, Én nem is nagyon nézegettem, nem is gondoltam hogy van ilyen ott
Holnap összerakom s teszek fel képet.
Köszönöm mégegyszer
(#) Dina hozzászólása Máj 24, 2009 /
 
Kedves hozzáértő Fórumozók!

Szeretnék segítséget kérni Tőletek!
Abszolút amatőr vagyok, viszont szükségem lenne cd-s zenegépre, amit két helyiségben kellene jó minőségben (nem csúcs minőségben) megszólaltatni.

- Hogyan lehet ezt kiépíteni? Milyen kimenetelű lejátszót kell vennem?
- milyen hosszabbító vezetékkel?
- a kis méretű hangfalak is szépen szólnak?
-inkább felfüggesszem a hangfalakat vagy csak rátegyem valamire?

Bonyolult dolog ez?



üdv és válaszvárás:

DINA
(#) Sir-Nyeteg válasza Dina hozzászólására (») Máj 24, 2009 /
 
Üdv!
Zenegép=hifitorony? esetleg PC, cd-s rádió, vagy akár discman is lehetne
tegyük fel, hogy nem kell erősítő neked, mert pl hifitornyot használsz.
Lejátszó kimenete: hangfal kimenet
Hosszabbító vezeték: hangfalkábel
Kis méretű hangfalak is szépen szólnak. Van egy genius hangfalam, kb 15cm magas, tipikus pc hangfal, olyan iszonyat jól szól, pedig már van vagy 10 éves. De általában a kis hangfalak/hangszórók a magas hangokat adják, míg a nagy hangfalak a mély hangokat adják torzításmentesen
Hogy hova teszed a hangfalakat, az már csak design kérdése.

Tudok ajánlani egy sima hifi-t pl 4*45W ekkor két két hangszóró a szobákban.
Remélem nem értettelek félre.
(#) Dina válasza Sir-Nyeteg hozzászólására (») Máj 24, 2009 /
 
Kedves Sir-Nyeteg!

Köszönöm a válaszod!
A pontosítás elkelt....
Igen, "hifitoronyra" gondoltam. A hangfal kimenet kapcsán nem tudom, milyen megoldási lehetőségek lehetnek, erre vagyok kíváncsi. Hogy sztereóban szóljon a két helyen, esetleg mélynyomókat is be lehessen tenni. az egyik helyiségben 3 hangfal is elkelne, hogy egyenletesen betöltse a teret a zene.
Van egy dolbi pro logikos 5 kivezetéses hifim, az a konstrukció is jó lehet-e éppen normál sztereo módban?
A lét helyiségben lehet hangerőt szabályozni külön? Vagy ez bonyolult?
a hangfalkábelek között vannak különbségek, vagy mindegy?
Az ajánlásod elfogadom.. meg a tájékoztatást is
Előre is köszönöm!

Dina
(#) Moderátor hozzászólása Dina hozzászólására (») Máj 24, 2009
 
Szia!
Látom még új vagy itt. Ezért kérlek olvasd el a szabályzatunkat.
Felhívnám a figyelmedet a XVIII. pontra!
A másik két helyre betett kérést töröltem.
(#) Dina válasza (») Máj 24, 2009 /
 
Bocsánat!
Csak nem is tudtam, hol is kérdezzek...
Dina
(#) szamóca válasza Dina hozzászólására (») Máj 24, 2009 /
 
Ha mint azt az írásodból kiveszem igényed van a mély hangokra is, ráadásul a két helyiségben külön szabályozható hangerősséggel, akkor ezt egy-egy sztereó erősítővel, és megfelelő méretű hangládákkal helyiségenként megoldható. (A helyiség mérete is fontos a hangdobozok kiválasztásakor.) A CD játszó után egy jelosztót kell alkalmazni. A hangdobozok vezetékei közötti minőségkülönbség csak egy bizonyos /magas/ szint felett hozhat javulást. (Persze nem érdemes 1mm2 alatti keresztmetszettel foglalkozni)
(#) Sir-Nyeteg válasza Dina hozzászólására (») Máj 24, 2009 /
 
Általában a legelterjedtebb megoldás a sima "kábelt becsatlakoztatom" módszer.
A mélynyomóhoz általában külön kimenet szokott lenni, esetleg pl 2 vagy 3 utas hangfalakat szoktak alkalmazni, abban több hangszóró van, hangváltóval egybeépítve. Ez sokkal egyszerűbb, neked szerintem megfelel.
Hangerő szabályozás megoldható, egyszerűen.
Hangfalkábelben nincs nagy eltérés.
(#) Dina válasza szamóca hozzászólására (») Máj 24, 2009 /
 
Köszönöm Szamóca!

Akkor 2 erősítő kellene. Az egyiknek nem jó a hifi erősítője?
A megoldás: csak cd lejátszót veszek, jelosztó elosztja Két erősítőnek. Ezekre külön-külön biztosan köthetek 2-3-4 hangfalat.

(#) Dina válasza Sir-Nyeteg hozzászólására (») Máj 24, 2009 /
 
A többutas hangfalak ugyanúgy csatlakoznak egy vezetéken, ugye?
Mi az "egyszerű" megoldás a hangerő szabályozásra, illetve csak az egyik helyen szólaltatásra?
(#) szamóca válasza Dina hozzászólására (») Máj 24, 2009 /
 
De igen jó, ha neked megfelelő minőséget, illetve hangerőt tud szolgáltatni. Egy sztereó erősítőre kettő doboz köthető. (az A-B értelmetlenséget leszámítva)Ha van a hi-fi-den REC out /felvétel kimenet/ onnan is táplálhatod a másik erősítőt. Ekkor nem kell osztó.
(#) Dina válasza szamóca hozzászólására (») Máj 24, 2009 /
 
A REC out = audio out?
Egy dolbis 5 hangfalas kimenetetű hifihez +1 erősítő, amihez 2 fő hangfal és egy mélynyomó köthető.- ha jól értem?
Most próbálgattam a régimet, normál stereo módban szól a zene talán a legjobban, dolbi pro logic és dolbi 3 stereo mód viszont alternatíva, hogy több hangfalból-helyről szóljon. Ront aaz a hangminőségen? Maradjak a 2 több utas hangfalnál inkább?
Következő: »»   511 / 4063
Bejelentkezés

Belépés

Hirdetés
XDT.hu
Az oldalon sütiket használunk a helyes működéshez. Bővebb információt az adatvédelmi szabályzatban olvashatsz. Megértettem