Fórum témák
» Több friss téma |
- Ez a felület kizárólag, az elektronikában kezdők kérdéseinek van fenntartva és nem elfelejtve, hogy hobbielektronika a fórumunk!
- Ami tehát azt jelenti, hogy a nagymama bevásárlását nem itt beszéljük meg, ill. ez nem üzenőfal! - Kerülendő az olyan kérdés, amit egy másik meglévő (több mint 17000 van), témában kellene kitárgyalni! - És végül büntetés terhe mellett kerülendő az MSN és egyéb szleng, a magyar helyesírás mellőzése, beleértve a mondateleji nagybetűket is!
Sziasztok! Most vettem le a tetejét egy 20 gigás western digital vinyónak (ne vegyen ilyet senki!!
) és elvileg az elektronika aludt el örökre, de én kiszeretném próbálni, hogy biztos így van-e! Ha simán rákötöm egy tápra, akkor elvileg felkéne pörögnie?? Légyszi siessetek a válasszal, mert még ma szétszeretném szedni, ha nem jó!!
Ez egynek szerintem megteszi
De ha leszeded a tetejét, akkor már nem sok mindenre tudod használni
!!! MERT telimegy porral, és ez megpecsételi a sorsát az adattároló lemeznek, és az olvasófejnek...! CSAK ha végleg lemondtál róla, akkor szedd apróra...
Kezdő PC-ző koromban volt egy 650 megás quantum vinyóm (amin csak külön half life 1 volt
), néha nem akart felpörögni ha úgy állt meg, leszedtem a tetejét a lemez pereménél fogva az ujjammal megpördítettem, és már jó is volt. Ezt jópárszor eljátszottam vele... Bírta ezt a kiképzést nem volt olvasási hiba (vagy nem jött elő). Aztán meguntam és megkínoztam....
Helyettesíthető, csak nagyobb darab a 7805 az L-hez képest, meg több áramot bír el...
Tud valaki egyszerű 15-ös frekvenciaosztóra típust mondani?
Köszi.
Igazi szakbarbár munka!
Vagy csak egy vélemény...? Én eddig nemvolam enyire szerencsés.
Sziasztok!!!
Egy erősítőhöz keresek tranzisztort nem tudtok olyan honlapot ahol lehet találni. Mert ha tudtok kérlek titeket hogy írjatok vagy helyettesitő tranzisztort előre is köszönöm. A tranzisztor neve most nem tom meg mondani hogy melyik a kettő közül de le írom mind a kettőt. Az egyik Q302L vagy a A965 nem tom hogy melyik mert egy mád mellet vannak. Köszönöm a segítségeteket! Dj Peat voltam.
Néha lehet ökörködni
:crazya::finom::idiota:
Vegyél 7806-ot
A Q302 a pozíciószáma lehet. A pontos típus: 2SA965, ez egy PNP 120V-os tranyó.
Sziasztok!
Újra nekiállok a tapskapcsolónak,de most kissé belekavarodtam a mikrofon bekötésébe... Azt nemértem,hogy az output-ot mire kötöm rá?? Csak mert a rajz alapján a mikrofon term 1 és term 2 lábát bekötöm a shemtaikus rajzon lévő term 1 és term kettő helyére,a term1 pedig egy ellenálláson keresztül kap még feszkót.Ja,és a bal oldalon van a műv erősítő.....akkor ami "jobbra megy" output azt hova kötöm??
HI
Mint az elöttem szóló , Sebi szerint : 2SA965 ezt megrendelheted a HQVIDEO.hu honlapon 70-80Ft-ért megízhatóak , gyorsak
Hi mindenki
Én tsak alap szinten értek az elektronikához,de viszont szeretnék csinálni motora egy adó-vevö kütyüt, amibe két hadszetet lehet beledugni s lehet vele komunikálni az utassal, s ha lehet dc 12 v kütyü kellenne, remélem tudok valami kapcsolási rajzot . ui: a bolticuccok drágák nekem, azt monták hogy pár ezresböl kilehet hozni," remélem"
Üdv!
Én a rajzot úgy értelmezem, hogy ami az árnyékoláson belül van, az a mikrofonod tartalma, a két kivezetés pedig terminal 1 és 2 a mikrofon kivezetései. Az output és a GND csatlakozásokkal kell bekötni egy megfelelő mikrofonáramkörbe (annak az input jelzéséhez).
Még magamat is javítanom kell.
De ez már a tuti javítás. :yes: Én más hibát nem találtam...
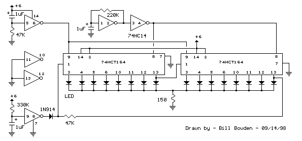
Tudna valaki segíteni abban,hogy alábbi kapcsolásba hogy tudom szabályozni a ledek futási sebességét??
(menet közben)
a 220K -t cseréld ki 500k-s trimerre v potira
üdv
helósztok, nem tud nekem hirtelen mondani valaki egy olyan ic-t ami pont arra lenne jó, hogy egy pc-s 8cm-s venti fordulatszámát fixen tartsa? természetesen a max fordulatszám alatt egy kicsivel. mert ugye ezeknek a ventiknek van egy kimenetük ahol minden fordulatnál adnak egy impulzust..
köszi!
Szia Báddzsó.
A PC-ventik névleges feszültségen forognak a legnagyobb fordutallal, Idézet: ! Ahoz h. ezt szabályozni lehessen a névleges fordulatszám körül, a névlegesnél nagyobb feszűltséggel kell táplálni a SZABÁLYZÓ áramkört, úgy kb:15V. Erre egy DC-DC feszabályzó lenne a legjobb megoldás. A fordulatszám figyelésére és a motorra feszültségének szabályozására egy "pici" PIC tökéletesen megfelelne! (Extra szolgáltatása lehet még a hibajelzés pl.zümmerrel (és-vagy POWER OFF), és a hőfokfigyelés/fordulaszámszabályozás... Jó kis PIC es projekt jehetne. „"viszonylag sztabilan"” Egy olcó alternativa lehet még az LM317 IC... Üdv.: _jani_
kössz a válaszod, de sajna pont ez a problémám, hogy egy gépben nincs nekem több mint 12V (max 13 esetleg), ezért szeretném pwm-el szabályozni, és a sárga vezetéket figyelve mindig egy egyszer beállított fix fordulaton tartani, (ez a lényeg ,a nagyon fix forudulat), gondoltam van ilyen ic ami egy fetet pwmel kapcsolgat.
Idézet: „"pici" PIC” pont a picet akartam helyettesíteni... mer van itthon 12F508-om, csak gondoltam hátha van valami jó ic amivel meg lehet oldani....
kicsit összefolyt a hszem..
alapból alaplaptól függetlenül szeretném egy általam egyszer beállított fordulatszámom tartani a ventit. valszeg pic lesz belőle....Tehát van egy venti ami gyárilag 2800 at pörög 12V-on akkor azt szeretném pwm-el mondjuk 2345-ön tartani... |
Bejelentkezés
Hirdetés |




) és elvileg az elektronika aludt el örökre, de én kiszeretném próbálni, hogy biztos így van-e! Ha simán rákötöm egy tápra, akkor elvileg felkéne pörögnie?? Légyszi siessetek a válasszal, mert még ma szétszeretném szedni, ha nem jó!!

!!! MERT telimegy porral, és ez megpecsételi a sorsát az adattároló lemeznek, és az olvasófejnek...! CSAK ha végleg lemondtál róla, akkor szedd apróra...
), néha nem akart felpörögni ha úgy állt meg, leszedtem a tetejét a lemez pereménél fogva az ujjammal megpördítettem, és már jó is volt. Ezt jópárszor eljátszottam vele... Bírta ezt a kiképzést nem volt olvasási hiba (vagy nem jött elő). Aztán meguntam és
Vagy csak egy vélemény...?

. ui: a bolti
De ez már a tuti javítás. :yes: Én más hibát nem találtam... 


pont a picet akartam helyettesíteni... mer van itthon 12F508-om, csak gondoltam hátha van valami jó ic amivel meg lehet oldani.... 




