Fórum témák
» Több friss téma |
- Ez a felület kizárólag, az elektronikában kezdők kérdéseinek van fenntartva és nem elfelejtve, hogy hobbielektronika a fórumunk!
- Ami tehát azt jelenti, hogy a nagymama bevásárlását nem itt beszéljük meg, ill. ez nem üzenőfal! - Kerülendő az olyan kérdés, amit egy másik meglévő (több mint 17000 van), témában kellene kitárgyalni! - És végül büntetés terhe mellett kerülendő az MSN és egyéb szleng, a magyar helyesírás mellőzése, beleértve a mondateleji nagybetűket is!
Ennyire nem vágom, én csak megnéztem az adott IC adatlapját, meg a kapcsolást és abból kikövetkeztettem!
Sziasztok !
Egyszeru decimalis szamlalo IC tipust tudna mondani valaki? (CMOS ) Valahogy nem talalok neten. Koszi.
Szia!
CD4518 -> 1 tokban 2db számláló CD4029 -> belehet állítani, hogy Bináris vagy Decimális üzemmódban legyen. Felfelé és lefelé is tud számolni
Szeretnék egy kis segítséget kérni.
Van egy capstan motorom amit be szeretnék indítani. A kivezetéseken vannak jelek, de nem tudom, hogy mit jelentenek és mekkora feszt kell kapcsolni és pontosan hova. Ezek a jelek vannak rajta: FG- FG+ CTL LIM F/R VS REF VCC GND A föld és a pozitív tápfesz lenne az utolsó kettő, de a többit nem ismerem. Elvileg 12v és 5 v menne azt hallotttam. Az ic-je: HA13403
Üdv!
Egy diódán ha megvan a nyitó feszültség, akkor a kis áramokat még áttudja engedni rendesen? Germánium és a szilícium is? Én azt gondolom, hogy igen, de azért biztosra megkérdem.
A vezérlő IC adatlapjában szerintem benne van hogy ogy kell meghajtani. Mindjárt meg is nézem.
Üdv!
Váltóáramból (30V) szeretnék egyenáramot csinálni, a képen 1000V-os 1A-es egyenirányítók látható, ez így jó, ahogy megcsináltam?
"Alul" alatt gondolom a nyák alsó részére gondolsz.., ott minden oszlop vezeti az áramot
Üdvözlet mindenkinek!
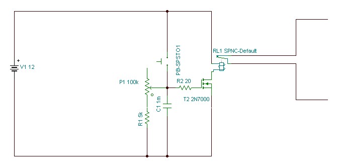
Valahogy lehet csinálni PIC -mentes időzítőt nyáklevilágítóhoz. Annyi kellene hogy bizonyos idő elteltével lekapcsoljon egy relét.
Ezt a hozzászólást betehetnéd a viccek - mókás történetek topicba is.
Sziasztok !
7805 STABnak a kimenetet kell-e szurni (a STAB szamara), abban az esetben, ha H-hid van rajta es kb 50-80 mA-al nehany 100Hz-en rangatja ? Koszi.
Én valami ilyesmire gondoltam de még az alkatrészek értékét ki kéne számolgatni. De lehetne CMOS IC s vagy 555 ös is.
A feliratokat felcserélted! Bal oldalt van az AC in, és jobb oldalt a DC out
Igaz.. a feliratot megcseréltem..
, de a jelek jól vannak Akkor innen melyiket is kéne megvennem? :yes:
Hát ez alapján se könnyű kideríteni, hogy pontosan hová is kéne feszültséget adni. A vcc1 4,5-13v megvan és a vcc2 13-26v. De kell e még valami vagy nem kell e valamit a földhöz kötni pl a forgásokat tekintve mert elvileg tud mindkét irányba, de hogy? A fék hogy működik és még van pár dolog amit nem tudok:
FG- FG+ CTL LIM VS REF Az F/R gondolom az előre/hátra, de a többi jelölést nem ismerem.
Helló!
Szeretnék ívkisüléseket előállítani már nyár eleje óta, de eddig nem ment. Aztán megtaláltam a sokszorozó kapcsolási rajzát. Szinte már mindent tudok róla, de nem találtam meg, milyen diódák illenek hozzá. Konkrétan van nekem itthon egy tekercsem és csináltam belőle egy oszcillátort. Feltranszformálni nem akarom, mert félek, ha rövidre zárnám a szekundert, zárlatos lenne. Az oszcillátor feszültségét pontosan nem tudom, 400V alatt van. (A 400V-os elektrolit kondi nem robbant fel, viszont ha hozzáérek eléggé fájdalmas). Ez az egész négy elemről van meghajtva. Van nekem itthon 20 db 500V-os 18pF-os kerámiakondim. Ezek biztos jók, mert a kondiknak nagyobb feszültségűnek kell lennie, mint amiről meghajtjuk, és a meghajtás 400V alatt van. Van még itthon 8db germánium diódám, OA1160-as. (Eredetileg detektoros rádióhoz kellett, de csak nemrég tudtam meg, hogy a legközelebbi adó 30km-re van tőlünk, nem csoda, hogy még csak nem is recseg. )Azt szeretném megkérdezni, hogy megfelelőek-e ezek a diódák, nem szakad-e el bennük a germánium, mert nem akarom hazavágni az összes diódámat. Előre is köszi u.i. nem lehet engem lebeszélni a magasfesz előállításáról.
Ez is egy lehetoseg: Bővebben: Link
Sziasztok!
A nagyszüleimnek 2 hét mulva lesz az 50. házassági évfordulója, és olyat szeretnék nekik csinálni, hogy kb 40 LED-el kiírni, hogy 50 és ezt valamilyen múdon villogtatni, váltogatni,színváltoztatni stb, Erre várnék tőletek ötleteket/kapcsolásokat, hogy hogy tudnám megvalósítani, PIC, AVR nélkül. Köszi előre is!
Hali!
TDA2025 típusú IC mennyit érhet?Boltokban néztem sehol nem találtam! Kaptam 1 ajánlatot csak nemtudom h mennyi a reális ára ezeknek... Válaszokat előre is köszönöm! blst
Én már átnéztem minden weblapot (Skoriét is). Nem tudtok nagyon újat mutatni (,de ha igen, annak örülnék.) A Marx generátor nem rossz ötlet, csak egy a bibi. Mégpedig az, hogy a kaszkád meghajtásához is minimum akkora feszültség kell, ami át tuja ütni a kisebb szikraközöket. Ez 2000-4000V-ot jelent. (De általában minimum 5-6kV-tal próbálkoznak.) Nekem viszont nincs 2000V-os meghajtásom, csak egy 400V-nál kisebb, nagyot rázó váltakozó feszültségem. Próbálkoztam Van der graaffal, Tesla-val, TV-trafóval, TV-vel és Leydeni palackkal, szikrainduktorral, Wimshurst kerékkel, piezo kristállyal, tirisztorral, tranzisztorral, elektronikával és semmi. Eddig egyébként alig tudtam megcsinálni valamit, ami működik, de elméletben minden megy. Csupa elmélet, semmi gyakorlat. Ha tud még valaki más, egyszerűbb megoldást kérem írja meg. És azok a diódák jók a sokszorozóhoz?
Üdv.: Negyedik Zol
Tehát szükségem lenne egy 1500µF-es kondenzátorra (50v-os), a hestorenál van ilyen, vagy nagyobbat vegyek akkor?
Már rendeltem egy sorkimenőt, de belül le volt öntve epoxit gyantával. (mikor megszárad, műanyag lesz belőle.) Még savval sem tudtam leszedni, így nem jutottam hozzá a szekunderhez. Magában szekundert pedig nem lehet rendelni. Azonkívül már sajnos próbálkoztam, de nem vált be sajnos
. Maradt a primer annyi, amennyi. 1500 Ft-ot csak úgy kidobtam a kukába . Ezzel újra inkább nem próbálkoznék. Egyedül a sokszorozóban van némi reményem, meg a szikrainduktorban. (Az utóbbiban azonban már alig, mert 10.000 menetet nem tudok kézzel feltekerni)Azért kösz az ötletet
Üdvözlöm minden kedves HE fórumozót.
Olyan gondom lenne hogy csináltam az elektromos kapásjelzömhöz 1 távjelzőt vezeték nélküli kapucsengőből. És a kapucsengőnek a hangszórójának a hangerejét szeretném állítani. És hogy Ezt mivel tudom megoldani. (Kezdő vagyok)
Régebben én is próbálkoztam sorkimenő meghajtással.
Próbáltam megkeresni a primert, sőt volt hogy tekertem rá primert de soha semmilyen eredménye nem volt a dolognak aztán hagytam. Múltkor megint előkerült a dolog és gondoltam hogy most már csak azért is meghajtom. Eléggé ágyúval a verébre módszert választottam de végül működött. Egy 8 lábú AVR + 330 ohm ellenállás + FET. Tekertem 5 menetet a vasmag külső részére. Bekötöttem a tekercs egyik végét fixen a tápra a másikat a FET drain lábára. Source a földre, Gate az AVRre ellenálláson keresztül. Elsőre működött Szóval ha van AVR programozód tudok segíteni.Üdv! |
Bejelentkezés
Hirdetés |








, de a jelek jól vannak
)
. Ezzel újra inkább nem próbálkoznék. Egyedül a sokszorozóban van némi reményem, meg a szikrainduktorban. (Az utóbbiban azonban már alig, mert 10.000 menetet nem tudok kézzel feltekerni)
Szóval ha van AVR programozód tudok segíteni.




