Fórum témák
» Több friss téma |
- Ez a felület kizárólag, az elektronikában kezdők kérdéseinek van fenntartva és nem elfelejtve, hogy hobbielektronika a fórumunk!
- Ami tehát azt jelenti, hogy a nagymama bevásárlását nem itt beszéljük meg, ill. ez nem üzenőfal! - Kerülendő az olyan kérdés, amit egy másik meglévő (több mint 17000 van), témában kellene kitárgyalni! - És végül büntetés terhe mellett kerülendő az MSN és egyéb szleng, a magyar helyesírás mellőzése, beleértve a mondateleji nagybetűket is!
Szomorú vagyok,most adtam fel ennek az áramkörnek a működésre bírását
a legalsó)http://skory.gylcomp.hu/kapcs/aramgenerator.html valakinek valami ötletelőre is köszi 7.4v-al hajtottam 3db sima leddel...Előre is köszi...
Én a helyedben mindenképpen adnám neki azt a 12V-ot azért (PC táp ha más nincs)
Az a kérdésem lenne, hogy az alábbi kepcsolás müködőképes-e és ha igen a jelt amit kiad hogyan lehetne felerősiteni?
Köszi kadarist a tegnapi gyors választ. A kérdést nem úgy értettem, hanem hogy az anya-jack kivezetéseinek hol a helye a kapcsrajzban. De végülis gondolkozhattam volna előre, majd lemérem multiméterrel. Még egyszer kösz.
Szóval csak arra lennék kíváncsi hogy melyik kivezetés mit takar.
Az:a a test (az áramkör negativ pontja), a b, és a c pedig a jelbemenetek, mivel a képen sztereo aljzat van ábrázolva. Ha nincs bedugva a jack, akkor a két bemenet összezár, igy nem tud brumm kerülni az erősitőre.
Köszi szépen!
Ez a "kapcsolás" nem ad semmilyen jelet.
Itt vannak oszcillátor kapcsolások kvarccal.
Sziasztok! Nemrég kezdtem foglalkozni elektronikával, szóval még kezdő vagyok. Elfogyott az ónom, és most nem tudom, hogy milyen kiszerelést vegyek. Azt szeretném kérdezni, hogy 1m hosszú, 1mm átmérőjű forrasztó ón kb hány gramm, vagy fordítva? Mert mindenhol csak grammban van megadva. Előre is köszi!
Az jack inkább egy leválasztós mono jack. Ilyet szoktak használni fejhallgató kimenetnek. Ha nincs beledugva dugó, akkor a c érintkezőre kötött erősítő kimenet a b érintkezőre kötött hangszóróra kerül. Ha van beledugva dugó, akkor leválsztja a hangszórót az erősítőről, és a c érintkezőről a dugó melegpontjára jut a jel.
Bemenetként is lehet használni, pl. a b érintkezőre egy belső mikrofon lehet kötve, bedugáskor ezt válaszja le, és köti a c érintkezőre a külső mikrofont. Mindenesetre a b érintkező nem érintkezik a bedugott dugó egyik pontjával sem, tehát sztereo bemenetnek nem jó.
Szia!
Ha lehet Kent Crown-t vegyél. Nekem nagyon bevált.
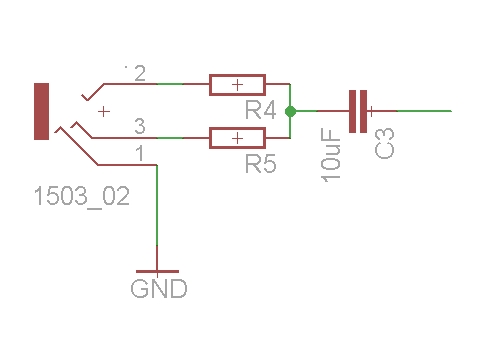
A torzító és hangszínszabályozó kapcsolásban a a CH1-re csatlakozó alsó 10µF-os kondenzátornak semmi értelme. A bemenet így nem sztereo, csak az egyik csatornát küldi a mono kimenetre. Ha sztereo jelforrást akarsz arra kötni, akkor más csatlakozó, és még két ellenállás is illene oda, és elég lenne egy kondenzátor akkor is (lásd melléklet). A képen lévő kapcsolás a sztereo kimenetek jelét összegzi (nem gyilkolja a kimeneteket) és továbbítja a hangszínszabályozó felé.
Sziasztok! Nemrég kezdtem foglalkozni elektronikával, szóval még kezdő vagyok. Elfogyott az ónom, és most nem tudom, hogy milyen kiszerelést vegyek. Azt szeretném kérdezni, hogy 1m hosszú, 1mm átmérőjű forrasztó ón kb hány gramm, vagy fordítva? Mert mindenhol csak grammban van megadva. Előre is köszi!
Nem tudja valaki, hogy hol lehet kapni PIC16F8x IC-ket (online shop nem jó) ? Siniben, conradban nem árulnak
1 méter 0,8 mm átmérőjű (gyantás) forrasztóón súlya 4 gramm (+- 1 gramm, mert a konyhai mérlegünk ilyen pontos
).(1 méter ón egy erősítő összeforrasztására sem elég, gondolom azért ennél hosszabb távra tervezed az elektronikai pályafotásodat, szerintem vegyél 100 grammot, az a legkisebb kiszerelés, de egy darabig elég.
Az egy métert csak példának írtam
Köszi a választ!
Hali
Talan a MO-i fo distributort kellene megnezni (chipcad). De ha elfogadsz egy tanacsot a 16F84-et lehetoleg ne hasznald mert eloszor is draga, masodszor erosen kifuto tipus, harmadszor az ujabbak sokkal tobbet tudnak. (16F628A, 16F690, 16F886-887). Tudom a neten talalhato sok projekt erre a PIC-re, de szinte kis atalakitassal lehet hasznalni helyette a 627-628-at. Udv Vili
Köszi kendre256! És milyen értékű ellenállásokat ajánlanál?
50 Ohm-tól mondjuk 1 kOhm-ig bármi jó. Csak az a lényeg, hogy ne dolgozzanak egymásra a kimenetek.
ElektroKontha Üllői út 68.
Sziasztok!
Adott hf.-ként elektrotechnikából egy eléggé bonyolult ellenállás hálózat. Eredő ellenállást kell meghatározni.Minden egyes ágban 1-1 10 ohm-os ellenállást rakunk. A csillag delta átalakítással kell egyszerűsíteni szerintem, csak abba kellene segítenetek, hogy mit célszerű átalakítani, hogy kicsit egyszerűbb alakba hozzuk a kapcsolást. A 7. és 9. csomópontok között kell számolni. Köszönöm a segítséget, és nem megoldást kérek!, csak azt, miket célszerű egyszerűsíteni hogy átláthatóvá váljon.
Nincs fordítva,megnéztem,sőt ki is próbáltam,de semmi.Viszont rájöttem hogy a nyák gyártója kihagyta az U1-es IC-nek a pozitívját nem tudom ez tönkre vághatott valamit?
A kapcsolás tervezője mondta hogy kell mennie kevesebbel is...
Helósztok.
Nézegettem az erről szóló fórumokat, de nem találtam nekem megfelelőt, ezért hát megkérdezem: Van egy 50w-os villanócsövem, és stroboszkópot akarok belőle építeni. Tudna valaki nekem olyan kapcsolást adni ami jó lenne ehhez a villanócsőhöz? Persze jó lenne, ha állítható lenne. Valami egyszerű kapcsolás kellene. Előre is köszi a válaszokat.
Sziasztok!
Rendeltem a Texastól sample cuccokat, megjött a visszaigazoló e-mail. A rendelséek közül van amire azt írja hogy shipped, ez tiszta. Viszont van ilyen is: Idézet: „1 of 1 part(s) Backordered 30 Mar 2010 est.” Ez mit jelenthet?
Ha "estimated", akkor majd egyszer megjön...
|
Bejelentkezés
Hirdetés |




a legalsó)http://skory.gylcomp.hu/kapcs/aramgenerator.html valakinek valami ötletelőre is köszi 7.4v-al hajtottam 3db sima leddel...


).





