Fórum témák
» Több friss téma |
- Ez a felület kizárólag, az elektronikában kezdők kérdéseinek van fenntartva és nem elfelejtve, hogy hobbielektronika a fórumunk!
- Ami tehát azt jelenti, hogy a nagymama bevásárlását nem itt beszéljük meg, ill. ez nem üzenőfal! - Kerülendő az olyan kérdés, amit egy másik meglévő (több mint 17000 van), témában kellene kitárgyalni! - És végül büntetés terhe mellett kerülendő az MSN és egyéb szleng, a magyar helyesírás mellőzése, beleértve a mondateleji nagybetűket is!
Hello!
Nem összeköti! Hanem a bázisáram hatására a tranzisztor kinyit, és a kollektor áram elszívja a tirisztor R2-őn keresztül érkező vezérlő áramát. Így ha a tranzisztor kinyit, a tirisztor nem képes begyújtani. Tehát nincs töltőáram.. De ha a bázison 7V-ot mértél, akkor az a tranzisztornak már rég rossz. A bázis-emitter között, (tehát az R14 ellenálláson is) 0,7V-nál nagyobb feszültség nem lehet. Kivétel, ha a bázis-emitter kör valamiért szakadt, vagy a feszültség negatív értékű, ami itt nem lehetséges). üdv! proli007
Elnézést a hozzászólásomhoz! Természetesen ha a tranzisztor nyit, a tirisztor zár.
Mi van ha rossz helyen keresem a hibát? (mármint az már szinte biztos, hogy a T2 rossz, de vajon miért?) A komparátor lábain mért feszültségek, ha nincs az áramkörön aksi, és a LED3 világít:
Csak az IC2-t írom le: 1. 0,11V 2. 1,99V 3. 4,89V 4. 0V 5. 0,11V 6. 9,25V 7. 11,42V 8. 10,69V Én annyira nem értek hozzá, de a 7.lábon mért fesz. nem túl magas? Ja és még annyit, hogy a 6. lábon 9,25V-ot mértem és a T2bázisán 6,32V-ot. (A trimmer úgy van beállítva, ahogy a cikkben olvastam: Az IC1 2-es lábán 7V van) Mi lehet a probléma? Idézet: „A bázis-emitter között, (tehát az R14 ellenálláson is) 0,7V-nál nagyobb feszültség nem lehet.” Biztos vagy benne? Vagy én nem értem jól a képet, hogy Uebo=5V?!
Hello!
Minden rendben van, kivéve, hogy a T2 tranzisztor bázisa már meg van szakadva. (Az IC 7. lábán van a tápfeszültség, amit a Z1 12V-os zéner stabilizál. Ebbál levonódik T1 0,6V bázis-emitter feszültsége. Ez akkor kb. 11,4V.) üdv! proli007
Elvileg jó lehet helyette a BC182B, ami azért jó mert, van itthon, szerintem átrakom, de még megvárom, hogy mit válaszolsz a #677905-re?... Kösz, hogy leírtad, hogy hogy kerül a 7. lábra a 11,4V! (Valamiért soknak tűnt, azt hittem azzal van a baj, de ha belegondolok, tényleg logikus.)
ÖRÖM ÉS BOLDOGSÁG!
Az ötlet elsőként az enyém volt, mármint, hogy a tranyó a rossz nagyon örülök, hogy magamtól jöttem rá a hibára, kezdő vagyok, és ez nagyon sokat jelent nekem! Beletettem a BC182B-t és tökéletes, ha világít a LED3, akkor nincs töltés, ha a LED2 világít, akkor van töltés, de kisebb a feszültség, és alig pár mA! Ez így tökéletes, ez megoldódott, köszönöm szépen, neked is és Istvánnak is! (kadarist) Még lehet, hogy lesz kérdésem a teljesítmény szabályzásával kapcsolatban, még nem oldottam meg végelegesen. Még 1x köszönöm mindenkinek a segítséget!
Szemezgess ebből a könyvből. A 106. oldalon van egy érdekes kapcsolás
A leírás alapján az esetleges homályos részleteket is megérted.
[OFF]A szerzői jogok miatt nem szokták szeretni a moderátorok az ilyen fájlokat.
Köszönöm, érdekel a téma, feltétlen átrágom majd!
Nézegetem a cikket a 106.oldal körül. Neked megvan a Hobby Elektronika? Gondolom. Nézd meg az 1991es novemberi termést... Szinte szó szerint ugyanez van benne. A képen mit veszel észre?
Hello!
Nos, akkor most válaszolok. Elég biztos vagyok benne.. Az a 5V feszültség, amit erről az "adatlapról" kiemeltél, A tranzisztor bázis-emitter maximális zárófeszültsége. Csak éppen kissé félrevezető, mert UEB0-nak emleget, és így ez pozitív feszültségnek tűnik. (Ha UBE0 lett volna, akkor a táblázatban -5V szerepelt volna) A tranzisztor bázis-emitter átmenete, normál erősítő üzemmódban nyitva van. Ez egy nyitóirányú diódaként viselkedik. (A karakterisztikája is az.) Nyitóirányban, a maximális bázisáramot adják meg (adott bázisáramhoz tartozó nyitófeszültséget, a karakterisztika alapján lehet megállapítani, mint egy diódánál, ha van ilyen publikálva), záró irányban viszont a maximális feszültséget. Javaslom, kissé tanulmányozd a tranzisztorok működési elméletét. Akkor tudni fogod, hogy az adatlapok paraméterei mit is jelentenek.. üdv! proli007
Köszönöm szíves türelmed/válaszod! Kezdő vagyok még, pont azon gondolkodtam a délelőtt, hogy jó lenne, ha nem kéne kérdezgetni.... És fogom tanulmányozni a tranzisztorok lelki világát.
Jó, hogy javasoltad, érdekel is! Üdv
Sziasztok!
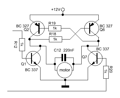
Építettem egy h-hídat 5db BC 337-es npn tranyóval (védődiódákkal és a bázisokon 1k-s ellanállásokkal). Két tranyó(T1 és T2) kollektora tápfeszre, emittereik a motorra vannak kötve (egyik a motor A lábára, a másik a B lábára). A másik kettő(T3 és T4) kollektora a motor A ill. B lábára, emittereik összekötve az 5. tranyó (T5) kollektorára csatlakoznak, T5 emittere pedig a földre. T1 és T3 illetve T2 és T4 bázisai egy-egy 1k-s ellenálláson keresztül kapnak áramot (persze ha az egyik oldal 1 a másik 0 (egy inverterre vannak kötve)). Ezek vátoztatnák a forgásirányt, T5 (szintén 1k-val a bázisán) pedig 1-re bekapcsolná a motort. A gondom az, hogy a motoron mindig 0.48 volt esik ezért nem indul el. A tápot próbáltam 5 és 12 V-al is. Szerintetek mi lehet a gond?
Lehet hogy most hülyeséget mondok, de én ugytudom hogy pnp tranyo is kellene bele. Mint a itt is. Remélem nem mondok hülyeséget.
Nem feltétlenül kell PNP-NPN megoldás. Egy példa: Bővebben: Link
Köszönöm a gyors válaszokat!
![]() Én a kadarist féle verziót építettem meg (egy 5-ik tranyóval, ami ki.be kapcsolná az egészet, erre menne a PWM). Lehet h a tranyók rosszak?
Üdv!
Lenne egy kérdésem vannak ezekBővebben: Link a színváltós ledek ezek hogy működnek: folyamatosan világítva keveri a színt vagy villogva remélem (érthető), Azt szeretném megoldani hogy egy reed relé kapcsolgatná a színeket kerékpáron (úgy mint a sebesség mérő) minden egyes elhaladásnál más más szín legyen. Vagy ez nem járható út?
A tranzisztorok vezérlése úgy van kötve, ahogy az előző hozzászólásban kadarist által linkelt kapcsolásban van? ("Keresztbe" vezérelve, "bal felső és jobb alsó" kapja az egyik irányt az inverter bemenetéről, az inverter kimenetéről meg a "bal alsó és a jobb felső"a másik irányt?)
Az elmondásodból mintha hibás bekötés lenne, bár rajz nélkül csak találgatok.
Azt, hogy rosszak-e a tranzisztorok, feszültségméréssel meg lehet állapítani. Ha teszel fel egy kapcsolási rajzot, megméred a feszültségeket, megadod, hogy melyik tranzisztor melyik elektródáján hány volt van, akkor lehet többet mondani.
Igen, jól vannak bekötve. (Bocs h nem tettem föl rajzot de nincs ilyen progim)
Helló! Megépítettem egy erősítő,ami kiválóan működik.Csináltam hozzá egy 3 sávos hangszínszabályzót.Működik az is, csak nagyon zúg vele az erősítő.Ha van jel és ha nincs egyaránt.Mit lehetne ellene tenni?
Megj.: egyenlőre csak a hangszínszabályzó egyik felét csináltam meg,lent látható az eredeti is.Azért mondom, mert a felső rajzon pl. nincs berajzolva a 8.as láb a +Vcc -nek. Az úgy működhet? És ahogy én csináltam úgy jó? erősítő hangszínszabályzó erdeti hangszin.rajz
Mellékeltem a valószínű rajzodat, írd rá a feszültségeket.
Színváltó LED: folyamatosan, impulzusszélesség modulációval. Pl. egy periódusban
100% piros 0% zöld 0% kékből lassan lesz pl. 90% piros 10% zöld 0% kék és tovább... Frekvenciamérő 0 .. 120 Hz-et mutatott, tehát egy periódus 8 ms lehet. A teljes színváltás lassú, néhány másodperces folyamat. Kötöttem vele sorba hangszórót, űrbéli hangja van, érdemes meghallgatni. :alien2: Saját programja van, az enyém eddig mindig a pirosról indult. Úgy tűnik, ez nem járható. A Knight Rider futófény kissé módosított kapcsolásának irányába indulnék.
Köszönöm válaszod!
De akkor sima RGB leddel lehet egyszerűbb lenne kivitelezni csak a futófényes megoldás jó lenne ,de azt nem hiszem hogy fel tudnám rakni a biciklire. Majd próbálkozok!
Köszi, :worship: átrajzoltam a rajzot és felírtam a feszültségeket.
Nem lehet, hogy nem kellett volna spórolnom az ellenállásokkal?
Hát van itt nekem vagy 20 db PB (savas) aksim melyek 4 ah sok és 6 v osok. Én ezeket Pc táppal akarom tölteni a 12 v os részéről mely max 16 A-t ad ki.Kiszámoltuk apukámmal hogy a 2*2 ohm os ellenállás levenné a megfelelő A-ra és v-ra (6v 3a ra de nekem inkább 2A kéne).
Volna még néhany kérdésem: 1. Ugye a - ra nem kell ellenállás? 2.Ha jol gondolkodom akkor a két ellenállást sorba kell kötnöm és a végükön jön ki a 6v 3A? 3.fognak e melegedni az ellenállások? Várom a választ előre is köszi
Az akkuk össze vannak kötve és úgy akarod tölteni vagy külön-külön. Ha darabját töltöd akkor én sokallom az a 3A-t, kevesebbel kellene tölteni. Ha az akku 6V os akkor kicsit több feszültséggel tölteném 1.2szeresével. Itt egy topic ami segíthet.Bővebben: Link
Van egy kezdő kérdések téma, az ilyesmit oda kéne..
Nézz utána az OHM törvénynek első körben, akkor látod, hogy az ellenállás hogy "vesz le" áramot, feszültséget. (R=U/I I=U/R U=R*I) Az ólom-savas akksikat korrekt módon nem jó dolog sima soros ellenállással tölteni, kéne egy pici elektronika hozzá ami maximálja az áramot.
Hello!
Van egy két dolog amit tisztázni kell. A kérdésedben azt nem értem, hogy te egy feszültség osztót akarsz építeni, úgy, hogy az egyik elleállást a PC táp negatív sarkára kötöd a másikat a pozitívra, mert ha igen akkor ez egy rossz ötlet. Az akkukat nem a névleges feszültségükön kell tölteni, hanem valamivel felette. 12V-os akkunál 14,4V-on van feltöltve. 6V-os akku pedig 7,2V-on. Szóval te az ellenálláson csak az átfolyó áramot fogod korlátozni és hát jobb híjján az akku két sarkán egy multiméterrel fogod mérni a feszültséget és ha eléri a 7,2V-ot akkor lekapcsolod. Az ellenállás értékével kell egy kicsit játszani. Én a te helyedben nem tölteném őket 2A-rel, mert hamar tönkremennek, MAXIMUM 0,8A-rel töltsed őket, de a legideálisabb a számukra a 0,4A. Kezdetben próbálkozz 15 ohm-os ellenállással, mérd meg a rajta átfolyó áramot, ha megfelel akkor töltheted vele, de vigyázz nehogy túltölsd az akkukat, mert dobhatod ki őket. ?ég annyit, hogy az ellenállás nagyon is fog melegedni, ezért ajánlom neked az 5W-os kiszerelést belőle! Sok Sikert |
Bejelentkezés
Hirdetés |





A leírás alapján az esetleges homályos részleteket is megérted.
Szinte szó szerint ugyanez van benne. A képen mit veszel észre? 










