Fórum témák
» Több friss téma |
- Ez a felület kizárólag, az elektronikában kezdők kérdéseinek van fenntartva és nem elfelejtve, hogy hobbielektronika a fórumunk!
- Ami tehát azt jelenti, hogy a nagymama bevásárlását nem itt beszéljük meg, ill. ez nem üzenőfal! - Kerülendő az olyan kérdés, amit egy másik meglévő (több mint 17000 van), témában kellene kitárgyalni! - És végül büntetés terhe mellett kerülendő az MSN és egyéb szleng, a magyar helyesírás mellőzése, beleértve a mondateleji nagybetűket is!
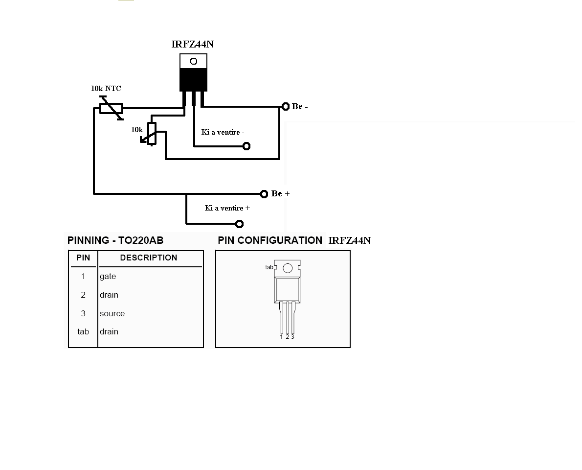
Bocs de csak így tudom a képet iderakni ezen a képen a 2-es jelü cucc a cdim nálam itt egy kék és fekete vezeték van.
Mondjuk ha a piros körhöz beteszed a gombot, és megnyomod, akkor garantáltan leáll a mocid.
Legközelebb állítsd be a "ne méretezz" opciót a kép csatolásánál, akkor nem lesz ilyen kicsi.
Koszi szepen !!
csak gondoltam lessz valami hatasa mert kemenyebb az IRFZ48 !!
Aha.Most egy kezdő kérdés:a sz.gép mikrofonos fejhallgatójának a mikrofonja az melyik?
[OFF]Jesszusom.
Amelyik közelebb van a szádhoz. ![]() Mégis mire gondoltál konkrétan?[/OFF]
Szerintem dinamikus, mert a mikrofon-bemenet nem nagyon ad ki feszültséget az elektret kedvéért. Bár ki tudja...?
Bocs hülyén tettem fel a kérdést.Akkor az kondimiki.
Veszel egy újat!
Tápegységcsere, végfok-csere, hűtőborda-csere, talán a ház meg az előfok megmarad, ha elférnek benne az új cuccok...
Eladod, és veszel egy nagyobbat.
Viccet félretéve, majdnem ez a végeredmény, ugyanis ki kell cserélni az összes végfok IC-t vagy tranyót, a hozzá tartozó alkatrészekkel. A trafót is nagyobbra kell cserélni, s ekkor már a puffer kondikat is illik nagyobbra. Mi marad meg? A doboza, ha belefér a nagyobb trafó, és az előfok, no meg a gombok, meg a kivezmérő, ha van benne. Szóval, érdemesebb eladni...Ha viszont vacak, kis érzékenységű (pl.: SAL MNC és társai) hangszórókat zörgetsz, akkor egy 6 dB-el jobb érzékenységű hangszóróval már négyszer, igen NÉGYSZER nagyobb hangnyomást (hangerőt) érsz el. Tehát, milyen a hangfalad? Az erősítőd nem számít, hogy milyen. Az csak akkor lesz érdekes, ha már a hangfalad megfelelő, s nem gagyi.
Udv,
Megprobalok megjavitani egy ps3 jatekkonzolt, de van egy csati aminek a nyitjara nemjottem ra ![]() Ebben a videoban mutatjak a szetszereles elejet: http://www.youtube.com/watch?v=U70SgRDVcBo 3:50utan mutatja hogy kell egyik kabelt kioldani az megy konnyeden nekem! De aztan a szelesebb BluRay olvaso adatkabelt 4:40 utan amit siman kipattint meg nemtudom olyan konnyenkioldani es nem merem eltorni, nemtudommi a trukkje Kene valami tipp mert nem akar megmozdulni a videon meg egy poccintesre kioldja a srac korommel... ha meg eltorom oda a konzol... Hogyan kell ezt kipattintani esetleg valaki ismeri ezt a csatit igy a video alapjan?
Hello és ha a narancs vezeték és test közé raknám a nyomogombot,hogy testelje le az ugy járható lenne?Vagy esetleg tönkre mehet az elektronika?Köszi
Ha egy makró fotót tettél volna fel, akkor jobban látnánk, hogy azt emelni, vagy benyomni kell. Persze aki már szedett szét ilyent az helyből rávágja, hogyan kell.
koszi, felteszek majd egy makro fotot, lehet csak kedden tudom megejteni.
addig is a masik vege a BlurayOlvaso felol ilyen: http://i49.photobucket.com/albums/f261/pokesmot91/PS3-DB-CON.jpg ez mintha adna magat hogy kifele huzom a feketet akkor felnyilik... csak valoszinuleg nem megoldas errol az oldalrol bontani az en problemamra mert majd az alaplapot felkell forrositani a procik alatt mert a feluletszerelt processzor labainal valoszinuleg megszakadt a cinezes es a kabelnek az nem tesz jot ha ott fityeg.... sajna ezekre a konzolokra ez az egy javitasi mondszer van, szetkapni, felmelegiteni vagy ujragolyozni...
Sziasztok!
Van egy transzformátorom, leírása szerint 12VAC 20mA. Egyenirányítás után egy 7805 -el tudok-e 500mA áramot kipréselni?
Ha jól tudom semmi féle képpen se mert a stabilizátor ic-k csak a feszültséget tudják csökkenteni és az áramerősségre nincs hatással.
Sziasztok.
Van egy Дніпро МТ-11 tipusu motorunk és azon van egy Г-424 nevü generátor. A generátor az akumlátorról kapja a gerjesztő áramot. Na most az a kérdésem lenne hogy ehez milyen töltésvezérlőt lehetne épiteni. Sehol se találtam ilyen töltésvezérlő elektronikát ezért örülnék a válaszoknak.
Sziasztok! Egy felkaros vagy csuklós automata vérnyomásmérő(teljesen mindegy)kapcsolási rajzát hajtom már régóta.Esetleg lenne valakinek?Valójában inkább az érdekelne,hogy,hogy fúj fel ,ereszt le,milyen alkatrészek lapulnak a belsejében.Köszönöm...
Sziasztok!
Egyszerű lesz a kérdésem. Ha 3.3Vos zenerdiódával stabilizálom a tápot akkor milyen ellenállás kell elé ha azt akarom,hogy max. 20mA menjen a terhelésre ? És hogyan számoljam ki?
Bocsi,de nekem valami képletet írj le hozzá,mert azt amit adtál nem 100%ig értem(pl.:amperben a feszültség=Ohm)
Sziasztok!
Nekem olyan kapcsolásra lenne szükségem, amelyben az SR tároló , relékkel van megvalósítva.A google ahogy beírom SR relay nem ad ki találatot.
Hali!
Kis segítségre lenne szükségem: kellene egy nagyon egyszerű előfok egy TDA2030-as stereó erősítő elé, hogy ne a potit terhelje a feszültség(ha a trafó után kötöm). Vagy a hangbemenet(hangforrás)-ra kötve szabályozzam a hangerőt? üdv Battila
Tessék: Bővebben: Link
A megfelelő szavak, pl. "SR flip flop relay", "relay based SR flip flop", stb.
Sziasztok!
Az ICL7660 típusú IC-t maximum mekkora árammal lehet terhelni? Néztem az adatlapjában, de én sehol sem találtam. A választ előre is köszönöm! Üdv.: mate_x
Bennevan az adatlap legelején az általános leírásnál, hogy 10mA.
Tényleg, de vaksi vagyok
!Köszi a választ.
Sziasztok!
Egy 12VAC 20mA transzformátorból, hogyan lehet 5V DC 500mA áramot kipréselni? Egyáltalán lehetséges? |
Bejelentkezés
Hirdetés |







csak gondoltam lessz valami hatasa mert kemenyebb az

!



