Fórum témák
» Több friss téma |
Kisse kemeny faba vagtam a fejszet
![]() Kell szamolni itt azert.. ![]() Nos en amire kivancsi voltam azt megtudtam: Kepes 2Db 4040 megcimezni 27C256, 27C512 teljes tarat. Amit szeretnek epiteni: Arra gondoltam,hogy megcsinalom az emlitett egetot,elterve az eredetitol abban,hogy a 8 adatvonalat ismetlovel megkapuznam 8 LED-nek,hogy ne legyen az EPROM -n a 'terheles'. A kapu(8 kimenetu kellene,otlet?) tapjat(+5v) meg osszefuggesbe hozom az OE(output enable -val). Tehat egetes utan,mikor az output enable-t bekapcsolom akkor a kapu kimenetein megjelenik a 8 bit a 8LEDnek. Abban kellene segitseg,hogy :Hogy tudom a szamlalot mondjuk a reset -be ugy visszacsatolni,hogy 8 byte cimzes utan reseteljen?,(mert csak ennyi kell a 8 LED -nek)..Majd kezdene elolrol. Muszaly EPROM iras elott UV -vel torolni a tartalmat,vagy felulirja az elozot?(Nem igazan van UV ledem..) Koszonom a segitseget mindenkinek! Idézet: „Muszaly EPROM iras elott UV -vel torolni a tartalmat,vagy felulirja az elozot?(Nem igazan van UV ledem..)” Ha ablakos, akkor mindenképpen. Tedd ki a napra!!! Már, ha süt a nap, akkor kisüti. Amúgy elnézegetem elolvasgatom ezeket az elméleti anyagokat, amiket ide és a másik epromos topicba írtatok, lám mit tanul meg az ember. Én ezt az eprom sütögetőt használom Batronix 3.3. Egyszerű gyors és Winfos ZXP-n megy. Ha valaki nekilát, regisztrált progit tudok küldeni hozzá ![]() üdv Ja és ezeket a zepromokat sütőgeti: LISTA
Koszi!
DT-t hasznalok,igy le kell toltenem az EAGLE-t,hogy meg tudjam nezni a kapcs.rajzot,stb.. Egyelore megepitem probapanelra a KISSEPROMot modositva ,aztan meglatjuk.. Tobbszor atneztem a rajzot(KISSEPROM),de meg mindig nem ertek egyetlen dolgot : hova kell kotni a PGM -et? Pls... Xp alatt mukodik a Kisseprom ? Valaki hasznalja xp alatt?,mert nekem el sem indul,es ha nem is fog akkor foloslegesen ne epitsem meg az aramkort hozza. -probalkoztam,tulajdonsagoknal atallitottam 95 modra,a 95io dll -t bemasoltam a system konyvtar ala,nem ment..,bemasoltam system32 ala,ugysem megy A hibauzenet ugyanaz..-
Üdv!
A PGM-et csak bizonyos epromoknál kell bekötni, de lehet hogy más funkciója is van. Itt egy link epromláb kiosztásról, itt jelölik a PGM-et. Epromok
Ez a BATRONIX 3.3. sem egy nagyon-nagyon bonyolult égető.
Sok dologban hasonlít a KISSEPROM-hoz, és van néhány amiben eltér. Az égetőprog ami onnan letölthető az csak demó?
Üdv!
Igen sajna demo, de nekem van regisztrált is, azval tökéletesen megy, igaz nem a leújjabb, de mükszik. üdv küldjem?
Sziasztok!
Annyi fele egeto letezik,kulon PIC-nek,EPROM-nak,stb,es tudnak nehanyat egetni,de akar jo lenne egy olyan ami egyben van es tobbet tud. Szerintem lehetne egy olyat fejleszteni ami tudna tobb E(E)PROMot,PICet is,es egyben van.Bovitesi lehetosegeket rakni ra,IN /OUT -okat/ cimvonalakat kivezetni,stb. En megirnam a szoft GUI reszet,/mondjuk annak egy reszet,vagy az egeszet/. 1.Egy jol megtervezett aramkor kellene.(de gondolom itt a forumon mar foglalkoztak nehanyan ilyen temaval,ugyhogy nem lenne az olyan nagy ugy.) 2.az E(E)PROM/PIC iras/olvasas/promgramozasi folyamat elmeleti reszeben is mondjuk kellene segitseg. Ossze lehetne hozni egy jo kis munkat. Mivel nem sok ilyen eszkozt lattam Linux ala,igy jo lenne az ala fejleszteni.Ebben van gyakorlatom,io kezeles ,GUI,stb c/c++ ban vagy akar java-ban.(Inkabb c/c++).A megfelelo lib-et valasztva pl libgtk,qt hordozhatova is lehetne tenni. Velemeny? Idézet: „... Annyi fele egeto letezik,kulon PIC-nek,EPROM-nak,stb...” Ha visszalapozol a topik elejére akkor látni fogod, hogy egy Idézet: nevű égetőt ajánlottam már másnak. Ismételmi nem akarom magam, de ha gugliban rékeresel a névre, akkor meglepően sok találatból vállogathatsz. Sokhelyen sokféle módosításokkal készítették el, de az „WILLEPROM” Idézet: is sokat tud. Sokáig szemeztem egy ilyen jószággal... „ALAPVÁLTOZAT” De a sok cshiphez RENGETEG jumper tartozik. De a leírások szerint ez! Idézet: „ ... Mivel nem sok ilyen eszkozt lattam Linux ala,igy jo lenne az ala fejleszteni.Ebben van gyakorlatom,io kezeles ,GUI,stb c/c++ ban vagy akar java-ban.(Inkabb c/c++).A megfelelo lib-et valasztva pl libgtk,qt hordozhatova is lehetne tenni. Velemeny?” Szerintem ennek sok LINUX-os örülne, főleg ha meg is valósul ezekből néhány! Nagy elszántság és türelem kell egy ilyen finomrajzolatú kétoldalas nyák előállításához! Sok vállalkozás - vállalat foglalkozik nyák előállítással, hivatásosan! Érdemes körülnézni! :vigyor2: De nemakarok senkit lebeszélni a házi barkácsolásról...
Közben megtaláltam a WILLEPROM rajzait...
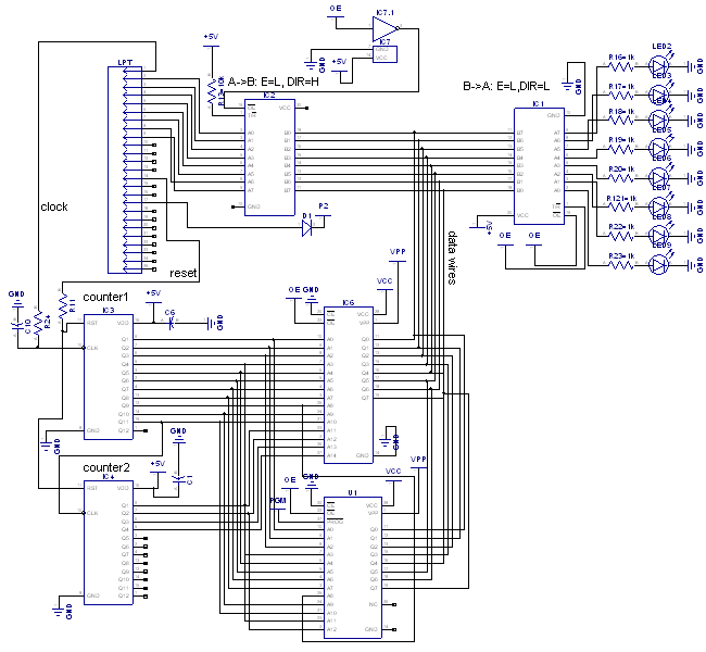
Most keszul egy KISSEPROM tervrajza modositasokkal(O0-O7 kimeneteken ledekkel/busz meghajtassal/,555 allithato sebessegu orajel a 'visszajatszashoz')
Ezt probakent csinalom egyelore 2 foglalattal(2764/256),de lesz bovitesi lehetoseg is kivezetesekkel. Amit meg szeretnek hogy mukodjon USB -rol is,ehhez kellene egy USB illeszto IC,amit meg nem ismerek,na meg az alkalmazasat sem.. Elmelkedtem hogy parhuzamos porton hogyan irja a KISSEPROM fele progi az EPROMot . Arra jutottam,hogy az adatot byteonkent egyszeruen kiirja a parport-ra,u.hogy kozben orajelet general szoftbol. Ket byte kiirasa kozott van egy adott idotartamu sleep(alvás),ami allithato user oldalrol. Ennyi a lenyeg. A tobbi lab vezerles a VPP -nek/egyebeknek. A reset meg nem vilagos.Ugyanis nem ertem ,hogy a hardban milyen szerepet jatszik \KISS fele aramkorben\ Ha ez meglesz akkor megvan az egesz mukodes,lehet hozzafogni a Linuxos KISS. verziohoz
Az LPT és az eprom adatvonalát hogyan fogod
Idézet: tenni égetéskor?„átlátszóvá” Mert ha jól gondolom akkor első lépésben az adatvonalra az LPT kiteszi a beégetni kívánt bájtot, és égetés után ezt az LPT visszaolvassa, hogy sikerult e az égetés. Kontrolnak meg "csak" egy buszerősítő kell, ami a ledeket meghajtja, égetéskor és ellenörzéskor IS. Szerintem az égetést ez nem befolyásolná.
Ket buszilleszto lesz.Az egyik az LPT felol,masik a LEDek felol.Nem szeretnem ha egeteskor villognanak osszevissza a ledek.
Meg szeretnek egy 555 timert,aminek sebessege allithato,az hajtana meg a szamlalot. Mar 90% ban keszen van a kapcsolas rajz,ha teljesen elkeszul,akkor berakom ide is hogy megnezzetek ,addig nem epitem meg.
Nos igy fog kinezni(meg nincs befejezve...) :
Meg valami:
Ha valaki mar megepitette a KISSEPROMot akkor kerem irja le nekem nehany sorban,hogy mikor kell hasznalni azt a nehany kapcsolot,mert az aramkort ha jol ertelmeztem akkor nem sok ertelme van a kapcsoloknak,ez attol is fugg mondjuk hogy szoftbol hogy allitgatja a dolgokat,ezert kerem, hogy ha valaki mar hasznalta akkor irja le nekem ,hogy kell hasznalni a kapcsolokat,vagy sem ,es mikor. Nagyot segitene. Koszi.
Nekifogtam egy epromegetohoz ``abalkos`` epromnak. Talaltam egy jo rajzot a rádiotechnika 1995,10-es számaban de nincs meg a 11-es.
Ha valakinek megvan scenelve, vagy van jobb rajz otletetek kerlek segitsetek
Hi! Szerintem ezen a fórumon, de máshol is találsz forrást az elektronikus RT példányokhoz. Pl: Ez egy másik fórum, de ez is jó!
koszi az otletet most probalkozok vele. majd meglatom mi lesz belole
Ott van a 2. oldalon egy ftp cím (solct.ath.cx) A keresett szám pdf-ben az ftp-ről letölthető!
a rajz mostmar megvan s ezt nektek koszonhatem!
Valakinek van hozzá vezérloprogramja(RT1995-10,11)
Nem jutottam sokra. A szoftot penzert adja en megertem. Neten keresztul nem tudok fizetni.
S nem magyarorszagi vok. Most mi legyen ![]() Pedig nekem kell az a szoft
Ajánlom nézd meg ezt az oldalt is. ( használom
Talán a két témát egyesíteni kellene!!! ) Ott van megoldás másik égetőre. Én a Batronix égetőt használom, megelégedéssel.
Mar olvastam de ott minden egetőnél a cimezés számláloval van megoldva.
Nekem valami univerzálisabb kell. A mikroklubb egetoje kielégítené igényeimet. Mar a programíráson torom a fejemtet de azer meg remenykedem.
Megvan a program. Inenn egyedulis boldogulok.:wink:
Minden koszonetem Torkos Csabának:worship: és a tobbieknek. Másnak is szivesen segítek, írjon bátran! |
Bejelentkezés
Hirdetés |





A hibauzenet ugyanaz..-

De a sok cshiphez RENGETEG jumper tartozik.
De a leírások szerint ez!

Nekem valami univerzálisabb kell. A mikroklubb egetoje kielégítené igényeimet. Mar a programíráson torom a fejemtet
