Fórum témák
» Több friss téma |
Mielőtt kérdezel, a következő két dolgot ellenőrizd!
I. A helyes tápfeszültségek megléte.
II. A kimeneten van-e egyenfeszültség.
Élesztés.
Láttam, tudom!
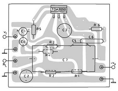
Köszönöm! Megrajzoltam a gyári adatlapja alapján.
Nem tudom, mi az a szimmetrikus tápegység.
Ha csak simán a 1-es lábra vagy a 9-es lábra kötöm a negatívat, akkor is működni fog?
Számítógép tápról, hogy lehetne bekötni?
Szia!
Erről mi a véleményed? Ez megy singe -tápról?
Ebben az egyoldalas kapcsolásban egy darab dióda sincs... A nyákterved pedig nem tartalmazza az alkatrészeket és így elég messze áll a nyáktervtől.
Szia!
Ezt rajzoltam át... A hozzászólás módosítva: Nov 30, 2012
Gondoltam. (Akkor sem tartalmazza az alkatrészeket.) Apropó! Megvetted hozzá az alkatrészeket? Azért kérdezem, mert az a nagy fekvő elkót, nem lesz könnyű beszerezni...
Még nem vettem meg... de majd kivezetem. Vagy hátlapra kerül.
A szimmetrikus tápegység a testhez képest pozitív és negatív feszültséget is előállít. Van ilyen nevű téma a fórumban, keress rá!
Nem tudom a számítógép táp +/-12V-ja alkalmas-e erre a célra.
Szívesen venném építő kritikádat, miért nem jó az általam készített NYÁK-terv?
Nem akarlak bántani, de Te most "kabátot a gombhoz" esetét játszod. Minek a gyári panel, ha a saját alkatrészeidhez, sokkal konfortosabbat is tudsz rajzolni? (Mellesleg attól áll égnek a hajam, ha valaki kidrótozza a tranzisztorokat vagy egyéb elemeket és utána kérdezi meg, hogy miért gerjed vagy nem működik a kapcsolás...)
Nyugodj meg Vic, majd utána megírjuk neki. Hibáiból tanul az ember.
Szia!
Semmi bajom vele, csak gondoltam saját építés, saját rajz. Illetve amit kaptam Tőled, azon nincs beültetési rajz. _______________________________________________ Más: most ezen dogozom: TDA1554Q, 4X 25 W. A gépjárművembe.
Nem bántasz, de a kondi elfér a panel másik oldalán is.
Illetve TDA2050-est még nem építettem - meglátjuk!
A kondik lábát vágd le a lehető legrövidebbre!
Igen, levágom..... azért nem vágtam le a cuccok lábait, mert először tesztelek.. azt ha minden Ok, akkor véglegesen forrasztom.
Azok a kondik miért ágaskodnak a paneltól 3cm-re?
Azért , hogy közelebb legyen a hűtőbordához!
Biztos fáztak, így közelebb kerültek egy kis meleghez
Sziasztok!
Még mindig a végfokkal küzdök. Az NPN tranzisztor zárva van, viszont a PNP nyitva van. BE feszültségük mindkettőnek -0,505V E a negativ elektróda. Ha kiveszem a meghajtó tranzisztort előlük akkor lezárnak. Mérve jónak tünnek, de mi a rossz? Pozitiv ágban az NPN végtranyó, negatívban a PNP végtranyó. Kiforrasztottam az össze alkatrészt, mérve mind jó! Végtranzisztort cseréltem használtra, azzal is ugyanaz a helyzet.
Javasoltam korábban - fotózd le, hogy a topológiát be lehessen azonosítani. Lehet például nem működik a kimeneti egyenfeszültség visszacsatolása.
Haha!
![]() Üdv! Véglegesen a teszt után ültettem le "őket". Autóba 4X25WRms. 48 000 µF kapacitással.
Értem, csak azt nem értem, mi értelme. Ha nagyobb erősítőt építesz, akkor semmit nem ültetsz le? Ilyet még senkitől nem láttam, gyanítom azért mert nem is célszerű. A 48mF-ot sem értem, egy ekkora erősítőt felesleges ennyire agyon pufferelni, pláne mivel ott az akku, akkora áramok itt nem szaladgálnak, hogy rángatná a tápodat, a teljesítménye sem lesz nagyobb, így nem értem ezt sem.
Értem mire gondolsz.... de most ennél így alakult
![]() Amúgy, meg szeretem a bő puffer - abból baj nem lehet.
Szia! A nyolc kimenetnek és a tápnak nem kevés ennyi csatlakozó?
Nem baj, csak éppen értelme nincsen. Egyébiránt jól néz ki, szépen össze van rakva.
Helló!
A 4X25 kimenet polaritásonként össze van kötve, így 2 végpont lett. A be-tápnak egy sorkapocs, a hangbemenet egy sorkapocs. - van másik oldala is a doboznak, az csak nem látszik.
Köszönöm értékelő szavaid. Második általam összeépített "cucc", a következőt szeretném komolyabbra venni.
Mondjuk TDA2050-ből egy 5 csatornás, + egy TDA2050 híd a szubnak.
Holnap lefényképezem! Megnéztem a szakadásokat is amikor ki volt véve az összes alkatrész. Átmértem az összes csatlakozást, repedés nincs. Holnap felrakom majd!
Köszi! |
Bejelentkezés
Hirdetés |











