Fórum témák
» Több friss téma |
Mielőtt kérdezel, a következő két dolgot ellenőrizd!
I. A helyes tápfeszültségek megléte.
II. A kimeneten van-e egyenfeszültség.
Élesztés.
kuka
tessék venni ujat de azért folytasd a méregetést.
Ez okozhatta a tüneteket, először csere és nézzem meg, hogy működik e vagy méregessek tovább mert más is hibás lehet?
azt valahogyan a vezérlése ütötte ki tehát valami még lessz
Mi az ami ezzel van kapcsolatba és vegyem előre a vizsgálatban, van ötleted?
Hát a rajzot nézve nincs semmi zavarszürés a 230V-os csatlakozon, biztosan összeszedett egy tüskét a hálozatbol, ami lehetségesen elégvolt hogy egy két alkatrészt hazavágjon.
Igen ellenörizd le azt a részt ami a megadott FET-et vezérli.
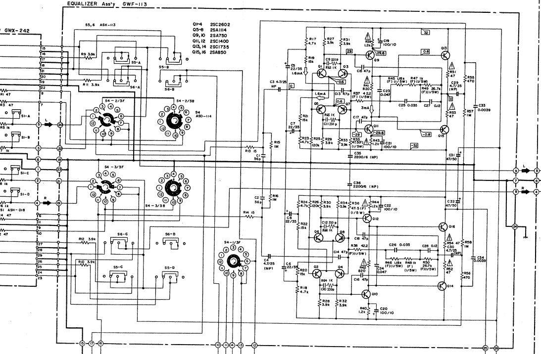
Az IC252-nek lehet baja? Azt, hogy tudom ellenőrizni? A C258 kondi afet előtt jó, a D259 dioda híd szintén jó.
Sajnos nem tudod ellenörizni, és lehet baja, ha nagyobb feszültséget kapott valameik bemenetére, bár ha az ic károsodik akkor szerintem az optok is károsodtak.
A többi alkatrésznek ami ezt vezérli nincs baja. A 2sk3850 helyett tudsz valamit mert csak smd-ben tudnának rendelni?
tulságosan össze van bonyolitva védelmekkel, ezért romlik el
A többi alkatrésznek ami ezt vezérli nincs baja. A 2sk3850 helyett tudsz valamit mert csak smd-ben tudnának rendelni?
Honnat szoktál rendelni, hogy nézzem ki az ottani megfelelöjét
Mint írtam a közös emitter feszültség kevés a differenciál-erősítőnél. Az R569-nek a D503 felőli végén ott kéne lenni a -7, -8V-nak. Az R565 nem kapna negatív tápot? Körül kéne nézned mi nincs rendesen bekötve.
Nem érdemes vele foglalkozni. Aki a rajzot számolgatta, nem gondolt arra, hogy mennyire segíti a gyártást az alkatrészek tipizálása.
Sziasztok !
Egy tranzisztor élettartamát befolyásolja ha a megengedett legnagyobb feszültség közelében használjuk, vagy ha mondjuk csak fele akkorán ? (ha csak elhanyagolható mértékben, az nem érdekes) Illetve, egy erősítőnél mi változik hangban, ha mondjuk a tranzisztorok nagyobb feszültségen működnek ? Úgy értem hogy dinamikusabb lesz, vagy nem, "hidegebb" hangú, stb. Kösz !
Nem foglalkozok tovább vele mert mióta kicseréltem 2 ellenállást R593 folyton elég már alkatrészem sincs több.
Van egy Videoton ra6363s panelom lehet beleteszem ebbe csak a táp jó e neki?
Értem,és köszönöm.
Kiszettem a 10uf kondit csak ebben különbözik a simától de még míndíg ugyan az még kerámia kondival is ugyan az
Hogyan viselkedik, ha a bementet testre zárod közvetlen a panelen?
Elhallgat,de lehet meg van a baj, hogy a kettes láb nem lehet a "rendes" testen (ic rajza alapján mert totálisan rövidre van zárva így a bemenet ) hanem annak egy külön testet kell adni mint pl. ami kijön a számítógépből a bemenet teste most lesz kipróbálva éppen remélem jó lessz
Ha megnézed a világhálóra feltett LM386 NYÁK-okat, a 2-4 lábak össze vannak kötve.
sziasztok. Lenne egy kérésem hogy javítsam meg a PIONEER SA8800 erősítőmet mert az egyik gombja nem jó vagy is úgy értem hogy tudnám át hidalni hogy ne recsegjen be zene hallgatás közben ha egy picit meg mozgatom abba hagyja és így tovább a csatolt képnél a TAPE MONITOR kapcsoló lenne az. Legyetek szívesek segítsetek kérek szépen mindenkit aki csak tud segíteni!! Előre is köszönöm
Ne hidalgasd! Meg kell próbálni először kontaktsprayvel nagy nyomással átmosni, s ha ez nem jár sikerrel, akkor ki kell forrasztani a kapcsolót, (ónszippantó, rézsodrat nem túlhevített páka) és szétszedni, kitisztítani, kontaktokat szemrevételezni, (kopás, rugóerő) majd újra visszaforrasztani, és örülni.
Én meg irigykedhetek rád, mert az a gép egy csodaszép, kék korszakos Pio.
Sziasztok! Segítséget kérek az alul látható kittet összeraktam de nem működik egyszer adott be egy halk életjelet aztán semmi.Valami zárlatra gyanakszom mert próba indításnál csak hozzá érintettem a táp gnd,-t és szikrát adott csak haloványan, mi lehet a baj vagy gyári hibás?
üdv:md
Tegyél fel képeket a gyártmányodról. Az alkatrés és a forrasztási oldal is legyen rajta. Egyébként csak találgatni lehet.
Kedves Szami!
Nincs véletlen egy erősítő táphoz egy lay od? 6 db Jamicon 10000µF 100V kondi lenne rátéve. Előre is köszönöm. Üdv: K.Gy
És működik egy 220uf elkót tettem a táp + és - -ra és jó
Ennyi kondit több kilowattos tápokba szoktak tenni psofometrikus szűrésnek. Ettől nem lesz jobb az erősítőd... Cserébe viszont kapsz néhány komolyabb problémát.
itt van a pdf.
|
Bejelentkezés
Hirdetés |




tessék venni ujat







