Fórum témák
» Több friss téma |
Mielőtt kérdezel, a következő két dolgot ellenőrizd!
I. A helyes tápfeszültségek megléte.
II. A kimeneten van-e egyenfeszültség.
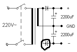
Élesztés.
Pl.így!
/ Ha passzív közösítés is jó./
Nah énis így csináltam
Csak az ellenállások nállam 33k-sak. Jobblenne ha kicserélném 100k-ra őket?
Nézz körül a gyüjteményben, ott találsz többfélét is.
Túl nagy minőségi igényt nem kell támasztanod, mivel szubnak kell, de pont e miatt a tápot ne méretezd alul.
okés
Ez szerinted leadja azt a teljesítményt amit írnak róla? Erre a célra amire én akarom használni szted megfelel? Mekkora táp kelle ennek az erősítőnek?
stereo rendszeredhez akarsz egy sub erősítővel kiegészíteni, ha jól sejtem. Szamóca rajza egyszerű, de elkeni neked a stereo jelet, ha megvizsgáljuk a két jel egymásra hatnak, pl.ha neked egy olyan jeled van, amely csak a ball odalról jőn az ellenálláson keresztűl a jobb csatornára is átmegy forditva is igaz én is megprobáltam ezt a megoldást a szubnak az eredményét leírtam.A megoldás kővető erősitő használata.
Hello!
Nagyszerű, csak hát értelmetlen. - Az egyenáramú munkapontba a kondik nem szólhatnak bele. Kivételt képez, ha (mint a kollegák írták) gerjed, vagy átvezet a kondi. De ebben az esetben elég durva hibának kell lenni, hogy a végfok nyugalmi áramát beállító tranyót söntölni tudja egy kondi. - Viszont ha nem erősít, akkor ott még generális hiba van. Ugyan nem írtad, hogy a "nem erősít" mit jelent, nincs kimenőjel, vagy egyszeres az erősítése? Mert a két probléma egészen más. Ha egyáltalán nincs kimenőjel, akkor a fokozatok munkapontja teljesen fel van borulva, hiszen nem jut el a jel a kimenetre, tehát az egyenáramú erősítés sem megy körbe. Az valami generális hibát jelent,esetleg bemnetnél zárlatot (C2). Ha csak egyszerees az erősítés, akkor a visszacsatolás hidegítése nem jó. (pld. C8) - A kimenet nullfeszültségét a VR1-el, míg a végfokozat nyugalmi áramát a VR2-vel kellene állítani. De nem kellene mérni valamit, hogy okosabbak legyünk? üdv! proli007
Én is úgy csináltam, ahogy te, csak én potit nem tettem bele... De 10 k-tól 47 k-ig nyugodtan beletehetsz egyegy ellenállást és az már jó lesz!!!
Üdv
hello mértem: a kimeneten ha kb 12mV van ha adok neki jelet!
a C8 az tényleg nem volt polarizálatlan de kicseréltem és nem válltozott semmi. bemenet nem zárlatos! nem értem miért nem megy kivettem a meghajtá tranyókat és mind jó ismét kimértem mindent mind jo! ha a kezemmel érintgetem a bemenetet akkor se reagál a hangszóró tettem fel ide képet
Egy apró észrevétel a képek alapján: A középső hűtőlemez nem zárja rövidre az alatta lévő átkötéseket?
hello
Nem nem ér hozzá semmihet a kis kék kondihoz se és az alatta lévő ellenáláshoz se! Köszi a hozzászólást!
Ajánljatok nekem kérlek sztereó erősítőt egy 72w 12v/6A-es kapcsoló üzemű tápegységhez. Nem kell hatalmas teljesítményűnek lennie!
Előre is köszönöm!
it van néhány
Sziasztok!
Azt szeretném kérdezni, hogy hogyan kell tovább vinni egyik erősítőről a jelet a másikra. Úgy értem, hogy jön a jel pl. szám.gép->erősítő->másik erősítő
Hello!
Gratula, szép munka! Most már nincs hátra, csak előre! Mérj feszültségeket az alkatrészeken és írd meg, ha nem vagy rest. (kezd az elején) (Terheletlenül akkor is erősítene, ha nincs benne a FET. Egyébként ne a hangszóróval próbáld, amíg nem jó. Jobb a békesség. Elég helyette egy 47ohm-os 2..10W-os ellenállás is, míg nics nagy jel.) üdv! proli007
hellósztok
van valakinek nyákralyza stk401-120-as végfokhoz? És van-e olyan aki ezt megépitette már és épitési tapasztalatai vannak-e róla? Idézet: „nyákralyza” Ezek után én már kezdetm azt hinni, hogy ezt direkt csináljátok itt az oldalon
Ehhez mit szóltok ? Lehet jobb így mint az előző ?
Nem ugyanaz ! Az általam most feltett rajzon a második opa van 100% negatív visszacsatolásban, és ennek a célja a keresztezési torzítás maximális csökkentése. Az ötletet valóban innen vettem, és ezt korábban be is linkeltem ! Úgyhogy nem értelek, mi ez a
... nem értem miért genyóskodsz velem az előbb magánban, most meg itt is...
Húha, vigyázz ebből baj lehet!
Idézet: „XXVI. Adminnak és moderátornak nem szólunk be, pláne nem durván. Hiába hisszük, hogy nekünk van igazunk, nincs. Ha mégis beszólunk, vállaljuk a következményeket, ami lehet egy enyhe rászólástól kezdve bármi, egészen a fórumról való letiltásig. Persze ha igazad van, akkor megsimogatjuk a fejedet és még esetleg meg is köszönjük.” Idézet: „nem értem miért genyóskodsz velem” Hmm Egyszerűen belinkeltem, egy hasonlót, ami biztosan jobb.. ennyi nem genyózás Kéretik nem offolni ![]()
Hello!
Idézet: „Egyszerűen belinkeltem, egy hasonlót, ami biztosan jobb..” Tényleg hasonló! Mind kettő hibás. üdv! proli007 |
Bejelentkezés
Hirdetés |





Csak az ellenállások nállam 33k-sak. Jobblenne ha kicserélném 100k-ra őket?






.




