Fórum témák
» Több friss téma |
Mielőtt kérdezel, a következő két dolgot ellenőrizd!
I. A helyes tápfeszültségek megléte.
II. A kimeneten van-e egyenfeszültség.
Élesztés.
Hát eredetit szerintem nemigen, de valahol biztos lehet kapni, ha MO-n nem is de külföldön szerintem találsz. De előtte nézd meg a kimenetét multival mérj rá, hogy ad-e ki egyenfeszt, ha igen nézd meg megkapja-e a szimmetrikus táplálást.
Lenyűgöző, gratulálok. (Jó lett volna egy link az elejére, ami a kapcsolási rajzra mutat.)
Szia! Az R9 a kimeneti DC állítására való.
Elég zavaros T4 hogyan is fog kellően kinyitni ezekkel az alkatrészértékekkel. Tippem: a kimenet a negatív tápon fog feküdni. Nézd csak meg jobban a rajzot! Nem feszültségstabilizátor van ebben, hanem a tápfeszültség alkalmazkodik a kimeneti feszültséghez. Egy érdekes kísérletnek elmegy, komolyabb anyagi áldozatot nem hoznék ezért a kapcsolásért.
Köszönöm a válaszod!, azért meg próbálkozom vele hátha össze jön
.
Sziasztok!
Van egy végerősítőm 2x24VAC trafóval. Ezenkívül van egy DAC is, aminek 2x9V és 2x15V tápja van. A 2x15V a műveleti-erősítő fokozathoz van, szeparálva a digitális áramkör tápellátásától, ami a 2x9V. Csináltam egy relés koppanásgátlót. Ennek minimum 12VAC táp kellene. Ezenkívül van egy motoros potméterem, amihez 5VDC kellene. Egy JLH fejhallgató-erősítő is üzemelne az erősítőházban, ehhez minimum 12V kellene (12V stab van benne). Azon vacilálok, hogy ennek a 3 kapcsolásnak hogyan tudnék áramot szolgáltatni anélkül, hogy bezavarna az erősítők hangjába. Melyik meglévő kapcsolásnak a tápellátását tudnám felhasználni bármi zavarkeltés nélkül? Ahogy sejtem, a fejhallgató-erősítő a legkényesebb a táp felől jövő zavarokra.
Sziasztok!
Kiszeretném cserélni egy pc hangfalpár erősítő részében a B20K stereo potit, ami igen érdekes, hogy ilyen méretben nehéz találni itthon, így a kérdésem az lenne, hogy lehet ezt helyettesíteni sima 3 kivezetésűvel? Csak jövő hét keddre ígértek az üzletben stereo-t, de az is 25k, 20-as nincs. A hozzászólás módosítva: Nov 5, 2013
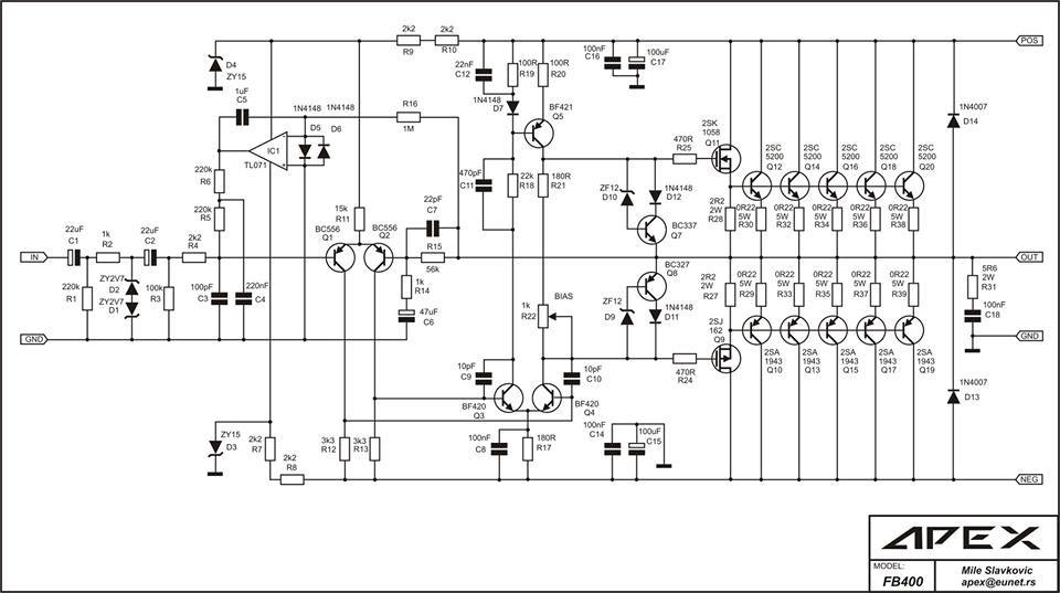
Szia! Az SK/SJ páros a nyitáshoz szükséges gate-source feszültség, a lineáris vezérelhetőség és a termikus stabilitás miatt csak hasonlóval helyettesíthető. Gondolod, hogy Slavkovic nagyzolni akart ebben a viszonylag alacsony árfekvésű erősítőben?
Sziasztok valaki tudna kuldeni egy 4x200wattos erosito kapcsolasi rajzat?
A hozzászólás módosítva: Nov 5, 2013
Üdv!
Problémám van egy Sony TA-FE370-es erősítővel. használtan vettem eredetileg STK 4211 Mk2 ic kéne bele de nem tudtam olyat beszerezni csak STK 4231-t. A gond az, hogy kicsi hangerőn picit torzít, de nagyobb hangerőn már nem, vagy csak nem hallom. Segítséget szeretnék kérni, hogy mi lehet a gond. A hozzászólás módosítva: Nov 5, 2013
Nem, gondoltam hogy van valami komolyabb feladata hisz meghajtó feladata van. Akkor azt mondod ha ilyet nem tudok beszerezni, esetleg túl drága lenne számomra mondjak is lefele erről a kapcsolásról? Mellékelek egy másikat is arról mi a vélemény, lehet-e helyetesíteni az előbb megemlített párral?
Látom mindenképp valami szörnyet akarsz építeni,van egyszerűbb is,olcsóbb is
Hát igen a wattmánia. Tudom vf2. Kacsingatok más irányzatokba is, hátha találok valamit ami használható és más is az áldását adja rá.
Szia! Az leírásod keresztezési torzításra utal. Lehet az ajánlottnál alacsonyabb tápfeszültség okozza, vagy épp így sikerült az utángyártás.
A 2,7 illetve 17, 21 IC lábakhoz kapcsolódik valamilyen áramköri elem? Azok a nyugalmi áramot stabilizáló kör kivezetései.
Így néz kiSzó nincs VF2 ről,a jó öreg, Reloop által tökéletesített,általam picit tuningolt,és újra rajzolt,"2x500w" ST.151
A hozzászólás módosítva: Nov 5, 2013
Igen figyeltem a tökeletsítést. Szó mi szó meggyöző volt, egyedül a drága végtranyóktól amit kicsit húzódozom. Én legszivesebben a 2sc+2sa kategóriaval foglalkoznék. Amiatt keresgetek, mert lehet tudok szerezni egy 1kW toroidot amit átkell tekerni, befer 2u rackbe és mehetek vele hangosítani. most igaz keverőt akarok venni de az másik sztori, most nézelődök a legjobb alternatívák utan.
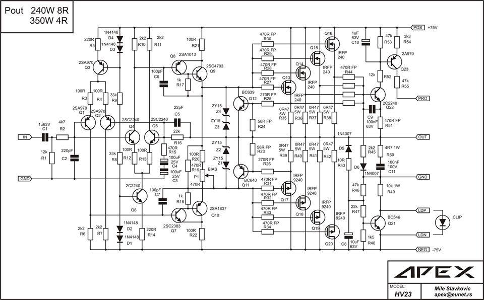
Olyan kapcsolást válassz amelyikről sikerül referenciát szerezni, például valamilyen fórumból! Az utóbbi linken szereplő erősítőnél például ismerni kéne a nyugalmi áramot mi stabilizálja. Vannak tippeim, de hol jön az a gyakorlati próbához?
Jogos kérdés. Már csak amiatt is kérdeztem róla mert egy ismerősöm minden áron ezt akarja elkészíteni és azért én előtte egy lépéssel akarok járni, szeret nem hinni nekem saját hibájából fog tanulni. (úgy mint jómagam és sokan másan)
@ blasz: Én is erre a párra gondoltam, hisz nagyon jó ár/arányban vannak nameg ismerem őket a t.amp ta2400asból. Ha nem gyári pa erősítő vásárlására kerül a sor, akkor biztosan az st151 mellett maradok, hiszen van saját topikja, reloop kolléga mindjáunknak nagyon sokat segít és alaposan magyaráz amiből majdan én is megfogom(remélem) érteni hogy smint fog működni az egész. Megint csak köszönni tudom a segítséget, próbálok minél többet tanulni, működést megérteni majd egyszer szeretnék egy saját erősítőt tervezni. Tavalyi szaktanárom (aki doktorált elektronikábol sajnos idén nem tanít (72 éves)) mondta hogy az nem nagy valami hogy utánépítek valamit, az a valami amikor ellenállásról-ellenállásra én tervezek egy komplekt erősítőt. Ha továbbra sem világos valami, írok.
Rendben,ha szükséged van a rajzra,vagy ilyesmire írj küldöm.Sokat izzadtam vele,de örömmel megosztom mással is.
Üdv "reloop"!
Nekem is hasonló gondom van egy STK 465-el. Itt nincs valami ötleted véletlenül? Persze ez is már cserélt én cseréltem, de biztos nem eredeti. A tápfesz ha jól emlékszem 2x40V körül volt neki ez a gyári vagy 2x38V persze egyenben. Előre is köszönöm. A gyári kapcsolása.
Szia! Ötlet van, gyerünk a témájába!
Köszönöm neked is és lukacsp-nak is a a gyors segítséget!
Megépítem és ki próbálom a kapcsolásokat.
Sziasztok van 1 toroid trafom(mellekelve) es abbol mekkora teljesitmenyt tudnek kihozni belolle?
Szia! A 10V-osból 50W, a 13,5V-osból 30W-osat. Ezeket a teljesítményértékeket rövid időre azért túl szabad lépni
|
Bejelentkezés
Hirdetés |




. 








