Fórum témák
» Több friss téma |
Mielőtt kérdezel, a következő két dolgot ellenőrizd!
I. A helyes tápfeszültségek megléte.
II. A kimeneten van-e egyenfeszültség.
Élesztés.
Túl nagy összehasonlítási alapom nincs, van már pár éve annak is, hogy TDA7294-eket hallottam, és nem elhnagolható tényező a lehallgatási körülmények sem, (lehallgatótér, hangsugárzó) de részemről nincs bajom a 2030-asokkal sem. Méllye szép, dinamikus, magasak csilingelősek, (nen zavsróak). Volt nekem genus 5.1 csupa nagy TDA-akkal, ezekkel a sugárzókkal, de nem tetszett ennyire a hangja.
Mindamellett ami ilyen torzítási adtokat produkál, mint mit mellékeltél, nem az én pénztárcámhoz mért készülék lehet! Ez a torzítás még egy jobb csövesnek is becsületére válna. Amúgy meg a sokat emlegetett Záborvszki kapcsolás is TDA2030-ra épül, és sokak egekbe magasztalják.
Sajnos ezen a böngészőn nem tudom bemásolni a linket, de egyébként magad is rá kereshetsz, lehet Gizike és gőzeke vantkozásában van köze a TA2030-nak és TDA2030-nak egymáshoz, de mindkettő létezik. A 3020-ra nem kerestem rá, nincs is szükségem akkora teljesítményre!
Még az elején töltöttem fel róla rajzot.
Én sem értem ,hogy az mért oda csatlakozik. És persze így nem is szól. A CD direct az nem érdekes,de szerintem azt is meg lehetne oldani egy potméterrel is.
Igen, őő én kikötném az egészet és újat csinálnék bele, ezt nagyon nem egyszerű helyettesíteni, minen összefügg, mindennel, a loudness-nek nem külön áramköre van, hanem az EQ-t befolyásolja, érdekes, aligha javítható, de technikai szempontból jó megoldás, mert egy plusz áramkörrel kevesebb kerül a jel útjába..
Értem én hogy a termikus együttfutás a lényeg így nem a legszerencsésebb, de a rajz amit linkeltél csak a bd139 et mutatja,azt felerősítem egy helyi bordára vagy magára a hűtőbordára tegyem? A lábkiosztásokkal vagyok meglőve meg hogy mit és hol vágjak el, ha kell felteszem a panelt és berajzolod nekem ha megkérlek?
Idézet: „Értem én hogy a termikus együttfutás a lényeg így nem a legszerencsésebb, de a rajz amit linkeltél csak a bd139 et mutatja,azt felerősítem egy helyi bordára vagy magára a hűtőbordára tegyem?” Tehát nem érted, nyílván nem saját borda kell neki, hanem együtt kell melegedjen a végtranyókkal, ha a termikus eggyüttfutás a lényeg.
Nem teljesen világos,de így már érthetőbb, viszont egy vizuálra még szükségem lenne,akkor tehát a bd sem helyben lesz hűtve hanem megy a bordára.
Mellékelem.
Köszönöm, no ezzel elagyalok ma este
Addíg jutottam hogy kivettem a 2 diódát,a potit meg ha jól veszem ki a rajzból az órairánnyal megegyezően kell elforgatni míg a csúszka az 1 láb a trimmeren pont a kollektor (drain) körre nem kerül?
Á neeem ez a borda lesz rajta, van 220x180x50mm-es bordám, az megymajdnrá. úgy csinálom, majd ajogy leírtad, az a rajz egyértelművé tette a dilgokat, amit Zolinak készítettél. Azt tényleg elfelejtíttem metemlíteni, h a nyugalmiáram elövése eléggé rosz ennek a kapcsinak, mert mindíg elmászkált, így hátha jó lesz, hogy hőkapcsolatba lesz a "végével".
A hozzászólás módosítva: Feb 16, 2015
Az IC-n kivul minden lábat végig forrasztottam a kis SMD alkatrészekkel együtt.
Viszont még mindig néma a másik oldal. :/
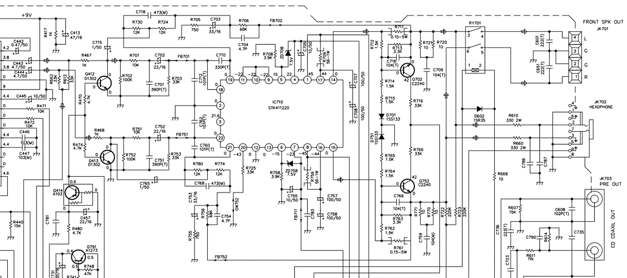
Van egy IC és ebből szeretnék erősítőt építeni. egy hifiből lett bontva. Tehát van trafó is hozzá.
Az IC: stk411-220E. tudnátok valami kapcsolást hozzá? a gógle nem talált semmit, csak sok kínai sz*rt. (haveromnak kéne)
Sziasztok! Építettetek már erősítőt IRS2092-es ic-vel? Olyan 300/600W RMS 8/4 ohm-ra méretezve, tudnátok valami kapcsitáp rajzot ajánlani? Jobb volna, ha mind a négy csatornának külön tápja volna? Kapcsitápot eddig csak egyszer építettem, a trafó egy PC tápé volt, 12V-ból +/-35Vot csinált (300W), TDA7294et táplált. A kivitelezése házilag nem kerülne többe, mint ez:Bővebben: Link?
A hozzászólás módosítva: Feb 16, 2015
Ez működhet?
Üdv!
Segítségre lenne szükségem. Vezetékelem a TDA7294-eseket. Jelátvitelhez, táphoz milyen vezetékeket/kábeleket használjak a brumm elkerülése végett? Illetve hogy tudom megoldani a hangerő szabályzást egy 50k-s lineáris potival?potival? (Nem érkezett meg az alkatrész a hangszínszabályzóhoz.)
Heló!
Árnyékolt kábelt vegyél és az jó lesz. Hangerő szabályzásra pedig logaritmikus potit kell használni.
Árnyékolt kábelem csak olyan van, amiből az RCA-RCA jelátviteli kábelek készülnek. Tápkábelnek PC tápból kitermelt vezetéket akartam használni, összetekerve... Logaritmikus potim nincs sajnos.
Az 50k poti csúszka és test közé tegyél 8k2 ellenállást!
Idézet: „Hangerő szabályzásra pedig logaritmikus potit kell használni.” Nem, csak azt javasolják, de én sose használtam, mert nagy hangerőn nem lehet finoman álítani, szerintem a líneáris tökéletesen megfelel a feldatra. Helios Használhatod a lineáris potit, legfeljeb a karakterisztikája lesz furcsa.
2 darab potim van szabadon a két végfokra. Ideiglenesen a lehető leg egyszerűbb megoldásra lenne szükségem.
Akkor szimplán kösd be őket ahogy kell és kész.
Amit láttál videót ott még a nyugalmi áram beállító áramkör nélküli szimpla 2 diódás trimeres próba volt csak, ezért írtam hogy ma marattam nyákokat a paneleknek a fenti rajz alapján,és azokkal már szépen elmennek majd a panelek remélem.
Majd ha én is odajutok, hogy lesz rá időm, h valamihez hozzányúljak, akkor varázsolok vele, vetetek az öcsémmel 2 fetet, és ha már nem kell túlóráznom, akkor összevarázsolom, s bízok a tapasztaltabb szakmabeliekben.
Mellékelem a forráskészülék rajzrészletét. Nem amatőrnek való feladat.
Szép! Hol találtad? (én egy napig kerestem hasonlót sikertelenül) Megérni valahogy kioperálni magát az erősítő részt belőle? egy külön NYÁK-ra? (persze egy a szakmában jártas segítségével)
Ehhez a 400 wattos feteshez van nyák terv?
Mit lehet még tudni erről az erősítőről? |
Bejelentkezés
Hirdetés |







Addíg jutottam hogy kivettem a 2 diódát,a potit meg ha jól veszem ki a rajzból az órairánnyal megegyezően kell elforgatni míg a csúszka az 1 láb a trimmeren pont a kollektor (drain) körre nem kerül? 







