Fórum témák
» Több friss téma |
Mielőtt kérdezel, a következő két dolgot ellenőrizd!
I. A helyes tápfeszültségek megléte.
II. A kimeneten van-e egyenfeszültség.
Élesztés.
Nekem konkrétan ehhez a 400-ashoz van tervem, vagyis a gyári nyákterve van lekoppintva, meg van 6 feteshez is, meg van szintén ugyan ez, csa már 8 fetesre kiegészített és ez utóbbiba, már van biztosíték a +- tápba, ill van még rá tervezve egy clip áramkör. Ha hazaértem, feltöltöm őket, meg írok hozzá méretet. De ez max este 8 után érek haza.
Sziasztok!
Nem tudom, hogy jó helyen kérdezek-e? Ha nem, kérlek írjátok meg, melyik topicban releváns! Szert tettem egy Telefunken TR550 r.erősítőre. Ennek a javítása kapcsán lenne kérdésem. A végfok egyik fele szállt el. Nagyjából tudom mi a hiba, de ehhez kérnék tanácsot. Érdemes-e javítani (leállt gyártású alkatrészek...TR-BD311/312; IC-LM391-90) vagy egyszerűen cseréljem az egész végfok modult TDA7293 végfokra? (Végül is a retro feeling miatt vettem, ezért inkább javítanám.) Ha ide való a téma, akkor ínék részleteket. Köszönöm.
Sziasztok !
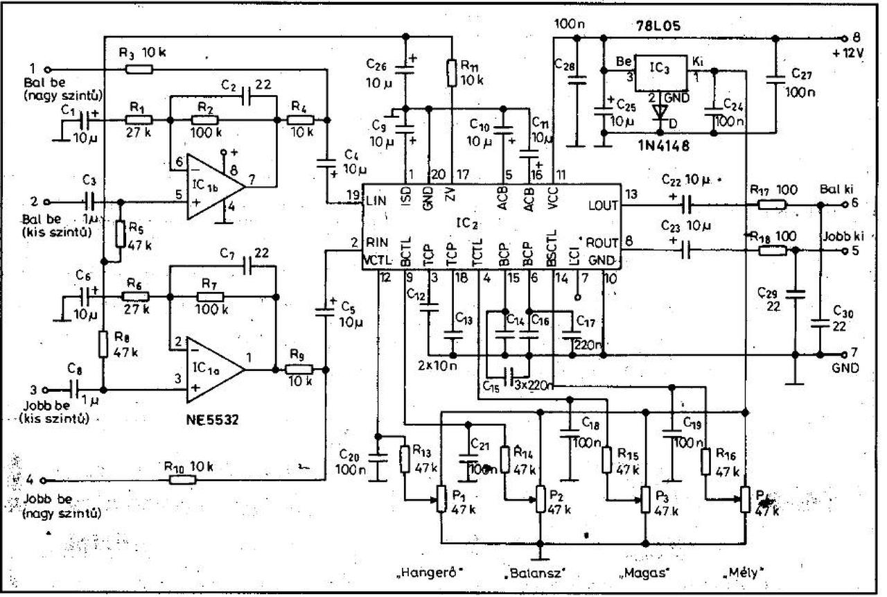
A végfokomhoz akarok mikrofont kapcsolni építettem Ic t Ne 5532 vel de gerjed és elég nagy a zaja is. Találtam egy régebbi mikrofon panelt azzal tökéletes lenne, csak keveset erősít egy db BC170 C tranyó van benne. Vissza fejtettem a kapcsolási rajzát ( ha jól ). Csökkentettem az 1 K ellenállást 200R re de így sem volt füllel hallható változás. A többi ellenállást is varriáltam de úgy se lett jobb nem erősített többet. Segítséget kérnék melyik 2 ellenállással kell beállitani az erősitést, vagy plusz tranyó kell majd bele még.
Elkapkodtam, lemaradt egy ellenállás.
A hozzászólás módosítva: Feb 17, 2015
Az alap 4 fetes mérete: 8,4x10,3
A 6 fetes 12,7x10,3 A 8 fetes 16,4x10,3 A 10,3 a magasság mind1iknél! A MÉRETEK CENTIMÉTERBE VANNAK. A kép nevébe is benne van a mérete. A 6 fetesnél, és a 8 fetesnél erősebb meghajtó tranzisztorok kellenek! Holnap majd teszek fel beültetési rajzot a clip áramköréhez. Illetve a D6, D7, R21 és az R22 helyei nincsenek rajta. A több fetnek akkor van értelme, ha 4 ohmmal terheled, magasabb táp fesszel, a gyárilag 4 ohmra előírtnál. (Reelop jobban meg ki tudná számolni ezt a feszültség értéket.) A hozzászólás módosítva: Feb 17, 2015
Így már hibátlan
Sajnos ez ennyit tud, nagyobb bétájú tranzisztorral lehet még próbálkozni. A hozzászólás módosítva: Feb 17, 2015
Azt a clip áramkört szeretném én is elkérni ha lehetséges.
Köszi !
Ennél nem nagyon van, kb 600 a bétája, mire gondoltál ?
Csináld meg rednesen a tápját az 5532-nek és menni fog. amúgy gyanítom, hogy a mikrofonnak volt zaja, túl sok volt az erősítés is.
Holnap majd rá rajzolom, valami jól látható színnel, és felrakom, ma már meg vagyok zuhanva, a fáradtságtól. Egyébként a Castone cpa 500-as végfok clip áramköre van rárakva.
9v elemről is azt csinálta, ja és gyári kitt ne 5532 lm1036 kombinációja.
Ennek a tranzisztorosnak,teljes hangerőn sincs semmi alapzaja Idézet: „Ennek a tranzisztorosnak,teljes hangerőn sincs semmi alapzaja” Sem hangereje.... Nem igazán értem, hogy ezeket hogy lehet kombinálni, valami kapcsolási rajzot mutass légyszíves arról az áramkörről.
Ha vissza olvasol megtalálod. Feltéve, ha jól rajzoltam vissza. Így néz ki.
Ja nem ez, a műveletierősítős megoldásnak a rajzára gondoltam, csak el voltam havazva.
Tessék itt van.
Az R1, R6 értékét csökkentettem sőt a végén 25 K potit tettem a helyükre . Nagy volt az alapzaj és gerjedt is.
Akkor majd keresgetek , amelyiknek legmagasabb lesz a bétája azt pakolom bele.
Köszi még egyszer a segítséget. Azért nem egészen értem, a dinamikus mikrofonom, 1-2 mV -ot ad le, a 400 szoros erősítésnél már 400-600mV nak kellene lenni a kimenő jelnek.
Ez a kapcsolás elég érdekes. Fogd az 5532-t ezt a katyvaszt kösd le róla sima 100x erősítést álíts be de 100r/10k ellenállással és jó lesz. Én így használok műveletierősítős megoldást és semi gond nincs vele. Amúgy érdemes szimetrikus tápról járatni az 5532-t.
Az elért erősítés azon is múlik mekkora impedanciájú (bemeneti ellenállású) erősítő fogadja a jelet.
Tehát, a 100 K (R2, R7) ellenállásokat 10K-ra,
a 27 K ellenállásokat (R1, R6) 100 R re cseréljem. Holnap kipróbálom.
Az un. PA 300 tuningolt változata 3 pár vég tranyóval.
Így néz ki az egyik oldala. A hozzászólás módosítva: Feb 17, 2015
Az itt látható nem invertáló alapkapcsolás erősítése: Au= 1+(R2/R1).
Nem arcolni akarok, csak azt írtad, hogy az R1, R6 értékét csökkentetted. Attól az erősítés növekszik, amivel a zaj is növekszik, a hangrendszer pedig könnyen összegerjed a nagy erősítés miatt.
Sziasztok
Segítséget kérnék. Épp a Pass féple f5 erősítőt építek, és egyenlőre nem tudtam beszerezni a bemenetnél lévő R9 és R10 ellenállásokat. Ki lehet ezeket cserélni mondjuk 10K és 100 K-ra? Vagy valami könnyebben beszerezhető értékűre? Köszi
Igen ebben igazad van, azt is akartam, mármint hogy nagyobb legyen az erősítés, csak az alapzaj is nagyon megnőtt és gerjedt, úgy használhatatlan. Már van nyákom kimarva külön NE icének, majd ha lesz egy kis időm még próbálkozom vele.
Hidd el, az az 1 tranzisztoros szinte teljesen zajtalan, és kb 50-60 w ig kis is vezérli a végfokot.
Szia! A 4k7, 47k egészen közel álló értékek, a 10k, 100k-t sem látom tragikusnak.
Sziasztok, ha egy végfok végtranzisztorait duplázom, növelni kell-e a VAS illetve az áramgenerátor áramát ? Konkrétan a hta-30 esetében. Illetve a végtranzisztorok bázisában lévő 100 ohmot csökkenteni kell-e ? Köszi!
Szia! Pusztán a végtranzisztor duplázás csökkenti a VAS áramterhelését, viszont nagyobb kapacitív terhelést kell legyőznie. A romló jelváltozási képességet a végtranzisztor emitter-ellenállásának növelésével tudod ellensúlyozni.
Ha tápfeszültséget és/vagy kimenőáramot változtatsz akkor annak mértéke szerint kell avatkozz be. A HTA-30-ban a kérdéses 100 ohm áramkorlátozó jelleggel van bent, ne változtasd!
Oké akkor megnyugodtam... nem sokat változtattam, a 100 ohmokat úgy hagytam, a VAS lett BD139 és a áramgenerátor BD140. A végtranyók két pár TIP142 és 147. Egy olyasmit akartam építeni mint a heed obelisk pm végfokaim, terveztem a gyárihoz nagyon hasonló nyákot is, legyártattam egy szakival, ma lett kész és kitűnően működik is, nagyon jó hangja lett, bár talán a gyárit még nem éri utol. Képeket délután tudok feltenni róla. Az eredetiről lehet 1-2 belső képet látni a neten. A tápfesz 72V, a nyugalmi 100mA a két párra. Az eredetiben 77,5V a tápfesz és BDW83D / 84D a vége.
Ja viszont az eredetiben a BD139 és 140 nagyon melegek hűtőbordástól, az enyémben alig langyosak. Akkor ott csak nagyobb árammal járatják, de ha nem kell az csak jó
Na íme az obelisk pm klón végfokom. A pici hűtőbordákat lehet le is veszem mert feleslegesek.
Semmi felesleg. Letisztult, lényegretörő, szellős kivitelezés. Szép munka.
|
Bejelentkezés
Hirdetés |










Sajnos ez ennyit tud, nagyobb bétájú tranzisztorral lehet még próbálkozni. 












