Fórum témák
» Több friss téma |
Mielőtt kérdezel, a következő két dolgot ellenőrizd!
I. A helyes tápfeszültségek megléte.
II. A kimeneten van-e egyenfeszültség.
Élesztés.
Az ellenállásokon eső feszültség rosszat sejtet a meghajtó IC-vel kapcsolatban. Valószínű a kimenet sem áll így be 0V-ra és ezért kapcsol le az erősítő. Mérd meg ennek a csatornának a kimeneti egyenfeszültségét! Ha ±0,5V-től magasabb akkor a hangszóróvédelem generálja a tiltást.
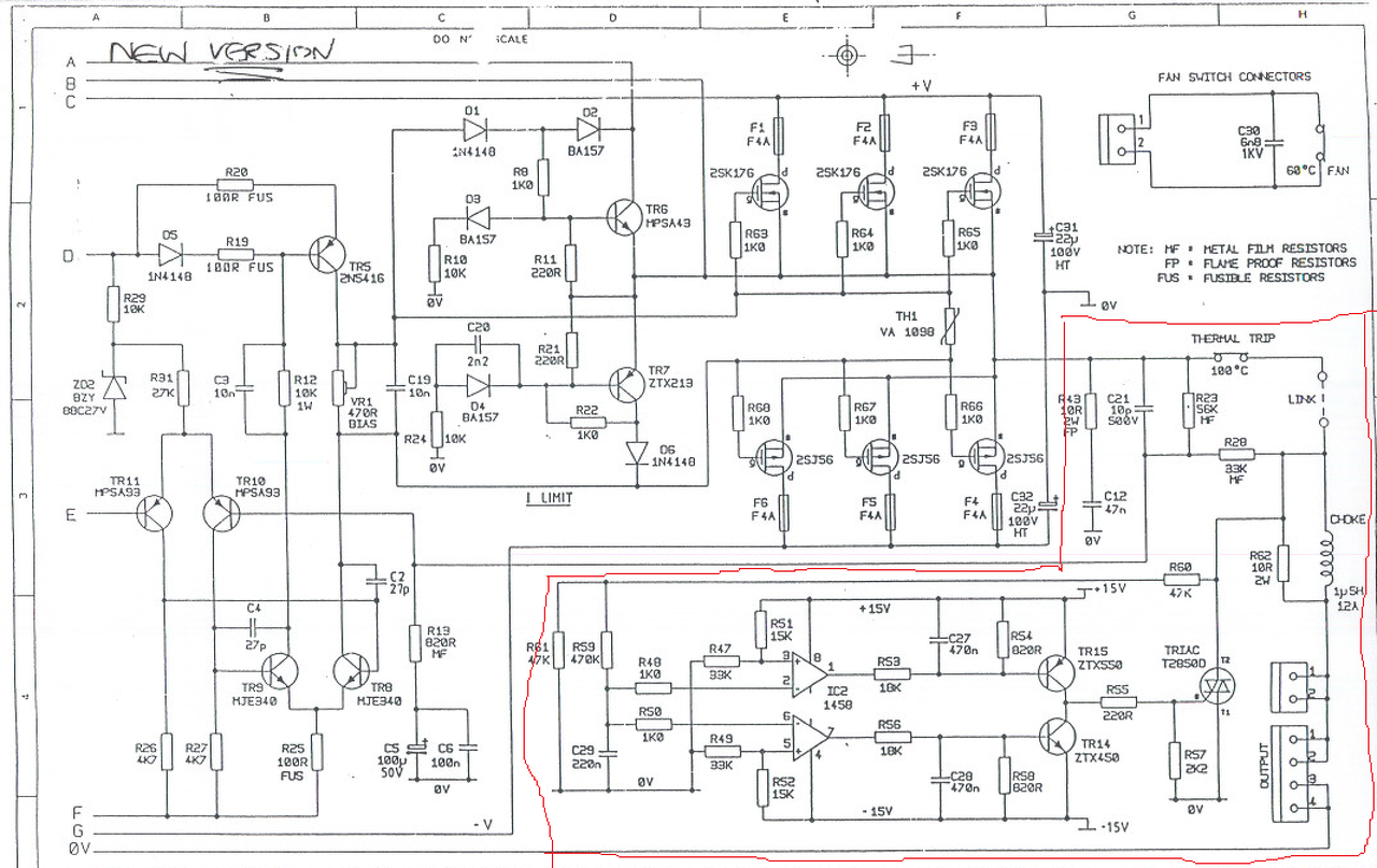
Sziasztok. Lenne a következő kapcsolási rajz. Az lenne a kérdésem a pirossal bekeretezett végfok védelem hogy működik. Választ köszönöm
Szia! A triak rövidrezárja a kimenetet, hogy ne jusson egyenfeszültség a hangszóróra.
Hiba esetén rövidre zárja a kimenetet. Rövidre záráskor mi fog tönkremenni Hibás FET pár biztosítéka fog kimenni vagy a "Thermal Trip" ég el ? Utána újra megszólal kevesebb FET párral. Miért kell őket külön biztosítani? Nem találkoztam még ilyen megoldással.
A hőkioldót inkább a hűtőbordára tudom elképzelni túlmelegedés esetére. Ha a terhelést figyelné akkor amperben lenne megadva a kapcsolási paramétere.
Az egyedi biztosíték előnye, hogy a zárlatos MOSFET-tel ellentétes tápoldali félvezetők nem mennek feltétlen tönkre. Azért az erősítők többsége évtizedekben mérhető pályafutása alatt sem küld egyenfeszültséget a hangszóróra, nem kell megijedni ettől a drasztikus beavatkozástól. Amelyik pedig küld, annak a végtranzisztorain nincs sok sajnálni való
Köszönöm. Nem is azok a sajnálni valók hanem a hangfal
Sziasztok!
Egy erősítőben elvileg tönkre ment egy LC7815-ös IC, ezért nem lehet bemenetet választani. Hol lehet ilyen beszerezni, mert a szerelő nem tud? Mennyire kell pont egyezőnek lenni? Úgy értem, hogy az LC 7815 jelölés után van van még ráírva egy 9F@ valami is, ( pontosan nem tudom,nincs előttem most) . Ennek a három karakternek is pontosan egyezni kell? Előre is köszönöm a választ.
Bővebben: Link
Nem tudom ez úgyan az e pontosan. Egyenlőre enyit találtam. Még megnézem Ebay.com on is. Ha van. Linkelem
Én is most cserélek egy LC 7821 -et 8 csatornás bemenet választó.
Onkyo erősítőbe.
Köszönöm, ezeket én is megtaláltam, de nem tudom jól-e bele. Az utoló karakterek nem stimmlnek. (9F2)
Próbálj nézni neten pdf et nem e ír róla valamit.Amit én találtam ott nincs írva hogy lenne külömbség.
Szia!
Először azt nézd meg, az IC megkapja -e a működéséhez szükséges feszültségeket. Azok hiányában nem fog müködni, még ha jó is lenne az IC. Egy hasonló erősitőnél nálam sem váltott, az abban lévő iC+-15v ról ment és természetesen gnd ról az egyik 15 V , nem volt meg. a tápfeszültésg megjavitása után kapcsolt az IC vagyis váltott bemenetet. Ja az abban lévő IC TC 9164 N volt. Az IC 1-es lába kapta a -15V -ot a 28-os a 15V-ot a GND a 14 -es lábán volt. Természetesen a tiédnek valószinüleg más a lábkiosztása. A hozzászólás módosítva: Feb 7, 2017
Köszi mindkettőtöknek. Ezt találtam róla, annyira nem értem, de hátha ti igen
![]() Ez egy Teac erősító, és ennek a srácnak is ez volt a baja: Bővebben: Link A hozzászólás módosítva: Feb 7, 2017
Sziasztok!
Valaki tudna nekem segíteni a mellékelt erősítő működési elvét illetően? Én azt látom,hogy az emitter ellenállások közös pontja a földre van kapcsolva ami a hangfal csatlakozó - pontja. A + kimenet pedig a két puffer közötti 0 pontra. Hogy működik ez? Nem vagyok műszerész csak amatőr, ezért kérek mindenkit,hogy tényleg csak az írjon aki segíteni akar.
Megmértem a kimenetet.Az egyik csatornán az egyik hangszóró kimeneten 40V van a többin 0V-ra beáll.Akkor az egyik upc1298v meghajtó ic hibás?Ha rossz akkor ilyet hol lehetne beszerezni ?
A hozzászólás módosítva: Feb 7, 2017
Igen, van pl. a HQ-ban. Bővebben: Link
A hozzászólás módosítva: Feb 7, 2017
Szia!
A gyártó így különbözteti meg a sorozatokat Idézet: a gyártási hely, idő és gépsor kódja.„Az utoló karakterek nem stimmlnek. (9F2)” Az adatlapján is csak LC7815 felirat látható.
Mit érdemes megmérni mielőtt kicserélem?Elég drága nem akarom , hogy elfüstöljön.
Itt írtam.
Elgondolkodtató, ér-e ennyit az erősítő?
Az egyik kimenet a készülékházra van rákötve, a másik hangszóró vezeték a tápegység szűrő kondenzátorain keresztül van váltakozó áram szempontból hidegítve. Ezáltal ha a végfokban bármi okból is egyen feszültség kerül a kimenetre, az a kondenzátorok miatt nem záródik rövidre a hangszórókon keresztül, nem égeti le azokat.
A 230V betáp felől a készülék vélhetően kettős szigetelésű.
A készülékház földelt. 3eres műszer táp aljzata van. Azt nem értem,hogy a végfok tulajdonképpen a földelésre dolgozik.
Itt a hagyományos erősítő szerinti kimenet a test és a tápközép a kimenet. Ha a hangszóró felől nézzük úgyis mindegy. Ebben a kapcsolásban az az érdekesség, hogy végtranzisztorok meghajtó áramköre nem a testhez és a táphoz csatlakozik, hanem a kimenethez és saját helyi táppal bír.
Megmértem dióda mérővel a upc1298V ic-t és az egyiknél a 1,12 -es láb zárlatos(be forrasztva mértem).Akkor az rossz ugye?
A hozzászólás módosítva: Feb 8, 2017
Igen, ott a pozitív oldali végtranzisztor meghajtójának kollektor-emittere található.
Megprobalhatom ugy bekapcsolni az erositot ha kiforrasztom a hibas meghajto ic-t?Hogy ugy is letilt -e?
A vizsgálathoz egyelőre elegendő a 100Ω-os segédellenállások (egyik lábának) kiemelése.
|
Bejelentkezés
Hirdetés |







