Fórum témák

» Több friss téma
Fórum » Erősítő mindig és mindig
Mielőtt kérdezel, a következő két dolgot ellenőrizd! I. A helyes tápfeszültségek megléte. II. A kimeneten van-e egyenfeszültség. Élesztés.
Lapozás: OK   2109 / 2580
(#) vtzgergo hozzászólása Szept 21, 2018 /
 
Sziasztok! Van egy Akai AM-2200 erősítőm aminek néha elhallgat a bal oldali kimenete de ha stereoról monora állítom aztán vissza akkor egy darabig működik, vagy ha ki és be kapcsolgatom. Ennek mi lehet az oka és mi rá a megoldás? Köszönöm
(#) tothbela válasza boxy88 hozzászólására (») Szept 21, 2018 /
 
Először biztonságosan rakd össze az erősítőt, a félvezetők kerüljenek vissza a hűtőre. Ne kerüljön rá hangszóró egy se. A hálózattal sorosan köss egy 60W-os izzót. Keress az erősítőn egy stabil GND-t. Ez legyen a referenciapont. Ehhez képest kellene méregetni. Ha áram alá helyezve az erősítőt nem világít az izzó, akkor a jöhet a méricske. Először egyenáramúlag kell mérni. Mivel kétféle táp van az erősítőn, mindegyiket mérd meg. Lenni kell a magas szekciónál 30-50 V körül mind pozitív, mind negatív tápfesz. Ezt a két közepes elkó lábain tudod mérni. A mélyközép tápja ettől valamivel nagyobb. 50-80V között valahol. Szintén pozitív és negatív is kell hogy legyen. A két nagy pufferen van. Ha eddig rendben, akkor a hangszórók csatlakozási pontjain is kell mérni. Még mindig a multi negatív vezetéke a földelésen marad, hiszen az a referenciapont. A hangszórók csatlakozási pontján nem szabad feszültségnek lenni, esetleg 0,2V alatti érték az elfogadható. Ha ettől nagyobb, akkor valami nem jó.

Ezeket a méréseket csináld meg, aztán folytatjuk.

Végül is ezek a lépések ott vannak az élesztés szövegben is.
A hozzászólás módosítva: Szept 21, 2018
(#) mlaci989 válasza reloop hozzászólására (») Szept 21, 2018 /
 
Szépen megy,kimenetek -7 -8 mV. Nyugalmi áram 30mA fölé nem igen megy. Melegedés nincsen. Holnap ránézek szkóppal,megyek melózni. Meglássuk élesben mit művel. Köszönöm a segítséget.
(#) boxy88 válasza tothbela hozzászólására (») Szept 21, 2018 /
 
Szia! Köszönöm az eddigieket este rakok fel képeket még róla! Igazából mind2 Erősítő működik csak az egyiken kevés a magas a Másikban meg nem vagyok biztos hogy most a hangszóró tekercse szorult meg buli közben és az miatt lett vége vagy az erősítővel lett valami menet közben! Van benne egy gyári úgymond crossover amit a hátulján lehet kapcsolgatni azzal lehet hangszíneket állítani! Én arra gondoltam ha azt ki lehetne iktatni és csak mint natúr erősítőként működne az már jó lenne! Ha ebben tudnál segíteni azt megköszönném! Nem vagyok műszerész én sem ha valamit méregetni kell akkor lécci segíts hol és mit mérjek és csinálom! Előre is köszi estefelé dobálom a képeket! Üdv Zsolt
(#) tothbela válasza boxy88 hozzászólására (») Szept 21, 2018 /
 
A hátáról egy képet megnéznék, mert nem tiszta mit szabályoz a krosszover poti. Gondolhatok a mélyközép és a magas váltására, esetleg a mélyközép és a szub közöttire.
Várom a képeket.
(#) zotya1983 válasza tothbela hozzászólására (») Szept 21, 2018 / 1
 
Én zsugorozom mindenhol, és a legrövidebb ponton viszem a vezetékelést a táptól, természetesen a 2.5mm es vezeték alapból mindenhol a tápnál főleg ahol rángatózik a trafótól az egyen hídig.Itt az én elképzelésem +-120v ra csak szubra, 8 pár fettel. A kondenzátor kerülgetős szakaszok áttervezve megvastagítva...
A hozzászólás módosítva: Szept 21, 2018
(#) boxy88 válasza tothbela hozzászólására (») Szept 21, 2018 /
 
(#) tothbela válasza boxy88 hozzászólására (») Szept 22, 2018 /
 
Ahogy korábban írtam, ebben két erősítő van. Egy nagyobb teljesítményű, és egy kisebb de jobb hangú. Kérdés hogy melyik szimpatikusabb neked.
(#) tothbela válasza zotya1983 hozzászólására (») Szept 22, 2018 /
 
Még talán annyit lehetne, hogy a tápfeszültség nem a fet sor végén, hanem a 4-dik fet után csatolódna be. Tehát a 8-as csoport közepén. Ugyanígy a kimenet is lehetne ott. A visszacsatoló ellenállás pedig arra a pontra menne ahol a kimenet van. Igy a differenciálerősítő ténylegesen azt a pontot figyelné ahol levesszük a hangfrekis jelet. De ez csak kósza gondolat. A valóságban egy erősítőt nem lehet tökéletesre csinálni, mert mindig találni lehet valami olyat, amin még lehetne javítani. Ilyen például a valódi szimmetrikus bemenet már maga a végfok panelen is, ami azért kedvező, mert lehetőséget ad arra, hogy közös tápegységről úgy mehet több végfok, hogy nem érzékeny a vezetékelésből adódó földhurokra.
(#) zotya1983 válasza tothbela hozzászólására (») Szept 22, 2018 / 1
 
Fúrok egy lyukat aztán középen táplálom be Nem lesz gond szerintem hogy elől csatlakozik a betáp.Egyenlőre nem találok hozzá megfelelő hűtőbordát meg kell egy halom leszorítógyűrű is.
A hozzászólás módosítva: Szept 22, 2018
(#) tothbela válasza zotya1983 hozzászólására (») Szept 22, 2018 /
 
Nem szükséges átalakítani, jó az ahogy most van. Csupán ötletként gondoltam ha újabb nyákot terveznél. Ezek csak kicsi nüanszok amikkel optimalizálni lehet egy erősítőt. Mindig van valami újabb, de ez nem azt jelenti hogy ki kell dobni a régit.
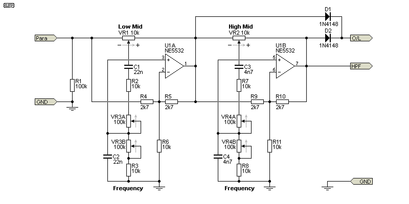
(#) gajdossmd hozzászólása Szept 23, 2018 /
 
Sziasztok!

A következő közép szabályozó kapcsolás szimetrikus tápról működik és nekem csak asszimetrikus 9V áll rendelkezésemre, mit kell módosítani a rajzon?
Előre is köszönöm a segítséget!
A hozzászólás módosítva: Szept 23, 2018

p152-f7.gif
    
(#) mek-elek válasza gajdossmd hozzászólására (») Szept 23, 2018 /
 
A rajzod szerint mekkora volt az ajánlott tápfeszültség?
(#) gajdossmd válasza mek-elek hozzászólására (») Szept 23, 2018 /
 
Szimetrikus +- 15V.
(#) reloop válasza gajdossmd hozzászólására (») Szept 23, 2018 /
 
Szia! A rajzot nem kell módosítanod, mellékelem hogyan alakítsd ki a tápot.
(#) gajdossmd hozzászólása Szept 23, 2018 /
 
Meg kell közepelni és ennyi?
Köszönöm!
(#) reloop válasza gajdossmd hozzászólására (») Szept 23, 2018 /
 
Igen, mindössze ennyi a teendő, Gondolom nem zavaró, ha a telep negatív nem egyenlő a testtel.
(#) gajdossmd hozzászólása Szept 23, 2018 /
 
Hú, de az gáz, mert lesz még előtte áramkörök ami szintén ugyanazt a telepet használja és annál a telep negatív egyben a test is azaz testen van.
A hozzászólás módosítva: Szept 23, 2018
(#) gajdossmd válasza reloop hozzászólására (») Szept 23, 2018 /
 
A lényeg, hogy olyan megoldás kell ahol a táp negatív testen van!
(#) reloop válasza gajdossmd hozzászólására (») Szept 23, 2018 /
 
Ebben az esetben elmarad a C1 220 µF és a szűrő be és kimenetére csatolókondit kell raknod.
Milyen áramkör megy még erről a 9 V-os elemről? Van esetleg benne feszültségosztó?
A szűrő kimenetén a D1, D2 diódákat akarod valamire használni?
(#) gajdossmd hozzászólása Szept 24, 2018 /
 
Igen féltápos feszültségosztó van és egy hangszínkör van előtte ami mély és magas szabályozás illetve még előtte egy torzító áramkör. A diódákat túlvezérlés áramkörhöz használom, de azok el is hagyhatóak!
(#) reloop válasza gajdossmd hozzászólására (») Szept 24, 2018 /
 
Ebben az esetben a szabályzó áramköröd R6 és R11-nél található testpontját kösd a féltápra, R1 elhagyható. A kimeneti és bementi csatolók szükségesek.
(#) gajdossmd válasza reloop hozzászólására (») Szept 24, 2018 /
 
Köszönöm szépen!
(#) boxy88 válasza tothbela hozzászólására (») Szept 24, 2018 /
 
Szia! "Diszkózásra" Lenne használva tehát inkább az erősebb része kellene!
(#) tothbela válasza boxy88 hozzászólására (») Szept 24, 2018 /
 
Akkor tisztázzuk dolgot. Az eddigiekből arra gondolok, hogy nem az aktív ládát akarod megjavítani, hanem csak az erősítő kellene belőle. Kicsit bővebben írj róla, mert én még ott tartok hogy az eredeti állapotot akarod visszaállítani.
(#) boxy88 válasza tothbela hozzászólására (») Szept 24, 2018 /
 
De az aktív ládát akarom visszaállítani csak felesleges "Sallangok nélkül"! Igazából annyi lenne hogy egy sima Hangszóró kimenet lenne rajta crossover és minden nélkül és bedobnék egy hangváltót hozzá és kész! De te ezt jobban átlátod melyik az egyszerűbb megoldás? Szted?
(#) tothbela válasza boxy88 hozzászólására (») Szept 24, 2018 /
 
A képeken nem láttam a tranzisztorok, IC-k feliratait. Ez is kellene lokalizálni a két erősítőt. Mivel kapcsolási rajzot még nem találtam, mindenképpen a krosszover csatlakozójáig vissza kell fejteni a jelek útját. A magas csatorna végfok IC a 11 láb és a full plasztik tok miatt valószínűleg LM3886, de ott van két egyoldalas SIL tokozású valami, az is kellene.

Hogy mi a sallang? Hát talán az a hangkarakter kapcsolgató izé. Bár nem tudom mi a baj vele.
(#) boxy88 válasza tothbela hozzászólására (») Szept 24, 2018 /
 
Jelenleg dolgozom de este kifotózom neked a tranzisztorokat is! megpróbálok egy feliratozást csinálni majd képen hogy mire mi van írva!
(#) black1989 hozzászólása Szept 24, 2018 /
 
Üdv mindenki !

Véglegesítettem a végfokot amit tervezgetek egy jó ideje , meg is építettem , gyönyörű hangja van , a thd a szimuláció szerint 40watt 8ohm terhelésen 1v bemenő jel mellett 0.195% . Nem tudom , hogy jónak számít e ez az érték . Egyetlen problémám van , de ez eléggé aggasztó , nem tudok rájönni mi lehet a gond , ha a bemenet üresen van , akkor búgás hallatszik a hangfalban , viszont ha a bemenetre rádugok jelforrást ,akkor ez a búgás teljesen megszűnik! Bemeneti jel nélkül a búgás egyre erősödik mintha a nyugalmi áram egyre csak nőne , mivel a tranyók is elkezdenek melegedni! 60ma nyugalmi áramot állítok be , jelenleg így üzemel ! Várom a kedves segítségeteket!

40watt.jpg
    
(#) reloop válasza black1989 hozzászólására (») Szept 24, 2018 /
 
Szia! Sajnos a Q5 áramgenerátor súlyos elvi hibás. Itt a pozitív táp és a Q5 bázis közé kell a feszültséggenerátor. A szimulátorban nulla, vagy a reálistól alacsonyabb a táp belső ellenállása, azért nem ütközik ki a hiba. Légy oly jó ismerkedj meg az áramgenerátorok működésével!
Következő: »»   2109 / 2580
Bejelentkezés

Belépés

Hirdetés
XDT.hu
Az oldalon sütiket használunk a helyes működéshez. Bővebb információt az adatvédelmi szabályzatban olvashatsz. Megértettem