Fórum témák
» Több friss téma |
Mielőtt kérdezel, a következő két dolgot ellenőrizd!
I. A helyes tápfeszültségek megléte.
II. A kimeneten van-e egyenfeszültség.
Élesztés.
Értem! Persze strapabíróbb a nagyobb feszültségű tranzisztor. És hát a BD250C-nek a +-50V már bizony kicsit sok.
Viszont felmerül a kérdés, hogy egy komoly konstrukciónál miért adnak meg ezek szerint gyenge alkatrészeket?
Ezen ne csodálkoz . 25fokon a BD úgy emlékszem 100ma-t vagy 200-at tud ! Tessék megnézni a DC SOART
Ezért Urbán is hülyének nézett. Ezért pusztultak a Quadjai amit BD-vel aditt 100V-ra. Mostmár tudja, hogy az nem megy A 70-es évek végén gyártogattam az akkor horor árú TIP 35/36-al 3+3paralel + -50V-ra végfokot. Üzembiztos volt. Elfogytak azok a tranyok és többé nem tudtam megbizhatót csinálni. Persze ez nem ilyen egyszerüen derült ki. Ennek folytán merültem bele a mitől döglik meg a tranyó problémakörbe
Üdv!
Nem én készítettem a paneltervet, de erről a diferenciáló fokozatról már én is hallottam. Emiatt viszont nem hiszem, hogy áttervezem az egészet, mert elég jó kis terv van hozzá. A BD-ket meg akkor lecserélem. De a kérdés még mindig az, hogy bírja-e hidalva?
Nem kell annyira túllihegni ezt a hidalás dolgot... Hidalva 8ohmos terheléssel úgy viselkedik egy oldal, mintha simán 4ohmmal lenne terhelve. Ha bírja a 4ohmot, akkor hidalható. De csak 8ohmos hangdoboz esetén hidalhatod.
Miből gondolod, hogy a konstrüktör mindig ért a dolgához ?
Nem feladata, hogy ismerje a tranzisztor lelkivilágát. A katalogusra hagyatkozik, azt se biztos, hogy alaposan megnézi Egyébbként se i"llik" a katalogus maximális feszültségén , egyébb paraméterén járatni egy szerkentyüt Lásd a 600Wattos JBL szériáját.Profi hangositó széria ) Valaki megtervezte a légáramlást, hogy hüljön, a másik belerakott egy fluxusstabilizáló gyürüt ami betett a légáramlásnak. eredmény égtnek mint a ..... Kár, hogy akkoriban nem tudtam a hullákat lefényképezni, mikor elöször belebonyolodtam
Sziasztok!
Abban kérek segítséget, hogy az alábbi rajzon a BC556, ill. 546 tranzisztorokat milyen más típusokkal helyettesíthetem?
A mellékleteden egy canopus kapcsolása látható , nem corpus ! Ennek van saját tpokija : Bővebben: Link
Sziasztok!
Egy kérdésem volna csupán, mert nem szeretném, hogy lehúzzanak a szakszervizben mivel nem értek a témához. Marantz Sr5200 6.1-es erősítőm az egyik napról a másikra (igaz ritkán használom) folyamatos zajt hallat. Viszont ezt nem mindig csak időszakosan. pl.: 1, Nincs egy készülék sem rákötve, épp rádiózom és nincs zaj, de ha kiválasztom a CD bemenetét akkor már szól a egyenletes hangerejű zaj. 2, Rádiót hallgatva is előfordul állomás váltáskor 3, Legrosszabb eset, ha már a bekapcsoláskor is zúg Másik nagy hiba jelenség a zajon túl, hogy csak a távirányítóról váltva működnek rendesen a funkciók. Készülék gombjait használva, egyel mellette levő funkciót alkalmazza a kiválasztottól. pl.: s-direkt gomb megnyomásával kikapcsolja a készülék magát vagy ha a Cd bemenetet választom akkor Tape-ra vált, mert ezek vannak közvetlen egyel balra a vezérlőpanelen. Később azt is észre vettem, hogy ha csak egy készülék pl. a cd van csatlakoztatva akkor azt nem csak a cd bemenetét választva halhatom, hanem szinte bármelyik bemeneten. vcr, sat, tape, dvd,stb. Próbáltam másik aljzatban vagy megfordítva 220-as vezetéket, de nem segített. Készülék fedlapját levéve nem találtam olyan jelenséget amire rá tudnám fogni a hibát, de én nem értek az elektronikához. Remélem sikerült körbeírnom a problémámat és valaki tud segíteni. Előre is köszönöm.
Minek helyetesiten ?
Emlékeim ez Hiraga, ha igen akkor ez már eleve helyetesitő Jó kis szerkezet, ha sikerül jól megépiteni
Ez nem Hiraga, ahogy CIROKL írja ez Canopus.
Nos azé kérdeztem, mivel helyettesíthetem, mert van egy marék kis teljesítményű tranyóm, és ez ilyen fiók üríős unalom űzés lenne.
Tudom, hogy könnyen beszerezhetőek, és filléres darabok, csak nincs kifejezett ismeretem kompatibilitás terén.... De köszönöm a választ
hapro: Nos nem emlékszek már honnan vadásztam, de van olyan sejtésem, hogy van köze a hiragához némileg. Meg ahogy látom a passzív alkatrészek értéke megegyezik, csak más a félvezető aparát... Gondolom régebbi kiadás
Obelisk hangszoros: A kapcsolást így mentettem, nem én neveztem át, ha téves a megnevezés, a feltöltő tévedett. A helyettesítést meg már megválaszoltam...
Ott van a lap alján, hogy canopus kapcsolás. A hang és technika folyóiratban volt. A Hiraga-hoz annyi köze lehet, hogy ez is és az is egy végfok.
De az vitathatatlan, hogy a két kapcsolás technika megegyezik. Amúgy meg mindegy hogy melyik.
Sziasztok. Ma hoztak javításra egy RX-800-at, hát meg is lepődtem, hogy sima BD-k vannak benne. Azt hittem valami komolyabb szerkezet, de nem , sima graetz puffer, két végfok modul, illetve két bekapcs késleltető aztán jónapot. Ami tetszik benne, hogy SMD elrendezése van, tehát a nyáklap a bordára van erősítve, és a fólia felfelé van, és onnan is vannak az alkatrészek, nagyon könnyű szerelni. Érdekes nagyon, még nem láttam ilyen elrendezést. Igazi ütni vágni való vég ez. Szerencsére pár BD250C-n kívül nincs nagyobb baja, így elsőre.
Szia köszi szépen sokat segittél miket raktál bel ha tudod leirnád mivel még első eősitőm igy pontosan nem tudom hogy mit hogy kell
és látom neked már ven az ienbe tapasztalatod és ha elmondanád én mitt egy kittet összeraknám elöre is köszi
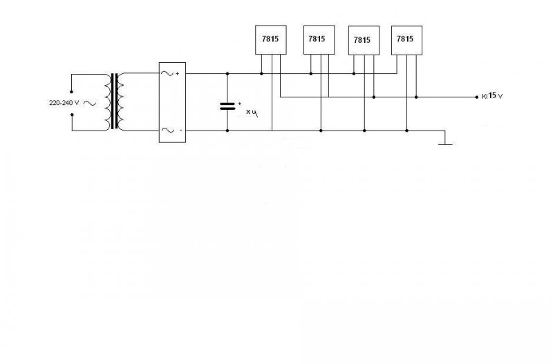
Hány voltról hajtanád? Én így oldottam meg a tápot és a mai napig működik (ott két tda2005 van hídba az sem rossz és még olcsó is és érzékenyebb a bemenete mint a 1554q -nak csak abból kettő kell a stereo hídkapcshoz) A kondenzátornak ha lehet nem ártana 6-8000 mikro de ha több az csak jó ,de kevesebbel is elmegy. Ezt az értéket el tudod érni több kondenzátor PÁRHUZAMOS bekötésével is ,ha úgy ál rendelkezésedre pl: 6db 1000 mikros vagy 3db 2200-as. ma még írok a többiről is de most mennem kell.
Én nem csinálnék ilyen stabilizált tápot... Felesleges.
Persze csak arra az esetre ajánlottam ha pl éppen egy 19 -35 v közötti trafó van a birtokában és az meghaladja azt a feszültséget amit az ic bir. Azért is kérdeztem ,hogy hány voltról vagy mivel hajtaná. Akinek én építettem (ezt a tápot) annak 28 V-os trafó volt de a végfok ezt nem birta volna.
Köszi szépen sokat segitesz a tápot én megcsinálom
mert nincs jo tápom ja és a táp nek a kapcsolási rajzáben mi az az xu bocs a sok huje kérdésért csak még kezdő vagyok.
Az x a kondenzátor értéke nem akartam konkrét értéket írni inkább a válaszba írtam. A másik nem u akarna lenni hanem a mikro jele.
látom csak nincs olyan gombom de nagyon köszi
A második képen fel van nyílva a fekete kondi!
Itt egyből nyákterv is van az ic -hez.
Hú, ez tényleg durva!
Az nem kondi hanem smd ellenálast raktam be(tudom ez így béna megoldás de vannak ilyen pillanataim). Egy kis kettéosztott nyákra forrasztottam az smd ellenálást és két alkatrészlábat aztán így forrasztottam a főpanelhoz majd és szigetelőszallagal is betekertem azt láttad úgy mintha kondi lenne. Az ajánlott előfok 100 k ohmos ellenálásait raktam be így (hirtelen csak smd -ben találtam ilyen értéket itthon.
Ja bocs nem arra gondoltam. Nincs amúgy felnyílva csak sajna bontott volt és a gyári cucon össze volt gyantázva. A mai napig is működik a panel. Ha gondolod lefotózom más szogből.
|
Bejelentkezés
Hirdetés |







és látom neked már ven az ienbe tapasztalatod és ha elmondanád én mitt egy kittet összeraknám elöre is köszi 




