Fórum témák
» Több friss téma |
Mielőtt kérdezel, a következő két dolgot ellenőrizd!
I. A helyes tápfeszültségek megléte.
II. A kimeneten van-e egyenfeszültség.
Élesztés.
Sziasztok!
Nagy szükségem lenne egy stereo- kvadro átalakító áramkör kapcsrajzra meg ha van hozzá dokumentációra, néztem már sok helyen de nemnagyon találok Másik kérdésem az lenne, hogy mc1312, mc1315, ésmc13414 ic-t hol a túróban lehet beszerezni, vagy honnan tudhatom meg h ezeket mivel lehetne helyettesíteni?? Előre is köszönöm a segítséget, a választ várom emailben.. csibeeee@freemail.hu
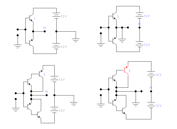
Szia a 400W-os erösítőben a tekercs 1mm-es huzalbol készül 10mm-es átmárőre 30menet, vasmag nélkül. A fetek vizsgálatához pedig csatoltam egy egyszerü kis kapcsolást, biztos van othon poti, pár led, meg ellenállások.
Heló mindneki! Segítsetek!
Az alábbi linken lévő előerősítő kapcsolást építettem meg, és gond van vele, 2 is: 1. Van ugye a 3 TL072. A szép színusz jel eljut a másodikig, aztután négyszög szerű jel jön ki rajta, akármilyen kicsi jelet is adok neki a hanggenerátorral. Ez lehet azért mert véletlen összekötöttem a 8 és a 7. lábát, mikor ott piszkáltam a mérőcsúccsal? Volt egy apró szikra, meg is ijedtem, nem füstöl-e mindjárt. Lehetséges hogy az egyik csatorna ettől meghalt? 2. A kimeneten (4. ábra a linkelt oldalon) van sorban egy 100 Ωos és egy 2,2ľF-es tag. Ez utóbbi milyen kondi? Fólia? Kerámia? Mert angolul ban ott írva, hogy polyester cap, ez melyik? A válaszokat nagyon köszönöm. Előfok Heló megint... Kicseréltem a TL072-t és azt tapasztaltam, hogy nem történt változás, ugyanúgy négyszögesíti a jelet, iszonyatosan torzul. A 2. ic után megint ugyanaz, az ic nem durrant el. Az ellenállások jó helyen vannak, a visszacsatoló ágakban is megfelelő értékek, lövésem sincs, mért csinálja...
Én kérek elnézést!
Am. meg nem tudom hogy te mekkora nagy disco "guru" vagy, de sztem azaz 1000W az rengeteg! Nekem egy párszor már a kezem között volt egy 300W -os erősítő és már az rengeteg! Még szabad téren is! Bár ha te ilyen Tiesto kaliberű ember vagy aki stadion méretű épületekben randalíroz akkor elismerem, hogy oda már kell! ... Am. ilyet énis tudok:
Koszi szepen a segitsegedet djloui
Van ellenallasom meg potim es ledem is,de hogyan mukodik az aramkor,meik led eg ha jo a tranyo,es meik ha nem?? Ja es mire valo a potenciometer az aramkorben??
Találtam itthon 2 darab 8ohmos 30 wattos dyras hangszórót, tda1554-es erősítőhőz használhatom vagy szerezzek be 4 ohmosakat????
Csaba! Ne vedd ezt nagyon a szivedre, nem all szandekomban megbantani, de mielott 400W meg 1000W-os erosito(ke)t epitenel szerintem jo lenne tisztaban lenni az alapveto eletronikaval, pl. hogy mukodnek a tranzisztorok, FET-ek stb. Mondjuk kezdhetnel egy egytranyos erositovel, hogy megismerd a mukodeset, aztan johetne egy nehany tranyos egyszeru vegfok es igy tovabb. A hozzaszolasaidbol nekem az derul ki hogy bizony van meg mit tanulgatni. Egy tobb 100W-os erosito bizony nem csak abbol all, hogy beultetjuk a NYAKot, raadjuk a tapot azt kesz. Szoval sztem legalabb annyiszor gondold meg ilyen erositok epiteset ahany wattosak
Es ezt jo tanacsnak vedd, ne biralatnak! Na sok sikert!
1000W
Már ne haragudj meg, de szerintem olcsóbban jössz ki ha veszel inkább egy ezrest mondjuk a t-amp tól. vagy egy használt castone-t. Elsőre ugysem épited meg ezt, ugy hogy müködjön is, szerintem kétféle ember van 1.-aki nézegeti a nagyobbnál nagyobb rajzokat hogy huuu de kafa, ezt megkéne épiteni ja de mi az a ptc??? 2.-aki tisztában van mit akar, milyen célra kell a cucc, rendelkezik kellő hozzáértéssel és nem az ára miatt épit. Ne vedd sértésnek amit irtam de ne egy ezressel kezd az erősitőépitést szerintem.
Hogyha sorba kötöd őket akkor 16ohm -ot kapsz belőlük, de ha párhuzamosan akkor csak 4ohm -ot kapsz!
)
Szia!
Jól értem, hogy a linkelt oldalon lévő előerősítő-hangszínszabályozót építed éppen? A "2. TL072" az lenne, ami az 1. ábrán a hangszínszabályozó körben van? Azaz ő jó jelet kap, a kimenetén már "négyszögesedik"?
Na de fiuk en azt irtam hogy irjatok arrol hogy ladtatok e mar olyan erositot,meg hogy hogy mukodik,mert en meg nem ladtam olyan fajta felepitesu erositot,es azt mondtam hogy regeben akartam volna megepiteni,nem pedig most
eszembe sincs! ,es ha te Doncso megekarnad epiteni azt az 1000rest teszemfel akor te tudnad hogy milyen termisztor is kell abba a vedelembe??En csak azt kernem toletek hogy magyarazatok el hogy hogy is mukodik egy ilyen erosito,mert szeretnem tudni!,nem pedig megepiteni!Ja es nem vagyok mar annyira kezdo mint ahogyan azt gondoljatok,jopar erositot magepitettem mar,csak most eppen nincs ithol egysem,mert eladtam mindegyiket.De ha nagyon akarjatok megnezhetitek a tegnapi KI MIT EPITET?hozzaszolasoknal,hogy mit epitetem,vannak kepek rola,onnan gondolom latszani is fog hogy nem vagyok mar anyira is kezdo.Igaz van egy jopar dolog amit meg megkel hogy tanuljak,es ezert is irkalok nektek hogy amivel meg nem vagyok tisztaban abban majd ti segitsetek,elvegre ezert van ez a Hobbielektronika forum vagy mi hogy segitsuk egymast,vagy nem???? Ha megsertetem valakit akor elnezest kerek!
Igen jól, érted, az összes ellenállás jó helyen van, a visszacsatolások jók, nem érnek össze a réz vonalak.
Jaja, az 1. ábrán a hangszínszabályzó kör utáni tl072 kimenetén közvetlenül már négyszöges, amit az utolsó fokozat csak felerősít, olyan mint egy komparátor, de nem annak építettem eredetileg
Kedves Csaba!
Én nem akartalak offolni, ha igy tünt akkor sajnálom! Nekem ugy tünt, hogy meg akarod építeni, mivel azt irtad hogy már régebben IS meg akartad épiteni, ebből gondoltam. Abban viszont igazad van hogy a fórum arra is van hogy segitsük egymást, de egy végfok müködésének leirása azért nem 3 mondat, szerintem. Bocs ha esetleg megsértettelek
ja és
Idézet: .......„Mondjuk azt hogy szoktam diszkot csinalni,meg szabadteri diszkokat is es arra kellene.Meg en szeretem ha az erositom nagyobb teljesitmenyu a difuknal,mert az erositot nem kell annyira kihasznaljam,es” Te ebből nem arra kövertkeztetnél hogy meg akarja épiteni????
Hali!nem vagyok megsertodve!
Azt a mondatot csak feltetelezes kepen irtam hogy arra kellene az erosito hogy csinaljak vele diszkot meg szabadterit,marmintha megepitenem,de nem akarom mert koltseges es nagy szakertelmet is kovetel,amivel en meg nem anyira rendelkezem. na meg nem is ertem hogy mi a mukodesi elve. De azert sejtesem van valami rola hogy hogy is mukodhet.
Lehet, hogy hülye kérdés, de a műv. erősítő + és - bemenetei nincsenek felcserélve véletlenül? Saját tervezésű a NYÁK, vagy valahonnan készen kaptad?
Én elsősorban elkötésre gyanakodnék, mert ennek a kapcsolásnak illene működnie.
Saját készítésű, holnap lefotózom és felteszem. Nem cseréltem fel a tápot, és mindegyik ic megkapja a +-15V-ot, épp ezért nem értem, nem tudok rájönni a hiba okára.
Szevasz.
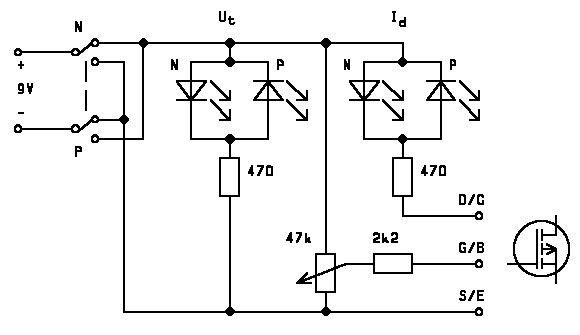
Annak a szutyoknak a működési elvében semmi pláne nincs. Gondolom a sima "emitterkövetös" végfokot ismered. Ennek egységnyi erősítése van. Gondolom hallottál már arról, hogy az emitterkövető is visszacsatolt fokozat. Úgy lehet megbontani a visszacsatolást, hogy földelt emitteres fokozatot csinálunk az emitterkövetőből, (az áramköri viszonyítási pont GND, kimenetre rakásával.) Itt is ez történik, hogy egy műveleti erősítő kimeneti jele elég legyen a teljesítmény fokozat kivezérléséhez. Rajzoltam egyszerűsített rajzot a könnyű megérthetőség végett. Annyi itt a poén, hogy a végfokozat nem emitterkövetőnek, hanem összetett emitterkövetőnek (kompozit végfok) tekinthető, amiből "földelt emitteres" kompzit kapcsolást csinálunk az emitter hidegítésével.
Jah elfelejtettem mondani mit láttam az oszcilloszkópon.
A 2. IC bemenetéig tökéletes a színusz jel, miden alkatrészen ami előtte van, látszik, hogy nagyobb az amplitudó. A 2. IC kimenetén, mindekét csatornán (7-es és 1-es láb) majdnem hogy ideális négyszögjel jelenik meg. Ez egészen a 3. IC kimenetéig marad. A 3. IC után, az egész előfok kimenetén jön az érdekes dolog, mikor már a hangerő potméter is belejátszik a kimenőjelbe. Ez a kimenőjel olyan, hogy az alja színusz, apró alig látható felharmónikusokkal. A teteje olyan, mintha egy vágóáramkörön jönne ki, levágja a pozitív félperiódus egy részét. Akármilyen kis bemenőjelet adok neki a generátorral, mindig torzít. És a legfurcsább dolog: Van a két csatorna (R,L) az egyikre, pl Right-ra kötök jelet. Ilyenkor a Right kimeneten a fent leírt vágott színusz van. DE! A Left kimeneten, amire még nem kötöttem semmit, nagyon szép négyszögjel van. Ez már nekem sok. Sehol nem ér össze most ellenőriztem 8adszor. Jövőhéten kipróbálom, hogy mi van akkor, ha mindkét bemenetre adok színuszt. De addig is nincs valakinek valamilyen ötlete?
Mostmar ertem hogy hogy is mukodik az az erosito.Koszi szepen Kd mester hogy segitettel a megerteseben!
mostmar legalab ezel is tisztaban vagyok.
Szerintem az r117-r118 illetve az r119 komplexum úgy ahogy van kisöntöli a hangszínszabályozó részt .
Azt valahogyan iktasd ki belőle mert ez így nem fog semmit sem csinálni neked csak torzítást mivel a mélyhangszabályozó komplexum sorosan durván 150K lehet (de most úgy saccra) amit a kimenet és a bemenet közé kötött r117-118 amik összesen 8,4k-t képviselnek kisöntöli.Ennyire gyagyás megoldású hangszint még nem láttam.Azt én értem hogy azzal hogy azokat az alkatrészeket beleteszi mit akart a szerző de ez így nem járható út.
Közben szétnéztem az adott helyen és megtaláltam azt amire én gondoltam : Ez az
Az első kép pont azt ugyanazt az eq részt mutatja csak azok a sallangok nélkül. Idézet: „Szerintem az r117-r118 illetve az r119 komplexum úgy ahogy van kisöntöli a hangszínszabályozó részt” Igen, legalábbis zárt kapcsolóállás mellett. Mivel pont erre való! Ezért hívják Defeat-nek! Csakhogy ez nem okozhat négyszögesedést, mivel ez csak a lineárishoz viszi közel az átvitelt! Idézet: „csak torzítást mivel a mélyhangszabályozó komplexum sorosan durván 150K lehet (de most úgy saccra) amit a kimenet és a bemenet közé kötött r117-118 amik összesen 8,4k-t képviselnek kisöntöli.” Eh, dehogy is! Már hogy okozna torzítást? Azért, mert 9,4 k-ra csökken az impedancia? Ugyan már! Ennyi erővel egy sima 1-szeres erősítésű invertáló erősítőnek is torzítnia kellene 4,7k-s ellenállásokkal! Pedig nem torzít. Nincs ezzel a kapcsolással semmi baj, ne kavard meg szegény kérdezőt! ESP honlapja a nagyon kevés megbízható kapcsolási rajz források egyike! Idézet: „Nincs ezzel a kapcsolással semmi baj” Idézet: „nagyon kevés megbízható kapcsolási rajz források egyike!” most akkor, jók a kapcsolások, csak nem lehet benne megbízni?
Sziasztok!
Nagy szükségem lenne egy stereo- kvadro átalakító áramkör kapcsrajzra meg ha van hozzá dokumentációra, néztem már sok helyen de nemnagyon találok Másik kérdésem az lenne, hogy mc1312, mc1315, ésmc13414 ic-t hol a túróban lehet beszerezni, vagy honnan tudhatom meg h ezeket mivel lehetne helyettesíteni?? Előre is köszönöm a segítséget
Helló!
Szeretnék egy cikket írni a kapcsolások rovatba a B5-ös és B7-es erősítőről. Namost az OK, hogy tudok témát nyitni a fórumba, de nem tudok cikket írni a kapcsolások rovatba. Nics ilyen, hogy új kapcsolás v. cikk nyitása. Az lenne a kérésem, hogy valaki tudna segíteni ebben, hogy hogyan kell?
Hali!
Bal oldalt fent, a sajat menuben van egy "Tartalom szerkesztes". Arra kattints es kozepen megjelenik egy kis menu szeru cucc ... tudod, ilyen tabos dolog. Ott kivalasztod a kapcsolasokat es kattints az uj kapcsolas letrehozasara. Remelem erthetoen irtam le valamennyire
Kösz szépen lamalas!
Végre megírhatom a cikket. Holnap neki is látok és végre megírom. (Sajna mióta szóban mondtad, azóta már csak a bal felső sarok maradt meg bennem, de ott nem találtam semmi különöset. ) |
Bejelentkezés
Hirdetés |





Es ezt jo tanacsnak vedd, ne biralatnak! Na sok sikert!
)
eszembe sincs!
,es ha te Doncso megekarnad epiteni azt az 1000rest teszemfel akor te tudnad hogy milyen termisztor is kell abba a vedelembe??En csak azt kernem toletek hogy magyarazatok el hogy hogy is mukodik egy ilyen erosito,mert szeretnem tudni!,nem pedig megepiteni!Ja es nem vagyok mar annyira kezdo mint ahogyan azt gondoljatok,jopar erositot magepitettem mar,csak most eppen nincs ithol egysem,mert eladtam mindegyiket.De ha nagyon akarjatok megnezhetitek a tegnapi KI MIT EPITET?hozzaszolasoknal,hogy mit epitetem,vannak kepek rola,onnan gondolom latszani is fog hogy nem vagyok mar anyira is kezdo.Igaz van egy jopar dolog amit meg megkel hogy tanuljak,es ezert is irkalok nektek hogy amivel meg nem vagyok tisztaban abban majd ti segitsetek,elvegre ezert van ez a Hobbielektronika forum vagy mi hogy segitsuk egymast,vagy nem????
Ha megsertetem valakit akor elnezest kerek!

) 




