Fórum témák
» Több friss téma |
Mielőtt kérdezel, a következő két dolgot ellenőrizd!
I. A helyes tápfeszültségek megléte.
II. A kimeneten van-e egyenfeszültség.
Élesztés.
Szia! Építettem TBA810-est, tapintatosan fogalmazva: nem jött be
Itt a hangfalrol a kép.
Csak gyárilag nem tudom mi volt rákötve.
Ezt egy (szokatlan formájú) szubládának nézem. Hallgattad már valamiről?
igen halgatam tda1552q val hajtotam meg. Mélyet azt nagyon jól vágja igaz nics benne hangváltó.
TV, házimozi mélynyomónak tippelem. A TDA1552q jó is hozzá.
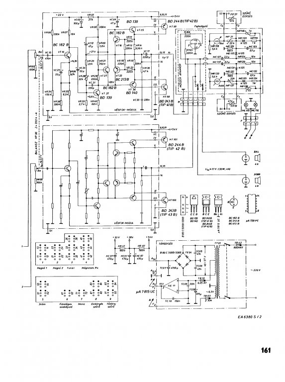
Üdv. Van egy videoton erősítőm. A végfok panelen cseréltem az összes félvezetőt. Most a két "főtranzisztort" kell beforrasztani. Ott a gond h a gyári tranyója volt benne idáig és most BD249c-250c páros megy bele. Melyik tranzisztort hova forraszam?
Sziasztok. Találtam egy egyszerűnek tűnő kaplocsást. Szeretném megkérdezni hogy mi a véleményetek róla? Valóban képes 400wattra? Ez a tranzisztor páros? +-30 volton? Alink is itt van leírással:
http://www.electechlab.com/audio/400W-Power-Amplifier--quot-Safari-...9.html +kép csatolva. Előre is köszi.
Ez csak +30V, aszimetrikus. 400?, jó ha 40W.
Szimmetrikus.
Tényleg az csak a linkeltet néztem és ott ki van takarva ...
de 400W akkor sincs.
Én is befigyeltem először. Szerintem is kb 40-50w. Vicces az oldal
A 22W-ot mérted, adatlapban olvastad, vagy hallatszik, hogy a hangszórónak sok? Sajnos a 18W felirat nem tudni milyen jellegű teljesítményre vonatkozik. Elsősorban a füledre kell apellálni
Hú, moust, hogy emlitetted ránéztem kicsit az oldalra. Ez veri a BSS-t.
Köszi mindent. Én is mindjárt gondoltam hogy +-30volton ráadás 1pár végtranyóval :S nevetséges. Azért a 400w az 400 watt
Bezony ám
Na ez a másik
Rajz szerint felülre a BD250-et, alulra meg a BD249-et.
A pozitív tápfeszültséghez a p-csatornásat, a BD sorozatnál a párosok, pl. BD250.A negatív tápfeszültséghez, n-csatornást,páratlanok pl. BD249.
Szia! Egy hasonló vidi: Bővebben: Link!
Sziasztok!
Segítségre lenne szükségem. Keresem kis hazánkban azt az elismert szakembert (mérnököt) aki a legnagyobb tudással rendelkezik az audió technikáról (autóhifiről is) elméleti síkon. Szakmai támogatásra lenne szükségem. Aki ismeri ezt az illetőt azt kérem, hogy írja meg nekem nevét (és az elérhetőségét is ha tudja) valamelyik emailcímemre. Mindenkinek köszönöm a segitséget. Ui: Saját magadat is ajánlhatod!
Szia! Ezt a rajzot néztem, logikusnak tűnt.
Más topológia. A vidi-s témában is fenn van a kérdés válasszal és ellen-válasszal
sziasztok
Építettem egy erősítőt ,propbléma hogy zúg, mint a rádió mikor nincs adás. képet mellékeltem, a bd907,908 helyett bd249,250 használtam Egyébként szól de zavaró a zaj
Üdv. Van egy kis gondom. Mellékeltem a videoton végfok modulját. A két tranzisztort BD249c-BD250c hova forrasszam be őket?
Szia
+ tápfeszen az npn (249c) - tápfeszen a pnp (250c). |
Bejelentkezés
Hirdetés |

















