Fórum témák
» Több friss téma |
Igen az kelleni fog,mert ott TTL szintű jelek vannak(0,5V).A szintillesztő viszi fel 232-es szintre,azt kell majd az usb-sorosra kötni.Jaja telnet,Putty,stb
A hozzászólás módosítva: Aug 28, 2016
Telnet helyett inkább Hyperterminal lesz a jó választás.
Mondjuk ilyen kész illesztő is van itthon. Nade az SW része az nekem zéró.
Foglalmam sincs hogy kell használni, és foglalmam sincs milyen értékeket kell nézni, és hogy mit jelentenek.
Sajna a LIN-nél(ha ez az) folyamatosan kell nézni az adatokat,mert nem tudni,hogy mennyi egység van a hálózaton.Ha tudnád a kijelződ(címét) akkor hamar meg lehetne oldani.Sajna cím hiányában figyelni kell a forgalmat,és abból rájönni,hogy melyik szól a kijelzőnek.
Szevasztok!
Kaptam néhány SMD alkatrészt: ez pl. mi, BH S46 kis 3 lábú? Valamint PIC 12F675, ez mihez lehetne jó?
Folyamatos adat nézés nem gond. (Notebook a motoron, hátsó kerék levegőben. Ha értenél ehez, es tudnal segiteni, atmehetnenk valami rs232 topicra.
Közben találtam egy ilyen hasznos oldalt.
Bővebben: Link Az elején mutatja hogy kapcsolja soros portra. A motorbol jön a K-line, abbol pedig a Tx és Rx. Azt nem értem, hogy miért megy a nagy ICbe a receive láb is? Idézet: „Azt nem értem, hogy miért megy a nagy ICbe a receive láb is?”
Nem ismerem a soros komunikációt, de ha az a kijelző csak a kapott értéket jelzi ki, akkor miert van ott a ,,küldő,,láb is?
A kis átalakitóbol kimegy a tramsmit labon az adat, nagy IC vegye, feldolgozza, és kész ![]() Azthittem így müködik ha nincs szükség oda-vissza kommunikációra.
Ráismertem, ez egy SMD PIC; adatlap megnézve, de nem jut eszembe semmi, amihez jó lenne. Esetleg láttam már valamiben, valahol?
Na ma este,vagy holnap reggel utánanézek ennek amit linkeltél,hátha jutunk is valamire
![]() Amúgy nem olyan nehéz a soros kommunikáció,mert hardveresen meg van oldva.Ha jól van összetéve a kütyü a soros-usb átalakítóddal,akkor terminálon majd küldi ki az adatokat.Amúgy tény,hogy a kijelződ,csak kijelez infókat,de a kommunikáció megkövetelheti a nyugtázást,így ő is küld ki valamit,ezért kellhet az RX mellett a TX-is.
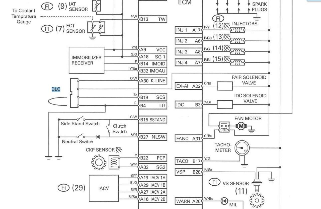
Az egészből csak az az érdekes, hogy csatlakoztatja motort a gépre. Az OBD (DLC) K-line ágán keresztül jön az adat. Ez a raj az én motoromról. Látni, hogy ott is van ugyanilyen. Hozzá kell illeszteni csak ez az átalakítót. Monduk nekem ilyen optocsatolóm nincs, sem olyan IC-m, de meg leeht oldalni tranzisztorral is. Érdekes, hogy van egyszerű, és bonyolultabb is..
Bővebben: Link Működhet a nagyon egyszerű is?
Nincs ötletem, mert úgy gondolom, nem túl bonyolult dolgokhoz lenne csak jó. Pl. Nixie órához, Vagy LC műszerhez kevés. Meg azok már meg vannak szerkesztve más nagyobb tudásúra itt a fórumon is. (Nálam még nem, bár minden van hozzájuk, csak idő nincs.) Különösen, hogy alig látom ezeket.
Köszönöm, ez az alkalmazkodó szürkületkapcsoló jó ötletnek látszik. A csatlakoztatható memóriák, vagy a sajátja?
Üdv!
Ezt mire használták? Nem találtam róla semmit. Tele van IC-k kel, ellenállásokkal ( és lehet ,hogy arany csatlakozókkal?)
Nekem bemenet választó mátrixnak tűnik, ami 4 kimenetre 8 bemenetet tud kapcsolgatni.
(pl: 1 az 1-re, 2 a 2-re, 3 a 3-ra, 4 a 4-re, de akár az 1-et mind a 4-re, vagy 8 az 1-re, 7 a 2-re, 6 a 3-ra és 4-re stb.)
Üdv!
Tudnátok segíteni, hogy a képeken látható időreléhez való foglalatnak mi a hivatalos neve?
Szerintem a KR11-es relékhez való foglalat jó hozzá. Keresd úgy.
Van nekem is, csak a tranyós verzió.
Csak egy jó program hiányzik még, amivel ki tudom használni.
E34-hez lenne. DIS-t próbáltam, de kellene valami tuti telepítési leírás, mert már többet találtam, de nem sikerült még működésre bírni.
Keress meg privátban,ha érdekel.
Szerintem tudok segíteni.
Sziasztok! Beszereztem egy ilyen i2c illesztőt. A gondom az, hogy nem tudom eldönteni melyik oldal az öt illetve a 3 voltos. A feliratok csak a illetve b vcc, scl, sda. Nomeg a gnd. Bocs a kép minőségért.
Itt van egy kis leírás róla.
Ebből azt hámozom ki, hogy az A az 5V, B a 3V3. A hozzászólás módosítva: Szept 5, 2016
Köszi! Nekem a gugli faggatása nem hozott ennyi eredményt. Azért a táp bekötése után megpróbálok valami tesztfélét. Nem szeretném sem a kedvenc picemet sem a málnámat az örök elektronvadász mezőkre küldeni.
|
Bejelentkezés
Hirdetés |






















