Fórum témák

» Több friss téma
Fórum » Ez milyen alkatrész-készülék?
 
Témaindító: csaby, idő: Dec 25, 2005
Témakörök:
Lapozás: OK   881 / 1203
(#) pucuka válasza blasz hozzászólására (») Nov 11, 2018 /
 
Persze. Az LM741C például a TI -nél -55 - +125°C hőmérséklet tartományt jelent. Azért ez nem piskóta dolog.
Nézegesd csak több gyártó adatlapját.
A hozzászólás módosítva: Nov 11, 2018
(#) blasz válasza pucuka hozzászólására (») Nov 11, 2018 /
 
Köszönöm.
(#) qvasz2 válasza blasz hozzászólására (») Nov 12, 2018 /
 
Jó lesz az 200-nak is: Bővebben: Link Bővebben: Link
A hozzászólás módosítva: Nov 12, 2018
(#) blasz válasza qvasz2 hozzászólására (») Nov 12, 2018 /
 
Szia én csak itt néztem https://hqelektronika.hu/termekek/?keres=lm741&skat=[/url]
A hozzászólás módosítva: Nov 12, 2018
(#) pucuka válasza blasz hozzászólására (») Nov 12, 2018 /
 
Gondolom, nem valamiféle járműbe (autó, tank, repülő, űrrakéta, műhold) kell beépítened.
(#) lóri válasza blasz hozzászólására (») Nov 14, 2018 / 1
 
Itt a hestore-ban 74 Forintocska a 741-es.
(#) proli007 válasza lóri hozzászólására (») Nov 14, 2018 / 2
 
És tegyük hozzá, ránézésre bőven megfelel abba az áramkörbe, ahova egy faék is elmenne..
(#) dobanandras hozzászólása Nov 18, 2018 /
 
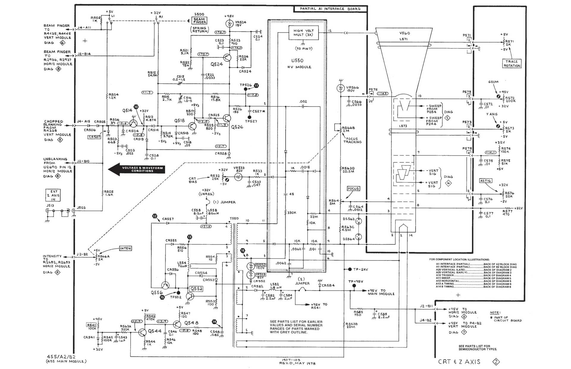
Sziasztok Azt szeretném megkérdezni ,hogy mivel lehet helyetesiteni a kepen lathato kondenzatort. Capacitor Plastic 1200pF, 4000VDC 10% Sprague Type 430P522, Tektronix Part # 285-1040-00

Es meg ezt is.Capacitor 0.0068µF ( 6800 pF ) 4KV Erie CM SeriesTektronix Part # 283007100
Koszonom
A hozzászólás módosítva: Nov 18, 2018
(#) Sebi válasza dobanandras hozzászólására (») Nov 18, 2018 /
 
Minden adat ismert, ennek alapján kell keresni. Nyom nem látszik rajtuk, miből gondolod, hogy hibásak? Elég nehézkes beszerezni, kapcsolóüzemű tápok zavarszűrőiben az Y-kondik 4-5kV-osak, szerencsével lehet 6,8nF-ost is találni (3,3...4,7nF szokott ott lenni).
(#) dobanandras válasza Sebi hozzászólására (») Nov 18, 2018 /
 
Ujra kell epitsem.A modul U550 A kapcsolasi rajzon.Gyantaval le van ontve.
(#) Sebi válasza dobanandras hozzászólására (») Nov 18, 2018 /
 
A Junost 401 fekete-fehér kis TV sokszorozója mehetne oda, az is 3-szoroz.
A hozzászólás módosítva: Nov 18, 2018
(#) dobanandras válasza Sebi hozzászólására (») Nov 18, 2018 /
 
Ezz nem lenne gond.Az a baj hogy a modulban meg vannak mas alkatreszek hibasok.
(#) dobanandras válasza dobanandras hozzászólására (») Nov 19, 2018 /
 
Akkor az egyik lehet polipropilen,a masik keramia?
(#) Gránátalma hozzászólása Nov 19, 2018 /
 
Sziasztok!

Hangkártyám bemenetén tlaálható egy TO92 szerű tokozott alkatrész, viszont annál valamivel kisebb, csapottabb.. Furatszerelt.

A felirat rajta: 39546F
Meg tudná nekem mondani valaki mi lehet ez?
Bővebben: Link

A csatolt képen a két BC560 kmellett látható kis alkatrész az.
(#) Sebi válasza Gránátalma hozzászólására (») Nov 19, 2018 /
 
Japán gyártmányú tranzisztor - Hitachi, vagy Toshiba - ők szerették főleg ezt a tokozást.
Ha megméred, kiderül. A lábkiosztás a felirat felől nézve: E-C-B.
(#) Gránátalma válasza Sebi hozzászólására (») Nov 19, 2018 /
 
Valóban úgy néz ki, BE nyit 451mV,
CE nyit 731mV
Köszönöm!!

Honnan lehetne ilyet szerezni?

Az a gondom, hogy meg lett kicsit tolva a kártya bemenete, így INStrument állásban túlvezérlődik nagyon hamar. Szkópon szépen látom itt a klippet. A BC560 bázisán is. Kiegyenesedik a szinusz csúcsa.
A hozzászólás módosítva: Nov 19, 2018
(#) Sebi válasza Gránátalma hozzászólására (») Nov 19, 2018 /
 
Próbaképp oda is tehetsz valami BC-t, hogy kiderüljön ő-e a hibás. Nem lehet annira különleges fajta, legfeljebb kis zajú típus. Persze csak tipp - rajz nélkül...
(#) Gránátalma válasza Sebi hozzászólására (») Nov 19, 2018 /
 
Sajna nem találok semmiféle rajzot róla. Annyit tudok amit kimértem multiméterrel.
Bár megmondom az őszintét nem tudom hol keresnek az emberek service manualokat, csak a google-el tudok operálni (amúgy tascam us-2x2 usb kártya) Már írtam a supportnak is, de érdemben nem tudnak segíteni távolról.

Jut eszembe. A Line bemenetnek látszólag nincs baja, az nem klippel. Ugyn az a csatlakozó, csak egy kapcsoló vált át. Miután ezen a tranzisztoros történeten átmegy a jel, egy NE5532A kapja meg, ahol szintén klippel a jel. Lehetséges, hogy az ő FET-es bemenete szállt el és bolondítja le a tranzisztoros fokozatot? A tranyókat annyira nem érzem érzékenynek, ellenben a FET-ekkel.
A hozzászólás módosítva: Nov 19, 2018
(#) Sebi válasza Gránátalma hozzászólására (») Nov 19, 2018 /
 
5532 nem FET bemenetű, csak kiszajú típus.
(#) Sebi válasza Gránátalma hozzászólására (») Nov 19, 2018 /
 
Lehet, hogy a gain control résznél szállt el valami.
(#) rascal válasza Gránátalma hozzászólására (») Nov 19, 2018 /
 
Service manual lelőhely: Elektrotanya
(#) Gránátalma válasza Sebi hozzászólására (») Nov 19, 2018 /
 
A Gain controll közös IC a két csatornén, illetve az instrument és Line vonalon. Egy JRC 072B (=tl072?) OPA-ra megy. Egy próbát megér, tl072 van itthon SMD kivitel, holnap lecserélem, aztán majd rendelek bele JRC-t.
(#) Pixi hozzászólása Nov 20, 2018 /
 
Sziasztok,
Időjárás állomásban a 3 lábú 7330A feliratú tranzisztor forma alkatrész mi célt szolgál a betápon? Közvetlen az elemek pozitív oldalán van.
Köszi!
(#) vargaf válasza Pixi hozzászólására (») Nov 20, 2018 /
 
LDO 3,3 V feszültségszabályozó
A hozzászólás módosítva: Nov 20, 2018
(#) Pixi válasza vargaf hozzászólására (») Nov 20, 2018 /
 
Köszi, erre gondoltam, de abból csak a 7805 és társait láttam eddig. Köszi!
(#) lelkes amatőr hozzászólása Nov 20, 2018 /
 
Egy inverterben szerettem volna tranzisztort cserélni, találtam a fiókban BD901 feliratut.
Megnéztem teszterrel, hogy jó-e, a videón látható dolgot kaptam eredményül. Vagy NPN vagy PNP, attól függ honnan nézem.
Biztos van rá valami magyarázat amit én nem tudok. Segítsen valaki értelmezni. (na meg az a védő-dióda honnan jött be a képbe?)
A hozzászólás módosítva: Nov 20, 2018

BD901.mp4
    
(#) kadarist válasza lelkes amatőr hozzászólására (») Nov 20, 2018 / 1
 
Ez egy Darlington-tranzisztor, csomó beépített kiegészítővel. Teszterrel nehéz kimérni... Bővebben: Link.
(#) proli007 válasza lelkes amatőr hozzászólására (») Nov 20, 2018 /
 
Hello! Van adatlapja is..
(#) lelkes amatőr válasza kadarist hozzászólására (») Nov 20, 2018 /
 
Kösz a választ meg a linket.
Akkor ez most NPN vagy PNP?
A linken azt írja: NPN darlington, de a bekötésénél PNP rajz van.

BOCS. kinagyítottam a képet, már látom, hogy NPN.
A hozzászólás módosítva: Nov 20, 2018
(#) lelkes amatőr válasza proli007 hozzászólására (») Nov 20, 2018 /
 
Igen, azt megtaláltam én is, csak a kimérésnél bizonytalanodtam el.
Következő: »»   881 / 1203
Bejelentkezés

Belépés

Hirdetés
XDT.hu
Az oldalon sütiket használunk a helyes működéshez. Bővebb információt az adatvédelmi szabályzatban olvashatsz. Megértettem