Fórum témák
» Több friss téma |
Hali!
Jel: Idézet: „az alaplapi hangkártyán elvileg csak Left, Right, GND” Left, Right egyértelmű - gondolom. GND -t a S.G -re (Source (jelforrás) GND) Táp: Az IC adatlapja szerint a tápja +-18V lehet, tehát elvileg a +-8V -ra rákötheted. (ELVILEG! Nem garantálom!) A PC Táp GND -t a P.G -re. (Power GND) A Mute némításra szolgál, ha használni akarod, próbálj rákötni +5V -ot. Ha azzal működik a némitás, használd úgy, ha nem próbáld meg a +12V -ot Üdv!
Sziasztok!
Sennheiser HD555-höz szeretnék építeni valami kis füles erősítőt. 50 Ohm-os füles és vmi audiophile szerelést kéne készíteni hozzá. Kérdésem, hogy milyen müv. erősítőt ajánlotok hozzá? Nézegettem talán OPA134 v. NE5534 vagy esetleg tudnátok valamit javasolni? Tapasztalatok? Köszi a válaszokat!
Hello mindenki!
Az erősítős témák közt nem találtam ehhez kapcsolódót ezért nyitottam meg ezt. Van egy somogyis fejhallgatóm amit nem bír meghajtani az mp4-em. Folyamatosan keresek én is de eddig nem sok sikerrel ezért ha tud valaki egy olyan erősítő kapcsolást ami 100mW-ot erősít és kicsi akkor írja le ide. Előre köszi mindenkinek.
Sziasztok!
Az alábbi fejhallgató erősítőt megépítette már valaki? Elég szimpatikus. Mi a véleményetek? Audiofil fejhallgató erősítő
Sziasztok! Egy kérdésem volna a Topi által közölt kapcsolással kapcsolatban. A C4-es kondenzátor értéke (gondolom) 0.1 uF, de ilyen kondit nem
találtam a HQ Video -nál sem, csak elkó volt ilyen értékű, de az gondolom nem jó oda, mival a rajzon kondi van. (SZERINTEM )Ezt esetleg milyen kondival lehetne helyettesíteni? köszi a választ, radiomano
100 nanofarádos fóliával...(ha kerámia van otthon, az is jó)
Az nem számít hogy polarizálva vagy nincsen...
sziasztok!
50ohmos fülesem van ehez szeretnék egy jobb minőségű kis erösitőt pár W-tal! ha valaki tud ilyet kérjem írjon nekem! köszi előre is ! üdv dmsv
Hello!
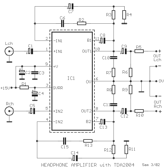
Segítséget kérnék. Megépítettem egy fejhallgató erősítőt TDA2004-es IC-vel. Sajnos, nem sikerült, valamikor teljesen jól működik, valamikor össze-vissza csattog, máskor meg meg se nyikkan.... (A bootstrap láb mire való?) Valaki épített már ilyet? Működött? Köszönöm
A leírásod alapján kissé kontakthiba vagy rövidzár gyanúsnak tűnik. Nézd át szerintem mégegyszer a nyákot, hátha meglesz a hiba.
Hogyan lehetne a az alaplapi hangkártya (alaplap: ABIT KN9 Ultra, hangkártya: Realtek HD audio) S/PDIF kimenetét fejhallgató meghajtására használni?
Kozvetlenul sehogy. Erre a kimenetre egy D/A konverter utan lehetne egy fejhallgato erositot csatlakoztatni, igy megoldhato a dolog. De miert nem jo a hangkartya vonal szintu kimenete neked? Ahhoz is szukseges egy fejhallgato erosito, bar sok olyan hangkartya van ami a szokasos fejhallgatokat meg is hajtja.
Alapvetően jó, csak azt hittem sokkal egyszerűbben lehet az s/pdif-ből fejhallgató meghajtására is alkalmas jelet csinálni.
Sziasztok!
Milyen erőstőt ajánlanátok 600 Ohmos 88 dB érzékenységű fejhallgatóhoz? Gondolom OTL csöves lenne célszerű (szívesen kipróbálnék egy ilyet), de először talánfélvezetős megoldások érdekelnek.
Látom ez az alacsonyabb impedanciás cuccokat is szépen meg tudja hajtani, de nekem elég lenne a 600 ohmot ha tudja, sőt, lehetőleg itt illesztett legyen, ezért gondoltam csövesre.
Sziasztok! Találtam a majki.freeweb.hu oldalon egy fejhallgató erősítőt. Meg szeretném építeni és műveleti erősítő tesztet. Vettem tl082. ne5532, tl072, és opa2134 es műv. erősítőt. Ezek közül az opa kostált sokat. Szeretném tudni, hogy tényleg megéri e az árát. Namost a adatlap szerint tényleg cserélgethetem ezeket? Van egy urbános keverő egységcsomag, abba is 082est ír, azt is cserélhetem? Alapban a füles erősítőhöz ne5532-t ír.
Köszönöm Szabolcs
Igen lábkiosztás szerint kompabilisek ha ez volt a kérdés. :yes:
Hali!
Átolvasgattam a témát, és az elején láttam ezt a TEA2025-ös IC-t. aminek az adatlapjában szerepel egy kapcsolás. Ezt szeretném megépíteni. Milyen minőségű hangot adhat ki ez a kapcsolás? Vagyis ront-e észrevehetően a bemenő hangminőségen?
Ja és még arra lennék kiváncsi, hogy a bemenetnél az ellenállásoknak milyen szerepük van és milyen értékűek...
Szia!
Megnyugtatlak, hogy az OPA 2134 jó vétel volt a füleserősítődbe, én is ilyennel, illetve OPA 134-gyel építettem (ugyan az szimplán) és nagyon kellemesen muzsikál.
Ki kellene próbálni. Mennyiért dobálják?
LM 386 smd-vel már építettem "Headbanger" féle füleserőlködőt. Az nagyot szól, de hallható a zaja, és eléggé színez is sajnos. Bár van aki azt szereti.
Sziasztok!
Én is gondolkodtam fejhallgató erősítőn. Egy Sennheiser HD415-öst kéne meghajtania. Eddig csak a hárombyte féle FH-3 at építettem meg, de az sajna 220-as, meg nagy is. Előkerült az OPA2134 IC. Azt olvastam, hogy jó. Igazából a neten keresgélve találtam rá erre: CMOYNekem azért szimpatikus, mert retenet egyszerű és elmegy 1 v. 2 9V-os elemről. A véleményeteket szeretném megkérdezni róla. Elsőként gondoltam tesztverziót építek NE5532-el, bár az OPA2134 annyira rettenetesen nem drága (650HUF) és 2 csatornát kiszolgál. |
Bejelentkezés
Hirdetés |




Kapok pontot?
)






