Fórum témák

» Több friss téma
Fórum » Feszültségmérő átalakítása
 
Témaindító: csikosgabi, idő: Szept 30, 2006
Témakörök:
Lapozás: OK   2 / 5
(#) deniel hozzászólása Nov 17, 2006 /
 
Sziasztok!

Megépítettem a feszültségmérőt, de nem müködik teljesen jól:

Ha nem mérek vele semmit, akkor -1888 a kijelzés, ha mérek akkor se változik.

Ha csavarhúzóval összeérintem az IC 1es lábát a kijelző felé menő +5V-os ágával, akkor már müködik, azonban a - jel továbbra is világít.

De ez a furcsa, hogy a +5V-os ág közvetlenül rá van kötve az IC 1es lábára, már kivettem a diódákat, de csak akkor jó ha egy vezetékdarabbal összeérintem.

Szerintetek mi lehet a hiba?

Remélem érthető vagyok.

Deniel
(#) szabi83 válasza deniel hozzászólására (») Nov 17, 2006 /
 
háát nem nagyon értem, tegyél fel képet a cuccról, nekem szépen müxik!

üdv
(#) deniel válasza szabi83 hozzászólására (») Nov 17, 2006 /
 
Közben megoldódótt.

Az IC nem volt teljesen belenyomva a foglalatba.

Deniel

PB170133.JPG
    
(#) deniel válasza deniel hozzászólására (») Nov 17, 2006 /
 
Neked, ha nem mérsz semmit beáll 0-ra?
(#) Krisz03 hozzászólása Dec 31, 2006 /
 
Hali!
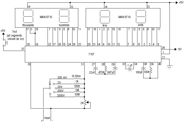
Megépítettem én is ezt a feszmérőt, de a csatolt rajz alapján. Adtam neki +-5V-ot, ekkor egy pillanatra felvillant a -1666 (érdekes, nem -1888, pedig minden szegmens jó és be is van kötve), majd néha 1-et, néha -1-et, néha össze-vissza számokat ír ki. Ezután rátettem egy AA akksit, majd egy laposelemet, de egyiket sem tudta megmérni, csak 1-et vagy semmit sem mutat.
Régebben a Topi-féle kapcsolást is megépítettem, de nem működött rendesen, meg egy idő után az IC bal alsó sarka (1-es láb környéke) el kezdett melegedni.
Most ugyanazt az IC-t használtam, lehet, hogy az a gond, hogy már régebben megzakkant? Bár próbáltam mérni rajta, de egy új IC-vel összehasonlítva nem találtam eltérést.
Akkor mi lehet a gond?
Krisz
(#) Krisz03 válasza Krisz03 hozzászólására (») Jan 1, 2007 /
 
Sikerült kijavítanom a hibát! Az IC rossz volt, és egy 3. kapcsolás szerint építettem össze (1. csatolmány). Nagyon jó, pontos is, bár akad 1-2 szépséghiba (azon kívül, hogy még csak próbapanelen működik): ezekkel az alkatrészekkel (30-31 között 10k) 200V a méréshatár, de ha pl egy laposelemet mérek, akkor egy 0-t rak a mért érték elé (3. csatolmány). Ha pedig 20V-ra állítom a méréshatárt (30-31 között 100k), akkor nem tudom megmérni a 12V-os akksit, mert valami 8V-ot mutat (jó az akksi).
Na de semmi gond, nagyon jó kis műszer ez, főleg, hogy könnyű áramerősség mérővé alakítani (2. csatolmány). Na és igen, a témaindítónak is ez volt vele a célja (bár ő Topi verzióját akarta átalakítani, ami mellesleg nekem nem működött).
(#) szabi83 válasza Krisz03 hozzászólására (») Jan 1, 2007 /
 
a 36-os lábbon állítsad be a 100mV-ot, akkor pontossan fog mérni, mellesleg 12K, 120K használj, 100k, 10k-val más érték jönn ki

megcsináltam én is, azért tudom.
(#) Krisz03 válasza szabi83 hozzászólására (») Jan 1, 2007 /
 
Szabi!
Biztos egyről beszélünk? Én nem a Topi-féle feszmérőt építettem meg, hanem egy másikat (csatoltam is az előbb). Eléggé hasonlít a kettő, de nem is tudom... A 36-os lábon nekem 2-3V körüli fesz van, attól függően, hogy hova állítom a potit. Most akkor hogy is van ez?
Egyébként amikor a 10k-s ellenállást használva + potival finomhangolva egy 7815-höz a feszt, akkor onnantól kezdve mindent pontosan mért (legalábbis így 200V-os méréshatárral). De aztán ellenállást váltva valami hülye értékek jöttek ki...
(#) szabi83 válasza Krisz03 hozzászólására (») Jan 1, 2007 /
 
http://electronics-diy.com/ICL7107_volt_meter.php

erről beszélünk.
irja is:
Idézet:
„Calibration

--------------------------------------------------------------------------------
Use 10K potentiometer to set the reference voltage between PIN 35 and PIN 36 of the ICL7107 IC to 1V.


ekkor:
10k -val 199.9V a határ meg 0.1V os lépés
100k -val 19.99V a határ meg 10mV os lépés

nekem a 36-os lábon 100mV van beállítva(ha akkarsz majd ampert mérni ezzel,nem ártana neked is a 100mV-hoz ragaszkodnod ) és 12K-val pontos(sabb) a mérés.

üdv
(#) Krisz03 válasza szabi83 hozzászólására (») Jan 1, 2007 /
 
Igen erről van szó.
Bevallom, egy picit (inkább nagyon) hülye voltam, mert nem az 1M-t változtattam, ami a "+" és a 31-es láb között van, hanem a 30-31 közötti 10k-t.
A 35-36 között megvan már az 1V. De még mindig nem értem, hol mérsz Te 100mV-ot? 36 és a közös test között? Mert ott nekem 3V fölötti fesz van.
Amíg a 31-es láb és a "+" között 1M van, addig pontos a mérés, de ha méréshatárt akarok váltani (írja is, hogy 1M-t 100K-ra cseréljem), már hülyeségeket ír: 12.8V-os akksira 773-at, 4.3V-os laposelemre 398-at (tizedespont most nincs bekötve. Várjunk csak!!! Ez véletlenül nem 2V-os méréshatár lenne mV pontossággal??? De hát csak tizedére csökkentettem az 1M-t...
Mit is cseréljek akkor a méréshatárváltáshoz, és milyen irányban (csökkent, növel)? Hova rakjam a 12K-t?
(#) szabi83 válasza Krisz03 hozzászólására (») Jan 1, 2007 /
 
ÁCSI!

Idézet:
„36 és a közös test között? Mert ott nekem 3V fölötti fesz van.”


itt kell 1V


Idézet:
„De hát csak tizedére csökkentettem az 1M-t...”

1M MARAD!

így ahogy van, 36-os lábon 1V a gndhez képest ekkor 200V a méréshatár!
100K -val meg 20V lesz a határ.

ellenállás nélkül 10k vagy 100k meg 2V a mérés határ.

HA:
a 36 os lábon 100mV ot állítaszbe, ekkor így alakul:
200mV a határ ellenállás nélkül
2V ha 1.2K
20V ha 12K
200V ha 120K


üdv remélem már kezded kapisgálni :awink::pias:
(#) Krisz03 válasza szabi83 hozzászólására (») Jan 1, 2007 /
 
De a 36 és test között a feszt csak 2.3V-ig tudom levinni a potival, és ilyenkor már össze-vissza mindenféle számot elkezd kiírkálni...
Kínos, de még mindig nem tudom, hogy melyik ellenállás cseréjével tudom váltani a méréshatárt...
Bocsi, hogy ilyen körülményes és értetlen vagyok!
(#) szabi83 válasza Krisz03 hozzászólására (») Jan 1, 2007 /
 
Idézet:
„Bocsi, hogy ilyen körülményes és értetlen vagyok!”

nem baj

csatolmányt rakjad össze ez egy normális kapcsrajz!
viszont én össze kötöttem a 21 és a 30-as lábat is(GND).
36-os lábbon gndhez képest 100mV!

Össze raktad akkor 200mV ig tudsz mérni!

Teszel be 12K-t a C5 -el párhuzamossan akkor 20V ig tudsz mérni.

üdv

mérce.JPG
    
(#) Krisz03 válasza szabi83 hozzászólására (») Jan 1, 2007 /
 
Átalakítottam ez a mérce.jpg alapján a kapcsolásomat, de ahogy tápfeszt adok neki, kiír valami össze-vissza számot. Ha tekergetem a potit, akkor változik ez a szám. Ha 100mV van a 36-os lábon, akkor valami 1870 körüli számot ír ki.
(#) szabi83 válasza Krisz03 hozzászólására (») Jan 1, 2007 /
 
valamit te nagyon elbarátkoztál..

tegyél fel képet, h lássuk mit kutyulsz össze!
(#) Krisz03 válasza szabi83 hozzászólására (») Jan 1, 2007 /
 
Gondolod, hogy ki tudod majd nézni ebből a próbapanelen összerakott kapcsolásból, hogy mi a gond?
Na de ahogy gondolod, csinálok mindjárt 1-2 közelit...

Egyébként, amit még csatoltam rajzot, meg Te is beillesztetted a linkjét, na annál ha nagyon lecsavarom a potit (2.5V körül van ekkor a 36-os lábon), akkor már ugyanilyen össze-vissza számokat ír ki.
(#) Krisz03 válasza Krisz03 hozzászólására (») Jan 2, 2007 /
 
Haladtam egy kicsit azzal a fajtával, amit még én csatoltam...
Ha a 35-36 lábak közötti feszt 1.045V-ra állítom, akkor pontos a mérés a 10K-s ellenállással (200V-os méréshatár).
Ha 1K-t rakok, akkor 2000V-ra nől a méréshatár, már nincsenek tizedesjegyek. Még itt is pontos.
A 10K->200V, ill 1K->2000V-ból kiindulva megpróbáltam egy 100K-t használni (mint ahogy a leírás szerint is van), hogy 20V-os legyen a határ. Hár a határ az megvan (a potit eltekerve 20V-nál kiakad), de a pontosság szörnyű. Alacsony fesznél (<5V) még úgy-ahogy elfogadható, de ahogy növelem a feszt, egyre romlik az eddig is rossz pontosság.
Na erre mondjon valaki valami okosat!
Ja, és érdekes következtetést vontam le (fordított arányosság lett a méséhatár és az ellenállás értéke között, nem úgy, mint nálad Szabi!):
200mV -> 10M
2V -> 1M
20V -> 100K
200V -> 10K
2000V -> 1K
(#) vicsys válasza Krisz03 hozzászólására (») Jan 2, 2007 /
 
http://www.atel.ru/images/m890fbig.gif
Itt van 1 komplett műszer rajz, ebből kitudod nézni...
Osztóra:
http://www.electronics-lab.com/projects/test/007/index.html
(#) Krisz03 válasza vicsys hozzászólására (») Jan 2, 2007 /
 
Húha, most már ahány rajz, annyi különbség. Na nem sok, csak 1-2 alkatrész értéke tér el...
Az osztóra, amit linkeltél, már próbáltam azt a kapcsolást, de valami nem volt jó benne.
Az egyébként mennyit számít, hogy milyen értékűek a 27-28-29-es lábon lévő alkatrészek? Mert legtöbbször abban különköznek a kapcsolások. Ami egyiknél jó, az jó lenne a másiknál is, de más osztóval?
(#) szabi83 válasza Krisz03 hozzászólására (») Jan 2, 2007 /
 
csinálj egy nyákot, rakjad be a cuccokat..

szerrintem.. :yes:
(#) vicsys válasza szabi83 hozzászólására (») Jan 2, 2007 /
 
sztem...
(csatoltam)

dmv.gif
    
(#) szabi83 válasza vicsys hozzászólására (») Jan 2, 2007 /
 
:no:


ezaz adat lapi...
ez jó nekem is
(#) Krisz03 válasza vicsys hozzászólására (») Jan 2, 2007 /
 
Na ez az, ami aztán végképp nem működik, csak egy 1-est ír ki.

Asszem én most feladom (egy időre félre teszem ) ezt a témát, mert nagyon nem akar összejönni. :no:
Köszönöm mindenki segítségét!
(#) Sebi válasza Krisz03 hozzászólására (») Jan 2, 2007 /
 
Nyitott bemenettel túlcsordul a zavaroktól...
(#) Stanford hozzászólása Jan 24, 2007 /
 
Sziasztok!

Igazán nem is tudom, hogy kinek kellene címezzem ezt a hszt, (talán Topi a legilletékesebb) de hátha más is tud válaszolni a problémámra.

Csak annyiban illik a topikba, hogy a már itt sokszor említett panelműszerről van szó. Egészen pontosan a baja az, hogy nem akar működni. :- D (Persze ez így nagyon tág, úgyhogy leírom a tüneteket) :

1. ami a legszembetűnőbb probléma, az az, hogy a négy kijelző közül háromnak világít a pontja (az első háromnak).
2. És hát szerintem ennek a hozományaképpen nem mér semmit (mindig nullát mutat, kivéve ha a bemenetére kb +5 volt körüli értéket adok, akkor viszont össze-vissza ugrál a kijelző, de akkor is csak hülyeséget mutat.
3. Ami a legbosszantóbb, hogy akkor is ezt az ugrálást produkálja, ha a Vin két bemenete közül csak az egyiket dugom a mérendő feszültséghez.

Egy fontos adalék az egészhez. A megépítésben szereplő méréshatárok közül én a 0-2 voltosat választottam, ami a leírás szerint 0 Ohm ellenállást jelent, az én esetemben ez egy huzaldarab lett.

Előre is köszönöm a segítséget, és bocs, ha egy kicsit körülményesn fogalmaztam.
(#) Stanford válasza Stanford hozzászólására (») Jan 24, 2007 /
 
Sziasztok!

Nos legnagyobb sajnálatomra, kicsit elsiettem a kérdezést...

ugyanis, gondolkodás nélkül elhiszek mindent ami le van írva ezen az oldalon (ami nem biztos, hogy rossz hála az üzemeltetőknek )

De az egyik probléma, nevezetesen, hogy a műszer nem jól mér megoldódott a 0 Ohmos ellenállás cseréjével....Ezzel kapcsolatban: lehet hogy javítani kéne a cikket, mielőtt más is beleesik ebbe a hibába...

A másik probléma, az, hogy a pontok világítanak, az viszont ettől nem oldódott meg, úgyhogy arra még mindig kérnék valakitől valami magyarázatot (ha lehet)
(#) titkovics válasza Stanford hozzászólására (») Jan 24, 2007 /
 
Szia!

Az első probléma szerintem abban rejlik, hogy Te mind a három tizedespont kivezetését bekötötted. Ezt nem az IC kapcsolja! neked kell megfelelően az egyikre bekötni (értelemszerűen az általad választott méréshatárhoz)! Ha a bemenetre nincs kötve semmi ugyanúgy kell viselkednie mint egy digit multinak, nem mutat csak (0).000-át és hol világít, hol nem a "negatív előjel". Az adatlap szerint ha +/- 5V-os tápról működteted, akkor az IN LO (30-as láb) össze kell kötni a GND-vel! Elvileg segítenie kell... A 2V-os méréshatárhoz nem 0 ohmos ellenállás kell, hanem semmilyen (a műszert az egyik kondi cseréjével lehet 2V illetve 200mV-os méréshatárba állítani)
(#) Krisz03 hozzászólása Jan 28, 2007 /
 
Hali!
Nincs valakinek véletlen ehhez (esetleg 7 szegmensű LED-es kijelzőhöz átalakítva) vagy a csatolt multiméterhez NYÁK rajza?
A csatoltat unalmas óráimban még talán meg tudnám rajzolni Eagle-ben, de a linken lévő mégiscsak többet tudna.
Tudom, ha az előbbibe belefognék, akkor lehet, hogy olcsóbban jönnék ki, ha boltban megvenném, és az még talán pontosabb is lenne, de ha már van itthon egy rakat 7107/7137, akkor használjuk is azokat valamire.
Üdv
Krisz
(#) angelero hozzászólása Feb 8, 2007 /
 
Megkérdezhetem, hogy miért kell külön tápról táplálni a fesz merőt? Lehet, hogy hülyeséget kérdeztem
Következő: »»   2 / 5
Bejelentkezés

Belépés

Hirdetés
XDT.hu
Az oldalon sütiket használunk a helyes működéshez. Bővebb információt az adatvédelmi szabályzatban olvashatsz. Megértettem