Fórum témák
» Több friss téma |
Fórum » FIAT elektromos hiba
Témaindító: Peti.Janka, idő: Máj 11, 2007
Témakörök:
Hát igazad volt tényleg szerelőt kellett volna váltani... Mondtunk neki mérje ki, erre azt mondja nem tudja... Szétbontotta a cuccot, semmi baja nem volt a vezérműtengelynek, a hidrotőke csattogott de tökmindegy nem azért vittük oda...
Hívom másnap erre tényleg a fordulat számjeladó a szar. És kicserélt egy hidrotőkét, mikor megvolt beszélve addig nem nyúl hozzá még nem hív... ez a hülyesége + 10ezerbe volt, mert a jeladót 12ért megvette.
Sziasztok!
Tud vki segíteni? 1.4-es Fiat Bravom van '98-as évjárat.Egy napja kigyulladt a műszerfalon a befecskendező jel.Tud e vki abban segíteni h mi lehet a probléma Alapjáraton néha leakar fuladni a motor. Köszi.
Szia! Én először kontokt hibára gyanakodnék. próbáld meg a befecskendező rendszernél át nézni a csatlakozókat! szerintem az alapjárati motornál lesz valami.
Sziasztok,
1998-as Fiat Bravom van, 1.4 12V. (Már megbántam, hogy megvettem anno...) Elég összetett problémám van vele, ha valaki megfejti a megoldást, a vendégem egy sörre... Minden azzal kezdődött, hogy az indexem nem működött. Kicseréltük a kapcsolókarokat házastól bontottra. Majd utólag beszereltettem univerzális elektromos ablakemelőt. Egy darabig minden OK volt, majd elment a tompított világításom.. Megcsinálták nekem, a vezetékekkel kellett valamit csinálni. Majd balra kezdett pislákolni az indexem, és ha közben egyszerre a fékre is ráléptem, akkor nem is működött az index... Csak balra! Villamossági szerelő -> megoldotta. Egy darabig minden OK, majd be...t a hátsó ablaktörlőm.. Villamossági szerelő -> megoldotta. Később újra előjött a 'balra index + fék együtt nem működik' probléma, illetve ha benyomom a féket, akkor kijelez a hátsó ködlámpa visszajelző.. ![]() Közben tavaly április-májusban egy hűvös éjszakán lemerült az akksim.. Vettem egy zsír újat, ami november környékén az első pár hideg éjszaka egyikén lemerült.. Garanciás volt persze, és kiderült, hogy semmi baja, a kocsival kell lennie a gondnak.. Nem hittem el, vettem egy másikat, mert folyton lemerült.. Az is lemerült, ha 2 napig nem indítottam be.. Semmi fogyasztó nem lehetett rajta, még a távirányítós központi zárat sem használom... Mégis a pozitívat mindig le kell vennem majd újra feltennem, hogy tudjam használni a kocsit... Mindeközben szakaszosan előjön az ingadozó alapjárat, szakaszosan le is fulladok, és csak erőteljes gázfröccsök után tér magához az autó.. Ilyenkor 3 henger feeling, stb.. Mígnem tegnap beteljesedett a baj, munkából hazafelé bemelegedett motornál, jól működő akksinál egy kereszteződésben lefulladtam, és se kép se hang... Alig pörgette az önindítót, és el sem csípte persze... Mindez 100 méterre egy Fiat szervíztől, micsoda mázli gondoltam... ![]() Ott másnap természetesen pöccre indult, fel is hívtak, hogy mi itt a probléma? Majd egy műszeres ellenőrzés (6300ft) után azt javasolták, hogy felső holtponti jeladót kéne cserélnem, ezzel egyelőre nem éltem, nem akarok már költeni erre az átkozott vasra... (Rengeteg szerelést, pénzköltést kihagytam a sztoriból...) Tanácsokat, javaslatokat kérek a Dunába lőkés, és MÉH-be adáson kívül.. ![]() Előre is köszönöm, és elnézést a regényért... perquero
Gondolom, azért írtál ide, mert mostmár megelégelted a sok "szakembert" és magad akarsz a végére járni.
Én úgy kezdeném, hogy megkeresem, mi szívja le az aksit? (Tényleg leszívja?) Rossz hír: bármi lehet. Jó hír: megtalálható. Lépésről lépésre kellene menni. Először is az akku saruján kéne' áramot mérni, hogy tényleg "kifolyik-e" az akkuból? Aztán a generátor/feszültség szabályzót nézném meg. Aztán a biztosítókat egyenként kiszedve, megnézném melyik kör szívje el. Aztán.... A Fiat egyik leggyengébb pontja, az elektromos csatlakozások. (Vígasztalásul elárulom, hogy az Astra, amivel most járok, a harmadik szerelőtől jön el úgy, hogy az ABS hibáját nem tudják megcsinálni!) Ha hozzákezdesz a hibakereséshez, szerintem mindenki fog adni valami jó tanácsot a KONKRÉT kérdésedre.
Akkuról először mindig a negatívot szedjük le, utána a pozitívat. Vissza rakni pedig pozitív majd negatív.
![]() De hogy mi szívja le az akkut az jó kérdés. Nekem anno a Wartburgba volt egy csomagtartó világítás, az világított folyamatosan ha le volt csukva az ajtó. Esetleg ha mindig levennéd az akku sarkot akkor megoldódna az egyik probléma...félig meddig.
Az előttem szólókat az alábbiakkal egészíteném ki:
Nekem egy Uno-m volt (most egy Palio-m van, FAIT rulez! ![]() Ami még gyanús, hogy az akku lemerülését az okozza, hogy valamely nem-test vezeték áthúz a testre, ezt kellene megtalálni, valahogy.
Sziasztok! 96-os 1,4 12v -bravám van! ilyen problémám nekem is volt . Nálam a hátsó ablakfűtő szál volt a ludas! 6 villamossági szerelőhöz vittem egyik se jött rá! kikötöttek mindent a riasztótól a rádióig mindent de még se javult meg. Nekiláttam műszert rákötöttem az aksira és ampert mérve elkezdtem minden fogyasztót leszedegetni. És semmi! minden jó és szép még is ment az áram ezerrel! rátámaszkodtam a csomagtartó tetőre és láss csodát a műszer azonnal 0,04 -et mutatott. Elengedtem és szép lassan felkúszott 3,8-ra. Felnyitottam kiszedtem a vázból az érintkezőket és ott volt a hiba össze éget a négy érintkező. Na de sajnos mire ezt megtaláltam akkorra tönkre ment a fűtőszál reléje és a kapcsoló panel is össze égett. Kikötöttem és kivettem a relét azóta semmi gond nincs vele! Remélem tudtam segíteni! Fiat átok az elektronikus csatlakozók. Könnyen oxidálódnak.
Köszönöm a hozzászólásokat, ezek alapján megpróbálom felkutatni a problémát - egy villamossági szakember segítségével..
![]()
Na, már megint az a villamossági szakember...
Az okos tanul saját hibájából. A még okosabb, másokéból... ![]()
Típus: Fiat Stilo
Hiba: Néha indításkor hátulról a benzintank irányából sorozatos tompa puffogó hang jön, és az indító motor hiába pörget, az autó nem indul be csak 5-10-15 indítás után. Közben hibaüzenetek sora jelenik meg a műszerfalon. Viszont ha mindennapos használatban a kocsi ,pöccre indul.. Ez mi lehet?
SZEVASZ!
![]() ![]()
Kedves segítségnyújtók!
Nekem egy Fiat uno 1.0 ie 1991 évj autóm van ami nem megfelelően működik. A problémám az hogy ha alapjáraton megy egy 10 percet és utána megyek vele 5 - 10 km megálok aztán nem indul. Változó idő után újból indul 10 - 30 perc. Ha nem melegítem az autót alapjáraton sokáig akkor nem jellemző a hiba. A modult kicseréltem, de nem nagyon javult. Régebben észleltem a gyújtáskapcsolónál enyhe füstölgést egy hosszú út útán. A modul kicserélése előtt az alapjárat nem volt egyenletes, de most sem tökéletes. Mikor nem indul akkor szikra nincs. Ha valaki tud segíteni azt megköszönöm! Üdv.: János
Kell benne lennie egy jeladónak a főtengelynél, vagy a vezérműtengelynél, arra kéne rámérni (amikor nincs szikra).
Nézd meg a gyújtáskapcsoló vezetékeit is: nincs kontakthiba véletlenül?
Köszönöm a segítségeket!
Hétvégén megnézem mind két lehetőséget és leítom a tapasztalatot. Nekem az a fura, hogy hosszú alapjáraton történő járatás után történik. Olyan mintha így melegedne túl valami. Köszönöm! János
Szia! A kocsidban ilyen porlasztó van és a hiba nem elektromos, hanem a benzinszinttel van gond. A tűszelep nem zár le (6).
Szia!
Köszönöm! Hétvégén megnézetem a szerelőmmel. Üdvözlettel: János
Helló mindenkinek.Van egy tipom.1992 évjárat 1,6 ie tipus 159a3 kodos.A lényeg az röviden h néha melegen nem indul de viszont menet közben nem áll le.Ahogy olvasgatok itten a jeladot emlegetitek sokan.A kérdésem az lenne hogy hol találom ezt a motornál.mert akitöl vettem csunyán beleba...molt a kötésekbe.De mivelk már a mesteremböl elegem van.
köszi elöre is
Köszi elektrorudi!
Nagyon szépen köszönöm! A képek segitségemre voltak! Rögtön megtaláltam a képek alapján mivel az én kicsi kocsimban a csatlakozó szépen be volt tekerve egy müanyag foliába olyan tépözárasba.Szerintem az elözö gazdája buzerálta igy meg.Egyépként rámértem 730 ohm körül mozgott hidegen majd 3 perc járatás után volt 743 ohm.Remélem ez jó érték.Remélem ezzel megoldodik a problémám.Nagyon örülnék ha ilyen egyszerü lenne a gond. Üdv és Nagyon szépen KÖSZÖNÖM ui:irok még ha nem gond hogy mi lett a fejlemény egy autozás után. További szép napot! Tisztelettel Szócsin Csaba
Sziasztok!
Egy érdekes kérdésben szeretném kérni a tanácsotokat, ötleteiteket ![]() Egy 1996-os 1.6-os Fiat Brava-m van. (Nagyon meg vagyok vele elégedve, csak ezek az elektronikai gondok ![]() Néha, ha felkapcsolom a tompított fényszórót, akkor a következő a jelenség: 1. csak a helyzetjelző világít a tompított nem 2. hallatszik a műszerfal mögűl valahonnan középtájt egy halk kattanás (mintha egy relé kapcsolna). 3. nem megy: hátsó ablakfűtés, légkondi, belsőkeringetés, utastér ventilátor. Ilyenkor ha kikapcsolom a tompítottat, akkor megint egy kattanás, és megy minden (csak a tompított nem ![]() Ha sokszor kapcsolgatom ide-oda akkor egyszer csak megjavul. Voltam vele szervizben: megnézte a gyújtás kapcsolót (az jó), a bajusz kapcsolót (az is jó). Szerencsére mikor oda vittem, pont produkálta a hibát. De így sem tudta mi a fond. Valakinek van ötlete? Előre is nagyon köszönöm a válaszokat!
Sziasztok!
1,2-es benzines Punto ELX-em van, és menet közben leállt alattam. Azóta nem indul. Volt már pár szerelőnél, azt mondják, hogy a kulcs jelét nem érzékeli a vezérlőegység, és így nem old le az indításgátló. Mit lehet ez esetben csinálni? Helyben nem nagyon tudom megcsináltatni, húzgálni meg nem szerencsés fék nélkül. Van 1 mesterkulcsom és egy kék kulcs hozzá, gyári kód nincs. A barna kulccsal se indul... ![]()
Az sajnálatos, ha nincs a közeledben hozzáértő. Nem hiszem, hogy itt a fórumon tud valaki olyan megoldást amit otthon megcsinálhatsz. A legközelebbi FIAT szervizt javaslom. Ha kell tréleren.
Valami előzménye nem volt? Nagy kátyú, ilyesmi.
Az indításgátló menet közben nem nagyon szokott ilyesmit csinálni.
Előtte való nap rángatott picit a kocsi menet közben, úgy voltam vele, hogy hétfőn elviszem szerelőhöz megnézetni. Szombaton még jó hogy helyben mentem vele, és nem olyan messze állt meg alattam egy szerelőtől. Menet közben kigyulladt a kulcs jelző a műszerfalon és úgy állt le alattam, hogy gyakorlatilag fékezni se tudtam vele. 4-5 próbálkozás után újra indult, majd megint leállt. Ezután amikor ráadom a gyújtást nem alszik el a kulcs ikon a műszerfalon és nem ad se szikrát, se semmit. Egyáltalán nem lehet elindítani.
Mechanikusan nem lehet kiütni az indításgátlót, de valahogy szoftverikusan se lehetséges?
Az indításgátló lényege pont az, hogy minnél nehezebben lehessen kiiktatni. Ha így egy fórum hozzászólásba le lehetne írni a kiiktatás módját, az rég rossz lenne.
Amit tenni lehetne: levenni az alsó kormányoszlop burkolatot és megnézni a csatlakozásokat, nem csúszott-e le valami, esetleg a leolvasó tekercs lelazult. (A gyújtáskapcsoló mellett van felszerelve, egy kis téglalap alakú elektromos alkatrész, egy tekercs van benne) Vontatáshoz lehet szerezni merev vonórudat, létezik három részre szétszedhető változat, így megspórolható az autómentés költsége.
Üdv! Olyan hogy az eredeti kocsileírásod meg van e? tehát az a könyv amiben le van írva a hibák meg ilyesmik? Na ha az meg van abban van egy olyan rész hogy az indításgátló újra programozása vagy valami ilyesmi! Le veszed az aksiról a sarukat vársz vagy tíz percet utána vissza! Elő a barna színű mester kulcsot és a könyvben le van írva hogy merre fordítod el és melyik pedállal menyit nyomsz! Nekem legalább is így van a bravámban Ugyan így jártam én is hogy a kék kulcsom már eléggé kopott és menet közben el rázódott nem érintkezett rendesen le állt egy szer újra indult de már is kigyulladt a kulcsot jelző lámpa le állt és utána az istenért se indult! egy hétig szaladgáltam hogy valami szerelő megnézze. már a központi agyát akarták velem cseréltetni. át nyálaztam a könyvet és kipróbáltam ahogy írta ( parkírba fordítani a kulcsot Kétszer benyomni a fékpedált egyszer a kuplungot STB. valami ilyesmi de már pontosan nem tudom! És rögtön utána indult és azóta se volt hasonló gondom! Nézz utána szerintem neked is ilyen problémád lesz! Remélem tudtam segíteni!
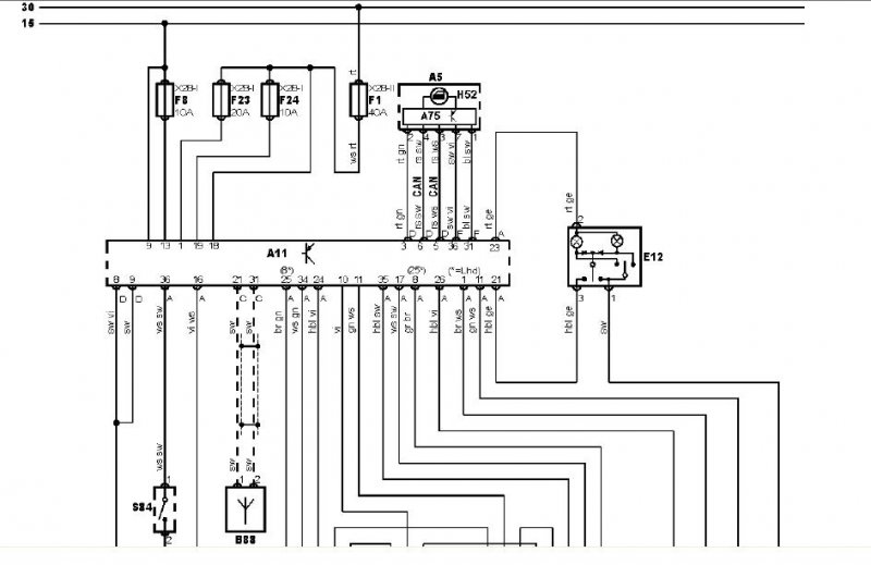
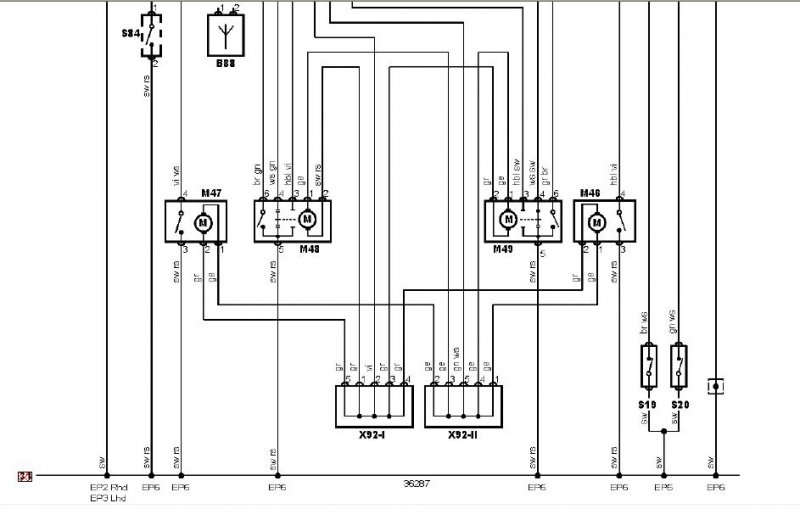
Fiat Punto II központi zárja véletlenszerű időpontokban magától kinyitja az ajtót.
Néha rögtön a zárás után, de van amikor csak 15 perc múlva. Volt olyan is, hogy menet közben "játszott" vele. Van erre megoldás?
Szia! A központi zár rajzán van egy B88 jelű vevő szenzor (antenna), ami a központi kijelzőbe csatlakozik a műszerfalban az órák panelján. Talán érintkezési hiba okozhatja a vevő érzékelőjének a hiányát, amire az tévesen kapcsolgatja a zárakat. Az X92-I-II azt nem tudom, hogy hol van helyileg a rendszerben, de az is lehet érintkezési hibás.
Nekem a Paliomban volt hasonló hiba: Az anyósülés melletti ajtó szenzorja volt a ludas. Azóta azzal a zárral nem lehet nyitni-zárni a központi zárat, csak a vezető oldalival, de a baj megszűnt. (Nekem a zárás után azonnal "visszarúgott", nyitott a zár, de kb. 5 újrazárás után "leoldott" a kp.-i zár, és manuálisan be lehetett zárni az ajtókat. Ha nem így lett volna, nagy bajban lettem volna!
![]() |
Bejelentkezés
Hirdetés |