Fórum témák

» Több friss téma
Fórum » FIAT elektromos hiba
 
Témaindító: Peti.Janka, idő: Máj 11, 2007
Témakörök:
Lapozás: OK   28 / 66
(#) dewylyen hozzászólása Feb 23, 2014 /
 
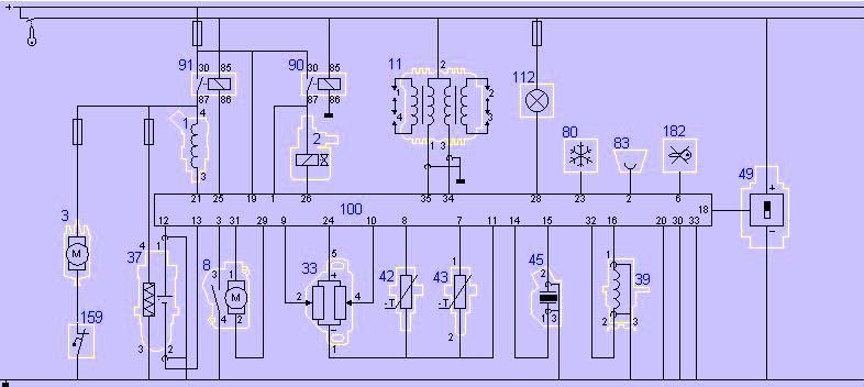
Tehát a barna-fehér és fekete vezetéken van feszültség a szivattyúnál?

Ha a csatlakozó rá van kötve akkor nincs vagy is nem mutat semmit a multi, ha lehúzom akkor mutatja a feszt.. viszont ha lehúzom és az izzót kötöm rá akkor az nem világít!?
(#) dewylyen hozzászólása Feb 23, 2014 /
 
a képen látható barna fehér vezetéken biztosítékot kivéve ezután az izzót rákötve Nem világít ha ráadom a gyújtást a mellette lévőn viszont igen.

http://img1.indafoto.hu/2/1/178731_6dc8c40f16a31e724eaa232891b612b3...xl.jpg
A hozzászólás módosítva: Feb 23, 2014
(#) VIM válasza dewylyen hozzászólására (») Feb 23, 2014 /
 
Ha megfigyeled a kapcsolási rajzot, akkor láthatod, hogy a szivattyúnál lévő vezetékszínekről van szó és nem a biztosítékoknál lévőkről. A szivattyúhoz csatlakozó vezetékeket kell leellenőrizni, hogy el jut-e odáig a 12V. A két biztosíték közül a bal oldali a szóban forgó biztosíték és a fekete ajzatú relé a szivattyúé.
(#) dewylyen hozzászólása Feb 23, 2014 /
 
Nagyon szépen köszönöm örök hálám a segítségedért!! nem vagyok autószerelő így a rajzok nem az eseteim.
(#) VIM válasza dewylyen hozzászólására (») Feb 23, 2014 /
 
Még nem csináltunk semmit. Tehát a másik relé az a motorvezérlő reléje, ami a szivattyúé mellett van. A teljes rajz a könnyebb megértésért, ha szükség volna rá. A szivattyú reléje fontos szerepet tölt be mert a szonda fűtése és az injektor is ezen relé érintkezőjén keresztül kap ellátást.
(#) dewylyen hozzászólása Feb 23, 2014 /
 
tehát az X28-as csatlakozási pont az a Biztosítékot jelenti?, a 10A-os ott van mellette viszont a 15A-os biztosítékot hol találom mert van 1 pár a táblában a kormány alatt,és az M12-es az mi rajta? mert gondolom az S39 az AC-jelenti.

Igyekszem tanulni.remélem jók a meglátásaim.
(#) VIM válasza dewylyen hozzászólására (») Feb 23, 2014 /
 
Az "M12" a szivattyú motorja az "S39" a boruláskapcsoló (vezető oldali ülés bal oldalánál alul). A biztosítéknak annak kell lennie ITT bal oldalt, ha fehér és fehér-barna rajta a vezeték színezése.
(#) dewylyen hozzászólása Feb 24, 2014 /
 
az a borulás kapcsoló véletlen nem az Inerciális Kapcsoló a vezető oldali ülés alatt?? és azzal mit lehet csinálni ki-be lehet kapcsolni??
(#) dewylyen válasza VIM hozzászólására (») Feb 24, 2014 /
 
a biztosíték az az lesz mert azon világított az izzó míg a mellette lévő relé ki nem oldott.
(#) dewylyen hozzászólása Feb 24, 2014 /
 
nos néztem borulás kapcsolót [ Inerciális kapcsoló ] levettem és ráköttem az izzót de nem világított mikor ráadtam a gyújtást.
A kormány alatt a szivattyú vezetékére is ráköttem ott Világított mig a relé ki nem oldott,tehát az után lehet a probléma de mi a következő csatlakozási pont???? át megy a kesztyűtaróhoz?? mert ott is van 3 db relé ezek közül a középső mikor ráadom a gyújtást kattan 1-et és úgy marad míg Le nem veszem a gyújtást gondolom ez adja a feszültséget a szivattyúnak?? ha jól értelmezem az összeállítást vagy oda már nem megy csatlakozás?? és az másnak a reléje?
(#) dewylyen hozzászólása Feb 25, 2014 /
 
Ez illetve " VIM " által linket képlet alapján mentem végig majdnem teljesen, és még nincs meg a hiba forrása.
https://mail.google.com/mail/u/0/?ui=2&ik=5270f5445f&view=a...amp;zw
A hozzászólás módosítva: Feb 25, 2014
(#) dewylyen hozzászólása Feb 25, 2014 /
 
Bár 1 saját megoldással át alakítottam a rendszert míg meg nem találom a hiba forrásátá.

Következőképpen.
1, Elvágtam a hátsó ülés alatt a Szivattyú mind 2 vezetékét.
2, A Gyújtáskapcsolóra menő riasztóm vezetékét meg blankoltam és arról vittem hátra a küszöb borítás alatt 1 szál vezetéket és ráköttem a szivattyúmról jövő 1-ik vezetékére a másik vezetékét pedig letesteltem az ülés rögzítő csavarjához.
3, végül szigeteltem minden vezetéket így akkor van feszültség ha ráadom a gyújtást!.
Így hibátlanul működik minden és a riasztóm is!!


Valamint így nem kell szétkötni a vezetékeket mert az elvágott szivattyú vezeték végére az ülés alatt a próbalámpát illetve egyéb eszközökkel tudom fojtatni a hiba forrásának felderítését.

Ezért továbbra is kérnénk segítséget és ha nem marad más akkor a riasztóm kiiktatása marad. amit egyenlőre még nem szeretnénk mert ha mégsem az lenne a baj akkor ne szenvedjek már vele a visszakötéssel feleslegesen.
(#) VIM válasza dewylyen hozzászólására (») Feb 25, 2014 /
 
Én mondtam, hogy a boruláskapcsoló a szivattyú ellátásának a negatív ágában van! Ha úgy ellenőrizted, hogy a próbalámpát egy pozitívval lámpáztad a kapcsolóhoz és nem világított, akkor az baj, ha pedig szakadás vizsgálóval nézed akkor a szivattyúnál lévő fekete vezeték és a kasztni között sípolni kell a vizsgálónak, vagy "0" Ohmot kell mutatni a műszernek, akkor jó.
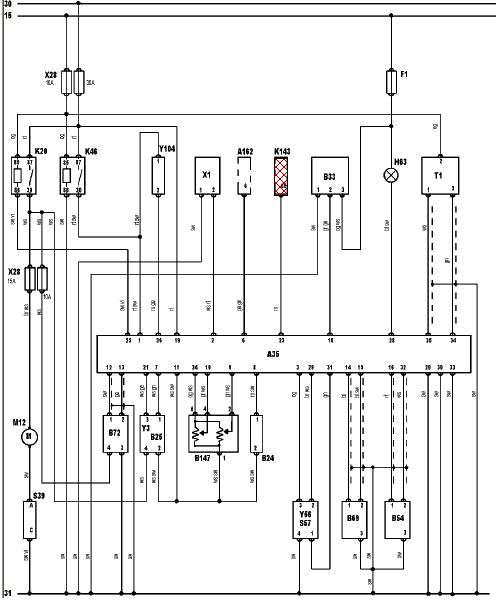
(#) VIM válasza dewylyen hozzászólására (») Feb 25, 2014 /
 
Van itt egy másik rajz a könnyebb megértésért, hátha ezt jobban átlátod de itt nincsenek vezetékszínek jelölve. Itt vagy?
A hozzászólás módosítva: Feb 25, 2014
(#) dewylyen hozzászólása Feb 25, 2014 /
 
Helló.
HOGY A 3-as a szivattyú, 37-es pedig az inercia kapcsoló, és ezeknek a működését melyik vezeték hová, mire csatlakozik..
Holnap megnézem így is mert így még nem néztem hogy külön feszültséget viszek a lámpának és a másik vezetékét pedig rákötöm a fekete vezetékre hátul az ülés alatt miközben benyomom az inercia kapcsoló tetejét mert az akkor jó ha kattan 1-et.

Mert csak úgy néztem a lámpával hogy levettem a kapcsolót és annak a helyére köttem bele a lámát.

Ha ilyen szájbarágósan magyarázzák el akkor így megértem és lassan megtanulom a villamosságát.

Majd jelentkezem a fejleményekkel.

Köszi.
(#) dewylyen válasza dewylyen hozzászólására (») Feb 26, 2014 /
 
Helló.

Nos a helyzet a köv..

A hátra vitt fesz-re és az előlről jövő fekete vezetékre ráköttem így Jó világított az izzó tehát az Inercia kapcsoló is jó és a test is, viszont a hátra vitt feszről levettem az izzót és a Barna/fehér vezetékre köttem át és a fekete vezetékről is levettem így a kasztnihoz testeltem na így Nem világított tehát a feszben van a gond!!

Vagy is kevés feszt kap mert össze is érintettem a két feszt ekkor picit szikrázott..

Nos tovább??
(#) connecta hozzászólása Márc 5, 2014 /
 
Sziasztok!segítséget kérnék 89-es tipom hidegen 3000-en pörög. A hőgombát kicseréltem és még mindig pörög a motorja. jelzem amint bemelegszik abba hadja és tökéletesen működik. csak hidegen csinálja. Előre is köszönöm.
(#) peter1995 válasza connecta hozzászólására (») Márc 5, 2014 /
 
Szia. Nem bitos, hogy jól emlékszem, de a hőgomba úgy tudom minél nagyobb a hő annál kisebb az ellenállása. Vagyis hidegen nagy az ellenállása. HA pl valahol kontkakt hiba van a számítógép jóval hidegebbnek érzi a motort és emiatt adhat talán nagyobb alapjáratot.
(#) connecta válasza peter1995 hozzászólására (») Márc 5, 2014 /
 
szia fél 3 körül értem ma haza munkából azóta nem indítottam be most kimentem beindítani és nem pörgött be a motor nem értem át néztem az összes jeladót meg kontaktsprével lefujtam és nem segített rajta de nem tudom hol keressem a hibát.
(#) Orosza hozzászólása Márc 25, 2014 /
 
Sziasztok!!!
Van egy 1.6-os 16V Marea-m, nemrégen elkezdte azt játszani, hogy mikor elindulok vele reggel beindítom alapjáraton ketyeg de ha hozzáérek a gázpedálhoz egyből leáll. Ha bemelegszik szépen tudok vele járni, de néha gondol egyet és menet közben felvillan egy pillanatra a műszerfalon pirosan a befecskendező jele, van mikor elalszik egyből és semmi probléma, na de van amikor le is áll, és ha nem akarok a kanyarba egyenesen bemenni akkor menet közben kell újra indítanom. Mi lehet a baja?
(Azt vettem észre, hogy ha kidobom üresbe vagy visszakapcsolok akkor szokta ezt csinálni.)
Köszi a választ!
(#) Bergo hozzászólása Márc 28, 2014 /
 
Üdv!

Lenne egy kis "probléma" szeretett fiat stilommal.
A jelenség a km számláló villogása. Azt gondoltuk proxi rendezés megoldja a problémát de sajnos nem. Azaz a multiecuscan program proxi rendezésnél a végén ismeretlen hibát írt a klímára. A klímát felismeri és semmi probléma nincs vele. Arra gondoltam hátha a program a rossz mert másnál sem tudtam lefuttatni klíma hiba nélkül (próbáltam rendezés közbe be/ki kapcsolni de ugyan úgy hibával fejezte be a rendezést)

Esetleg tudna valaki olyan programot a fiatecuscan és a multiecuscan kivételével amivel lehet proxi rendezést csinálni?
Alfaobd programot akartam kipróbálni de csak a demot találtam mindenhol. Esetleg annak a tört verziója megvan valakinek?
Köszi! /Bergo/
A hozzászólás módosítva: Márc 28, 2014
(#) brigizeg hozzászólása Ápr 16, 2014 /
 
Sziasztok!Segítséget kérnék:
kb egy hónapja vettünk egy Fiat Tipo-t 1,6-os .egyszer csak a világítás elkezdett erősödni majd sötétedni időközönként,aztán már csak a reflektor volt jó majd elment minden.a napfénytetőt sem lehet mindig elhúzni,központi záras azzal nincs gond,az ablak is elektromos az is működik.

Elvittük szerelőhöz állítólag (a kuplung olaj folyt úgyhogy azt megcsinálta vezérlést is cserélt és magas volt a töltés úgyhogy beállította és) megcsinálta a világítást,majd aznap este láttuk hogy megint ugyanúgy megerősödik eltompul,a ködlámpa sem világított már és a bal hátsó féklámpa sem mire kijött a szerelőtől,majd 2nap múlva újra elment minden világítás.belső lámpák sem égnek.a kesztyű tartó világítása is egyszer jó egyszer nem.Mi lehet a hiba?


ja és a fűtés is már csak 3.fokozaton működik(az első kettőn nem csinál semmit)Nagyon örülnék ha valaki eltudna látni jó tanáccsal. elkeserítő a helyzet....és nem igazán értek az ilyen dolgokhoz,mindenesetre a szerelő belátta hogy trehány munkát végzett....de ezzel nem segít sokat.
(#) didyman válasza brigizeg hozzászólására (») Ápr 16, 2014 /
 
Úgy rémlik, van egy testelési pontja a kormányoszlop körül, ami szeret vacakolni, meg a motortérben is érdemes a testeket meglesni. Töltés mekkora most? és amikor halványul? A szellőztetés fordulatszámszabályzása talán még rheostatos, nem tudom, ha az, akkor az alsó fokozatok ellenállásai megnyúlhattak. Ki kell szedni, ellenőrizni.
(#) brigizeg hozzászólása Ápr 16, 2014 /
 
amikor a szerelő először mérte azt mondta csoda hogy nem gyulladt ki utána szabályozta ,mielőtt elhoztuk akkor mérte jó volt.de pontos számot nem tudok mondani,hülyeséget meg nemakarok írni.holnap reggel nézi meg újra.úgy volt hogy újra köti a vezetékeket ,de nem csinált rajt semmit csak működőképessé tette 2 napra...:S akkor ezeket átnézzük köszi szépen és talán helyre sikerül rázni.holnap írom az új fejleményeket
(#) akos70 válasza brigizeg hozzászólására (») Ápr 16, 2014 /
 
Beépített feszszabályzós, azon nincs mit szabályozni, ha elromlik, csere.
Amit meg felsoroltál, az kb. tucatnyi hiba, nem kell elkeseredni, többsége valószínűleg percek alatt javítható, inkább meg kell tanulni kezelni és együtt élni vele, mert rendszeres lesz, nem erősség ezeken a régi Fiatokon a stabil elektromos rendszer.
(#) SzervízMacska válasza brigizeg hozzászólására (») Ápr 17, 2014 /
 
Nekem ez az ingadozás valami testelési hibának tűnik. Egyébként egy egyszerű, hálás autó, ha karban van tartva.
(#) brava hozzászólása Ápr 20, 2014 /
 
Fiat brava 1998 1.4 12V Hirtelen gázadáskor lefullad alapjáraton.Induláskor dadog rángat és szintén lefullad!Mi lehet a probléma?Köszönöm a segitséget!
(#) Lackovacs hozzászólása Ápr 25, 2014 /
 
Sziasztok!Segítség kellene!
Fiat Brava 2000 1.6 16v Meleg motornál,max fűtésnél "néha" gondol egyet és hideg levegőt fúj.Leállítom,várok kb. 5-10 másodpercet elfordítom a kulcsot és mintha semmi sem történt volna úgyanúgy meleg levegőt fúj.Mi lehet a probléma?
(#) taita33 hozzászólása Ápr 25, 2014 /
 
Szevasztok!

Lenne egy komoly feladatom. Ujonnan vettem egy fiat grande punto 1,4-es központi zárral, de távirányító nélkül. Most szeretnék beletenni egy távirányítót mivel átgondoltam a dolgot és így jobb lesz. Akkor még úgy tűnt jobb lesz nélküle biztonsági okokból is de hát tévedtem, mint tudjuk tévedni emberi dolog. Nos a lényeg hogy nem tudna valaki egy olyan leírást mutatni ami szerint be tudnék kötni egy WRS-6 távirányító szettet? Mert ilyenem van itthon.

Segítséget előre is köszönöm.
Következő: »»   28 / 66
Bejelentkezés

Belépés

Hirdetés
XDT.hu
Az oldalon sütiket használunk a helyes működéshez. Bővebb információt az adatvédelmi szabályzatban olvashatsz. Megértettem