Fórum témák

» Több friss téma
Fórum » Földhurok, avagy mit csináljunk, mikor minden zúg
Lapozás: OK   38 / 64
(#) Szpisti válasza Raul9 hozzászólására (») Okt 1, 2013 /
 
A probléma oka szerintem egyértelmű.
A vinyl lemezeket úgy vágják (ezt most értds mechanikusan), hogy a mély hangokat kisebb, a magasakat jóval nagyobb jelszinttel rögzítik a lemezre. Most ne menjünk bele miért, de a lényeg, hogy a hangszedő jelét erősítő RIAA korrektor áramkör ennek a vágási karakterisztikának pont a tükörképe, tehát az alacsony szintű mélyhangokat nagyon erősíti, a magasakat pedig kevésbé. Ilymódon visszanyerik az eredeti hangképet - ha minden jól be van állítva.
Pont emiatt a nagy mélyerősítés miatt a nagyfelületű "bakelit" lemez könnyedén átveszi a szobában keletkezett sub keltette mélyeket, és ugyanúgy felerősíti mintha azok a barázdákba lettek volna vésve. Tehát ahogyan ítrák, ez bizony az akusztikus visszacsatolástól van, és ilyen leválasztó trafóval ezen nem fogsz tudni segíteni.
A nagy diszkókban is kényesek a bakelites játszók, de azokba építenek ún. rumpli filtert (dübörgés szűrőt), ami bizonyos mélyfrekvenciák alatt levágja a bemenő jelet.
A megoldás legegyszerűbb módja, ha kisebb hangerőn hallgatod a lemezjátszót - avagy átveszed valami digitális formába, és ott már nem lesznek ilyen problémák.
Klasszikus lemezjátszón klasszikus vagy retro zenét illik hallgatni, vagy finom akusztikus zenéket. A dubcidubci már nem a vinyl világa.
(#) Raul9 válasza Szpisti hozzászólására (») Okt 1, 2013 /
 
Ami kissé fura számomra, hogy ez egy kifejezetten dj célokra gyártott robosztus felépítésű lejátszó komoly gumitalpakkal, ha ilyen hangerőnél ezt produkálja mi lenne vele egy szórakozóhelyen? Mindegy, megpróbálom akkor a mélyládától messzebb elhelyezni, illetve beszerzek egy plexit rá, hátha az is tompítja valamelyest a visszacsatolást.

Köszi a válaszokat!
(#) Alkotó válasza Raul9 hozzászólására (») Okt 1, 2013 /
 
Az akusztikus visszacsatolást nem lehet hatékonyan csökkenteni egy buliban, mert nem lehet máshová menni. A lemezjátszó speciálisan felfüggesztett állványra helyezése, a lemezjátszó testének berezgését képes csökkenteni a berendezés irányából, tehát pl, a lépések zaja, vagy az ugrálás nem lengeti a lemezjátszót (egyébként a lemezjátszó külső házában is rugalmasan van felfüggesztve a tényleges "sasszé".
A Te esetedben a hangrezgés vélhetően közvetlenül a hanglemezt tudja megrezgetni. Amikor még ilyen technológiáról mentek a bulik, akkor lehetett kapni egy speciális alátétet. Ez a szilikonhoz hasonló anyag volt, kb. 2mm vastag, a lemez méretével megegyező átmérővel. Ezt kellett a forgó tányérra szorítani (teljesen odatapadt), majd erre került a lemezt. Ettől a lemez is odatapadt a forgó tömeghez, és sokkal kevésbé volt képes az önrezgésre.
Ha sikerül a rezgő levegőtől elválasztani a lemezt (pl. burkolattal), azzal is elérhető a jó eredmény, de ez buliban kivitelezhetetlen.
(#) CHZ hozzászólása Okt 1, 2013 /
 
Idézet:
„A Te esetedben a hangrezgés vélhetően közvetlenül a hanglemezt tudja megrezgetni.”

Lemezt rezgeti kevésbé, hangszedő és a hangkar jobban ki van téve az ilyen akusztikus rezgéseknek és maga a lemezjátszó doboza is.
(#) CHZ válasza Raul9 hozzászólására (») Okt 1, 2013 /
 
Egy próbát megérne, hangsugárzók polaritásának megfordítása.
(#) Szpisti válasza Raul9 hozzászólására (») Okt 1, 2013 /
 
Tényleg! - bocs hogy ilyent feltételezek, de hátha ! Ezeknek a mechanikus lemezjátszóknak van egy belső rugalmas felfüggesztése, amit szállításkor kimerevítenek. Ezt valami csavarral vagy karral szokták oldhatóvá tenni , ha beüzemelik.
Nem feledkeztél meg erről ?
A hozzászólás módosítva: Okt 1, 2013
(#) pucuka válasza Raul9 hozzászólására (») Okt 1, 2013 /
 
Esetleg a tűnyomás állításával lehetne kísérletezni, igaz jobban igénybeveszi a lemezt, de érzéketlenebb lesz.
(#) CIROKL válasza Raul9 hozzászólására (») Okt 1, 2013 /
 
Idézet:
„hogy ez egy kifejezetten dj célokra gyártott robosztus felépítésű lejátszó komoly gumitalpakkal, ha ilyen hangerőnél ezt produkálja mi lenne vele egy szórakozóhelyen?”

Egy kicsit érintett vagyok ebben a témában ezért erre a válasz csak csupán annyi hogy egy komoly helyen nem véletlen van /volt / a DJ pult betonból épitve . Ezzel mindent el is mondottam ja és anno még használtunk láncos pultot is , ez egyszerúen 4 szál lánc a mennyezetből és ezen fityegtek a robosztus lemezjátszók , ha nem igy volt akkor hasonló volt a helyzet mint amit most te is észleltél !
Így ebben a témában nincs értelme az eszmefuttatásnak mert nem ide tartozik .
A hozzászólás módosítva: Okt 1, 2013
(#) p100 hozzászólása Okt 3, 2013 /
 
Az eredeti gondom, amiből a korábbi "hová kell kötni a "bemenet árnyékolását?" kérdésem adódott ez volt:

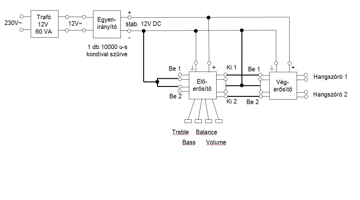
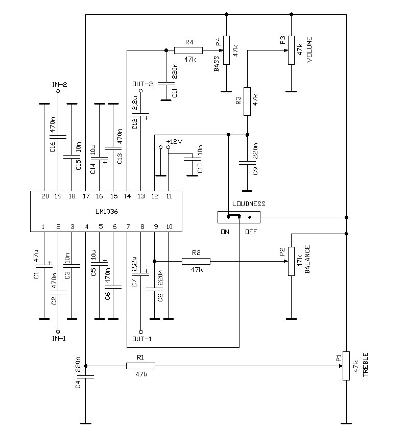
Megépítettem az LM1036-os IC-vel épített hangszínszabályzót, amit egy 2x20W-os végfok elé kötöttem. Mind a kettőnek 12V-os tápellátása van, így egyazon tápról hajtom őket (230V/12V 60VA kapcs. üzemű trafó + egyenírányító + szűrőkondi, az egyenirányítóból stab. 12V jön ki.)

Amikor beüzemelem, akkor kétféle eset létezik:
1. a hangerő kb. fél állásáig OK, de utána egy erőteljes, ütemes szaggató kattogás hallatszik, a hangszórók membránjai ki akarnak ugrani.
2. már a tápfesz. rákapcsolásának pillanatában, akármilyen hangerő-állásnál ugyanaz a kattogó-membránugrasztó hang hallható, akár úgy is, hogy nincs a bemeneten semmilyen jel.

Lekötöttem a tápot, s megpróbáltam egy szintén stab. +12V-ot ellőállító, külső labortápról meghajtani, de ugyanaz az eredmény. Ha viszont lekötöm a hangszínszab-ot, akkor a végfok gyönyörűen muzsikál, csak ugye, hangerőállítási lehetőség nélkül.

A hangszínszabályzót KIT-ként vettem (www.d-audio.hu), ott azt mondták, hogy ne kössem a bemenet meg a kimenet árnyékolását a tápfesz mínusz ágára, mert az lehet az oka, de hiszen az ő általuk adott kapcsolási rajzon is a mínuszon van minden test.

Tudja valaki a megoldást?
(A blokkdiagramon a vastag vezeték az árnyékolást jelenti.)

A problémám továbbra is fennáll.
(#) kadarist válasza p100 hozzászólására (») Okt 3, 2013 /
 
A nyák a negatívot, ami a test, ne több forrásból kapja meg a tápegység irányából, hanem egy, viszonylag vastagabb vezetéken. És közvetlenül a nyákra kösd rá, ne a bemeneti kapcsokra. Ha jól vannak bekötve a testek, akkor nem szabadna gerjednie a hangszínszabályzónak. A pirossal jelzett vezetékek nem kellenek.
A hozzászólás módosítva: Okt 3, 2013
(#) kristikoma válasza p100 hozzászólására (») Okt 3, 2013 /
 
Visszaolvastam, de a jelkábelek árnyékolása a testen legyen, de az is egy közös ponton, tehát nem kell keresztülvezetni, hanem csillagpontosan kell földelni. Ellenőrizd a kondikat, a pot.méterek bekötését, ha mindent kipróbáltál, IC csere. Mind a kapcsolás, mind a blokkvázlat jó. Ha a hálózati 50 Hz zúg annyira, akkor földhurok. Másik végerősítőt tudsz rákötni?
(#) p100 válasza kristikoma hozzászólására (») Okt 3, 2013 /
 
Mit értesz azon, hogy "nem kell keresztülvezetni"??
(#) pucuka válasza p100 hozzászólására (») Okt 3, 2013 /
 
Ha így kötötted, jogos a kattyogás. A jel út összekötéseknél sürgősen szüntesd meg az árnyékolások negatív pontra való kötését. Az a földhurok, legalább kettő van belőle, (vastag vonal) de lehet több is. Az előerősítő kimenetén nem kötném az árnyékolásokat sem sehova, csak a végerősítő bemenetén testre. De nem biztos, hogy erre szükség lesz.
Azonkívül az is lehet, hogy az előerősítőd túl nagy szintet ad a végerősítő bemenetére.
A hozzászólás módosítva: Okt 3, 2013
(#) kristikoma válasza p100 hozzászólására (») Okt 3, 2013 /
 
Pont azt, hogy nem kell a dobozban több méter kábel, hanem rövid bekötések kellenek(pár centis kábel!). Amit pucuka írt, azt is érdemes kipróbálni, vagyis szakítsd meg a hurkot! Ha jól emlékszem, az Orion SE 260-ban is egy rakás kábel volt, persze lehetett egyszerűsíteni.
(#) p100 válasza pucuka hozzászólására (») Okt 3, 2013 /
 
Idézet:
„A jel út összekötéseknél sürgősen szüntesd meg az árnyékolások negatív pontra való kötését.”


OK, de akkor hová kell kötni a jel árnyékolását???? A kapcs. rajzon is mindkét bemenet árnyékolása a Test-en van, ahol a tápfesz mínusza is.
(#) pucuka válasza p100 hozzászólására (») Okt 3, 2013 /
 
Az árnyékolás akkor is testen lesz, ha csak az egyik vége van testen. Igy legalább biztos nem folyik rajta semilyen áram. A testek pedig amúgy is össze vannak kötve,
(#) kadarist válasza p100 hozzászólására (») Okt 4, 2013 /
 
Nem kell külön kivezetékezni a tápegységhez a bemeneti és kimeneti testpontokat, mert a nyákon ez meg van oldva. Hidd el, hogy nem kellenek a általam pirossal jelölt bekötések.
(#) snaz hozzászólása Okt 4, 2013 /
 
Sziasztok!

Teljesen amatőr vagyok az elektronikában, ezért kicsit nehéz megfogalmaznom a problémámat.
Több, mint 1 éve fennáll, de csak a napokban kezdtem el vele foglalkozni, mert most vált zavaróvá és sűrűbben előfordulóvá.

Egy zavaró jelet érzékelek a TV-ken és a hangcuccon keresztül. A jel akkor is érzékelhető, ha csak a villamos hálózatba vannak csatlakoztatva az eszközök.

A zavaró jel nem állandó. Véletlenszerűen, a nap bármely szakában feltűnik, majd elhallgat. Ismétlődő jelsorozat, amely morze jelre emlékeztet. 2-3mp hosszú a jel, majd kb 10 mp szünet után ismétlődik. Ez van, hogy néhány percig tart, de van, hogy fél órán át is. Hang formájában szoktam a TV-n is érzékelni, a hangcuccon elsősorban a mélynyomót brummogtatja, de a satellit sugárzókon is hallani.
Tegnap erősödött annyit a jel, hogy filmnézés közben a TV képernyője is villogott a zaj üteme szerint.

Próbáltam kiszűrni a jel forrását.Annyit már tudok, hogy nem az én valamelyik eszközöm sugároz. Mindent kikapcsoltam, áramtalanítottam. A TV-t, és a hangcuccot minden egyéb kapcsolattól megfosztottam, (a hangcucc esetében ez a mélynyomó önálló üzemelése, mert abba van építve az erősítő, meg a táp), tehát csak a 230-ba voltak csatlakoztatva. Próbáltam másik helységben, másik áramkörön, de ott is érzékelhető volt. Próbáltam földeletlen körön is.

Van esetleg tippetek, hogy mi lehet a jel forrása?
Van valamilyen javaslatotok, hogy hol keressem a megoldást? Azaz a jel forrását kutassam, vagy inkább megfelelő zavarszűrőt keressek? (ez azért merül fel, mert kis CD-s rádióból nem hallom ugyanakkor a zavaró jelet, mikor a többi eszközből, akár ugyanabba az elosztóba csatlakoztatva sem.)
Lehet, hogy inkább az ELMÜ-nél próbáljak érdeklődni?

Előre is köszönöm a válaszokat!
(#) kadarist hozzászólása Okt 4, 2013 /
 
Szia!
Nézzél utána így: Bővebben: Link
(#) snaz válasza kadarist hozzászólására (») Okt 4, 2013 /
 
Köszi!
Megnéztem néhány találatot. Jól értem, hogy azt sugallod ezzel, hogy az engem zavaró jel, egy az elektromos hálózaton továbbított jel, amivel vagy az ELMU, vagy valamelyik szomszéd vezérel valamit?
Gondoltam rá is keresek, hogy van-e valami védő eszköz ez ellen, de nem találtam eddig.
(#) kadarist válasza snaz hozzászólására (») Okt 4, 2013 /
 
Szüntesd meg a földhurkot a hangfrekvenciás készülékeid összeköttetéseinél és ezzel megszűnik a zavaró digitális zavar is.
(#) Gafly válasza snaz hozzászólására (») Okt 4, 2013 /
 
Vacak hangcuccot javít...
(#) snaz válasza kadarist hozzászólására (») Okt 4, 2013 /
 
Ha csak egyetlen, egyébként földeletlen készülék, semmivel sem összekötve van a hálózaton, tehát minden más le van kapcsolva a villanyóra után, akkor beszélhetünk földhurokról?
(#) kadarist válasza snaz hozzászólására (») Okt 4, 2013 /
 
Egy készüléken belül is lehet hurok, még gyári készülékeknél is lehet ilyen.
(#) snaz válasza (Felhasználó 13571) hozzászólására (») Okt 4, 2013 /
 
Mivel egyetlen készülék egyetlen ponton csatlakozik, következik, hogy az nem okoz földhurkot?

A földhurokkor fellépő zavar egyébként folyamatos, szinuszos jelhez hasonló búgás, ha jól tudom. Az én esetemben nem ilyen van.
(#) snaz válasza kadarist hozzászólására (») Okt 4, 2013 /
 
Ha készüléken belül van, akkor azzal nagyjából nem tudok kezdeni semmit, ugye?
(#) kadarist válasza snaz hozzászólására (») Okt 4, 2013 /
 
Ha ez egy gyári készülék, akkor jobban meg van kötve a kezed. De sokszor segít egy jól megépített hálózati zavarszűrő-fojtó egység. Lehet, hogy a készülékedben nincs ilyen. Hálózati zavarszűrő..
A hozzászólás módosítva: Okt 4, 2013
(#) snaz válasza kadarist hozzászólására (») Okt 4, 2013 /
 
Gyári az összes készülékem.
Azt hiszem valami ilyesmire lesz szükségem.

Mindenkinek köszönöm a segítséget!
(#) pucuka válasza snaz hozzászólására (») Okt 4, 2013 /
 
Hálózat felól nem lenne szabad ilyen zavarokat venned. Gondolom, ha ez az áramszolgáltató hibája lenne, akkor az ilyen zavar másoknál is lenne.
Ha nem bírsz vele, akkor zavarbejelentést kellene tenned az NMHH -nál, hogy valami zavarja a TV -det. A hangcuccról ne tégy említést, mert ha a TV -vel kapcsolatosan megállapítódik a zavarás ténye, mikéntje, akkor a többi probléma is megszüntethető lesz.
(#) snaz válasza pucuka hozzászólására (») Okt 4, 2013 /
 
Köszi!
Érdeklődöm kicsit a szomszédoknál, hogy ők tapasztalnak-e ilyesmit.
Következő: »»   38 / 64
Bejelentkezés

Belépés

Hirdetés
XDT.hu
Az oldalon sütiket használunk a helyes működéshez. Bővebb információt az adatvédelmi szabályzatban olvashatsz. Megértettem