Fórum témák
» Több friss téma |
Szia. Én az Urbán félét építettem meg. Valahol van egy jó kimenőfokozat kapcsolásom, majd előkeresem neked.
Oké, köszi! Mennyire lehet érzékeny arra ha csak próbapanelon összedrótozgatom? Mert amíg nincs egy végleges nyákom nem biztos, hogy érdemes megcsinálni, mert lehet csak az 5. lesz megfelelő kapcsolás.
Meglestem dc be is, u. az.
Holnap megnézem másik szkóppal is, biztos ami biztos.
Nyugodtan építsd meg próbapanelon, nem lesz vele gond! Lehetőleg úgy állítsd össze, hogy a vezetékek minél rövidebbek legyenek. Magasabb frekin már beleszól egy kicsit a vezetékek hossza is, de ez nem számottevő. Inkább a szűrt tápra vigyázz. A vezetékek összeszedhetnek némi zavarjelet, erre a kapcsolás nem igazán érzékeny.
Biztos lehetsz benne, hogy az ic szabályos négyszögjelet ad ki! Probléma legfeljebb az erősítő fokozatnál vagy a csatolásnál lehet, ha nem jó a kompenzálása. A másik lehetőség az, hogy a kimenő fokot nem terheled le a megfelelő impedanciával. Nekem a gyári függvénygenerátor csinál hasonló gondokat, nem mindegy hogy 50 vagy 600 ohmosra állítod a kimenetét a terhelés függvényében. Ha lesz időm csinálok képeket a jelalakokról.
Na erőt vettem magamon. Az első kép 1v/div ac bemenet, jól látszik főleg alul hogy kompenzálatlan, a második ugyan az de dc bemenettel, tökéletesen kompenzált. A harmadik 50 ohm dc bemenettel, erősen leterhelte! Már csak 0,1v/div, de a kompenzáció rendben van! A negyedik kép maga a kütyü.
Bocs de a képeket fordított sorrendben tette be miután elküldtem!
Na még két kép. A háromszög csúcsánál bal oldalon alul felül törés látszik, a színusznál, bár a képen nem látható rendesen az alsó és felső csúcs közepén van egy egy pirinyó tüske. Hát ezért 1,8% a torzítása.
Úgy látszik ma szószátyár vagyok. Még egy roppant fontos dolog! Ha utánaépítesz egy kütyüt, általában a leírásban szerepel hogy kell a bállításokat elvégezni. Így állítottam be én is a kütyümet egy voltmérő és egy akkor még meglevő RFT 203-as szkóp segítségével. Gondolkodtam azon hogy a torzításmérő segítségével javítok valamit a kimenő jelalakon, de letettem róla, mert egyrészt időigényes, másrészt a mostani formájában az 1,8%-os torzítás megfelelő (nem ezzel kell egy műszererősítőt behangolni), és a szkópon úgyis látszik a be és kimenő jelalak közötti különbség. Harmadrészt Urbán elcseszte a tervezését a sweep funkció használatával kapcsolatban. Bár van rajta sweep bemenet, teljességgel használhatatlan, az eredeti gyári ajánlásban (lásd XR2206.PDF), a chip egyik bemenete adja a sweep funkciót, nála egészen máshova van kötve. Na nem is működik! Viszont normál erősítők hangolásánál, meg egyéb bemenő jelalakot kívánó kapcsolásoknál nagyon jól használható!
Üdv!
Ma sikerült megnézni egy tuti jó szkóppal, eredmény u. az. A semminél többet ér, erősítőt tesztelni jó lesz.
Nekem sem sikerült többet kihoznom belőle. Már gyanakszom. Lehet hogy vannak gyengébb minőségű IC-k is? És pont kifogtam egy ilyet?
Üdv!
Előfordulhat, előtte egy aksitöltővel jártam így, megy az ic de mégse, nem tölt semmit, és az is több mint 1000 ft+ posta volt A maxim ic s többet tudott volna állítólag, de azt az ic t nem találtam sehol, meg drágább is
Hi! Nézd meg az ic 11-es lábán a jelalakot, előtte ha tudod kösd le a vezetéket róla. Eleve nem tetszik, hogy két kapcsolóállásban is a földre van kötve. Ezt valószínüleg azért csinálták így, hogy a másik két jelnél ne zavarjon be. Az Urbán féle kapcsolásnál párhuzamosan működik a négyszög is, csak másik csatlakozón. Nem zavar be a másik két jelbe. A max038-nál azért kapcsolják le, mert ott nagyobb frekin bezavar. Kösd külön csatira, egy tranyó, egy dióda, és három ellenállat kell neki az Urbán féle kapcsolásból. A dióda kb 0,6 voltos küszöbfeszültsége lehatárolja a jel tetejét, a tranyó megfelelő feszre erősíti, és olyan négyszögjeled lesz, hogy a tíz ujjadat megnyalod utána. Az egészet meg tudod építeni lengőben is, nem kell neki nyák. Sima 50 ohm kábel két bnc csatival kompenzálás nélkül ráküldve a szkópra csinál olyan jeleket, amilyeneket a képeken láttál. Ezért nincs ac bemenetnél kompenzálva, a kábel valahány pikofarádos kapacitása a szkóp bemeneti kapacitásával elhúzza kicsit a négyszögjelet. Egyencsatolásnál még jelentősen leterhelve is tökéletes a négyszög, viszont a kimeneti feszültség esik drasztikusan. Ha a lábon tényleg szar a jel, a jelátalakításnál nem gond, mert az ic belül a diódához hasonlóan levágja a négyszög tetejét, és az így keletkező fix pontos feszültséget küldi rá egy erősítőn keresztül a jelformáló áramkörre. Gondolom én.
Na még annyit hozzátennék, hogy egyszerűbb megoldás az eredeti kapcsolási rajzon szereplő s3c kapcsolórész levegőben lógó lába ( 9-es ) , és a föld közé beforrasztani egy diódát, így az négyszögjelnél lehatárolja a tetejét, viszont nem tudom megmondani a kimenő feszültség mértékét. Így szabályozható lesz mint az eredeti kapcsolásban, viszont neked kell lemérni hogy mekkora határok között. Tovább bonyolítva beépítheted az Urbán féle tranyófokot az ic 11-es lába és az s3a kapcsolórész 3-as lába közé, ekkor az R1 10k-s ellenállás felesleges, helyette 22k-s megy a +12v-ra. Ekkor ugyancsak szabályozható lesz, legfeljebb akkor kell variálni a tranyó erősítésén, ha a kimenő feszültsége ( kb 4,5v ) jelentősen eltér a 11-es lábon mérhető kimenő feszültségtől. Négyszögjelről lévén szó, a szkóp ernyőjén kell mérni!
Az előbb hülyeséget írtam! Nem kell a 11-es lábról a vezetéket lekötni mert a 10k-s r1-en keresztül kapja a +12v-os feszültséget, ezt rángatja le belül egy tranyó a földre. Valószínüleg itt rontja el a kompenzációt a kapcsolás! Csak a kapcsolót tedd ne négyszög állásba, így a kimenet nem lesz összekötve T1-gyel!
Szia !
Melyik kapcsolast erdemes megepiteni? Az utobbit amit mellekeltel?
Üdv!
Néztem, u. az, a jel az ic négyszög kimenetén már torz.
Szia! Mindkettőt vegyesen! Az Urbán féle kapcsolás szerintem jobb, bár a sweepelés nem működik, bár a másikon sem. Ha mégegyszer megépíteném a négyszögjelet a d1-ről elvezetném egy átkapcsoló segítségével a p8 szintvezérlő potira, így lenne egy fix ttl jelem, és megkapnám a négyszöget szintszabályozva is. Bár kérdés mennyire torzulna a négyszögjel, kellene e kompenzálni. Viszont erősítők beállításához nagyon jó lenne. A másikból viszont átvenném a végerősítőt c8-tól, vagy ha torzítja kicsit a kapacitás, akkor r8-tól, kérdés mennyire tűri az egyenfeszültségű csatolást. Nem tudom mennyi ennek a végerősítőnek a torzítása, ezt előbb meg kéne építeni és bemérni. Lehet hogy megtenné végerősítőnek MolnarG krajz.JPG-n lévő egyszerű végfok is. Ezt csak megépítés után lehet eldönteni. Amit mindkét végfoknál hiányolok: egyiken sem lehet állítani, így kérdéses a kereszttorzítás értéke, mert ugye az egyik félhullámot az egyik, a másikat a másik tranyó adja ki. Nekem az Urbán féle kapcsolást sikerült szemre 1,8% -os színuszra beállítanom szkóppal. A szintállító és a frekiállító potméter a gyengélye. Ennél többet is ki lehet hozni belőle. Ha nagyon jó végfokot akarsz hozzá, keress egy a osztályú erősítőt, 2-3 wattos 4 vagy 8 ohmon elég.
Szia! Akkor építsd hozzá az Urbán féle diódás tranyós fokot, ahogy már előtte leírtam. Erre gondoltam: " Tovább bonyolítva beépítheted az Urbán féle tranyófokot az ic 11-es lába és az s3a kapcsolórész 3-as lába közé, ekkor az R1 10k-s ellenállás felesleges, helyette 22k-s megy a +12v-ra. " Így a négyszögjeled tökéletes lesz, legalább is T1-ig.
Nagyon szívesen. Be kell vallanom hogy kicsit hazabeszéltem
, mert én az Urbán félét építettem meg, ahhoz kaptam kittben egy alkatrészcsomagot, és ami fontos volt nyákot. A másikkal nincs tapasztalatom, az attól még nagyon jó lehet, mint láttuk a négyszögjeltől eltekintve. Viszont ha eltekintünk a teljesítményerősítő résztől, kevesebb alkatrészt használ, ezáltal olcsóbb, egyszerűbb a felépítése, könnyebb nyákot csinálni hozzá, vagy meg lehet építeni az egészet lengőben nyák nélkül is. Az egész építősdi kompromisszumok kérdése. Nem csak azt kell eldönteni, hogy mit akarok építeni, hanem azt is hogy mik a lehetőségeim, vagy mit tudok megcsinálni, esetleg mire akarom használni. Ezek a kis készülékek nem nagy precizitású erősítők beméréséhez valók, de ha sikerül precízen megépíteni, a hobbi kategóriában nagyszerűen használhatóak. Egy hasonló tudású gyári készülék sem igen tud többet ennél, viszont precízen be van állítva, és a kinézetük már nem hobbi kategória. A mienknél csak a sweepet kéne megoldani, ezt az ic alapból tudja, csak a kapcsolásunk nem. Viszont a gyári 30-40000 Ft-nál kezdődik, a miénk még kittben sincs 10000. Ami még hiányzik ezeknél a kapcsolásoknál, az egy frekimérő, amit ki tudsz hozni bőven 10000 alatt szerényebb képességekkel, a gyáriaknál ez plusz 40000 forint. Tehát ha jól számolok az egész jó esetben 10-15000, max 20 ha kittben mindent megveszel, szemben a gyári 80000-rével.
Mindenkepp probapanelon epitem. Hamarabb megy, nem szeretnek nyakot faragni hozza. Frekimero nem lenyeges, ott a szkop. Lenyegeben az IC mukodese lenne erdekes. Annyit tudok hogy van egy alap negyszog es abbol allitja elo a haromszog/szinus jelet. Hogy lehetne mindezt nagyobb frekire megalkotni?
![]() Vagy erdemesebb lenne DDS-en elmelkedni?
Nem akarok ellenetek (Urbán elektronika) beszélni, de egy freikmérőt olcsóbban ki lehet hozni. Egy PIC-kel meg lehet csinálni, persze, ha van PIC égetőd.
[off]Nekem nincs, de elviszem a szomszéd városba JZoli-hoz, és beégeti nekem.
A frekimérő roppant lényeges! Először is nem kell külön szkóp vagy a bemenete hozzá, másodszor mérhetsz külső frekit, harmadszor a leggagyibb frekimérő is nagyságrenddel pontosabb mint a normál szkópos mérés. Elismerem "luxus kategória". Az ic kb ezt a frekit hozza, valamennyit tudsz emelni rajta, de ez már nem a hangfrekis kategória. Azt bőven teljesíti. Nagyobb frekit tudsz pl max038-al kihozni, 10MHz. Vagy nézz körül a neten egyéb kapcsolás után. Viszont az árban meg munkában is jóval több.
Nem beszélsz ellenem, nem vagyok Urbán elektronikás,csak az ő kittjéből építettem a cuccost. Az ár nagyban függ attól, hogy mi van a fiókban, és mit vagy képes magadtól megcsinálni, én csak hasra ütve kb mondtam. Ha van otthon a fiókban egy készüléked, akkor ingyen van, legfeljebb le kell porolni. Pic-es frekimérőt is lehet csinálni, egy alkalmi, ritkán használatos égetőt majd fillérekből ki lehet hozni, ha szerencséd van működik is, bár ez több dologtól függ. A neten van elég kapcsolás meg progi hozzá. Az Urbán féle elektronikákról meg annyit, hogy sokszor túlkomplikált, egyszerűbben is meg lehetne építeni őket, csak át kell tervezni. Na ehhez én hülye vagyok. Örülök ha egy kész kapcsrajzot után tudok építeni. Sokmindent lehetne egyszerűsíteni enélkül is próbálkozással, de ez roppant időigényes, és nem biztos hogy jó lesz a végeredmény. Ez a kapcsolása viszont elég jól működik, ezért vagyok mellette.
Komparátorokból összelehetne tákolni Függvény generátort csak lassú , 30 megahertzig nem megy
:sir:
Üdv!
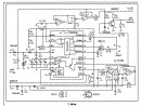
Szeretnék építeni egy ilyen függvénygenerátort Bővebben: Link Nagyon jónak tűnik, nagyon tetszik, egyetlen gond, hogy nem találok hozzá kapcsolókat "S2" "S3" Ismeri ezeket valaki, tudtok beszerzési helyet? Még sosem vettem ilyent, boltban hülyének néztek Köszönöm!
Szia!
Jaxley vagy magyarul körkapcsolót kérj. Az S2 1áramkörös 4állású. Az S3 pedig 4áramkörös 3állású. S3-nak elég lenne a 3áramkörös is, mert az egyiket nem használják, de úgyis csak 4áramköröst kapsz. És S2-ből is valószínű hogy csak 3áramkörös lesz, a többi áramkört meg nem használod. Szinte bármelyik alkatrészboltban találsz ha így kéred.
Szia !
Én az Urbán félét építettem meg, az jobb. Annyi a különbség hogy a négyszögjelet csak TTL-ben adja ki, 1 db 1 tárcsás jaxley kell hozzá, és műveleti erősítőket tartalmaz. Egy plusz kapcsolóval lehetne a négyszög amplitúdóját is változtatni. Nagyon szép négyszögjelet ad ki. Azt a kapcsolást amire hivatkozol páran már megépítették, és nagyon pocsék a négyszögjel, ahhoz hogy jó legyen valamivel formálni kéne a jelalakot.
Szia ! Megvan, ha lesz időm beszkennelem a cikket is, hogy kell beállítani.
|
Bejelentkezés
Hirdetés |











A maxim ic s többet tudott volna állítólag, de azt az ic t nem találtam sehol, meg drágább is
, mert én az Urbán félét építettem meg, ahhoz kaptam kittben egy alkatrészcsomagot, és ami fontos volt nyákot. A másikkal nincs tapasztalatom, az attól még nagyon jó lehet, mint láttuk a négyszögjeltől eltekintve. Viszont ha eltekintünk a teljesítményerősítő résztől, kevesebb alkatrészt használ, ezáltal olcsóbb, egyszerűbb a felépítése, könnyebb nyákot csinálni hozzá, vagy meg lehet építeni az egészet lengőben nyák nélkül is. Az egész építősdi kompromisszumok kérdése. Nem csak azt kell eldönteni, hogy mit akarok építeni, hanem azt is hogy mik a lehetőségeim, vagy mit tudok megcsinálni, esetleg mire akarom használni. Ezek a kis készülékek nem nagy precizitású erősítők beméréséhez valók, de ha sikerül precízen megépíteni, a hobbi kategóriában nagyszerűen használhatóak. Egy hasonló tudású gyári készülék sem igen tud többet ennél, viszont precízen be van állítva, és a kinézetük már nem hobbi kategória. A mienknél csak a sweepet kéne megoldani, ezt az ic alapból tudja, csak a kapcsolásunk nem. Viszont a gyári 30-40000 Ft-nál kezdődik, a miénk még kittben sincs 10000. Ami még hiányzik ezeknél a kapcsolásoknál, az egy frekimérő, amit ki tudsz hozni bőven 10000 alatt szerényebb képességekkel, a gyáriaknál ez plusz 40000 forint. Tehát ha jól számolok az egész jó esetben 10-15000, max 20 ha kittben mindent megveszel, szemben a gyári 80000-rével. 






