Fórum témák
» Több friss téma |
most lehet nem ugyan arról az erősítőről beszélünk, de egy fm212r van nálam épp kis modifikáción és ennek amugy b szott jó hangja van 4x12 v30on. Ami azt illeti ki is néztem egyet GS en.
És miért borzalmas a torz csatornája? Valami tuodományos indoklást prezentálj légyszives. A hozzászólás módosítva: Dec 7, 2016
Sok verzió nem igen van ebből, mindössze a fekete meg az ezüst jött be az országba. Ha neked tetszik a torzítása, hát legyen. Szerintem nem érthető a gitár hangja a torz csatornán. Akár hi-gain, akár csak finom fátyol a beállítás, egy jó torzító nem fullasztja le a hangot. Bohóckodni lehet vele, de se kihangosítva, sem önnállóan nem sikerült kicsikarni belőle rendes hangképet. A tiszta csatorna viszont tényleg szépen szól. Egy kompresszort kötve elé, finom kompressziót beállítva megüti a twin reverb hangját. Pedig az magasabb kategória.
Most direkt a hozzászólásod miatt visszakötöttem rá a gyári ládáját, bár az egyik hangszórója nem az eredeti, de nem értem mi a bajod ezzel a torz csatornával. 2,5-es drive-on az én gitárommal ennek nagyon jó hangja van. Nekem pont a tiszta csatornája túl nyers, de kategorikusan kijelenteni, hogy egy erősítőnek ROSSZ a hangja, mert valakinek nem tetszik.... az wtf. Nekem meg a high gain erősítők cuzamme nem tetszenek, akkor most azok sz rak...!?
Az említett Twin reverbhez SEMMI köze nincs az erősítő hangjának egyik csatornán sem, ezt csak azért merem biztosan állítani mert nekem van egy.
Örökké vitázhatnánk, de nem sok értelme lenne. Neked is meg van hogy mi tetszik, meg nekem is. A kihúzott kábel okozta zúgásból ide érkeztünk. Arra viszont nem nagyon láttam érdemi választ. De valószínű, hogy azt az erősítős helyen kellene megvitatni. Ami kiváltotta belőlem ezt a stílust, az az volt, hogy veled együtt már ketten kötöttetek bele az eredeti kérdesre adott hozzászólásomba, mielőtt meggyőződtetek volna miről is van szó.
Nem kétlem hogy általában a bemeneti jack okozhat ilyen problémát, ha kihúzott dugóval nem tudja leföldelni a bemenetet, viszont ha a kérdező leteker minden potit nullára, akkor csak akkor lehet zúgás, ha azt nem a bemeneti aljzat hibája okoz. Tranyós hasonló kategóriájú erősítők java része úgy némít, hogy nem csak a bemeneten, hanem egy közbülső ponton is megszünteti a jel továbbterjedését. Ennél a modelnél pedig korábban leírtam hogy milyen elven történik. Azért felteszem a rajzot, hátha így egyszerűbb. Érdemes lenne egy vitázós topikot is nyitni, mert ugyan én szeretek vitába kerülni, de a moderátor nem biztos hogy jó szemmel nézné.
Én már megtanultam, hogy ezen a fórumon mindig az a rossz fiú aki visszaüt.
Elnézésed kérem! Mélységesen bánt, hogy bődületes szamárságnak tartom továbbra is, amit mondasz a zúgással kapcsolatban. A kérdező egy szóval sem mondta, hogy letekert mindent nullára. De legyen neked igazad! Kihúzott gitárkábel esetében tapasztalt zúgás esetén, ami megszűnik a bedugáskor, a kimenet DC offszete okolható. Logikusan hangzik...részemről lezártam a témát, mégegyszer mondom, Neked van igazad! Meg se nézze a kérdező a jackeket! Köszönöm és mégegyszer elnézést! Zs.
Szia.Kellemes Ünneplést!Hozzád fordulok egy kérdéssel!Három fokozat jfetes előfokot kapcsoltam össze, de még nem torzít.Kevés lenne az erősítésük?
Szia! A képből nem igazán látom milyen a fet, milyen a munkapont. 3db j201 pl elég kellemes torzításra is alkalmas lehet, persze tápfesz és munkapont függő...egyéb fetekhez hozzá kell szabni az alkatrészeket (igazság szerint nagyon szórnak a paraméterek egy azonos típuson belül is, én 1000db -os mintából kb 10-15 felé válogattam a feteket, így tudok azonos drain és source elemekkel operálni külön külön mérések és trimmerelések nélkül)! Tegyél fel légyszíves egy jobb képet (bár lehet csak én vagyok béna, de rákattintok és csak homályt látok) és utána térjünk vissza a kérdésre! Köszönöm! Zs.
Sokadik próba!Küldöm a rajzot!
Szia! Első körben a source ellenállást bypassold kondenzátorral. Pár száz nF-tól felfelfelé pártíz µF-ig. Ettől még elég ortopéd hangja lehet, a fokozat közi csatolókat is át kell gondolni, de egyelőre vizsgáld meg ezt a dolgot. Zs.
Bocsi hogy beleszolok de jo lenne tudni milyen totzitast varsz a "kapcsolastol" van valami hangmintad esetleg?
Szia! A surce ellenállással párhuzamba tettem kondenzátort.Kitartása van a hangnak.Hosszú ideig szól, de tisztán.Most tranzisztoros előfok van a hangszín elött.Ha nagy bemenő jelet adok klippel rendesen.Ha kicsi a bemenő jel, tisztán szól, de nem olyan szép a hangja mint a fetesnek.Lehet megcsinálom átkapcsolhatóra!
Szia!Elég nekem a blues hangzás is!Úgy kellene, hogy a gitár hangerő potijával tudjam szabályozni mint a sima tranzisztorosnál.
Ragaszkodsz a J201-hez ?
Esetleg ez ?
Marshall Pedals: Blues Breaker
Bővebben: Link es a diodakkal meg varialhatod is a hangzast. (persze nem csak azzal )
Sziasztok. Hasonló hangzású kapcsolást keresnék esetleg a jártasabb szakikat kérdezném.
Itt a link a hanghoz: youtube hang
Hali!Freestompboxes.org oldalon ametál zone 2!
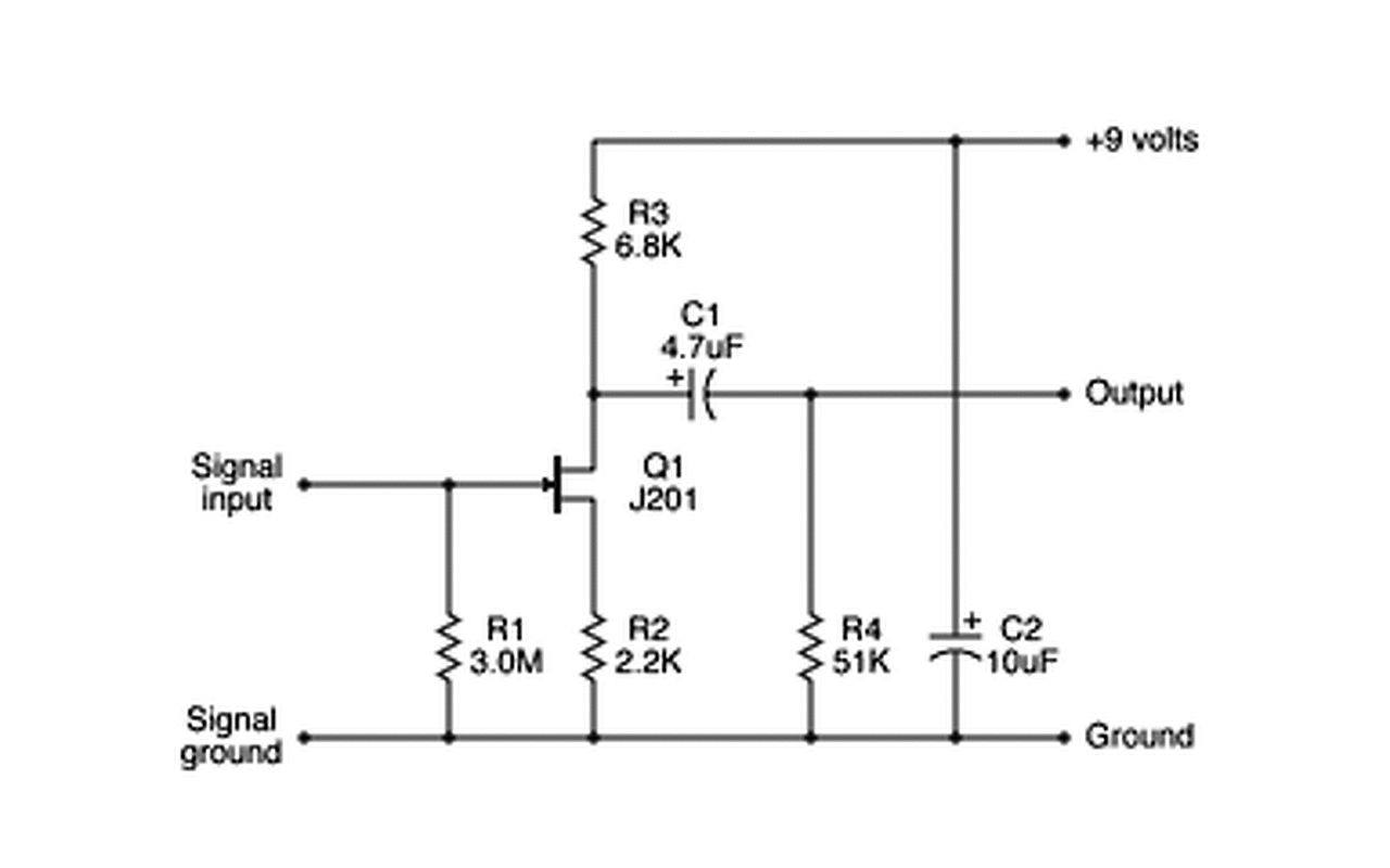
Ez egy jelkondícionáló kapcsolás.
Sziasztok! 4X12-es 4/16 Ohm mono, és 8-8Ohm stereo között kapcsolható gitárládám aljzatait szeretném Jack-ről Neutrik Speakon-ra cserélni. Azt hittem, egy egyszerű ki-beforrasztásos csere lesz, de konstatálnom kellett, hogy a nyák-ba forrasztott eredeti jack-aljzatok kapcsoló funkciót is megvalósítanak. (Minthogy aki tud válaszolni a kérdésre, úgyis érti, hogyan, nem vesződnék a részletezésével.) Sajnos a Neutrik aljzat önmagában nem képes dugó-vezérelt kapcsolóként működni, és emiatt sem helyettesíteni, sem kiegészíteni nem tudja a jack-ek funkcióját. Ti milyen megoldást javasoltok erre a problémára? Hogy egyszerűsödjön a feladat, a 2X 8Ohm-os kapcsolási lehetőségről szívesen lemondok, mert sose szerettem, és használtam. Köszi előre is a válaszokat!
Szép napot mindenkinek !
Egy kis információ gyűjtés miatt jöttem , épülget egy erősítő ami nem feltétlenül gitár erősítő lesz ,de szeretnék rá gitár bemenetet is ezért a gitár jelét egy kis műveleti erősítővel emelném fel az erősítő 200mV-os bemenetéhez.Az lenne a kérdésem ,hogy egy gitárnál , pl basszus gitár, mekkora a tisztán gitárból kijövő jel feszültsége kb ?Mert akkor lenne érték amivel számolnék az én kis műv erősítőmhöz.
Szia!Ha csak 4 ohm, vagy 16 ohm csatlakozást szeretnél kösd sorba, párhuzamba, sorba-párhuzamba.Nem írtad hány ohmosak egyenként a hangszórók!
Boss mt2. A probléma adott. Más pedálnak nincs baja.
Nagyon változó a jel feszültsége. Hangszedő típusa, pozíciója és magassága is beleszól.
Pl. a HSS konfigurációjú stratomon a hídnál lévő humbucker majdnem "érintőre" fel van tekerve, nagy terhelőimpedancia mellett több V csúcsfeszültséggel indít (még az 50kOhm-os 0dBu bemenetet is "tűrhetően meghajtja" - az már durván terheli). A single hangszedők kényszerből alacsonyabban vannak (ne akadjon beléjük a pengető), ott már csak a pengetés csúcsfeszültsége van 1V felett, az első teljes hullám már néhány 100mV nagyságrend (a telémnél kicsit alacsonyabb értékek). Nagy a szórás. Van itt még kéznél aktív PJB és EMG 80+61-el feltuningolt superstrat is, azok érdekes módon alacsonyabb jelfeszültséget szolgáltatnak. Kb. 100-150mV legyen a fogadott legkisebb jel teljes kivezérléshez, az ennél nagyobbat lehessen leosztani. Egy jól kivezérelhető nagy impedanciás bemenetű erősítő fogadja a jelet (minimális, 2 alatti erősítéssel - csak azért, hogy a 200mV bemenet kisebb jellel is kivezérelhető legyen), majd utána legyen egy poti. Legtöbb torzító már vígan meghajtja a tipikus (0dBu) vonalbemenetet. A hozzászólás módosítva: Jan 14, 2017
Én meg már az 5 mV-al számoltgattam amit a mikrofonok adnak , oda valahova tippeltem volna az értékét.A héten volt lehetőségem az erősítőre simán gitárt kötni , hááát nagyon gyengusz volt a hangja úgyhogy szerintem az a 2-es erősítés kevés lesz ,de majd meglátjuk.Esetleg valami bevált ajánlott kapcsolás előerősítőnek?Hangszín nem lényeges.Egy műveleti erősítővel szerintem már megelégednék A hozzászólás módosítva: Jan 14, 2017
Szia.
Ez valószínűleg táp szűretlenség. Itt találod a rajzát.
A gitárnak lényeges, hogy nagy bemeneti impedanciára csatlakozzon. Több száz kOhm, de inkább 1 MOhm, ugyanis néhány 10kOhm bemenet nagyon leterheli a hangszedőt (nem kizárható, hogy a próbánál így jártál), ill. passzív elektronikánál a hangerő poti is vagy 250kOhm, vagy 500kOhm, ha nincs ütközésig feltekerve, egy sima vonalbemenetre tényleg csak mV-ok mennek. Ha fentebbi nagy impedanciás körülmények adottak, már 100mV nagyságrendű jelet kapsz. De mint írtam, nagy a szórás jelszintekben, nagyságrendi különbségek lehetnek. Itt nincsenek "szabványos" jelszintek.
Kapcsolás minden hangszín és tsai nélkül? Ha van szimmetrikus tápod, egy FET-es bemenetű OPA nem invertáló kapcsolásban (tápközepet beállító ellenállás min. 1MOhm), a fokozat után egy poti a 200mV-os bemenet felé. Alap esetben egyszeres erősítésre bekötve, de a visszacsatolás ellenállásainak meghagyod a helyet, hogy szükség esetén tudj növelni az erősítésen. A bemeneti jack-et úgy kösd be, hogy kihúzott dugónál testelje a bemenetet (azaz kapcsolós legyen). De legyen valami konkrét kapcsolás: Bővebben: Link Igaz egyszeres és telepes tápra készült, de így néz ki egy egyszerű, gitárhoz való jelerősítő fokozat. Nagy bemeneti impedancia, változtatható erősítés. Készülékbe építve az OPA cserélendő a nagyobb fogyasztású, de kisebb zajú TL071-re, ill. az előerősítőben rendelkezésre álló szimmetrikus tápról járatandó (max. +- 18V).
Fél oldalra kész a 4558-as kapcsolási rajza de mivel nem mélyedtem bele a témába az 1out és az 1in- közt van egy 47 kiloohmos összeköttetés. Milyen szerepet tölt be? Negatív visszacsatolás? Csak tippelek. Az eredeti torzítás mértékén akarok állítani. Elnézést a ronda rajzért. Csak nyers vázlat.
A hozzászólás módosítva: Jan 29, 2017
Időközben kész lett. Kivettem és egy fél megás potit raktam a helyére. Érezhető a változás a hangjában.
Sziasztok.
Összeraktam egy Marshall JCM800/Plexi 2in1 erősìtőt. EL84 a vége pacsirta kimenővel. A Plexi része rendban van, viszont a JCM800 gerjed, sípol. Többször àtnéztem a panelt és nincs rajta hiba. Kipróbáltam azt hogy csak a második csőfélre kötöttem a gitárt, de úgy is sípolt. A trafóról 230 V AC jön le. Ez van egyenirányítva, pufferelve. Az előfokcső első fele 170 voltot kap, a második 210-et. A hozzászólás módosítva: Feb 11, 2017
|
Bejelentkezés
Hirdetés |






) 
Én meg már az 5 mV-al számoltgattam amit a mikrofonok adnak , oda valahova tippeltem volna az értékét.A héten volt lehetőségem az erősítőre simán gitárt kötni , hááát nagyon gyengusz volt a hangja úgyhogy szerintem az a 2-es erősítés kevés lesz ,de majd meglátjuk.








