Fórum témák
» Több friss téma |
csak nekem furák ezek a hangerő potik mivel tolósak és 2 lábuk van... mert azon is gondolkodtam h egy nagyobb ellenállású mondjuk egy 100k-as potit raknék a 10k-s helyett...
ja és én 10wattosat csak huzalban találtam...
http://www.hestore.hu/prod_10023481.html viszont vannak nekem itthon ellenállásaim... lehet h van nekem is de össze vannak keveredve egy befőttes üvegbe... de viszont van régi zöldem is amelyen irja az értéket... csak akkor mit kell rajta irjon? 2,2R? v 2.2k... mert ezekkel nem vagyok képbe de nagyon...
Ha 100k-t teszel ,akkor gyakorlatilag semmit nem csinálsz, csak nagyobb lesz a poti ellenállása, a kicsatoló kondija marad, max "mélyebbre" megy le, a mélyebbnél is...Amit én mondok, hogy a meleg pontjával sorba egy ellenállást...Nem ugyanaz, nagyon nem. Ha 2 kivezetése van, akkor lehet a 3ik a fém háza(hideg pont, föld)...nem tudom, ilyen potit még nem láttam. Ha a potis megoldást választod, akkor 2 vagy 2,2kiloOhm, az lehet mondjuk 0,6W os fémréteg, vagy valami kis negyed wattos, ha a hangszóróval sorost (mindkét hangszóróvezetékre egy egy ellenállást), akkor 2Ohm, vagy valami közeli szabvány értéket, talán 2,2Ohm. Ezt jelölhetik úgy is ellenálláson, hogy 2R vagy 2,2R, mellette még általában a terhelhetősége wattban...A huzal is jó, ha nincs más, lehet ebben a tartományban nem is lesz más. Próbáld meg. :yes:
Tisztelt Urak és Főleg Kobzoli!!!Vettem egy T64RS-ditár erősitőt.Az eleje csöves de át szeretném építeni!!!Kérnék segítségat :kapcsolási rajz kellene.
Tisztelettel:rubins
Halihó!!!Vettem egy Fender 212 R Frontman-combót.Na olyan hangja van mit egy megfázott embernek.Egysíkú dinamika nuku!!Lehet hogy drága a csöves de nem lehet a kettőt egy napon említeni!
Hali!
Gitárt szeretnék venni és én kinéztem magamnak egy Fender Mustang I kombót hozzá,de sokan lebeszéltek,és azt mondták vegyek inkább Bugera V5-öt,mert az sokkal jobb. Igaz a Bugera v5 csak 5 watt-os,a Fender pedig 20 wattos.Szerintetek melyiket válasszam? A Bugeráról sose hallottam.
A csöves erősítő is van olyan hangos mint a 20W-os Fender, de otthonra nem kell 5W-nál több, a Bugera jobban szól mert csöves, ha elromlik lehet javítani, míg a fendert lehet a kukába dobni. Üdv X2N
A hangszóró érzékenységén múlik leginkább hogy mennyire hangos egy kombó, nem azon hogy csöves, vagy tranyós (IC-s). A "jobban szól mert csöves" sem helytálló kijelentés. A hangszórón múlik a legtöbb.
Vásárlás előtt ki kell próbálni őket és azt venni amelyik tetszik, ilyen egyszerű. Javítani pedig bármit lehet.
Igen ezt én is tudom, csak azért írtam hogy nem lesz hangosabb a Fender mert 20W, ha a 2 hangszóró hasonló, otthonra gyakorolni meg pár watt is elég, 20W már sok. Csöves erősítők általában jobban szólnak, mint ezek a modellezős dolgok, persze ez az én véleményem.
Zenélésre elég lenne max hangerőn a Bugera V5-ös?
Mondjuk a fender Mustang-hoz nem kéne torzítót vennem,de a Bugera V5 önmagába kevés,nem? Amúgy kinéztem két gitárt: Az egyik a Vintage V100 Les Paul, a másik Cort KX-5 nem tudom melyik lenne jó választás,főleg a Bugera V5-höz,vagy tudtok jobb csöves kombót a Bugeránál ebbe az árkategóriába?Max 70-ig? Egyáltalán jó választás Bugera csövest venni?
Ezekre a kérdésekre nemigen van objektív válasz. A legjobb, ha élőben meghallgatod a jelölteket, mielőtt döntesz. Az is jó, ha tudod, milyen hangzást szeretnél. Jó a Fender és a Bugera is, csak más-más karakter.
A gitárokra ugyanez érvényes, sokan szeretik a Cortot is, a V100-ast is, én az utóbbi mellett döntenék, de a gitár neked kell...
Hali!
Rossz félvezetős erősítőt ne hasonlíts egy mondjuk jó csöves erősítőhöz! Mind félvezetősből, mind csövesből létezik pocsék és szenzációs is! A kutya nem az alkatrészben van elásva. Nagy tanulság, hogy próbáld ki vásárlás előtt...Ilyen felvezetés után meg csodálkoznék azon, ha valaki jelentkezne a "hirdetésedre"... :no: Én egyedi gitár erősítőket gyártok(csövest is meg félvezetőst is, a kettőt együtt is), most készülök egy full félvezetőssel, majd mutatok róla pár hangot ha elkészül...Semmi kopi, (nem másolok) kb egy éves evolúció eredménye,majd mutatok róla hangot, ha elkészül...A fender csöves erősítőit ne hasonlítsd össze a kis 212-vel ,mert állatira inkkorekt dolog.Mit vártál kb 70-80 ezerért? Egyszer javítottam egyet, az alkatrészek minősége elég silány, nem beszélve a még silányabb hangszórókról...2 normális hangszóró kb kerül annyiba, mint az egész kombó. Mindent a helyén kell kezelni, ennyi pénzért ez korrekt termék.Vásárlás előtt próbálni, youtube-ot elfelejteni ilyen szempontból...Szerény véleményem szerint
A modellezősnél tuti jobban szól az eredeti, mint az a modellező ,ami az eredetit modelezi. (Guminő esete...) Megint nem korrekt összehasonlítás, mert bizony van jó félvezetős erősítő is. Otthonra gyakorolni nekem 1W is bőven elég lenne a 412 -es V30 ládámon, nem éppen társasházba való dolog, mert nem tudom kihajtani.De W-okkról beszélni sem épeszű dolog, mert nem színuszt hallgatsz ellenálláson... . Mindent a helyén kell kezelni, azzal meg, hogy ki kell dobni a "fendert" azzal aztán nem érek egyet én sem, mert ahogy Bassmester is írta, mindent meg lehet javítani! Zs.
Szerintetek melyik gitárt és kombót válasszam:
Gitárok: - Cort KX-5 - Vintage V100 Les Paul Kombók: - Fender Mustang - Bugera V[i][/i]
Szia!
Skylooker már elmondta a megfejtést: Próbáld ki! Zs.
Vegyél használtan, jó áron.
Úgyis el fogod adni később, kevesebbet buksz rajta. Ne hidd hogy elsőre meg fogod találni, a tutit, a neked valót.
Hát pedig én tuti nem akarom eladni,azért is próbálok minél több véleményhez jutni,meg a másik,egy gitárt nagyon nehéz eladni.Ha más nem megveszem a Vintage V-100-ast,azt tuti nem fogom eladni már csak az ára miatt is,jó hangszer lehet az,csak a Cort-ot nem tudom hova tenni,mert nekem azt mondták,hosszú menzúrájú és mahagóniból készült gitárokat kell választanom az általam játszani kívánt zenékhez,csak az a baj,hogy a Cort nem mahagóni,hanem hárs-ból készűl,viszont rövid a menzúrája,a Cort-nak pedig hosszú,a drop hangolások miatt,szóval elég eldönteni,az egyikbe valami megvan,valami nincs,a másiknál pont fordítva van
Idézet: Annyiszor lenne 5.- forintom ,ahányszor ezt hallottam...Mindenki így indul neki, mégis minden használt hangszer topik, fórum tele van...Nekem ami cuccom van eddig, azt nem adtam el, a szívemhez nőtt minden, minden használható valamire. Csak ez egy anyagi és gazdasági csőd „Hát pedig én tuti nem akarom eladni” Enni nem kér, egy része a szekrény mélyén alszik
Nekem nincs pénzem gitárokat,erősítőket cserélgetni.Úgyis csak buknék rajta sokat ha egyáltalán eltudnék adni valamit.Lehet el se tudnám adni,de amint írtam nekem nincs pénzem erre,hogy cserélgessek,rápótoljak,stb.
csak attól tartok ha holnap bemegyek egy hangszerüzletbe és kipróbálok egy Cort-ot,meg a Vintage V-100-ast egy szimpla kombón,hogy lehet nem fogok különbséget találni hangzásba,na ekkor leszek bajban a döntéssel,mert hosszabb távra tervezek.
Ha kipróbálsz 2 gitárt és a különbségre vagy kiváncsi, mindegy min próbálod ki...Ha nem találsz különbséget az attól lehet, hogy mindegyik ugyanolyan jó a fülednek, akor válaszd az olcsóbbat....de ezt szinte kizártnak tartom, a V100 meg a Cort teljesen más kaliberű gitár, mondhatjuk úgy is, hogy mindegyik másra jó. Mintha azon vitatkozánk, hogy imprezzát vegyek vagy lancert, de igazából nem tudom, hogy egyáltalán ralliznék -e....Más más a hangszedőjük is,hangerő és tónus áramkör struktúrája, mindegyknek óhatatlanul más a hangja. A fa mennyisége is más és még ezer paraméter. El kell döntened, hogy melyik előbb, gitár vagy kombó...Aztán úgymond a kabáthoz varrni a gombot. Ember nincs a földön ,aki helyetted mondja meg, hogy mi jó neked. :no:
A kombó az szerintem Fender Mustang lesz,a Bugera V5-nál akartam maradni,de az kevés szerintem zenélésre,lehet elnyomná a dob,viszont a Cort hoszabb menzúrájú gitár,mint a V100-as.
20W/5W alig 6dB különbség(ha jól számolom)...különbségnek különbség, ez vitathatatlan, de egy ilyen alig 80-90dB/W/m-es 8-10"os nóném kínai gtár hangszórónál nem éred el a 90dB-t sem 1m-ről max kivezérlésnél. (átlag 412-es láda celestion lökőkel 100dB/W/m körül jár, tehát egy wattal 10dB-el több is lehet, akár dupla hangereje is lehet, mint neked a kombó 20W-al...Csupán azért említemm ,hoyg képet kapj a hangerőről...)Nem ez fogja meghozni a hangerőt. Természetesen, ha ez a döntésed, akkor hajrá, meg látom a gitár kiválasztása is alakul!
Mindenképpen hallgasd meg élőben is a komplett összeállítást és azután dönts! Zs.
Csak ezt nem tudom,hogy a hosszabb menzúra a fontosabb vagy az,hogy mahagóni legyen a test?
Szerintetek melyik a jobb kombináció?
- [Fender Squier Bullet strat - Bugera V22-es kombó vagy Laney Cub 12-es full csöves Vagy: -Vintage V100-as gitár - Fender Mustang I kombóval[/i]? Az a baj,hogy a V100-as gitárt nem tudom megvenni a Bugera V22-essel,nincs annyi pénzem,úgyhogy vagy egy olcsóbb gitár a drágább csövessel,vagy a drága gitár a tranzisztoros kombóval? Melyikkel járnék jobban szerintetek?Melyiket válasszam?
Te most végülis milyen zenét szeretnél játszani? És mennyi pénzed van az egészre?
Lehangolt metálra se kombó, se a strato nem lesz jó hosszú távon. Egyébként is jobb a fej+láda, de ládából is minimum 2x12-es. Egy dögös metál felszerelés bizony pénzbe fog kerülni, nem is kevésbe. Egy 50W csöves fej, ha nincs kispórolva belőle az anyag, megépítve is 100-150ezer. Láda olyan 50-ből megvan használtan, és remek gitárokat lehet kapni 100e körül, de használtan olcsóbban is, pl. hangmesteren van egy Cort m520, 52ezerért, azt bőven megéri. Csak példának mondom, metálra nem biztos, hogy jó megfejtés. Olcsó floydosat ne akarj.
Nem metálra kell,hanem rock zenére,keményebb rock zenei hangzásra.Max 130.000-em van az egészre kombóval és gitárral,ennél többet nem tudok érte adni sajnos,csak azt nem tudom,hogy inkább olcsó 40000 körüli gitár legyen egy csöves kombóval,vagy egy drágább Cort KX-5,vagy Vintage V100-as egy Fender Mustang kombóval,ami sajnos nem csöves hanem tranzisztoros :no:
Te szerinted melyik választás lenne jobb?
Inkább egy használt jobb hangszer, azt úgyis sokáig tudod használni, és később inkább tudsz feljeszteni erősítőfronton.
Itt nézelődj, Cort-okkal jó tapasztalataim voltak, a kx1q vagy az m520 is jó lehet. Kezdetnek meg jó lehet a Fender kombó, aztán majd gyűjtesz még hozzá, fej-ládára. Egyébként, egy 15W-os csöves fej egy 412-es ládával bőven jó bárhova, az van itthon, bőven sok a szobába. Koncerten meg végülis úgyis bemikrofonozzák, de kisebb helyekre anélkül is elég.
Ha nem baj, megosztok pár tapasztalatot, hátha segít.
Évekig játszottam (bluest) egy Fender Frontman 25 kombóval, és egy Squier Affi stratóval. Próbákra, klubba elég volt. Nem volt tökéletes, de megfelelt. Klubban időnként kimikrofonoztuk, szólt. Szabadtéren sajnos édeskevés, mert hiába mikrofonozzák ki, ha nem rakják vissza kontrollba, nem fogod magad hallani, egyszerűen elvész a hangja a levegőben. Azóta lett egy Peavey VK 112-m is, ez egy csöves 50W-os cucc. Nem csúcskategória, de a tiszta csatornáját szeretem; a torzított egy nagy halom kása, de úgysem használom. Nem kicsit szól, hidd el, de múltkor szabadtéren sikerült olyan szerencsétlen módon elhelyezni, hogy rajtam kívül mindenki hallotta... de klubba tökéletes, szabadtéren meg figyelni kell az elhelyezésre. Csöves cuccnál azért vedd azt is figyelembe, hogy időnként csöveket is kell cserélni, ami azért nem filléres történet. Arról nem beszélve, hogy a Bugera sem éppen a legendás megbízhatóságáról híres. Ha még nincs sok pedálod, a Fender jobb választásnak tűnik, a beépített effektek miatt. Otthonra, próbára, kisebb helyekre szerintem elég lesz, ha nem túl állat a dobos... Később, meg ha kinövöd, jó lesz gyakorló erősítőnek. Én a kis Fendert hordom magammal próbákra, mert kicsi, könnyű.. egy idő után ez is szempont, nekem már a hócipőm tele van az állandó cipekedéssel.
Squierben szerintem a bulletet felejtsd el, legalább az affinity-nél kezdd. Használtan már jó áron hozzá lehet jutni, és minimális tuninggal igen jó kis hangszert lehet faragni belőle. Az enyémet most turbóztam fel, kapott egy Ironstone pickup szettet (11e volt postával együtt és klasszisokkal jobb a gyári szedőknél), rendesen át lett kábelezve, árnyékolás grafittal megoldva. Azóta imádom ezt a gitárt, azt vettem észre, hogy esténként ez van a kezemben, pedig van még itt másik három... és abból kettő kicsit komolyabb cucc.
Ezzel a pickuppal gyakorlatilag a teljesen tiszta hangtól a hard rockig jó lett a gitár. Igaz, a híd pickup majdnem 8kOhmra van tekerve, elég harapós tud lenni... ![]() Egyszer egy ismerősön keresztül volt alkalmam egy hangszerbolt teljes Cort kínálatát végigpróbálni. Egy egész szombat délelőtt ültünk a boltban, az eladónak meg lett mondva, hogy azt próbálunk ki, amit akarunk. Nekem azokból egyedül a Yorktown jött be, de az ugye egy másik műfaj... a többi hangja nekem kicsit száraz, jellegtelen volt, de ez csak az én szubjektív véleményem, ettől még jó lehet.
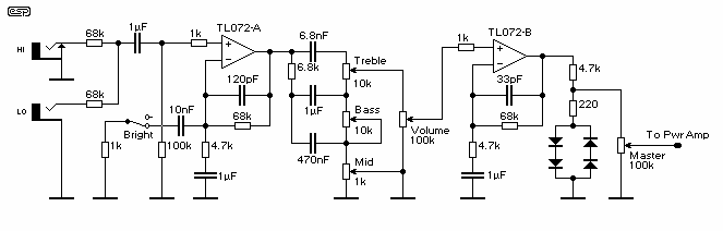
Sziasztok azt szeretném kérdezni, lehet egyszerű a kérdés de nem tudom.. hogy ebben az előerősítőben 2db tl072-t kell használni vagy elég egyet is? válaszotokat köszönöm...
|
Bejelentkezés
Hirdetés |










