Fórum témák

» Több friss téma
Fórum » Hanggenerátor (BFO)
Lapozás: OK   1 / 3
(#) pjg hozzászólása Ápr 2, 2014 /
 
Kezembe került egy régi elektroncsöves BFO elven működő hanggenerátor kezelési könyve. Az az érdekessége, hogy a 20-20000 Hz-es sávot egyben fogja át. Ekkor kezdett zakatolni a fejemben az elveszettnek hitt 4. kerék. Kéne egyet csinálni. Persze nem csővel, hanem valami korszerűbbet.
(#) pjg válasza pjg hozzászólására (») Ápr 2, 2014 /
 
Hogyan is működik? Nagyon egyszerűen. Úgy mint a középhullámú rádiók. (Majdnem)
Van két oszcillátor. Az egyik fix frekvencián rezeg, míg a másikat hangolni lehet. A két oszcillátor jele egy kivonó áramkörbe kerül ahonnan a két jel különbsége kerül a kimenetre. Mindez jó minőségű szinuszjelként.
(#) pjg válasza pjg hozzászólására (») Ápr 2, 2014 /
 
Ezek után jön a hogyan. Van e valakinek ötlete?
(#) pjg válasza pjg hozzászólására (») Ápr 2, 2014 /
 
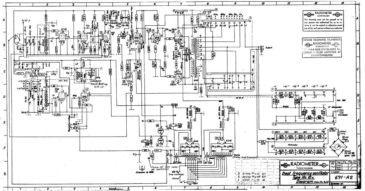
Itt a csöves készülék rajza:
(#) pjg válasza pjg hozzászólására (») Ápr 2, 2014 /
 
Az már kiderült, hogy az egyik oszcillátor fix. 200KHz-en, a másik 200 és 180KHz közt hangolható frekvencián rezeg. A hangolás egy precíziós forgókondenzátorral történik, amit egy hatalmas skálagomb mozgat. Egy modern készülékben ez már egyenfeszültséggel történik.
A hozzászólás módosítva: Ápr 2, 2014
(#) ih.he válasza pjg hozzászólására (») Ápr 2, 2014 /
 
Kell egy kristályoszcillátor, meg egy nagyon stabil LC oszcillátor -én Franklin vagy Vackar oszcillátor környékén próbálkoznék- forgókondival, esetleg modulációhoz plusz varicappal, kell két leválasztófokozat az oszcillátorok után, aztán egy kétszeresen kiegyenlített keverő, ami vagy IC, vagy diódás gyári DBM modul, aluláteresztő LC szűrő a kivonással előálló legmagasabb freki fölé hangolva, meg persze teljesítményerősítő a végére.
Lényeg, hogy kicsi legyen a hangolható oszcillátor frekvenciaátfogása, így a paraméterei nem változnak sokat, plusz így könnyű jó szűrőt tenni a végére.
Gyakorlatban nem csináltam ilyet műszerezettség -főleg hangolható RF millivoltmérő, szkóp és spektrumanalizátor- hiánya miatt.
Főleg az oszcillátor konstrukciójától függ a minőség, nem annyira a félvezetők típusától (bipoláris, JFET vagy MOSFET), bár a JFET-ek azt hiszem a legalacsonyabb zajúak.
Gyári diódás DBM modul adja keverőként a legegyszerűbben a legkevesebb torzítási terméket, persze az illesztésre meg az oszcillátor teljesítményekre ügyelni kell.
A hozzászólás módosítva: Ápr 2, 2014
(#) pjg válasza ih.he hozzászólására (») Ápr 2, 2014 /
 
Igen. Erre gondoltam. Csak nem forgókondis hangolással, hanem feszültséggel.
(#) ih.he válasza pjg hozzászólására (») Ápr 2, 2014 /
 
Én mindenképpen forgókondival csinálnám, egy varicap annyira vacak minőségű... (ráadásul kis frekvenciára nagy kapacítású varicapot már nem nagyon gyártanak, minden sokszáz MHz-en és afölött üzemel, nem kell nagy kapacítású varicap az iparnak). Ahogy változtatod a hangolófeszültséget, úgy változik, hogyan terheli a rezgőkört, a rajta levő, a saját oszillátorából jövő színuszjel kapacításváltozást, ergó frekvenciamodulációt okoz, ráadásul a középfrekvencia körül aszimmetrikusan. Ha meg nagy hangolófeszültséget raksz rá, hogy minimalizáld a frekvenciamodulációt, akkor kicsi hangolókapacítást és kapacításváltozást tudsz csak elérni, ami csökkenti az oszcillár hangolhatóságát, plusz a stabilitását és hőfokfüggést is, mert mindenre egyre jobban érzékeny lesz. Már pedig műszert akarsz építeni, nem zajos instabil, de PLL-el sakkbantartott, műsorvételre még megfelelő oszcillátort...
Egy másik lehetséges irány lehet az egyenfeszültséggel előfeszített vasmagos tekercs, ahol az induktivítást változtatod a hangolófeszültséggel... Régebben a varicap előtti időkben volt ilyen megoldás.
(#) pjg válasza ih.he hozzászólására (») Ápr 2, 2014 /
 
Végül is igazad van. Gondolkodom.
(#) ih.he hozzászólása Ápr 2, 2014 /
 
Amit érdemes átgondolni, hogy minden paraméterében rosszabb lesz, mint egy direkt hangfrekvenciás, keskeny sávban hangolható oszcillátor, elvégre a keverési termékek nem szűrhetők ki teljesen, ergo nagyobb a torzítás, a frekvencia stabilítása pedig kb. egy nagyságrenddel rosszabb a keverés miatt.
(180-200kHz közötti frekvenciastabilítás relatív értéke -> abszolút frekvenciaváltozás ->
0-20kHz tartományban pont egy nagyságrenddel ad rosszabb relatív frekvenciainstabilítást.)
A hozzászólás módosítva: Ápr 2, 2014
(#) pjg válasza ih.he hozzászólására (») Ápr 2, 2014 /
 
Akkor inkább maradjak a Wien hidas -nál?
(#) ih.he válasza pjg hozzászólására (») Ápr 2, 2014 /
 
Az jobb minőségű szinuszt ad megfelelő eszközökkel, ez biztosan igaz.
Ha kell a teljes hangfrekis sáv egy lépéses áthangolhatósága (HF wobbler, spektrumanalizátor, stb), akkor van értelme heterodint építeni.
(#) pjg válasza ih.he hozzászólására (») Ápr 2, 2014 /
 
Igen. Wobblerre gondoltam.
(#) ih.he válasza pjg hozzászólására (») Ápr 2, 2014 /
 
Ahhoz a heterodin célszerű. Forgóval beállsz közép- vagy alsófrekire, varicappal meg hangolsz körülötte, vagy fölfelé löketállítással. Ha meg lekapcsolod a varicapot teljesen, akkor van egy aránylag stabil és jóminőségű egy gombhangolású HF szignálod.
Az is lehet elképzelés, hogy mindkét oszci teljesen ugyanaz az a LC oszci, nincs kristályoszci a hőfokfüggés és frekvencia elhangolódás hasonlósága miatt, egyikben forgó, másikban varicap.

Én így csinálnám... persze lehet csak wobbler is, forgó nélkül. Mindenesetre próbálkoznék a tekercs hangolással egyenfesszel, hátha az jobb, ha van idő és energia kisérletezni.
(#) pjg válasza ih.he hozzászólására (») Ápr 2, 2014 /
 
Köszi az ötleteket.
Hamarosan lesz időm, az a baj, hogy fekvőbeteg leszek. Csak az elmélkedésre lesz lehetőség.
A hozzászólás módosítva: Ápr 2, 2014
(#) pjg válasza pjg hozzászólására (») Ápr 2, 2014 /
 
Kiindulási alapnak erre gondoltam. forrás. Persze csak 1 tekerccsel.
(#) Gafly hozzászólása Ápr 2, 2014 /
 
Brüel & Kjaer-nek volt ilyen heterodin generátora. Jó kis műszer volt, szerettem használni.
Én is úgy csinálnám, ahogyan a többiek mondták: Két egyforma oszcillátor (mondjuk 200 KHz magasságában), elválasztó fokozat, keverő és a végén aluláteresztő szűrő és végfokozat...
Esetleg még annyi, hogy a "fix" oszcillátor kicsit hangolható legyen, azzal lehet beállítani a nullát.
(#) pjg válasza Gafly hozzászólására (») Ápr 2, 2014 /
 
Nézegettem a keverőket. Mit javasolnál amit be is lehet szerezni? Jó lenne a Minicircuits ADE-1 -e, de az ha jól látom 2MHz-től indul. Bővebben: Link Nekem jó lenne akár 200kHz-től is.
(#) Gafly válasza pjg hozzászólására (») Ápr 2, 2014 /
 
AD633 esetleg? RET-nél van...
(#) tursaba válasza pjg hozzászólására (») Ápr 2, 2014 /
 
MAX 038 ??
(#) pjg válasza tursaba hozzászólására (») Ápr 2, 2014 /
 
Tudod milyen áron kínálják.
(#) Kera_Will válasza pjg hozzászólására (») Ápr 2, 2014 /
 
MAX038 at akár ingyé is adják !
(#) Kera_Will válasza Gafly hozzászólására (») Ápr 2, 2014 /
 
Régi jószág uA796 vagy MC1496 ... balansz keverő IC ...
RETben van :
MC1496 RET
(#) pjg válasza Kera_Will hozzászólására (») Ápr 2, 2014 /
 
Hol? 5-6 ezerért kínáltak.
(#) Gafly hozzászólása Ápr 3, 2014 /
 
Ugyanakkor, ha nem ragaszkodunk az analóg szorzóhoz, hanem helyette négyszög jelekkel dolgozunk, akkor csak a végén kell a szűréssel kicsit jobban vacakolni.
Úgymint hasonló módon két oszcillátor (pl. CMOS kapukból), összekapuzva és már készen is van a PWM 0...20 KHz és még csak két CD4011-nél tartunk
(#) pjg válasza Gafly hozzászólására (») Ápr 3, 2014 /
 
Nem nem! Gyönyörű szinuszt akarok.
(#) ih.he válasza pjg hozzászólására (») Ápr 3, 2014 /
 
Nem rossz, Franklin oszci. Jó széles sávban hangolható, klassz szignál oszci.
Figyelmedbe ajánlom ezt is: Vackar oszcillátor
2Hz frekicsúzás 7MHz-en. Kisebb frekvencián megfelelő hőmérséklet kompenzációval (kapacok Tk-ja) atomstabil lesz. Ennek az amplitúdója állandó a frekit változtatva a leírás szerint. Érdemes átolvasni a cikket, eléggé ellenzi a varicapokat. Persze wobbler üzemmődban már az sem probléma.
Másik Vackar oszcillátoros VFO.
A hozzászólás módosítva: Ápr 3, 2014
(#) ih.he válasza ih.he hozzászólására (») Ápr 3, 2014 /
 
No csak lemaradt az utólag hozzáírt rész.

qsl.net-es cikk a keverésről.
Nem kell feltétlen leírni a digitális keverést, az előbb említett cikkben taglalják a CMOS kapcsolókból épített keverőt is sok más mellett, mint H-mode mixert.
DBM-ből SRA-3H 50kHz-től már megy, de húzós az ára.
Én modulárisan tervezném, két külön ugyanolyan VFO panel, egy mixer panel, amire DBM esetén szinterősítő, diplexer, stb kerül a jó IP3 érdekében, lenne egy külön aluláteresztő szűrő panelem, hogy ki lehessen próbálni RC-LC-aktív girátoros szűrőt is, mit eredményez a kimeneti jel spektrumában és lenne egy teljesítményerősítő panel a kimeneti osztóval.
A mixer panelen aztán kisérletezhetnél, mi ad szép tiszta kimeneti jelet, 4 dióda válogatva, vagy 4 FET, NE612, vagy akár egyetlen dual gate MOSFET, stb, türelemtől meg pénztől függően.
Árnyékolások meg RF panelenként a szűrőig.
Persze nem ártana hozzá egy legalább HF spektrumanalizátor, vagy minimum egy szelektív HF voltmérő, amivel a keverési termékek frekijein méregetsz, mit sikerült elérni, különben csak vaktában próbálkozás, amíg nem sikerül, vagy fel nem adod...
Műszert építeni nehéz. ha nem egy sorozatban gyártott cuccot másolsz le.
Sok szerencsét és kitartást majd hozzá, és persze gyógyulást előbb!
A hozzászólás módosítva: Ápr 3, 2014
(#) pjg válasza ih.he hozzászólására (») Ápr 3, 2014 /
 
Köszönöm szépen. Az elme el van látva feladattal.
(#) pjg válasza ih.he hozzászólására (») Ápr 3, 2014 /
 
A Mini-Circuits termékek kihúzva. Az SRA-3H 7200.-
Következő: »»   1 / 3
Bejelentkezés

Belépés

Hirdetés
XDT.hu
Az oldalon sütiket használunk a helyes működéshez. Bővebb információt az adatvédelmi szabályzatban olvashatsz. Megértettem