Fórum témák
» Több friss téma |
Fórum » Hangváltók (készítése)
A mértékegységeket a mérőszámtól szóköz választja el. A személynevekből képzett mértékegységek (Volt, Ohm, Amper, stb.) nagybetűvel írandók!
Sziasztok!
Régebben találtam egy weboldalt, ahol nem csak henrik, meg farádok voltak, hanem egy sokkal komplexebb hangváltótervező online progi, ahova be lehetett pl. írni a tekercs dimenzióit, meg még a huzal vastagságát is. Sajnos elvesztettem ![]() Nem tud valaki ilyen linket? Köszi.
Sziasztok van nálam egy pár PREMIER XVS1530-as hangfal. Haverék buliztunk vele és már másodjára megy ki benne a közép meg az éles. A kérdés az lenne, hogy mit lehet a hangváltó panelen kicserélni, hogy ne égjen ki folyton.
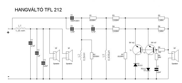
A két sárga kondenzátora ez van irva 166j 250v550v a másik 155j 250v
Aztán fóliakondiban, hogy mér zárlatot?
Simán dobd ki őket és tegyél bele azonos kapacitásúakat!
Szia! Mondasz valamit. Az ugrott be, hogy a kondenzátor átengedi a mélyhangokat, esetleg átüt. A közép és magassugárzó együttes és ismétlődő elpusztulása gyári készüléknél inkább a használat során durván eltekert hangszín beállításból származhat. A fotó alapján a váltó korrektnek tűnik.
Szia! Azok a sárga kínai kondik sz*rt sem érnek! H2000-nél kapni olcsó jó kondikat, arra cserélje le!
Erre gondoltam én is. De ha esetleg vissza lenne rajzolva a hangváltó akkor a kapcsolás alapján többet is tapasztalhatnánk.
Sziasztok! Zobel tagot, például egy kétutas hangváltón belül csak a mélyközép elé kell tenni vagy a magas elé is?
Szia! Csak a mélyközép elé kell tenni! Magas elé L-pad való, de más szóval feszosztó.
Köszönöm a gyors választ!!
Az L-pad rendben van, a Zobel-lel voltam kicsit gondban!
Udv,
Nem kell (nem kotelezo) a mely-kozep hangszorohoz zobel tagot hasznalni. Mindig a tervezo donti el, hogy az adott hangszorohoz/konstrukciohoz szukseges-e zobel tag vagy sem.
Udv mindenkinek!Ujvagyok meg a hangvaltok vilagabanis,hogy lehet fesz osztast megcsinalni?Ilyeneket fogok rendeleni es hozzajuk kene valami hangvaltot kesziteni,a winisdbe van az a kis szamito program,szamoltam aval egy erteket minden kondinak es tekercsen az a program megbizhato?[tudom csomo adat kene a hangszororol de nem rendelkezek semilyen adattal,csak anyival ami az oldalon lathato]
Szia! Újként és adatok hiányában inkább javaslom a kész váltó vásárlást: http://www.mivarom.ro/catalog/product_info.php/filtru-boxa-p-7729
Itt olvashatsz is róla bővebben: http://www.mivarom.ro/catalog/product_reviews_info.php/filtru-boxa-...=12239
Akkor sokkal jobban járnál ha készen vennél egy doboz párt.
Udv!Azokon a kis bordakon mik vannak?[OFF]Ok koszonom,akkor erre is gyujtenem kell a lovem.Akkor mar nezek valami 2 utasat aminek 2500 minimum a keresztezesi frekvencia.
Üdv! Ha komoly védelmet akarsz a magasadra, akkor az a 2000,-Ft nem pénz érte. Mert az újabb szériás LC-ben már van nagyfrekis védelem, legalább is jobb helyeken már így készül a váltó! Néhány KHz felett nem hagyja, hogy párszáz milliszekundumnál tovább folytonos, teljes amplitúdójú jel kimenjen, hanem visszább húzza a limitert. Ez a legtöbb drivert megvédi egy esetleges gerjedés miatt az azonnali haláltól.
Egy komolyabb professzionális használatra szánt kivitel:
...lemaradt: Fetes védelem!
Amit kinéztél magadnak 3" drivert az 800HZ-18KHz-frekim megy, így az 1,5Hz kersztezési freki jobb egy ilyen drivernek hisz közép magas driver .
Rendben! Köszönöm a választ!
sziasztok fiuk lányok lenne egy kérdésem vettem egy pár hangszórót amihez kaptam 2 db gyári hangváltót is a tipusa a következö canton rs 6 ii az egyik hangváltóban egy valami le van szakadva a panelröl az a baj hogy ezen semmi adat nincsen csakegy canton felirat meg hogy német gyártmány meg egy számsor a sor a következöartikel -nr 28 93R 4 a kérdésem az lenne hogy mivel lehet ezt helyetesiteni illetve valaki kapcsolási rajzot tudnaa e ehez nekem nagyon kéne köszi elöre is
Az ép másikat odaviszed egy szakemberhez, amatőrhöz, ő megméri és veszel egyet szaküzletben.[OFF] Nem kicsi légszomjam lett, miután elolvastam soraidat. Próbáltam kitartani a levegővétellel a legközelebbi vesszőig, nagybetűig, de nem jött össze.
Tanujámá meg hellessen írnya. Használjál írásjeleket is! És akkor a kis-NAGY betűk viszonyát még nem is ecseteltem! http://mek.niif.hu/01500/01547/01547.pdf
Osztán' a jósnők fóruma egy lappal odébb található, hisz ennyi infóból ők éppen tudnának segíteni neked!
Helló! Nem vagyok egy műszakis ember,de lenne pár kérdésem....
még pedig: subwoofer-hez szeretnék csinálni egy hangváltót,de mivel nincs LCM mérőm így nem tudom mennyit kéne tekernem 1mm átmérőjű vezetékből egy 10cm hosszú és 1cm belső átmérőjű csőtestre...ezt miként tudnám megoldani házilag,és persze csak egy egyszerű multiméterem van... A hangszóró amihez kellene tekerni: Sal SBX2030 műszaki adatok: https://www.sal.hu/termekdokumentumok/08806_03_01.pdf Csak mélyet szeretnék hallani a mély hangszóróból,mert ami nekem van egy 3utas váltó az egy kicsit kicsike... egy Videoton DC2050E váltója.... ![]() Előre is köszönöm!!!
Szia!
Először is meg kell, hogy tudd az igazságot: 1. SAL SBX 2030-as széria az életben nem lesz subwoofer, hisz mélyközép sugárzó! 2. Az adatlapon szereplő adatokkal semmit nem lehet kezdeni, mert még köszönő viszonyban sincs a valósággal! Keres egy subwoofernek alkalmas hangsugárzót, aztán lehet a tekercsel foglalkozni, de jobban jársz ha veszel készen tekercset! Szerk : Az említett eszköz nem hangsugárzó, ameddig be nincs építve, hanem mély-közép hangszóró.
Abban a váltóban van egy ferrit magos tekercs , azt kösd a mély elé sorosan. Egy próbát megér , hátha már így is megfelel az elvárásaidnak.
Hello!
Ezen a téren nagyon kezdő vagyok, de szeretnék egy hangfalat építeni (képen az sbx szériás). De ami most fontos lenne nekem az a hangváltó mivel amit ajánlanak hozzá az 6 ezer Ft és 2db kéne belőle, ami nekem rengeteg pénz. Kérdésem az lenne hogy meg lehetne építeni hozzá a hangváltót és ha igen mennyiből jönne ki? Köszönöm!
Ne költs rá pénzt, mert tanulópénz lesz. Az sbx is az.
|
Bejelentkezés
Hirdetés |















