Fórum témák
» Több friss téma |
Fórum » Hangváltók (készítése)
A mértékegységeket a mérőszámtól szóköz választja el. A személynevekből képzett mértékegységek (Volt, Ohm, Amper, stb.) nagybetűvel írandók!
Igen! Ez jó lehet, bár én nem ismerem még! (már ha erre gondoltál: Free Lossless Audio Codec)
Fentebb írtam, hogy nem te vezérled túl a jelet (zenét), hanem már magában a hanganyagban van a hiba. Rengeteg mp3-nál találkoztam már ilyennel!
Üdv minden "hifipákásznak" !
Ha valaki épp hangváltót építget, annak lehet, hogy segít egy bizonyos John L Murphy nevezetű fizikus/hangmérnök leírása, aki szinte úgy írja le a hangváltók készítését mintha a világ legegyszerűbb dolga lenne, mintha csak egy rántottát dobnánk össze a konyhában! A cikke közzé van téve a neten, bárki által használható, hiszen ezért írta, hogy segítsen a kezdőknek. http://www.trueaudio.com/st_xov_1.htm Remélem hasznát veszi mindenki akinek szüksége van rá, és még azok a szakik is, akik ragaszkodnak a saját csökönyös elgondolásukhoz! Üdv még 1x mindenkinek!
Szia!
Igen erre gondoltam.
Üdv mindenkinek!
Barátommal szeretnénk egy 2-utas hangváltót építeni, és arról szeretnék érdeklődni, hogy fojtótekercs megfelel-e bele vagy a tekercset nekünk kell megcsinálni? Köszönöm előre a válaszokat!
Az utóbbira voksolok! Fojtótekercs nem jó oda!
Osztom a véleményed!
Sziasztok! Egy Videoton Al-120 hangfal párhoz keresek eredeti hangváltó rajzot. Sajnos hozzám már egy somogyis eldobható hangváltóval kerültek ami jelentős mértékben lehúzza a hangminőséget. Az eredeti váltó újra tervezésére nem vállalkoznék, de mindenképp szeretném helyreállítani a hangfalakat. Ha valakinek meg van a rajz, vagy esetleg van ilyen hangfala és megmérné nekem az értékeket, annak nagyon hálás lennék érte!
Előre is köszönöm!
Hi Mesterek!
Sok-sok éve (~10) már hogy szeretnék csinálni a sztereó erősítőmhez méltó 1 pár hangfalat. Végre sikerült találni "olcsón" hangszórókat amiért már érdemes neki kezdeni. Elképzelésem 1 db 20cm -es mély és 2 db 18cm-es mély közép és egy magas ezt kaptam ![]() Na szóval ezekhez a szépségekhez szeretnék csinálni egy dobozt és egy hangváltót. A dobozt természetesen csakis asztalos Mesterrel csináltatom (cimborám) a hangváltót pedig jómagam szeretném meg komponálni. Az induktivitás mérő már készül, hála az itt közzé tett kapcsolásnak! Szóval azt tudom hogy rengeteget kell olvasnom/tanulnom hogy egyáltalán neki kezdjek a váltó megépítésének. Ahogy olvastam itt először dobozt kell csinálni utána hsz-eket mérni és átunna neki kezdeni a freki darabolásoknak. Ez idáig ok? A másik kérdésem hogy szűrök LC tagokból állnak, miért kell hozzájuk ellenállás? A magasaknál látom mindig. Sajnos mivel a hangszórók csak pótlásnak adta ki a gyártó ezért semmilyen adatlapot nem találtam róluk, csak maga a kész hangfalról amiben ezek a hangszórók vannak ![]() Na kisebb fajta regény lett 2 kérdés miatt. Válaszokat előre köszönöm.
Szia!
Jobb esetben a hangszóróhoz készítünk dobozt. Ehhez persze ismerni kell a beépítendő hangszóró paramétereit. (elvben ehhez készítesz valamit eszközt, de van amit a gyártó ad meg és fontos adat!!) Ha a mérés után megvannak a szükséges adatok, akkor ezek alapján készül a doboz. A hangváltót szintén a hangszórók adatai alapján kellene megtervezni amik nagyon fontosak lennének (frekvencia tartományok, impedancia, érzékenység, keresztezési frekvencia stb.) A magas hangszórónál a hangváltóban levő ellenállások például a többi hangszóróhoz való érzékenység illesztését hivatottak ellátni.Igen, olvass sokat erről!
Itthon fapados módszerrel azaz nem stúdió/labor mérésekre gondolok. Miket tudnék lemérni?
Gondolom egy spektrum analizátorral(PC/ SB audigy hangkari) nagyjából e freki menetet meglehet határozni. Esetleg valami mást lehetne mérni még a hangszórókon, vagy mennyek a gyári dobozok után?
Mérésre van egy nagyon jó eszköz, melyhez ajánlom ptesza kolléga blogját . Olvasd el végig rendesen, nagyon sok hasznos dolgot találsz benne! Bár szerintem, ha van a hangszórókhoz gyári doboz ajánlás akkor az a biztos verzió! (remélhetőleg)
Hi, köszi. Nagyon jó és sok hasznos dolog van az oldalon.
És vanak kérdéseim is de az már nem ide tertozik hanem a hangszoró paraméterei topikba. Köszönöm!
Örülök, hogy segíthettem!
Lenne egy talán hülye kérdésem.
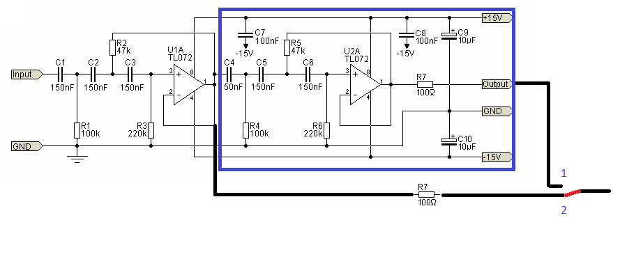
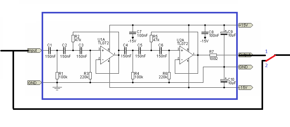
Linkeltem 2 képet, egy aktív hangváltóról, és szeretnék beiktatni pár kapcsolót. A kérdés meg az hogy ha a képeken lévő kapcsolókat a 2. állásba teszem, akkor a kékkel bejelölt rész beleszól e bármilyen szinten a kimenetbe. Vagyis pl az első képen pontosan azt fogom kapni a kimeneten mint a bemeneten?
1k vagy annál kisebb meghajtó impedanciával elhanyagolható a hatás. 27k-nál 3dB.
Ha jól olvastam a vonal szintű eszközökön a kimenetek 100-600Ohm között vannak, szóval akkor elvileg jó lehet.
Köszi.
Hali!
Nekem olyan gondom van hogy sorban nyomja szét az erősítőm a magas hangszórókat! Mivel tudnám megoldani hogy magas hang az megmaradjon,de az erősítő sem nyomja szét nekem a tekercset a hangszóróban??? Nekem a váltón gyárilag valami kis kondi van elé kötve. Ötletek??? Köszi előre is...
A valami kis kondi a hangszóróddal egy 6dB-es felüláteresztő szűrőtagot alkot. 1/2piRC frekvencián.
Ez okés de akkor mit csínáljak vele???
Mert nem állok úgy anyagilag hogy állandóan vegyek egy meg két pár magasat!
Szia! Kéne pár adat, ha azt szeretnéd, hogy valaki behelyettesítsen Szami képletébe. A hangszóró típusa, adatlapja, erősítő teljesítménye, a meglévő kondenzátor értéke?
Ha elég a hangszórótekercs, az egyértelműen azért van, mert a megengedettnél jobban terheled. Ez leginkább adódhat a határadatok figyelembevételének hiányáról.
A túlterhelés, a frekvenciaátvitel túl alacsonyan van, illetve nem elég meredek a szűrés, vagy esetleg az erősítő akár gerjedhet is, stb.
Vagy esetleg egy soros ellenállással az érzékenységét lehetne hozzáigazítani a mélyközepekhez.
Ha nyilvánvalóan nagy értékű a kondi akkor az a baj egyébként az érzékenység lesz.
Sziasztok! Valaki meg tudná mondani, miből készítsek egy ilyen piezó hangsugárzóhoz szűrőt, ami kb. 2.000 - 20.000 Hz -ig szűr?
https://www.sal.hu/termeklap.aspx?term_id=2362
2000Hz-ig leengedni egy piezót? Reménytelen vállalkozás, mert jó esetben 4kHz-től csilingel elfogadható minőségben!
Próbáld meg az alábbi rajz szerint! A kondi értékét változtathatod az ráírt értékek között. De a füled majd elárulja mi a jó neked! Az R3 legyen 10 Watt legalább!
Egyik ismerősöm rajzolt nekem egy hangváltó kapcsolást! Eszméletlen jó szerintem, olcsó hangszórókból hihetetlen jó dobozt csinál és ezt a kapcsolást használja Ő is! Gondoltam meg osztom veletek, aztán lehet vele próbálkozni!
Első rajzom amit gépen csináltam, szóval kérlek titeket legyetek elnézők! R1-R2 1-3.3 Ohm-ig el lehet vele menni. R3 Csipogót szabályozza. ezt mindenki magának próbálgassa, 4.7-6.8 Ohm körül szerintem jó bár tényleg ember és csipogó függő! R4 4.7-8.2 Ohm C1-2 3.3uF C3 6.8uF T1 1.2 mH lehetőleg légmagos. T2 0.6mH ez is légmagos.
Üdv!
Szeretnék egy egyszerű hangváltót mély ládába amihez nem kell sok alkat rész tudtok segíteni?
Üdv! Valahogy egy 12dB/okt. subwoofer váltó így nézne ki, egy (tekercs sorban, kondi párhuzamosan):
|
Bejelentkezés
Hirdetés |












