Fórum témák
» Több friss téma |
Én is erre tippeltem, de az adatlapokból nem egyértelmű számomra, hogy +5V feszülségnél ugyan
azon értékeken lesz e logikai 0 illetve 1 a kimeneten.
Ezt hogy érted pontosan? A bemeneti feszültségszintekre gondolsz, hogy mekkora feszültségnél billen át a kimenet?
Ezek digitális IC-k, illik határozott H vagy L szintet adni a bemenetükre, különben bizonytalan a működésük. Adatlapokban benne van, hogy mennyi a maximális L szint, illetve a minimális H szint. A kettő között az IC-nek jogában áll úgy értelmezni a bemenetet, ahogy akarja.
Sziasztok!
OP279G dip8 Analog Devices Rail-to-Rail High Output Current Operational Amplifiers Ezt az IC-t idehaza nem találtam csak ebayon és mouseron. Csak két műveleti erősítő van benne. Mivel lehetne helyettesíteni?
Ha ugyanazt a minöséget akarod, akkor semmivel. ( azért olyan ritka az AD opamp).
A mouseron csak OP279GSZ tssop vagy soic típust találtam, ezekhez dip átalakító is kellene.
Ebayon találtam dip OP279GP típust viszont az kínából jön. Megbízható? Eredetit küldenek, vagy csak valami ócska utánzatot? Egyébként ez egy eléggé spéci cuccban van. Ez egy tűzjelző hurokmeghajtó kártyájában van, elvileg 2km vezetéken 126 címezhető eszköz lehet és még a tápfeszt is a címvonalból kapják az érzékelők. Itt fontos a zavartalan működés.
Rendeltem pár tucat OPA-t onnan túl-felől a hetekben. Az összes gagyi volt. Érdemes vigyázni.
Ahhoz képest, hogy a világ integrált áramköreinek 90 % -át ottan túl felől gyártják, nem sok választásod van.
Legfeljebb az a gond, hogy a maradékból fognak kiszolgálni, a zömét a nagy megrendelők, gyártatók kapják. Egyetlen lehetőséged, hogy rendelj többet, és válogass.
"A kettő között az IC-nek jogában áll úgy értelmezni a bemenetet, ahogy akarja. " Ezt nevezik tiltott zónának.
Ha csak a logikai működés számít, akkor igen, de ha a sebesség és meghajtó képesség is számít, akkor a HC sorozat nagyon sokkal erősebb, gyorsabb mint a CD... . Plusz kisebb feszről is jól üzemel. Szóval csak feltételesen jó helyettesítő.
Ez rendben is van, de milyen készülékbe kell helyettesíteni? Mert ez ugye nem derül ki. A kérdések java nem egyértelmű, mit lehet az ilyenekre válaszolni?
A hozzászólás módosítva: Aug 4, 2017
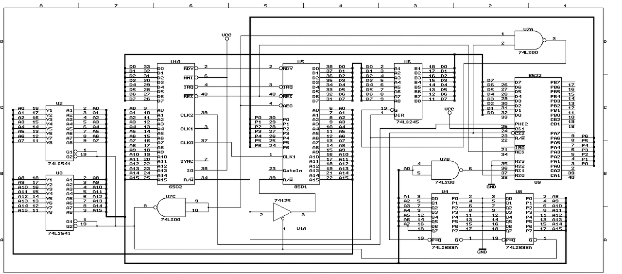
Üdvözlet! Azt szeretném kérdezni, hogy egy kapcsolásban az LS és sima (pl.:74125) TTL ick helyett használhatok HC-s icket? Vagy a kettő kombinációja is használható LS és HC? Mi a különbség a két típus között? Számít hogy 2MHz-en kellene üzemelniük?
Bocsánat a láma kérdésért. Köszönöm!
Ha az adatlapokat összehasonlítod a 2 MHz-et mindegyik tudja, de a teljesítményigényük, sebességük nem azonos. A kapcsolás többi eleme szempontjából nem mindegy (esetleg).
Szia!
Erről a kapcsolásról lenne szó. Olyan létezik, hogy a kapcsolásba beépített 100nF kondik miatt nem működik a kapcsolás? Mert ha nem teszek bele akkor "teljesen jól" megy, ha meg akár egy TTL-hez beforrasztom megáll az egész! Vagy tápegység gond lehet? Mértem 5V megvan mindenhol. Köszönöm!
Ez már nem az én "magasságom", de ha nem gerjed, vagy egyéb nem indokolja; minek a 100 nF? Lehet, hogy kisebbel jó lenne?
Hello! Ilyen nincs. Ha tényleg a tápra tetted és a tápegységed nem gerjed, akkor működnie kell. TTL áramköröknél szinte kötelező a tápfesz "ütemes" szűrése.
Hova vannak kötve azok a kondenzátorok? Ha a Vcc és a GND közé, akkor csak jót tehetnek. Már ha a kondenzátorok bírják a feszültséget és valóban kondenzátorokat forrasztasz be. Igen fura a jelenség, amit tapasztalsz.
Pedig így megy! A gép teljesen jól működik eredeti processzorával, ebből gondolom, hogy jó a tápegység. És igen minden TTL mellett ott a 100nf a számítógépbe. De ahogy a kártyára ráteszem egy TTL-re a kondit, "nem működik"! megpróbálom a kártyán pufferkondival orvosolni.
Biztos kondenzátort teszel rá? Milyen típusú?
Egyébként ez a téma biztos ebbe a topikba való?
Szerintem idevaló, mert ic-t akarok helyettesíteni! Alant az IC! Hogy ekkora, hát ekkora, kisebbre nem tudtam megcsinálni, de ez egy "IC" és egy IC helyettesítésére szolgál!
LG LED-es monitorba valo APW7331 (kiosztasat csak a google images-bol tudtam megszerezni ,valami orosz oldalon van) bulk convertert szeretnek helyettesiteni TSOP-16 tokban (mas tokozas is jo, majd bekotom maskent).
Elore is koszonom, ha van otlet.
Hogy ne egy honap mulva jussak hozza.
A kinai plusz magyar posta egyutt kegyetlenul lassu. Meg egy is eleg, nem kell 5 db mindjart. A hozzászólás módosítva: Aug 22, 2017
1. A bemenet terhelése és a kimenet terhelhetősége: Egy szabványos LS bemenetről alacsony szinten 0.4 mA áramot kell elvezetni a föld felé. A kimenete általában 10 LS bemeneti terhelést tud meghajtani. Ezzel szemben a HC bemenete nem igényel áramot, a kimenete viszont csak 1-2 LS bemenet tud meghajtani.
2. Tápáramok: Ugyanabból a kapuáramkörből az LS verzió sokkal nagyobb tápáramot igényel, mint a HC. 3. Minden logikai IC mellé kötelező a kb. 100nF kerámia szűrőkondenzátor. Emellett a hálós vezetésű föld megvalósítás is alapkövetelmény. Jó vastag (min. 1mm) vezetékeket kell alkalmazni a tápnál és a földnél.
Szerintetek az LT1016 -os műveleti erősítőt lehet valamelyik IC-vel helyettesíteni? Tudom, hogy kapható, csak hátha van valamilyen alternatív típusa.
Miért kérded, van tán neked más hasonló IC a fiókodban?
Akkor fel kéne sorolnod és úgy kérdezni, hogy ezek közül vajon melyik jó helyette...vagy nem? A hozzászólás módosítva: Szept 5, 2017
|
Bejelentkezés
Hirdetés |





Bocsánat a láma kérdésért. Köszönöm! 







