Fórum témák
» Több friss téma |
Fórum » ICL7106/ICL7107
Leosztottad a 40V-ot az ezredrészére, vagyis 40mV-ra.
Meg kellene mérned az ic 36-os lábán mennyi a referenciafeszültség, itt elvileg 100mV-nak kell lennie. Ezenkivül rá kell mérni a 26-os lábra is, itt -5V nak kell lennie.
A 36-os lábat állitsd a potival 100mV-ra, ha továbbra is ugrál, akkor a kaparászás helyett mosd le denaturált szesszel alaposan a panel minden porcikáját. Erős fénnyel átvilágitva vizsgáld át alaposan, nincs-e pici zárlatos fóliadarab, ónpaca, stb. Ennek "pöccre" kellene indulnia.
Helló ! Mivel ezt a kapcsolást többen megépítették , Alkotó is vagy 20 példányban és mind működött így a dokumentáció biztosan jó. Tehát a hibát Te követted el csak nem jössz rá. Nézd meg a 7107 bekötését ellenőrizd le a feszültségeket a lábakon a rajz szerint. Az az érzésem,hogy valamelyik láb nincs bekötve a bemenet körül vagy valamelyik alkatrész nem a megfelelő értékű ill. hibás, vagy két láb között ahol nem kéne átvezetés van. A gyantát én sem mostam le. Én 15 évig dolgoztam 7106-al de a gyanta soha nem okozott átvezetés .Ettől eltekintve esztétikai okokból le lett mosva. És a 40 voltot méri ? Vagy kijelzi ?
Az alkatrészek újak lemosni most nem tudom,de holnap veszek szeszt és átmosom.A rajzot és adatlapot átnézem mégegyszer hátha valamit elnéztem!Addig is köszi mindent!!
Ha valami nagyon nem megy akkor pihentetem néhány napig és amikor újra előveszem általában meg találom a hibát. Most már bevallom ,hogy nekem se ment elsőre mert egy fatális hibát követtem el 7905-ös táp IC-t raktam bele gondosan kiválogattam vagy tiz db 7805 közül. Ez már a korral jár .
Átnézek mindent aztán majd beszámolok mindenről.
Mondjuk én is fáradt vagyok már.Hónapok óta csak meló aztán műhely építés és most benne még munka.Na jó ez nem ide tartozik.
Sziasztok!
Szeretnék építeni egy "mérő hidat" panelműszerekkel.. Ma elkészítettem a 2 panelműszert.. A hidat úgy képzelem hogy a tápegység és a fogyasztó közé kötném banándugókkal.. Az egyik műszer A t mutatna a másik pedig V-ot.. Abban nem vagyok biztos hogy a 2 panelműszer dolgozhat-e egy tápegységről, vagy külön szekunder kell-e az egyiknek és a másiknak? Lerajzoltam ahogy gondolom.. Így jó lenne? Vagy külön szekunder? Üdv! UI.: a műszer az Alkotó féle nyáktervvel készült.. Ami 8Vac feszültséget igényel..
Kizárólag külön szekunderrel lesz csak jó, különben füst lesz a vége.
Szia zoly15
A mérő híd kifejezés ide nem igazán jó. Vagyis én nem ezt használnám. Alkotó féle nyáktervet, most nem kerestem meg. De az általad rajzolt kapcsolásnál, felcserélném, a feszmérő helyzetét. Áram mérés, után mérném a feszültséget, a kimenet oldalán. Ha így csinálod, akkor a panel műszerek, test pontja, egy és ugyan az. Az általad rajzolt kialakításba a áram mérő ellenállást a műszereken keresztül rövidre zárhatod. Jó esetbe, csak a áram mérő, nem vagy keveset műtat. Rossz esetbe, a műszer test vezetékei, szakadnak el. ( de ez lehet, az IC én belül ) üdv.
Szia! Kellemes húsvéti ünnepeket!
Köszönöm a segítségeket! Én is úgy gondoltam hogy a külön szekunder a biztonságosabb illetve a jó megoldás.. De gondoltam azért megkérdezem.. Ha külön szekunder tekercsről járatom a két műszer gondolom már nincsenek ilyen GND gondok.. Azt mondod hogy a mérőhíd nem a megfelelő megnevezés, akkor mit kéne mondanom? Köszönöm! Üdv!
Szeretném kiterjeszteni az egyik műszert ami V mérés-ben dolgozik, olyan 50V-60V-ra lehetséges ez?
A másikat pedig szeretném kiterjeszteni, ez A-mérésben dolgozik. Olyan 10-15A-ra.. Ez is megoldható? Ha igen, valaki lerajzolná nekem a feszültség osztókat? Bevallom, ez az első eset hogy ilyen Panelműszerrel foglalkozom Előre is köszönöm! Üdv!
Attila oldalán a kapcsolások között a DVM-eknél a második kapcsolást nézegesd, ott van is egy táblázat különböző méréshatárokról. Ő a nem két műszert csinált hanem egy kapcsolóval lehet váltani a V/A mérés között (kapcs).
Mérőhídra csak egy példa a Wheatstone híd.
Ajánlom figyelmedbe Alkotó remek leírását: Itt!
Beszéltem alkotóval, elküldte e-mailben az után néztem miután megírtam ide a HSZ-t.
Csak ő ott úgy számol hogy a végkitérés akár hány V/A lehet.. Úgy érve hogy nem 2V 20V 200V /2A 20A... Nem csak úgy lehet kiterjeszteni a méréshatárt hogy az eredeti méréshatárt (200mV) kiterjeszteni 10x 100x esetleg 1000x -ére? Vagy lehet akár milyen értékig? Én úgy halottam hogy csak úgy lehet a V mérést hogy pl. 2V 20V stb.. Ez így igaz, vagy rosszul tudom? Az alkotó műszere CSAK egy alap 200mV -os műszer? Bővebben: Link Vagy ki van már terjesztve? Előre is köszönöm! Üdv! UI.: azt miért írta hogy "mindenki maga dönti el hogy összeköti e a táp GND-t a mérő GND-vel?
Szia
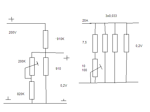
A panel műszerek, 199,9mV feszültséget jeleznek ki. Hogy ne terheld a feszmérést 1M ohm ellenállásnak kell lennie, az osztónak. Ha 60V akarsz kijelezni akkor 200V bemenő feszültségre számolj. Mert itt ugrik a tizedes pont. Kijelezni csak 199,9 tud. Tehát 200V / 1M ohm az= 0,0002A neked 0,2V kell, 0,0002A mellet 0,2 / 0,0002 =1000 ohm. Az osztó 1M ohm – 1K ohm = 999000 ohm és 1000 ohm A 999000 ohm os van a 200V felé , és a 1000 ohm a test felé. A két ellenállás találkozása, a műszer + bemenete. Most jön a neheze. Ki kell keresni, azt a ellenállást, amit gyártanak. 910000 ohm létezik. A másik ellenállásnak 910,9109 ohm osnak kell lenni, ez nem létező. Létező ellenállás 910 ohm ehhez még párhuzamba kell kapcsolni, egy 910000 ohm ost, és akkor megkapjuk a 910,9109 ohm ot. Áram mérés: 20A re kell számolni ekkor a műszerbe 0,2V ot, kell kapnia. 0,2/20 = 0,01 ohm ez ismét nem kapható. de ha 3db 0,033 ohm ost + 1db 9,1 ohm ost párhuzamosan kapcsolsz, akkor elvileg ott vagy. Itt érdemes, a ellenállás teljesítményére is figyelni. A 0,033 ohm os legalább 2W os legyen, amit kinéztem az egyébként 4W os A 9,1 ohm os legalább 0,1W kell ami kapható 0,5….1W. Ha finom beállítást akarsz feszmérésnél, 910 ohm osal párhuzamosan kötött 910K ohm ost vedd 820K ohm osra +150….200K ohm os pótméter. Áram mérésnél, a 9,1 ohm os csere 7,5 ohm ra +10…..100 ohm os pótméter. Idézet: „UI.: azt miért írta hogy "mindenki maga dönti el hogy összeköti e a táp GND-t a mérő GND-vel?” Itt most melyik tápra gondolsz? A műszer táp, vagy a „labor”táp amire a műszert akarod tenni. üdv.
Tyűha, mire vállalkoztam én
Alkotó írta hogy a panelmérő GND-jét ha akarjuk összeköthetjük a panelmérő táp GND-jével... üdv! ez így elsőre elég nagy falat olvasni Belekavarodik az ember.. Ha nem nagy kérés, le tudnád rajzolni?
Néztem Attila86 oldalán máshogy van írva..
Mi ennek az oka? A képen van az amit az oldalán találtam..
Például:
1M Ω – 1K Ω 1M ohm - 750 ohm Vagy az azért van mert neked van az osztóban egy 500 Ohm-os timer? Akkor ha a válaszodat jól értelmezem, a te "táblázatod" alapján csinálhatom az osztókat? Bocsi ha hülyeségeket írok mert még ilyennel nem volt dolgom.. Legközelebb már tudni fogom merre hány méter.. Üdv!
Hát ez azért van így, hogy annyi osztásarány legyen a trimmeren amennyit én akarok.
Nem, az én táblázatommal nem csinálhatsz osztót magadnak. Azért, mert az az osztó 'speciálisan' az én panelmérőmhöz van méretezve amin szándékosan nem 200mV a végkitérés.
Amit fongab ír, az lehet, hogy jó, de annyira zavaros, amit egyorrú ember nem tud kigubancolni. Szerintem ne is fáraszd vele magad.
A labortápegység készítése topikban, én is írtam egy kis összefoglalót a labortápok feszültségének és áramának mérési lehetőségeivel. Abban is találsz néhány hasznos dolgot, többek között azt is, miként kell kiszámolni az osztók értékeit. Bővebben: Link A csatolással valami gond van, ha nem sikerül rámenned, akkor ott, a 408178-as hozzászólást nézd meg, annak melléklete amiről beszélek. Alkotó
olvasgattam a te PDF-edet is..
De számomra az is zavaros.. Vagy megpróbálom még egyszer átolvasni, hátha leesik a lényeg.. Üdv!
Szia
Ha mérendő fesz/áram testje megegyezik akkor összekötheted. De csak akkor. Egyébként a legbiztosabb ha két külön tekercsről ( trafóról ) táplálod. Ha elkötöd a műszer megmarad, legfeljebb a várt érték rossz. Első esetnél mehet a műszer is. (elkötésnél) Bocs a rajzért így sikerült. A pótméter + ellenállással fesz mérésnél 910K ohm. Áram mérésnél 9,1 ohm amit be kell állítani. üdv.
Szia!
Köszönöm! Így már meg tudom valósítani.. Az árammérésnél a timernél az a "10" az ott mi? Az a gond hogy nekem csak 0.1 Ohm és 0.33 Ohm os ellenállásaim vannak... A fesz mérésnél a timerről jövő szálat (a műszerbe menő) össze kell kötni a 910K és a 910 Ohm közötti ponttal? Nem látok pontot így úgy gondolom hogy azok csak keresztezik egymást.. Az árammérésnél ott van oldalt hogy "7.5" az ott mi? üdv!
Szia!
Bocsi tegnap valószínűleg már fáradt voltam, most nézem hogy amit kérdeztem hogy az a 7.5 micsoda most esett le hogy az egy ellenállás érték.. Tegnap nem esett le hgioy 3X0.033Ohm van ott és nem pedig négyszer... üdv!
Szia
Igaz pontot nem tettem, de ahol keresztezés van, ott kötve van. A 0,1 ohm 20A nál 2V ot kapsz, azt is csökkenteni kell. 1/10 osztó és 0,2V amit márt ki tudsz jelezni. Csak mekkora a teljesítménye. Mert itt IxIxR 20x20x0,1=40W Te azt írtad, hogy 15A akarsz kijelezni. Ami 22,5W ha 50W ellenállás, akkor használd. De hűteni kell. És 22,5W felesleges hőt termelsz. Míg az én megoldásommal, csak 2,25W hő keletkezik. De te tudod. Ha több darab 0,1 ohm os ellenállásod van javulhat a helyzet. 2 darabnál 1/5 osztó kell és 11,25W hőt termel. Ha több darab számold ki 1/R=1/R1+1/R2+1/R3+1/Rn lényeg, hogy az eredő ellenállás 0,01 ohm, alá, ne menjen. Teljesítmény számold ki Pl.: ha 0,1+0,33 párhuzamosan kötöd eredő kb.0,077 ohm ezen folyik 15A ami 1,155V feszültség esést okoz. Mekkora áram folyik a 0,33 ohm os ellenálláson? 1,155/0,33=3,5A teljesítmény = 3,5x3,5x0,33 = 4,04W ha 8W illetve az feletti, akkor jó. Ugyan ez a 0,1 ohm osmál 1,155/0,1=11,55A teljesítménye = 11,55x11,55x0,1 =13,34W Ha 20W az ellenállásod, akkor jó. Ez csak példa, a számolás menetéről. És elnézést, ha nem érthetően írtam, le. Én gondolatmenetem. Írd le, mit nem értesz. Hátha én is megértem, és máshogy írom le. üdv.
Köszönöm a kimerítő választ!
Nem gondoltam volna hogy ekkora veszteségek lépnek fel.. Azt a 10-15A-t azért írtam hogy jó legyen több célra... Netán ha nagy áramokat kéne mérni... Ha megépíteném az Attila86 féle Idézet: műszert akkor az ő táblázata alapján meg tudnám az áramot és a feszültségosztót is csinálni..„DVM3,5UIAC” De ott az áram mérésnél mekkora veszteségek vannak? (4Db párhuzamosan kapcsolt 0.1Ohm os ellenállás a sönt) Végül is az jobban tetszik egy kicsit mert tud egy műszer áram és feszültséget mérni.. bár ezt sem tartana sokból átalakítani de az Attila paneljén rajta van minden.. Üdv!
Az az áramkör a weboldalamon a "béta" kapcsolások közt szerepel. Az ilyen státuszú áramköreim helyes működése nem garantált!
Konkrétan az az áramkör otthon van az asztalomon összerakva, de sajnos egy kicsit ugrál. Ennek okára még nem volt időm rájönni (összerakni is alig).
Szia
A 4 darab 0,1 ohm nál eredő 0,025 ohm 15A nál a feszültség 0,375V egy ellenállás teljesítménye 1,40625W Ha itt, 4x0,1 ohm 3W ellenállást teszel, az márt jó. Ami kapható, az a 2W vagy a 5W. A 5W bőven megfelel. A 2W határeset. Pl.: a kézi műszerekbe áram mérés 30 másodperc 20A. Ha te is csak perc alatt akarsz mérni akkor a 2W elég. Ha nem, marad a 5W. üdv. |
Bejelentkezés
Hirdetés |







