Fórum témák
» Több friss téma |
Fórum » Időzítő
Témaindító: Mekkmester, idő: Dec 25, 2005
Témakörök:
Köszönöm szépen az áramkört és a hasznos segítséget is!
Megépítettem, és működik, ahogy kell. A táp egy normál csengőreduktor, egyenirányítóval (tehát ez a fix táp), a csengetés pedig ennek a pozitívja. (Emiatt az általad küldött rajz elejére BC337-et raktam, ez helyettesíti a rajzod szerinti nyomógombot.) Maga a csengő áll egy hangrögzítő/lejátszó IC-ből, egy erősítőből, egy számlálóból, és -hála Neked- egy időzítőből, mely jelzi, hogy "az elmúlt 1 percben csengettek". Holnap megpróbálom az időzítőre kötni az erősítőt, mert elegánsabb megoldás, és "üresjáratban" kb. 15-20mA -t felvesz feleslegesen. Ha kész lesz, küldök pár fényképet róla, ha már ennyit segítettél... Köszönöm! A hozzászólás módosítva: Feb 12, 2014
Még egyszer köszönök mindent!
Ezt szeretném megcsinálni,csak nem nagyon értek az elektronikához, valaki elmagyarázná ?Mennyire nehéz kivitelezni stb stb!ÍEgy rc távbn kapcsolná a világítást a kijelzőn.
Hello! Nem nehéz ezt kivitelezni, de hogy a kapcsolás megfelelő-e számodra, ahhoz ismerni kell néhány dolgot.
- Mekkora tápfeszültségről működne? - Mekkora a világítás feszültség és áramigénye? - Milyen hosszú időt szeretnél késleltetni? - A "signal"-al jelölt bement mire csatlakozik, vagy is mi indítja az időzítést? üdv!
Eg spectrum dx7s távban lenne benne,Bővebben: Link
Hello! Oké, de én speciel ebből nem tudok meg semmit, mert nem ismerem. A vezérlő programjában meg láthatóan benne van az időzítés. üdv!
Ennyit találtam:
Bővebben: Link
Hello!
Olyan bekapcsolás késleltetőre lenne szükségem ami 5V-ról megy és nem nyomógomb-al indít hanem tápfesz rákapcsolásakor. A késleltetés 1.5-2 perc körül kellene, ugyanis ennyi idő alatt nyit ki egy szelep. A hozzászólás módosítva: Márc 12, 2014
Hello! Ha a Q1 tranyóig bezárólag nézed, akkor ott a kapcsolás. üdv!
Én is valami 4060-as kapcsoláson gondolkodtam.
Ez tökéletes, Köszönöm.
Sziasztok!
Nekem is egy üzemanyag pumpa működtetés céljából kellene egy áramkört építenem, de nekem mint zoli01 kérése esetén nem szükséges hogy egy jel kapcsolása után úgy is maradjon vagyis minden gyújtás ráadásakor 5 mp ig működtessen egy relét, proli007 kapcsolási rajzát már kinéztem magamnak, és azt szeretném kérdezni hogy akkor elég csak a olajnyomás kapcsolót és a hozzá tartozó tranyót elhagyni? Esetleg a legegyszerűbb leg kisebb helyen elférő kapcsolás megrajzolásában segítenétek. Köszönöm.
Hello! Ha így van, lehet egyszerűsíteni. De ha a "kapcsolás alatt" a nyáktervet gondoltad, akkor minimum ismerni kell a reléd típusát, áramfelvételét.. üdv!
Nagyon szépen köszönöm a segítséget, nem ez pont jó, mert azon agyalok ezt úgy csinálom meg hogy a régi relé csatlakozói által egy közbetétet csinálok amibe egy másik ugyan olyan megy és így áthidalva a probléma.Most majd elkérek egy mintát megnézni a méreteket. Akkor viszont ha azok meglesznek egy nyákterv jól jönne hogy legyen a panel.
Hello mindenkinek! Segítséget kérnék. Egy 12v-os relét szeretnék késleltetve indítani az autómban. Gyújtás ráadás utan kb 20-30 mp után kellene behúznia és húzva maradni. Előre is köszönöm a segítséget!
Hello! OKÉ! De nem tudtuk meg a relé típusát, behúzóáramát. Vagy azt sem, hogy most a régi relét fogod ezzel kapcsolni, (vagy is az nem lenne a nyákon) vagy külön relével a régi relét vagy mi.. üdv!
Hello! Használhatod a kettővel feljebbi kapcsolást, csak dióda-ellenállás kombót fel kell cserélni a C1 kondival. (C1 alulra, dióda-ellenállás felülre) Természetesen a C1-R1 értékét az időzítésnek megfelelően kell megválasztani. Pld. 220µF-100..150k. üdv!
Üdv! Keresek olyan egyszerű áramkört ami ha kap egy működtető jelet akkor el kezd visszafele számolni mondjuk 5 (ez lehet akár kisebb idő is ) perctől visszafele és ha újra megkapja a jelet számlálás közben akkor előröl kezdi a számlálás és ha lejár az időzítés akkor lekapcsol.
Hello! Itt találsz ilyen áramkört.. üdv!
Szia! Érdeklődöm, hogy sikerült-e meg építeni a késleltetőt? Mert valami hasonlót szeretnék én is építeni. De ezen és az előző rajzon szerintem nem működik az erősáramú rész, nincs öntartás. Sajnos nem jövök rá, hogy hogyan lehet meg oldani. Valami segéd kapcsoló kellene a főáram kapcsoló mellé. Amolyan öntartás mint a mágneskapcsolóknál használtunk. Jó lenne meg oldani, ha valakinek van ötlete kérem segítsen.
Üdv. Én szeretnék építeni egy olyan időzítőt amin beállítok egy időt pl 15 percet és elkezd visszafelé számolni a lejárta után pedig jelet ad ki. Egy kijelző kellene rá amin látható a visszaszámlálás óra:perc:másodperc formátumban. 9V-12V-ra kellene. 1mp-ről legalább 1 órara állítható legyen. Remélem tudtok segíteni.
Előre is köszönöm!
Sziasztok! Szükségem lenne egy olyan időzítő kapcsolásra, ami ha a tápfeszültséget megkapta, és egy kapcsolón keresztül jelet adok neki, akkor 5-x sec-ig állítható, majd ha jelet adok neki, akkor megint visszaszámol a megadott időtartamról. Egy átemelő szivattyúhoz kellene és hát elég kezdő vagyok, remélhetőleg nagyjából érthetően fogalmaztam. Előre is KÖSZÖNÖM!
Hello! Kissé hiányos a kérdés.
- Az "5-x" mennyi idő is? - A kapcsoló állandóan bekapcsolva marad, vagy csak egy pillanatra kapcsolod be? (Vagy is nyomógomb.) Esetleg egy másik áramkörtől kap jelet? Mert alapból ez nem más, mint egy NE555-ös monostabil multi, amit egy nyomógombbal lehet indítani. De 555-el, legfeljebb egy percig érdemes időzíteni. - Tápfesz? Egy időzítő rajzra vágysz, vagy egy komplett rajzra? (relé, táp,stb..) - De ha átemelő, akkor miért nem egy úszókapcsolót használsz? üdv! A hozzászólás módosítva: Márc 27, 2014
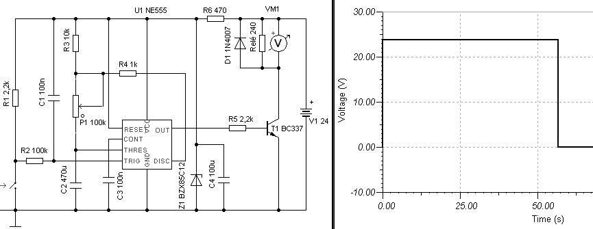
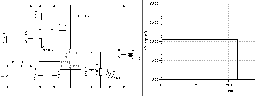
Helló! Egy perc bőven elég lenne, 12 vagy 24 V os lenne a betáp.
Egy pillanatra kapna jelet az úszókapcsolótól A hozzászólás módosítva: Márc 29, 2014
Hello! Ha 24V a táp, akkor az IC-nek stabilizálni kell, és a relét egy tranyóval hajtani meg. üdv!
A hozzászólás módosítva: Márc 29, 2014
Sziasztok!
Szeretnék építeni 555-tel egy astabil multivibrátort ez alapján, aminek T1: 0.1s, T2: 4.9s f:5Hz. Ehhez milyen ellenállások és kondenzátorok kellenek?
Hello! Valami kis gond van. f=1/t . a t=T1+T2 Vagy is az 5sec az nem 5Hz, hanem 0,2Hz..
Tiszteletem
Azzal a kéréssel zaklatlak benneteket. hogy segítsetek a következő időzítő el készítésében Ad va van egy 15 perces kapcsoló óra , de nekem csak 5 percre van szükségem naponta 2-szer előre is köszönöm
Hello! Egy megoldás pld. itt van. Az 555-ös részét nem építed meg, vagy be.
|
Bejelentkezés
Hirdetés |





















