Fórum témák

» Több friss téma
Fórum
Keresés
Lapozás: OK   1 / 1
(#) vision61 válasza StubifIex hozzászólására (») Ápr 15, 2019
Szia!
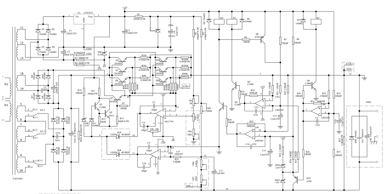
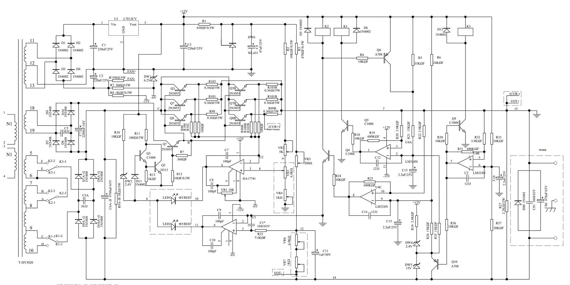
Csak ötletadóként felteszem a hy3020 labortáp rajzát, a szekunder tekercsek feszültségeit, illetve a kapcsolt feszültségeket kimértem a kimenő feszültség függvényében.
Évek óta, több darabot is használunk ebből a tápból. 5-10 V kimenő feszültségnél is bírják tartósan a 10 A feletti terhelést.
Az előszabályzó részben 3 db relé 4 szekunder tekercset kapcsolgat, igaz nem PIC, hanem komparátorok vezérlik.
(#) vision61 válasza BI-AMP hozzászólására (») Feb 3, 2016
Szia!

1 db semmiképpen, de 3 db már elég lehet, HA megoldható az előszabályozás! Mellékelek egy gyári 30 V/20A-es labortáp rajzot (ebben 6 db van), ebből nekünk van több is. 10-12 A folyamatos terheléssel (feszültségtől függetlenül) 40 fok alatt van a hűtőborda hőmérséklete. Ebben 8 feszültség lépcsőt valósított meg a tervező.
A hozzászólás módosítva: Feb 3, 2016
(#) vision61 hozzászólása Máj 8, 2014
Sziasztok!
Mellékletben a Mastech hy3020 (30 V/20 A) labortáp rajza, és néhány mérési eredmény, hátha valakinek ötletként szolgál az építendő tápjához. A relés előszabályzó miatt szedtem szét, mivel 3 db relével oldják meg a bemeneti AC feszültség 8 lépcsőben történő szabályzását, 4 db szekunder tekercsről. A kimeneti feszültség kb. 4 V-os változása esetén kapcsolnak a relék.
Következő: »»   1 / 1
Bejelentkezés

Belépés

Hirdetés
XDT.hu
Az oldalon sütiket használunk a helyes működéshez. Bővebb információt az adatvédelmi szabályzatban olvashatsz. Megértettem