OK
Mégsem
Hobbivasút
|
HESTORE
|
Kislexikon
Hírek
Cikkek
Fórum
OK
Hírek
Cikkek
Fórum
Lexikon
Segédprogramok
Apróhirdetés
Fórum témák
Ez milyen alkatrész-készülék?
Ki mit épített?
Elektronikában kezdők kérdései
PIC kezdőknek
[OFF] Pihenő pákások témája
- Elektronika, és politikamentes topik
NYÁK-lap készítés kérdések
AVR - Miértek hogyanok
ARM - Miértek hogyanok
•
Érdekességek
•
NYÁK terv ellenőrzése
•
LCD monitor probléma
•
Számítógép hiba, de mi a probléma?
•
Fejhallgató erősítő
•
Napelem alkalmazása a lakás energia ellátásában
•
CD lejátszó javítás
•
Nosztalgia - elektroncsövek, és (h)őskori technikák
•
Felajánlás, azaz ingyen elvihető
•
Nyomtató probléma
•
PLC kérdések
•
Futópad
•
Elfogadnám, ha ingyen elvihető
•
Utánfutó visszajelző
•
Vásárlás, hol kapható?
•
Li-Po - Li-ion akkumulátor és töltője
•
Castone erősítő javítás
•
Elektromos távirányítós kapunyitó
•
Szűrőt, de milyet?
•
HESTORE.hu
•
Logó és cégér, ki mit használ és hogyan
•
Orsós magnók
•
Komfortindex autóba
•
LCD TV probléma
•
Földelt kimenetű erősítők
•
Oszcilloszkóp, avagy hogyan kell használni?
•
TV-játék
•
Erősítő mindig és mindig
•
Tápegység készítése
•
Forrasztópákák - melyik miért jó
•
555-ös IC-vel lehet-e?
•
Kamerás megfigyelőrendszer
•
Indukciós főzőlap javítása
•
Lézergravírozás
•
Tápegység
•
Hifi erősítők tervezése
•
Villanypásztor
•
Videokamera javítása
•
135.6 kHz-es HGA22 vevő
•
Muzeális készülékek-alkatrészek restaurálása
•
V-FET és SIT erősítő kapcsolások
•
Hűtőgép probléma
•
Wifi rádió
•
Gázkazán vezérlő hibák
•
Ki hol gyártatja a NYÁK-ot ?
•
Internetes rádióvevő
•
MyElecParts alkatrészkereső és készletnyilvántartó
•
Forrasztási 1×1 forrasztástechnikai miértek
•
Vicces - mókás történetek
•
Kombikazán működési hiba
•
Kapcsolási rajzot keresek
•
Mosogatógép hiba
•
RIAA korrektor
•
Hegesztőgép
•
Kenyérsütőgép
» Több friss téma
Fórum
Keresendő kifejezés
Keresés módja
Intelligens keresés
Hozzászólás keresés
Fájlmellékletben
Fájlmellékletben (képek)
Kategória
Minden kategória
Alapismeretek
Ellenállások
Kondenzátor
Áramforrások
Tekercsek
Kapcsolók
Érzékelők
Motorok
Műszerek
Egyéb
Analóg áramkörök
Erősítők
Szabályzók
Egyéb
Digitális áramkörök
Flip - Flop és tárolók
Kapuk
Vonali választók
Multiplexerek
Dekóderek
Demultiplexerek
Bufferek és meghajtók
Számlálók
Regiszterek
Aritmetikai áramkörök
Logikai áramkörök
Memóriák
Egyéb
Mikroprocesszorok
PIC
Memória / EEPROM
Memória / EPROM
Memória / RAM
Egyéb
AVR
STM32
STM8
Espressif, ESP
LPC
SAM
PIC32
ARM általános
Speciális
Csövek
A/D konverterek
Időzítők
Komparátorok
Egyéb
Technika
Audiotechnika
Fénytechnika
Vezérlés technika
RF technika
Méréstechnika
Keresés
Új téma nyitása
Lapozás:
1. - 50. elem
51. - 100. elem
101. - 150. elem
151. - 200. elem
201. - 250. elem
251. - 300. elem
301. - 350. elem
351. - 400. elem
401. - 450. elem
451. - 500. elem
501. - 550. elem
551. - 600. elem
601. - 650. elem
651. - 700. elem
701. - 750. elem
751. - 800. elem
801. - 850. elem
851. - 900. elem
901. - 950. elem
951. - 1000. elem
1001. - 1050. elem
1051. - 1100. elem
1101. - 1150. elem
1151. - 1200. elem
1201. - 1250. elem
1251. - 1300. elem
1301. - 1350. elem
1351. - 1400. elem
1401. - 1450. elem
1451. - 1500. elem
1501. - 1549. elem
OK
6 / 31
P10203-09204...jpg
IMG_20201230...jpg
IMG_1092.JPG
IMG_1092.JPG
IMG_1078.JPG
IMG_1080.JPG
20201017_175...jpg
IMG_20200930...jpg
Iphone.jpg
IMG_20200929...jpg
IMG_20200928...jpg
IMG_20200928...jpg
életveszél...jpg
IMG_20200928...jpg
fojtó.JPG
IMG_20200922...jpg
Leválasztó...jpg
l.JPG
Nyák_mod.JPG
naneeee.JPG
20200804_141...jpg
20200804_160...jpg
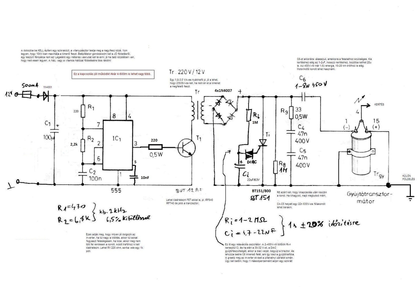
villp-01.jpg
villanypász...jpg
pásztor egy...jpg
elrendezés.jpg
images.jpeg
pásztor be...jpg
pásztor kon...jpg
0D36055D-A60...jpeg
received_119...jpeg
received_603...jpeg
IMG_20200520...jpg
IMG_20200520...jpg
DL4000.jpg
DL4000.JPG
DL4000.JPG
20200505_191...jpg
20200505_191...jpg
Nyák.jpg
Rajz.jpg
received_228...jpeg
IMG_20200326...jpg
20200403_112...jpg
20200402_171...jpg
20200402_171...jpg
20200402_173...jpg
20200402_173...jpg
20200402_125...jpg
20200402_130...jpg
Következő:
1. - 50. elem
51. - 100. elem
101. - 150. elem
151. - 200. elem
201. - 250. elem
251. - 300. elem
301. - 350. elem
351. - 400. elem
401. - 450. elem
451. - 500. elem
501. - 550. elem
551. - 600. elem
601. - 650. elem
651. - 700. elem
701. - 750. elem
751. - 800. elem
801. - 850. elem
851. - 900. elem
901. - 950. elem
951. - 1000. elem
1001. - 1050. elem
1051. - 1100. elem
1101. - 1150. elem
1151. - 1200. elem
1201. - 1250. elem
1251. - 1300. elem
1301. - 1350. elem
1351. - 1400. elem
1401. - 1450. elem
1451. - 1500. elem
1501. - 1549. elem
»»
6 / 31
Bejelentkezés
Felhasználónév
Jelszó
Jegyezz meg!
Belépés
» Elfelejtett jelszó
» Regisztráció
Hirdetés
A használat feltételei
•
Adatvédelem
•
GY.I.K., Használati útmutató és szabályok
•
Impresszum
•
Elosztó
•
Hiba jelentése
Az oldalon sütiket használunk a helyes működéshez. Bővebb információt az
adatvédelmi szabályzatban
olvashatsz.
Megértettem