Fórum témák
» Több friss téma |
Ha még érdeke, probáld meg ezt!
Sziasztok!
Nézegettem ezeket a szinuszos invertereket és sokban látok (aránylag) kicsi, ferritmagos trafót. Ez hogy lehet? Hiszen itt azért nem egy kapcsoló üzemű AC-DC konverterről van szó, hogy a nagyfrekvenciás trafó szóba jöhessen mert a kimeneten 50 Hz kell legyen ami nem éppen magas frekvencia. Akkor hogy is van, hogy mégsem a jó öreg vasmagos trafó van bennük?
Szia!
Tévedsz, mert a kis méretű szinuszos inverterek kapcsolóüzemű módszerrel állítják elő a szinuszos áramot, PWM segítségével. Úgy, mint az aszinkron motorok frekvenciaváltói. Bővebben: Link
Szia!
Avval tisztában vagyok, hogy az egész lényege a kapcsolóüzem, vagyis a folyamatosan változó PWM kitöltési tényező révén jönnek létre olyan pillanatnyi átlagértékek melyek integrálja szinusz jellegű.) De végeredményben ez az integrál egy 50 periódusú szinuszjel (a trafó soros induktivitásának integráló hatása után legalábbis) és ezért nem értem, hogy jön a képbe a ferritmagos trafó ami ugye több kHz-nél használatos.
Hát úgy van ez, hogy a PWM-alapfrekvencia (vivő) a több kilohertzes, aminek a kitöltési tényezőjét változtatják (modulálják) 50 Hz-el.
A leggyakoribb elv az, hogy egy DC/DC vel felnyomják az akkufeszt kb 400-700V ra, ehhez kell a ferrit amit láttál.
Majd ezt a magas DC feszt egy H hídas szinuszos PWM el megszaggatják, a híd kimenetén szűrés után előáll az 50Hz-es szinusz. De akármennyire is hihetetlen meg lehet oldani ferriten keresztül is. Mégpedig Ún: Szinkrontrafóval. Vágjuk szét a szinuszt többtíz KHz frekvenciával, az így keletkezett kis területeket váltakozó polaritással tegyük tá a ferrit primerre, a szekunderen egyenirányítsuk szinkron váltakozva (a primerrel) és előáll ugyanaz a szinusz, mint amit szétdaraboltunk, csak áttételszeresen. (A szekunderre kétirányba vezető, kétirányba kapcsolható elemek kellenek, PL 1elem = 2 soros kapcsolású fordított állsású fet, emiatt bonyolult, és alkatrészigényes...)
Sziasztok!
Köszi mindkettőtöknek a válaszokat! A kérdésemet azért tettem fel mert jó lenne építeni egy szinuszos invertert de egyelőre csak az egyszerűbb hálózati frekvenciára méretezett toroidos trafós kivitelre gondolok. A lényege az lenne, hogy előállítok vezérlőjeleket két FET számára, középkivezetéses trafót használva. A szinuszjel felső periódusában "A" FET lenne PWM-el vezérelve míg az alsó periódusban "B" FET. A szinuszhullám egy teljes periódusát egy hullámtáblában tárolt 256 db 8 bites értékkel interpolálnám, ezek a számok képeznék a komparálási szinteket a timer számára. A komparálási szint ~78,125 usec-enként (lényegében ez lenne a timer periódusideje) lenne frissítve, így reményeim szerint jó közelítéssel, 230V 50Hz Vac~ jelenne meg a "szekunder" oldalon (megfelő trafó és DC feszültség esetén). Mi a véleményetek, működőképes ez az elv?
Sziasztok.
Szeretnék készíteni egy invertert, szinusz jelel 12vto220v A tervem szerint ICL8038 állítaná elő a szinusz jelet és ez vezérelne két darab izom FET-et. Röviden ennyi a tervem. Lehetséges lenn? Előre is köszönöm as segítséget
Szia!
Szerintem ez nem igazán működne az általad említett IC-vel mert az folytonos jelet állít elő, a szinuszos inverterek lényege pedig a kapcsolóüzemű működés. Vagyis a kapcsolóelemek be/ki időarányát változtatjuk. Tehát pl. egy tranzisztor adott ideig vagy teljesen nyitva van vagy teljesen zárva. Pont ilyesmiről van most szó a topikban én is szinuszos invertert tervezek építeni.
Akkor egyenlőre várok hogy mi lesz ebből.
Az én elvem szerint van egy 50Hz szinusz jelem kis áramal 12V A FET-ek áram erősítőként működnek és így tulajdonképen a Vasmagos trafóra rögtön megfelelő színusz jel jut. A hatásfoka rossz lenne de én nem vagyok meg szállott e téren. A teljesítményt szabályzását pedig egy áram generátorral oldanám meg manuális, ami a FET-ekre jutó áramot szabályoz.
Ha ilyen lineáris ambícióid vannak, akkor egyszerűen építs egy jó nagy hangfrekvenciás erősítőt, amit nem hangszóróra kötnél, hanem egy trafó kisfeszültségű tekercsére. A bemenetet meg meghajtod egy szinuszoszcillátorral.
Nem nagyon találtam még olyan erősítőt ami nagy teljesítményű és nem szimetrikus...
De a szimmetrikus miért nem jó? Teljesen mindegy a végkifejlet szempontjából, hogy szimmetrikus vagy nem.
Egy aszimmetrikus táplálású, kondenzátoros kicsatolású erősítő: Bővebben: Link
Jó napot!
Ahhoz hogy érdemi segítséget kapjál, kellene az inverter rajza. Ha csak az elmúlt néhány nap bejegyzését elolvasod, láthatod, hogy nem olyan egyszerű a dolog; lehet ferritmagos viszonylag nagyfrekvenciás trafó, és lehet a jó öreg vasmagos trafó, toroid vagy EI lemezes kivitelben. Szerintem a dupla szekunder sem igaz mindegyikre.
Szia két trafon gondolkodom az egyik a toroid a másik egy régi pc táp vasmagja tekertem már rá proba szinten huzalt de nem tudom egyenirányitani nem tudom mi a gond tessék a kapcs rajz !!! Én ezt az invertert épitetem meg de a végfok nélkül csak az invertert !
Szia!
Itt van egy, gyári inverter kapcsolás, hátha segít.
Szia!
A kapcsolásban nagyfrekvencián viszik át a teljesítményt, tehát ferrit magos trafó kell neked. Az eredeti doksi tartalmazza a menetszámokat. Ha attól altérő feszültséget szeretnél, akkor annak megfelelően kellene változtatni rajta. A fényképen látható. hogy kb. mekora vas kell hozzá. Nem értem, hogy miért nem tudod egyenirányítani? Ez a kapcsolás valójában egy DC/DC konverter. Arra van kitalálva, hogy 12V-os DC feszből az erősítőnek +-40VDC-t csináljon. Ez nem 230VAC 50Hz-es inverter.
Kösz a rajzot de én maradok enéél nem akarok bele vágni ujba elöször ezt akarom befejezni de kösz majd ez után lehet neki ugrok
csinálni csinál is anyit de az egyenirányitokig jut a felszültség utánuk meg már csak egy töredéke és nem tuok rájönni mi a gond
Szia!
Nem akartalak lebeszélni a mostani kapcsolásról, csak gondoltam érdekel minden evvel kapcsolatos rajz. Elég sokat lehet tanulni, egyes gyártók fejlesztéseiből. A diódák, amiket használsz a kapcsolásodban, gyors diódák? Mérted a nyitófeszültségeiket?
Le kellene ellenőrizni, hogy a fetek vezérlése rendben van-e. Közel 50%-os kitöltésű vezérelő jeleket kellene mérned a két fet gate-jén, azaz ellenüteműen kell működniük. Szkóppal kellene megnézni, de ha nincs, a gate-n lévő DC középérték feszültségből is nagyjából ki kell derülnie. Szerintem itt lesz a probléma, a TL494 nagyon keskeny PWM jeleket adhat ki valamiért. Ha mégis rendben lenne, akkor valóban a trafóval lehet a gond. A primer és szekunder tekercseknek szoros csatolásban kell lenniük, de azért nekem hihetetlennek tűnik, hogy annyira lazára sikerüljön az a trafó. Fontos, amire weend hívta fel a figyelmet, hogy valóban gyors diódákat használj a trafó után.
Fiuk na akkor ez lesz a probléma nem kaptam fr 302-es diodát és adtak valami mast kell szereznem akkor gyors diodákat nem tudtok valami példát mondani mient vehetnék ?
Szia!
A lap alján mutatnak helyettesítőket.
Na szereztem gyors egyenirányitokat
mar egyenirányitás stimmel de most aza agondom hogy feltekertem a ferit primerét és a szekunderrel kisérletezek de problémába ötköztem 2x10 tekerést csináltam lentről felfele egyenirányitás előtt erős az áram erősség de utána gyönge és az egyik kondiban 47V van a másikban csak 22-23V kürül nem tudom mi lehet a gond
Bifilárisan tekerted,és a két tekercs kezdet végeit lehet nem jol kötötted össze.Az eggyik tekercs végét a másik kezdetével kösd össze.
Szia
Na én ugy csinaltam hogy lentről felfele feltekertem 10 menetet aztan mégegyszer fölé fönt öszekötötem a két alsot egyeniranyitotam a fölsü a 0-a igy nem jó?
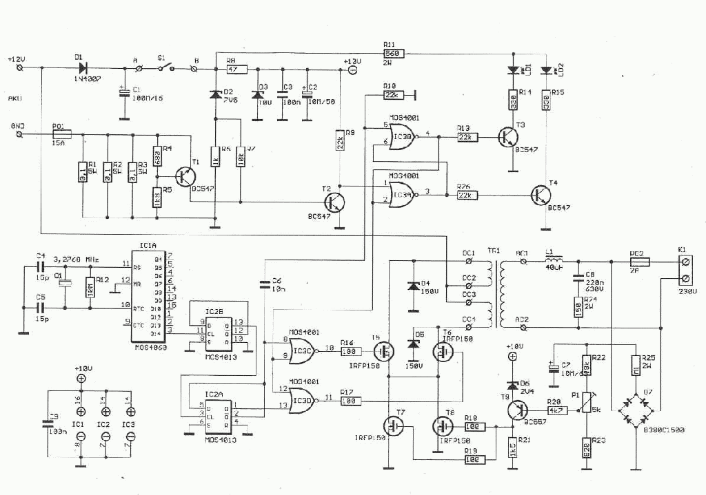
Sziasztok, szeretném a következő invertert megépíteni de nem teljesen értem, hogy a C4 illetve L1 pontosan mi célt, szolgál (és azt, miként) ?
Udv mindenkinek. A minap talaltam ezt a 12/220 inverter kapcsolasi rajzot s vele kapcsolatban erdekelne valami,hatha itt ert hozza valaki. Engem az erdekelne,hogy ezzel a kapcsolassal a halozati 230V jelenleteben lehet e az akkumlatort visszatolteni? ( A FET-ekben levo dioda kihasznalasaval) A masik amit nemtudok,hogy LED 1 es LED 2 mit jeleznek?
Ja es ebben a kapcsolasban 2x9V szekunder kivezetesu trafot ajanlanak. Lehet e hozza 2x12V hasznalni es az mit valtoztatna?
Kevesebb lenne a kimenőfeszültséged.
|
Bejelentkezés
Hirdetés |













