Fórum témák
» Több friss téma |
Fórum » Inverteres hegesztőtrafó
Ekkora frekin már elveszik a fet előnyös kapcsolási sebessége, és nagyon meg fog nőni a kapcsolási veszteség. Ez csak az én véleményem. Nehezen szabályozható már a nyitás zárás ideje, nagyon nagy sebességü meghajtók kellenek (és szabályzók). 20kHz felett is van élet, de 200kHz alatt is !
Persze azért én sem bolondultam meg. Csak néha eleresztem a fantáziám.
A szomorú tény, hogy nem fogjuk újra feltalálni a spanyol viaszt és a rajzok között találni oly egyszerűt, aminél már nem lehet egyszerűbb és olcsóbb. Az ötletek és kapcsolási trükkök javíthatják a hegesztő komfortosságát, de ez mindig többletköltség, és több hibalehetőség. Akár orosz akár más származású a rajz, a lényegi cél ugyanaz: olcsón hegesztőt építeni.
A frekvencia hatásáról az ívre én sem biztos, hogy többet tudok, de valószínűleg segít létrehozni és stabilizálni az ívet.
Helyesen méretezett fojtó esetén, nagy váltó áramról nem lehet szó. Nagyrészt egyenáram fog folyni. (Különben a hegesztő kábeleken nagy lenne a veszteség) Szerintem kondenzátor és segédtáp sem kell a kimenetre, egyszerűen egy 230/50V-os AC/DC átalakító után egy fojtós kimenetű PWM szabályzó, áramgenerátoros kimeneti karakterisztikával (áram-visszacsatolással) Üdv.
Az áramgenerátoros szabályzással a követekező a baj: növekevőáram igényre a kimeneti fesz esni kezd, de mivel a szabályzás áramgenerátoros, az áram marad ugyan az. Tehát a feszültség csökkenéssel az ívbe jutó teljesítmény is csökkent. Ezáltal jelentősen nőni fog a leragadási hajlam. Nézzük ugyan ezt teljesítmény generátorosan. A primeren vegyük a puffert konstansnak, ehhez tartozik egy konstans áram érték amit a vezérlőn beállítottunk, mint maximális meghajtás (igbt, fet max áram). A szekunder oldalon növekvő áramigény esetén a feszültség esni kezd (pálcával túl közel kerülünk az anyaghoz), de mivel a primer oldalon ugyan akkora teljesítmény megy be, ezért az ív feszültség csökkenése az áram növekedését vonja maga után, miután a betáplált energia maradt ugyan annyi. Ez természetesen elméleti, hiszen a bemeneti puffert is meghúzza egy kicsit, a vezetéken/folytón is több fog esni az áram növekedéssel, ahogy a diódákon is, de a hatás ebben az irányban hat. Vagy is az ívbe jutó energia az ívfeszültség csökkenése ellenére igyekszik ugyan akkora lenni. Ezáltal "kiolvasztja" saját magát a nagyobb árammal, a letapadás ellen hat. Míg az áramgenerátorosnál az ívbe jutó energia csökken, ami a letapás irányába hat, kisebb hő, jobb vezetés. (csökkenő ívfeszültség X ugyan akkora áram = kevesebb energia az ívben). Ez az én véleményem, nem néztem utána, de szerintem jó. Ez játszódik le egy hagyományos trafós hegesztőnél is.
Bár nem nekem válaszoltál, de a kérdés úgy szól, hogy
Idézet: . „milyen félvezetőket nem tudsz beszerezni”
Ez játszódik le egy hagyományos trafós hegesztőnél is.
Ezt úgy értem, hogy a hagyományos trafós hegesztőnél is csökkenő ívfeszültségnél nő az áram., amikor közelebb kerül a pálca az anyaghoz, és ez a leragadás ellen dolgozik.
Az 1N5817 diódát nem javaslom,mert csak 20V-os az 1N5819 viszont 40V-os,de,ha bontottál PC tápot abban találsz ránézésre hasonló méretű diódákat a kimeneti oldalon,a feliratuk IR,HER,RU,RL, és valami szám,ha minden kötél szakad akkor írj egy listát,abból amid van és segítek választani.A 47ohm/15W ellenállás helyett 10ohmtól 50ohmig bármi jó,vagy a nagyobb ohm értékűekből párhuzamos kapcsolással alakíthatsz ki hasonló értéket,vagy soros,párhuzamos,akár vegyes kapcsolással is megoldható,ez a lágy indító rész ellenállása.A 47ohm/10W is hasonlóan kialakítható (snubber) + - 2-3 ohm eltérés elfogadható,csak legyen hely ahova beforrasztod.A 2,7k/5W lehet több is 3-3,6k is,kicsit magasabb lesz a kimeneten az üresjárati fesz.Az 1,6ohm ellenállásra is a fentiek alkalmazhatók,de inkább 1W értékű legyen,vagy nagyobb a 0,5ohm akár el is hagyható,helyette tegyél egy drót átkötést átmérő 0,4-1mm huzalból,a hossza nem kritikus,hajlíts egy szép U alakot és forraszd be.
"Ez az én véleményem, nem néztem utána, de szerintem jó."
Szerintem mégis csak utána kellene nézned... pl: Bővebben: Link Kézi bevont elektródás ívhegesztésnél, ha a villamos ív feszültsége csökken akkor az árama is csökken ( Uív = 0,04 I + 20, V ) kb18-20 V alatt nullára és meg is szakad. Az áramforrás pedig eső karakterisztikájú! minél meredekebb annál jobb (közel áramgenerátoros) És ebből az következik, hogy ha az áramot fixen tarjuk egy áramgenerátorral!, akkor az ív feszültsége is közel állandó marad az ív karakterisztikájából és a fenti közelítő képlet alapján (némileg változik az ív hosszával), tehát az ív teljesítménye (P=Uív*I) is állandó marad. Üdv.: P István Ui: a villamos ív nem ohmos fogyasztó!
Rendben!
Kössz a javítást! Ha van még egy két ilyen linked, azt is megadhatnád, hegesztésből van mit tanulni.
Hello!
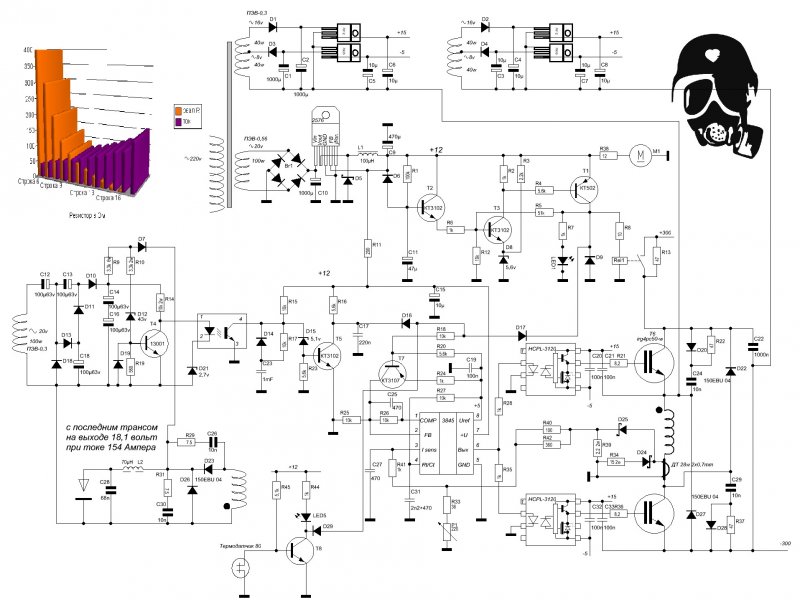
Nekem az tűnt fel, hogy a kimeneten lévő folytó az eredeti orosz rajzon a pozitív ágban van ,de a macinál meg a negatívban, ennek van különösebb oka??? Ja és még valami. A 60APU04-es diódákat miért kell szigetelés nélkül felszerelni?Akkor nem kell az egész bordát elszigetelni a többi pont-tól? :eek2:
Nem az én gépem, de válaszolnék. A folytó sorosan van kötve, tehát mindegy, melyik ágba teszed. A félvezetőket akkor szokás szigetelés nékül szerelni, ha a nagy igénybevétel miatt nagy hőmennyiséget kell a hútőbordának átadni. Minden szigetelőnek általában roszabb a hővezetése (hőhíd), mint a bordának. Talán ez alól egy-két kerámia típus kivétel, de az meg hi-tec technológia. Nagy igénybevételhez használhtó megoldás még a félvezető alá egy vörösréz lemez, erre közvetlenül csavarozva a félvezetőt, és ez alá a szigetelés. Így mintegy "kiterítjük" a hőt a bordára a vörösréz lemezen keresztül (azért 1,5-2mm vastag kell), így a szigetelő réteg roszabb hőtátadása már nem zavaró, mivel többszörös felületen áramlik át a bordára. Ezen kívül a vörösréznek nagyobb a fajhője és a hővezetése is az aluénál. Ennek nagysága (lemez) igénybevételtől függően 4-10 -szeres felület (félvezetőhöz képest), egyéni méretezés függvénye (és hogy mi van a fiókban
). Ha nem szigeteljük a félvezetőt a bordától, akkor értelem szerüen a bordát kell szigetelten szerelni (pld. bakelit lemezzel). A konkrét esetről majd erdgab szerintem tájékoztat.Tegnap elfelejtettem a linket betenni, ahonnan p_istvan a hegesztési anyagot adta. Family - Invest Kft. - Hegesztéstechnika
Hali !
Van-e tapasztalatotok IR2151 FET/IGBT Félhíd vezérlővel? Gondoltam kipróbálom, egyszerűsíthető a kapcsolás felkiáltással. Hát nem jött be. Félhidas ún. Push-Pull meghajtót építettem IR2151-el. A probléma az, hogy a holtidő túl hosszú, 1,2us. A mérések szerint az on/off arány 43/57%, ami jókora hézag. Az alsó FET már lezárt állapotban van, amikor nyit a felső FET és a felfutási meredekség a visszaható kapacitás által, megjelenik az alsó, lezárt FET Gate-jén. Megtuningolva az IR2151 kimenetét, egy impedancia csökkentőt iktattam be BD139/BD140. Csökkent a Gate-en megjelenő tranziens, de még mindig kinyitja kicsit, az egyébként lezárt FET-et és még így is nagyon melegszik. Hiába a 10Ω-os meghajtási impedancia. A 72kHz-et csökkentettem 50kHz-re, hogy mentsem, ami menthető, de sajnos nem csökkent a tranziens. Más irányból megközelítve, csökkenteni próbáltam a felfutási meredekséget, RC-taggal a híd aktív pontján. A visszahatás csökkent, de nőtt a nyugalmi fogyasztás. Eredményt egy egész más megoldás hozott. Egy SG3526 és egy IR2110, ahol a PWM kontrolleren potival állítottam be a kitöltés maximumot, úgy hogy a fogyasztás minimumot érjem el, terheletlenül. A fogyasztást a primer pufferből kifolyó DC áram mérésével figyeltem. P_I-nek már említettem egy kis teszt-trafót. Na ezt a kis trafót hajtottam meg ezzel a félhíddal. Szóval a kérdésem az lenne, hogy szerintetek mit rontottam el?
Hali!
Nekem nem jön be a link. http://nexor.electrik.org/svarka/barmaley/ Ez a felirat jelenik meg: Bandwidth Limit Exceeded The server is temporarily unable to service your request due to the site owner reaching his/her bandwidth limit. Please try again later. Apache/1.3.41 Server at nexor.electrik.org Port 80 Neked / nektek, vagy valakinek betöltődik az oldal?
Túl sokan vannak az oldalon, azt írja próbáld később!
Üdv. P István
Az első kérdésedre FREDDI megadta a választ helyettem.A második kérdésedre mondom.A 60APU04 diódáknak a felfogó felületük és a középső lábuk (megnézed a képeket,látható,hogy ezeket a lábakat én ki is csíptem) azonos potenciálon van (+),adta magát a lehetőség,hogy a több diódát szigeteletlenül csavarozzam a hűtőbordára az egyszerűség kedvéért,a borda el van szigetelve mindentől és ez alkotja a sok diódából alkotott egy közös + pólust és innen van kivezetve is.A diódák maradék két (-) lába egy felónozott rézlemez csíkra van forrasztva,ez a két rézlemez "pólus" csatlakozik a főtrafó kivezetéseihez.A rézlemez csíkok és a hűtőborda között szigetelő bakelit csík van a zárlat elkerülése és a stabilabb kialakítás miatt.A Maci gépnél sziloplaszttal ragasztottam oda a bordára a bakelit lapot és rá a rézlemezt,a diódák előre fel voltak forrasztva,a Bocs gépnél is hasonló a séma,de ott a TO220 tokokhoz használatos szigetelő gyűrűket használtam,ezeken keresztül csavaroztam fel a rézlemez csíkokat az alattuk lévő bakelit szigetelővel együtt.Amit még FREDDI a hűtéssel,hűtőbordákkal kapcsolatban leírt azok okos és jó dolgok,sajna,akkor még nem volt annyi megfelelő rézlemezem,meg hát azt fel is kell csiszolni egyenesre a minél jobb illeszkedés és hőátadás érdekében,ajánlott a hővezető paszta használata is,de nem kötelező.
Köszönöm a választ. Igaz, én is lefordítottam, persze nem fejjel lefelé
. De napok óta próbálom... és már gyanúúús.
Nem jön be nálam sem. Vagy túl van terhelve, vagy szervizelik. Próbáld többször. Ha nem fog menni, meg kéne próbálni hajnalban, és szedj le mindent amit gondolsz. De lehet átmeneti is a probléma. Ehhez ismerni kellene, hogy ez általános-e ezen a szerveren.
FREDDI!
Köszönöm a kimerítő választ,amit helyettem írtál!
A probléma az, hogy a holtidő túl hosszú, 1,2us
A katalógus szerint is ennyi. Az alsó FET már lezárt állapotban van, amikor nyit a felső FET Ez azért nagy szerencse, gondolj bele mi történne ha egyszerre nyitna a kettő. De hogy ne csak froclizzalak: - A szekunderen van valami? pl. egyenirányító és puffer kondi, ez csillapít. - Milyen FET-et akarsz vezérelni, nem túl nagy a kimenőárama az IC-nek (inkáb kicsi), nagy teljesítményű (nagy GATE kapacitás) FET-hez kevés, - Hány volt a táp? legalább 12 de inkább 15V kell a biztos nyitáshoz. - elég rövid vezetékkel van a FET és a vez. IC összekötve?
Népszerű lett az oldal...
Egy két hete voltam ott. Még biztos elérhető lesz, ha ezt az üzenetet kapod, ez akkor van, ha az oldal tulajdonosa korlátozza a belépők számát. Üdv.
Ahogy erdgab is említette, a hővezető paszta is kell. Ez annyira egyértelmű, hogy eszembe sem jutott. A látszólag jól illeszkedő félvezetőnél is a hőhíd a borda és a félvezető között rosszabb, mint paszta nélkül. Ez erősen igénybe vett félvezetők esetén kritikus is lehet. Pld. erős igénybevétel hatására a lapka már 140C-on jár, míg a borda még csak 100C-on (150 halálos
). Ezn egy paszta akár 20C-t is javíthat, úgy már csak 120C, messzebb került a kritikus tartománytól. Még egy tanács: Az alu hővezetése jelentősen roszabb a vörösrézénél. Ha percíz hűtést akarunk, jó túlterhelhetőséget, ajánlott egy réz "hőkiterítőt" alkalmazni. Ez segít túlélni a félvezetőknek azt az időt, amíg a védelem leállítja a brájzlit (a vörösréz nagy fajhője sokat elnyel, lassítva a túlhevülést, míg az alu erre nem képes (kevésbé) alacsonyabb fajhője és hővezetése miatt. Ez a kritikus esetekben jól jöhet. Példa: a jó prochűtők mind nagy vörösréztömbbel indulnak (belül), ezen ül az alu hűtő, és a lehető legszélesebb keresztmetszeten viszik át a hőt az alura.
Nekem nincs tapasztalatom,de mellékelek 3 rajzot,hátha segít a problémádon.
Kötözködős vagy, de nem haragszom!
A hosszú Dead-time azért hosszú, mert ha az említett SG3526 megoldással csináltam, akkor az egyik FET felfutása csillapítja a másik FET Gate visszahatását, anélkül, hogy megindulna a közös vezetés. Ezt jelzi, hogy a primer puffer árama csökken, ahogy növelem a kitöltést 95% fölé. Persze ha tovább emelem a kitöltést akkor elindul a közös áram, de visszafelé tekerve a potit, akkor van egy minimum, kb.: 14mA A szekunderen puffer van, iker schottky-val, melyről az IC-t táplálja. (önfenntartó). Az IC-t naivan az application pdf-ben leírtak szerint használtam 2db IRF740-nel. FÜST lett a vége!!! Akkorát szólt, hogy egy napig csengettek a fejemben! Az IC kimenetét puffereltem BD139/BD140 tranyókkal. A Gate ellenállás 10ohm. És mégis fűt mint az atom. Az átalakított kapcsolást IRFP460-nal szereltem, mert már csak ez van itthon. Ja a tápfesz az IC pufferében 14Vdc. Most nem tudok fotózni, de az IC gyakorlatilag a FET-ek tövében van, egy panelon.
Köszi a rajzot. Bár hasonló eredményre jutottam a végére, de mégis melegszik az egész. De ha jól emlékszem a BOCS készülék rajzában hasonló okok miatt lehet az IRFD123 az IGBT Gate-jén. Szerintem...
A Gate ellenállás hiába 10 ohm az IC kimenő ellenállása 50 -100 ohm optimális esetben, egész kis teljesítményű FET-hez való csak.
- Az IRF740 csak 400 V-os és a 320V táp plusz induktív terhelés elég határeset, pláne kísérleti áramkörnek. - Az IRFP460-at 4,7 ohm impedanciáról kell vezérelni, a gyors kapcsoláshoz. A FET-nek 20 ns a kapcsolási ideje, de ezzel az IC-vel illetve annak kimeneti ellenálásával és FET bemenő kapacitásával (50 ohm 3 nF) ez leromlik 150 ns körülire! A BD139/BD140 javít valamit de nem az igazi. Ezért melegedni fog a FET. Vagy speciális FET driver vagy jobb vezérlő IC kellene. (vagy kis teljesítményű és kapacitású FET) Több amperes impulzus 10-20 ns körüli felfutással. Szerintem...
Egészen pontosan a kikapcsoláskor segít kisütni a Gate kapacitást és gyorsítja a lezárást az IRFD123. főleg a trafós IGBT vezérlés miatt, de igazad van a meghajtás tökéletlensége miatt kell bele.
Nos az induktív hatással nem volt gondom, mert a primer puffer 470µF volt. A feszültség nem lépte túl a 315V-ot még impulzusban sem (digi-szkópos figyelés). Az impulzusokat a főágon 100nF 630V kondik nyelték.
A FETeket az első próbánál az végezte ki, hogy a viszahatás miatt kinyitott, amelyiknek nem kellett volna. Csak az bosszant, de nagyon, hogy akkor ezek a mérnöknek nevezett egyének, akik az application pdf-et összehozták, ki sem próbálták amit leírtak. Így bízzon bennük az ember Ezek szerint annyit sem tudnak mint TE, TI, MI a FETek meghajtásáról. Bezzeg a régi jól megszokott módszerek, amiket még tranyókból raktunk össze... még mindig túltesz ezeken.
Ahogy p_istvan is mondta, nem az igazi az a bd pár. Próbálj inkább BC327-337-et. (vagy jap. p és n-es tranyót ha van alkalmas) Vagy próbálj N-es és P-s fetet. Itt annyit lehet variálni, hogy váltáskor ugyan szembekapcsol a két fet, viszont ha a P-ről is viszel egy 4,7 ohm -ot a gate-re, az N-ről is egyet a gate-re, így váltáskor amikor mindkét fet megy csak 10 ohm -mal vannak szembekötve egy pillanatra, ez nem jelentős veszteség, viszont két kiskapacitásu fettel gyors és teljes záró és nyitó tartományban aktív a vezérlés, nem félaktív, mint ellenállásos lehúzóval (vagy felhúzóval).
A BC párt próbáld ellenállás nélkül a gate-ra ereszteni, a tranyó a saját belső ellenállásával is elég szerintem, és akkor gyors lesz (ha nem tévedtem alias "gyári mérnökök" (én nem )).
Akkor a 0,5R/0,5W-ost ugy is meglehet csinálni, mint a jo OROSZ szokás, egy 0,5 vagy 1W-s ellenállásra vékony rézhuzal feltekerve, de mivel itt az IGBT-k G-re menő áramot szabályozza ezért mindegyiknek egyforma menetszámmal kell rendelkeznie nehogy az egyikre kevesebb a másikra több volt menjen!
|
Bejelentkezés
Hirdetés |




Kössz a javítást! Ha van még egy két ilyen linked, azt is megadhatnád, hegesztésből van mit tanulni.
. De napok óta próbálom... és már gyanúúús. 






