Fórum témák
» Több friss téma |
Segíts ki, mi az a 2.1 hangrendszer, amit a fórumtárs építeni szeretne?
Így is hívják a sztereo rendszert? Megint lemaradtam...
A pont 1 lemaradt. Így pont tökéletes a trafó.
A 2 az a sztereó. A .1 pedig a szub, amivel ki van egészítve. Most jön a kérdés hogy minek az? Két előnye is van egy (lakásban használt) sztereó rendszerhez képest. A hagyományos két csatornával még jó minőségű (drága) eszközökkel is nehéz rendes átvitelt csinálni, főleg olyan helyen ahol a szoba kicsi, és tele van hangelnyelő anyagokkal. Kevének tűnik ilyenkor a mély, általában még akkor is ha emelünk rajta. Ehhez még hozzá jön az emberi fül hallásgörbéje is, miszerint kis hangerőnél jóval kevesebb mélyet hallunk mint egyébként (lásd fiziológiai hangerő szabályozás).
A 2.1-es rendszer esetén a két csatorna teljesítményben (erősítő és dobozok is) lehet lényegesen kisebb, csak a szub tartománynak kell "nagyobb" hangerőt produkálnia, míg a sztereó rendszer esetén mindkét csatornának tudnia kell ezt. Nálam a szobában 8db 25cm átmérőjű hangszóróból jön sztereóban a zene, de azon a hangerőn ahol általában hallgatom (1-2W alatt) ott bizony még így is kevés a mély.
Tudom én ezt - 2.1 - elnézést, hogy csak megjátszottam az orgazmust...
![]() Ez a 3. csatorna nem fér bele a trafóba... Ha a névleges 75W/ch szeretnénk maradéktalanul kiszedni. Én azért nem használok "mélynyomót" - egyszer volt, mert fogalmam sincs, mennyi az ami a valóságban lehetett - mély. Az meg, hogy hogyan tetszik nekem, elbizonytalanít, mennyi köze lehet a valósághoz és inkább nem. Én most a HS40-et preferálom, de vannak más egyéb dobozaim is, azoknak mostoha a sorsuk újabban. A 2-3W nálam is stimmel.
Udv,
Eleg lesz hozza a 300VA-es trafo es a 35A-es Graetz is ha nem teljes kivezerles kozeleben fogod hasznalni hosszu idon keresztul. Ilyen az otthoni zenehallgatas amikor meg hangosan hallgatva is messze leszel a teljes kivezerlestol. Ennek ellenere jol jon a tartalek a tapegysegben, de egy 300VA-es trafo ezt teljes mertekben biztositani tudja (megfelelo pufferkondikkal).
Idézet: „Én azért nem használok "mélynyomót" - egyszer volt, mert fogalmam sincs, mennyi az ami a valóságban lehetett - mély.” Felesleges a valosagra torekedni otthoni hangreprodukcio soran. Ha nem tudja az ember hol, milyen korulmenyek kozott keszult a felvetel akkor csak arra hagyatkozhat, hogy egy linearis atvitelu rendszere legyen ami sem nem vesz el, se nem ad hozza a felvetelen rogzitett anyaghoz (magyarul nem szinez). Ehhez a celhoz van amikor elkepzelheto, hogy jol johet a .1-es csatorna (szub), de ez nem egyszeru kerdes. Ennek eldontese sok korulmenytol fugg. Ezeket a korulmenyeket alapul veve erdemes rendszert epiteni. A rendszerepites itt nem a kalsszikus hifis ertelembe vett rendszerepites ...
Igen, lényegében erről beszélek. Fogalmam sincs, milyen lesz a linearitás, átmenet a sztereo hangszórók és a mélynyomók viszonylatában és inkább nem. Házimozi és egyéb 2222.416 rendszerek meg nem érintettek meg...
Hali építette már meg valaki az 1969-es classA szimmetrikus JLH-t? (+- táppal) és ha igen vélemény?
Mer megakarom építeni és +-15V adnék neki 1.1- 1.3 nyugalmi árammal.
Vívódtam én is, mert ugye a csatolókondik...Nekem azt mondta, akinek adok a szavára, hogy a szimpla a jobb.
Nekem jó, de eldönteni mindenki maga tudja, megépítve párhuzamosan mindegyiket és A-B-zni őket... Az esetleges különbséget, továbblépést már nem ebben a kapcsolásban keresem - részemről.
Anno amikor sokat kiserleteztem ezzel az A osztalyu erositovel, akkor probakepp epitettem monoban egy szimmetrikus tápos verziot is. Jol mukodott, nem volt vele gond. Keszre a csatolokondis epult meg, de ma mar csakis szimmetrikus tappal, kicsatolokondi nelkul keszitenem el!
Köszi
Másik kérdés ha kapcsolás elöl lekapom a szűrőt (47k + 1micro kondi) és egyből a tranyóra engedem a jelet (mivel egy előfokkal hajtom meg aminek van kicsatoló kondija) akkor nem rontok/változtatok ugye?
Nem jó ötlet... Egyébként az 4.7K és az utána következő pF-es kondi egy szűrőt alkot a nem kívánatos magasfrekvenciás idegenek ellen.
Elvileg az 1 µF "megspórolhatnád", amennyiben a meghajtó áraköröd nyugalomban nem húzza-tolja meg az első tranzisztort. Ebben nem szoktak bízni... Bár, elvileg igazad van, ott meg van egy kicsatoló, csak kérdés, hogy mindig ugyanarról az ellenőrzött-kicsatolós meghajtásról használod-e. Ígérd meg neki... A hozzászólás módosítva: Nov 22, 2012
Mindig onnan használnám és az előerőlködő egy szimpla Aosztályban kínozott FET ami előtt is van kondi meg után is persze na most előtte van alúláteresztő szúrő ergo rajta sem megy már keresztűl nagyfreki és ki sem jön belöle magyarul a pFkondi + elllenállat sem kell a belépő tranyó elé ugye? (BC556c).
Szia! Hogyan gondolod előállítani az első tranzisztor bázisáramát ellenállás hiányában?
Mindent mérlegelve, meg tudsz spórolni 1 db 220pF kondit, a többire feltétlen szükség van.
3 csatornán így 3 db nem kívánt alkatrészt, ellenállást kell beleölnöd, aminek világpiaci ára emelkedik, szó se róla, de micsináljunk... ? Ennünk kell az amatőrök keserű kenyerét.
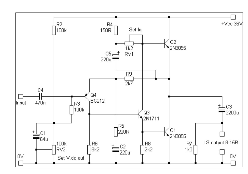
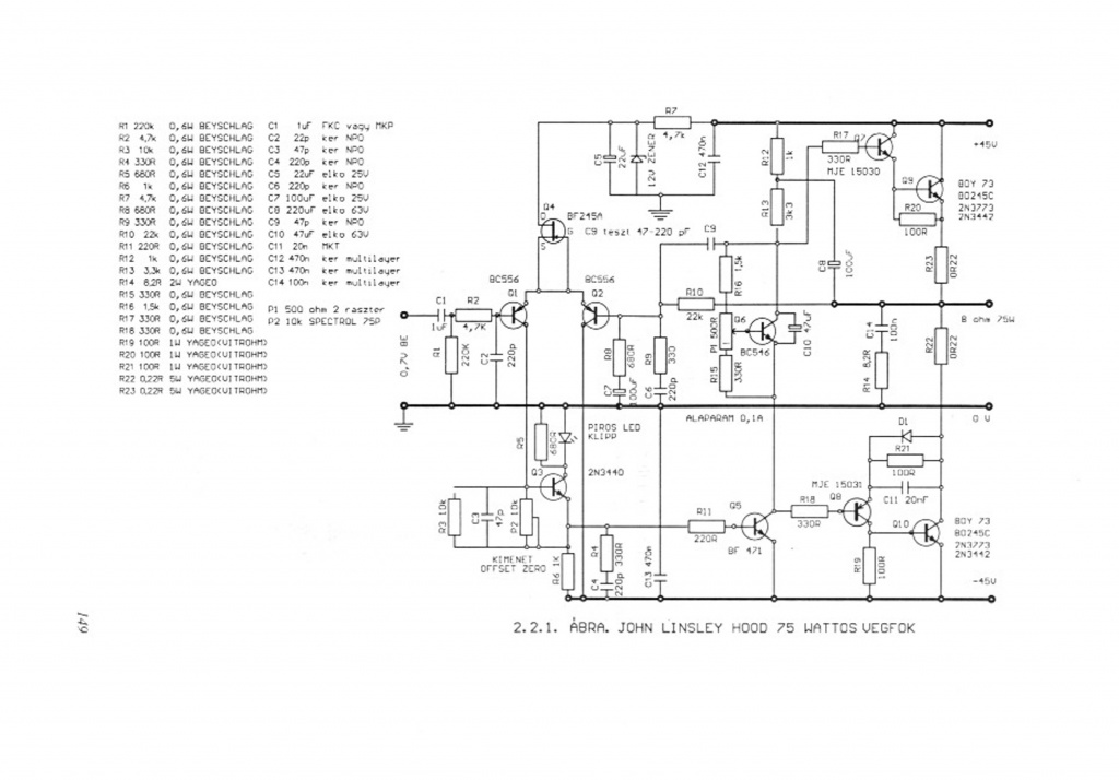
Elnézést az offért.Valaki tudna egy linket a 75W-os JLH erősítőhöz?(rajz,nyákterv)Nem találok használhatót,biztos béna vagyok...
Köszi előre is!
Nagyon köszönöm.De a lényeg a használhatón van.(nyákterv)
Sziasztok,nekem olyan kérdésem lenne hogy mi a különbség az MJE15030-31 és az MJE15032-33 páros között? Mert vettem 2 modult és az egyikbe 30-31 van a másikba 32-33 és hangzásban is más a 2...az egyik alig ad mélyet a másik meg ad,de melegszik nagyon....mi lehet a hiba forrása esetleg? pls help.(JLH 75W os végfokokról lenne szó)
előre is köszönöm.
Szia! A két tranzisztor eltérő feszültség és áramtűrésű, mindkettővel működik a kapcsolás.
A melegedés alapvetően a nyugalmi áramon múlik, potival tudod állítani. Addig növeld csak, míg a keresztezési torzítás zavaró hangja eltűnik. A mély hangok hiányát a bemeneten vagy a visszacsatolásban lévő kondenzátorok kapacitásszegénysége okozhatja.
Jó estét.
A készítőt kellene megkérdezni beállította-e rendesen a panelokat ? A melegedés lehet torzítás is. Egy másik fórumon sokat kinlódtak a difinél lévő fettel és a zénerrel.
Nagyon szépen köszönöm a gyors válaszokat,holnap meg is nézem ezeket...és igen gondoltam hogy a készítőt is megkérdezem...köszönöm,további kellemes ünnepeket
Szia!
Érdekel még a nyomtatható változat? Talán elő tudom keresni, ha kell. Üdv!
Sziasztok,ujabb problémám lett...ezzel az erősítővel már nagyon megjárom....de még reménykedem, állítottam az alap áramot és a csavarhúzóm lecsúszott a trimmerről...valamit rövidre zárhattam mert 2 villanás volt azóra csak búg az erősítő....de csak ha a pozitív tápot megkapja....próbáltam tranzisztorokra rámérni,de jó nak tűnnek....meg a 3A-es biztit is lecsapta amikor a rövidzár történt,kicseréltem és csak búg....rámértem a + ágból mekkora áramot vesz fel és 4A+ t ír a műszer ami furi mert a 3A-es bizti meg nem szál ell búgás közben.
Már kb 2 hete hogy ezt csiszolgatom...kb 3 éve terveztem hogy megcsinálom,de valami nagyon nem akarja hogy összejöjjön...valamint sajnos a közelben nincs olyan aki tudna segíteni hogy csak átugrok és tudnám csinálgatni....Így sajnos marad az itteni fórum. Előre is köszönöm. További szép estét.
Ne ess kétségbe, nem egy bonyolult áramkör. A hangszórót kösd le róla, mérd meg hány Volt menne rá, és ez testhez képest pozitív, vagy negatív feszültség.
Ezt ajánlom beiktatni. Mérd meg az ellenállásokat is, vizsgáld át a vezetősávokat!
Köszönöm,a mai nap folyamán neki is esek az erősítőnek...remélem 1 hónapon belül sikerül rendbe ráznom...Amikor megvettem a paneleket 3 egyformát kaptam mégis eltérnek egymástól,de 1 van legalább ami teljesen jó
Remélem hamarosan a másik 2-t is sikerül hadba fognom. Ha még adódik valami problémám szerintem írok ide. További szép napot.
Szia,nos a végfokok kivételével a tranzisztorokat kicseréltem,biztos ami biztos,az egyik panelnél még mindig világít az izzóm és kb -30mV van a kimeneten,a másik még rosszabb ott kb +40volt van a kimeneten :S de nem világít az izzó...Fet-et is kicseréltem,egyéb alkatrészek jónak bizonyulnak...Már csak a végfokra gyanakodhatok mert azok nem lettek cserélve de mind a 2 panelnél más a hiba jelenség már.....Valamint a vezető sávok is jónak tűnnek.
A -30mV az biztató, hivatkozás P2-vel 0V-ra "javíthatod".
A P1-gyel csökkentsd a nyugalmi áramot, szerencsés esetben az izzó már nem fog világítani. A +40V kimeneti feszültségű vég Q10 tranzisztora szakadt lehet.
Sziasztok.
Szeretném megépíteni a JLH erősítőt mégpedig azt a változatát, ami mellékletben van. Az lenne a kérdésem, hogy egy 450w-os 2x24V-os(AC) 2x9,37A-es toroid elég lenne a sztereo megépítéshez? Vagy nézzek hozzá valami nagyobbat? ![]() Válaszotokat előre is köszönöm.
Szia! Nagyobb semmi estre sem kell. Két csatorna kb. 100W-ot igényel, ezt elegendő háromszorosan túlméretezni, hogy a trafó langyos maradjon.
|
Bejelentkezés
Hirdetés |





Köszi előre is!






