Fórum témák
» Több friss téma |
Sziasztok! Mit lehet manapság kezdeni teljesítmény zener diódával, elektronikai* vonalon?
*mielôtt jönnek a csúzlizni, és hasonló ötletek Van egy rakás 110V, meg 6V körüli a fiók alján.
6 V USB védelemre tökéletes.
Küzdjön meg legalább, aki 6 V felett akar USB eszközre küldeni tápot.
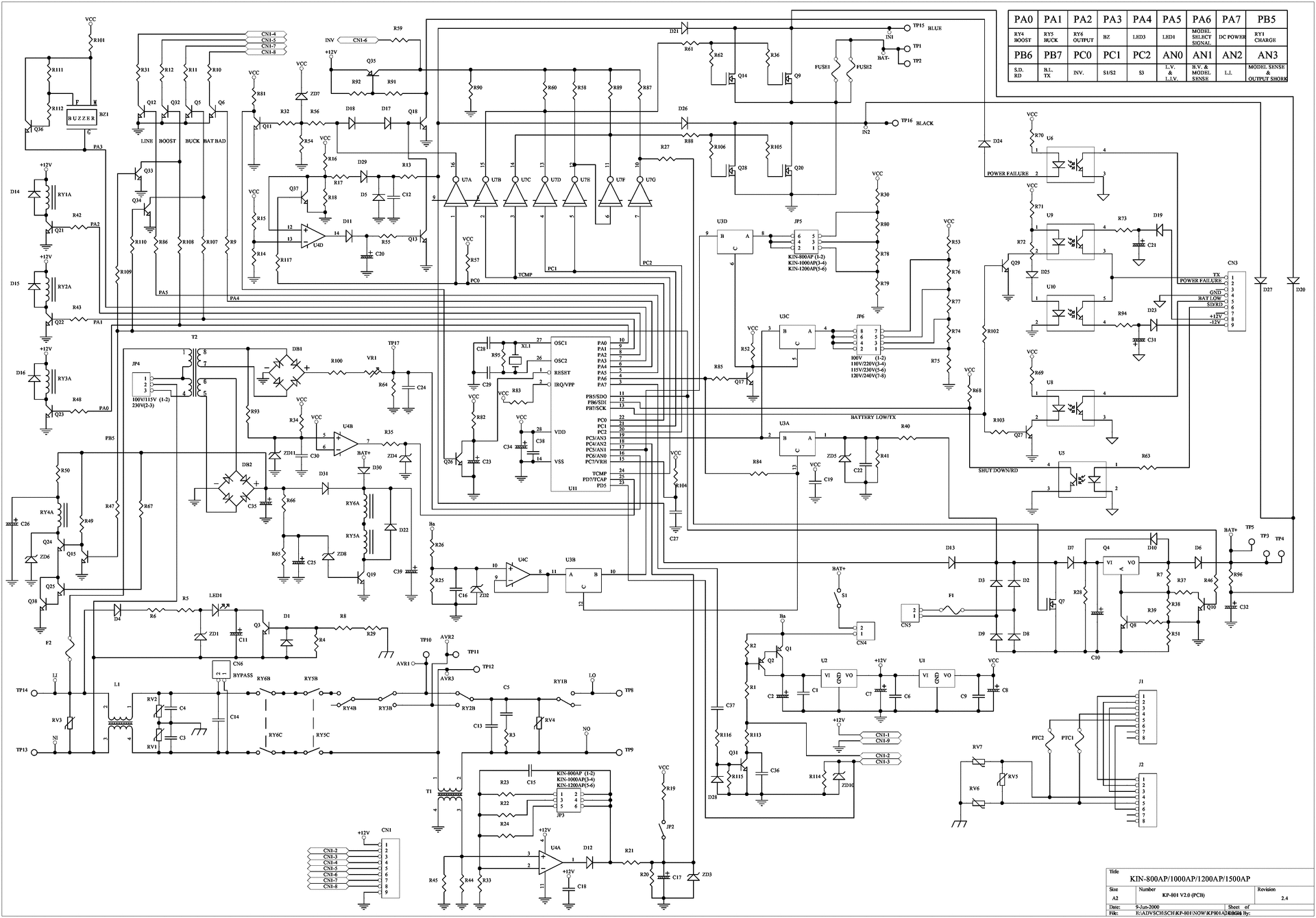
KIN 1000AP szünetmentes táp aksinak vége. Nem éri meg újat venni.
Mire lenne használható értelmesen a benne levő elektronika?
Számítógép kapcsolat nélkül is lehet használni?
Hova kellene a kapcsolásba a töltésjelzőt tenni?
Sziasztok!Van egy kazal vinyó mágnesem.Mit lehetne vele kezdeni?Ez csak a töredèke.....
- Konyhába késtartó (rokonoknak, barátoknak ajándékként sem utolsó).
- Iskolába szemléltető eszköz. - Hurkapálcával iránytű (rokonoknak, barátoknak ajándékként sem utolsó ha elég csicsásra csinálod). - Ajtó csukvatartró. - Magnetométerhez hitelesítő mágnes. Ha sikerül olyan összeállítást csinálni, ami pontosan 100 mT és homogén, még lehet veszek is belőle.
Azt szokták mondani, hogy nem baj ha lenyel az ember egy mágnest, csak érdemes megvárni ameddig kijön az előző, mert egyébként, ha kettő van az emberben, az nagyon fáj, és nagy vágás mire kiszedik...
És lehet nem kívül a hason keresztül sürgetni/tesztelni merre jár...
Nekem is van egy doboznyi. Én azokat kedvelem, amiknél viszonylag könnyen le lehet választani a mágnest a fém tartó lemezről. Szikével szoktam lepattintani, már amelyik engedi magát.
Utána a mágnest már kényelmesebben lehet használni.
Amikor kicsik voltak a gyerekek, a lépcső előtt volt egy gyerekajtó gyenge minőségű mágnes zárral. Kicseréltem vinyó mágnesre, sose tudták kinyitni a gyerekek, még a felnőtteknek is erő kellett hozzá.
Én a kutya kenellel jártam így. Dupla winyó mágnessel.
Rögzítettem és bentről próbáltam. Azt hittem őrőkre ott maradok a kutyával...
Idézet: „Azt hittem őrőkre ott maradok a kutyával...” Valaki előbb-utóbb megéhezett volna... A kutya fajtájától, neveltetésétől és a "falkabeli helyzetedtől" függően - csak egy maradhat...
Az ajtótól függően az is csak ideig óráig. ....
A hozzászólás módosítva: Ápr 9, 2024
Szegény kutya.
Bár láttam már három lábú ebet... |
Bejelentkezés
Hirdetés |







