Fórum témák
» Több friss téma |
Fórum » Kapcsolási rajzot keresek
Témaindító: Kallai Csaba, idő: Márc 11, 2006
Témakörök:
Sziasztok. 1993-as 1.6-os Lancia Dedrához keresek kapcsolási rajzot. Remélem tud valaki segíteni. Please
Sziasztok!
Tesla B100 szervízkönyvét keresem. Szívesen venném ha valaki feltenné. Köszönöm!
Hátha tudtok segíteni. Peugeot 205 dízel huzalozási ábráját keresem.
Talán ez segit:http://elektrotanya.com/?q=showresult&megnev=tesla&megnev2=b100&kategoria=&kat2=all
Üdv mindenkinek!
Kapcsolási rajzot keresek egy autós-erősítőhöz. Adatai: Audio Art 260.6EX Made in USA Tud valaki ebben segíteni? Az is érdekelne, hogy volt-e már ezzel valakinek valami tapasztalata... Köszönöm előre is a válaszokat!
Üdv Mindenkinek.
Keresném az Elkis gyártmányú csöves hangfrekvenciás generátor TR-0104 tip. kapcsolási rajzát. Köszönettel.
Üdvözlök minden fórumozót!
Egy hajdani "Máriahilferstrasszés" muzeális erősítőm kezd köhögni. Gyártó: JVC, típus: A-GX1B, 80 W. Nagy segítség lenne, ha valaki meg tudna segíteni valamilyen műszaki doksival. Előre is ezer köszönet. :kalap:
Én egy Tele STAR 4004-es tévének keresem a kapcsolási rajzát.
Hali! A Videoton Szimfónia De Luxe kapcsolási rajza kellene! Köszi!
Multiméter? Vagy a záróirányú letörési feszültséget is mérni szeretnéd?
A multi meghalt pénz meg alig van... Azt szeretném tudni hogy a dióda zárlatos vagy szakadt vagy jó.
Elem, ellenállás, LED, úgy bekötve, hogy világítson ( mondjuk 9 V-os elem, LED, 1 kohmos ellenállás ). Ezután az áramkört megbontva és a diódát berakva láthatod, hogy egyik irányban nyitnia, másik irányban zárnia kell!
Remélem érthető volt a dolog! Steve
Nem tudja valaki, hogy Tesla milyen kapcsolást használt az elektromos autójában? Eddig még Fél-konkrétumot sem találtam.
Sejtésem szerint, magával vitte a sírjába. Tesla nagyon sokmindent a fejében tartott, s nem írta le, nem publikálta. Erről (is) bővebben a Tiltott találmányokban talán olvashatsz.
Itt is olvashatsz róla.
Az a gyanúm, ha valaki tudná, már vagy nagyon gazdag lenne, vagy nagyon titkolná.
Üdv!
Szeretném kérdezni, hogy esetleg nincs-e valakinek egy ORION HT 800HC házimoziról kapcsolási rajza? A tápegysége érdekelne igazán mert az szorulna javításra... Köszönöm...
Ha egy linket dobtok, az is jó ahonnan letölthetem vagy ha valakinek ilyen van és módjába áll lefotózni néhány oldalról, azt is megköszönném...
Hali
Szerintetek hogy lenne a legkönnyebb változtatható frekvenciájú tű impulzust előállítani?
Hello!
Ez azért elég általánosan feltett kérdés, hiszen egyetlen kritériumot tartalmaz csak a "változtatható"-t. Így a válasz is az, pld. UJT-vel. üdv! proli007
Üdv!
Senkinek nincs jó ötlete? Én elakadtam... Sehol nem találok semmit amit tudnák használni...
Toshiba Sb-M12 erősítő(+deck és rádió) rajzát keresem.
Sajnos csak fizetős oldalon találtam meg ,ha valakinek megvan megköszönném!
Sziasztok!
Blaupunkt BQA 208 erősítő kapcsolási rajzát keresem.A segítséget előre is köszönöm!
Hi FMSound!
Először egy változtatható frekijü oszcillátort készítenék. Frekvenciasávtól függően, pl. NE555, smit trigger, stb. Aztán ezzel vezérelnék egy monostabilt. Ha jól emlékszem ezzel 100 ns.-os impulzust el lehet érni. Én egyébként TTL-be gondolkozok. Ha ez még nem számít tűnek, akkor ennek, v. az oszcillátornak a jelével egy felüláteresztő RC tagot hajtanék meg, ami csak az impulzus felfutó/lefutó éleit engedi tovább.
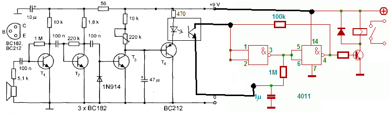
Sziasztok! Próbapanelon raktam össze a csatolt kapcsolást,a gond viszont az,hogy érzéketlen a tapsra,még az ütögetésre is.Tudna valaki ajánlani egy bevált,működő,1 taps be-még egy taps ki tapskacsolót?Vagy egy olyan H-L indikátort amit az opto helyére téve működik a kapcsolás.Relét csak a legutolsó helyzetben szeretnék alkalmazni.Mármint úgy értem még egyet.Köszönöm.
|
Bejelentkezés
Hirdetés |




Előre is köszi!






