Fórum témák
» Több friss téma |
Fórum » Kapcsolási rajzot keresek
Témaindító: Kallai Csaba, idő: Márc 11, 2006
Témakörök:
Van rá egyszerű megoldás. Csinálni kell egy feszültségátalakítót. Itt is egy ami max.: 18.5V ; 3.2A
Ez után akár egy TDA2050-et is köthetsz.
No de meddig bírja a teló aksija? 1-2 percig talán...
Köszi! és hogyan kössem be a ledet? Azért kellett így, mert USB to IDE átalakítót csinálok itthon. Már az IC is megjött. És nembaj, ha dvd meghajtó lesz, nem winyó? Vagy tegyek oda egy HDD/ODD kapcsolót? És melyi az az R/W szál?
hát gondoltam!
akkor majd 12v-osat fogok csinálni! azért kössz
kössz!
ilyen is van? ez durva! akkor majd lehet hogy ezzel próbálkozom!
nem teló aksival megy majd hanem rendes cerka akuval (2700mAh)!!
Szia!
Nincs varázslat! Ha egy 12V-os 2*6W-os erősítőt használsz, akkor az kb. 1A eszik 12V-ról, ha a hatásfokot nem számoljuk! Ha számolod a feszültség átalakító és az erősítő hatásfokát és nagyobb erősítőt építesz az aksid negyed óráig sem bírja! A szükséges energiát elő kell teremteni! Ha tényleg szeretnéd növelni a teljesítményt, szerintem legalább egy 12V 7Ah kapacitású aksiban kell gondolkoznod!
Az a helyzet, hogy pontosan sem tuom, azt hogy melyik szál az az bizonyos R/W szál de itt megtalálod.
Bocsánat, hü**eséget mondtam!
Itt van a pontos kivezetés a lednek, vagyis a 39 láb. Nézd át ezt a pntos lábkiosztást, van kép is hozzá, és teljes leírás, itt pontosan!
Köszi a gyors választ! Akkor egy ledet kössek a winyó felől(+) az usb to ide felé(-)? És nem gond, ha nem winyó van rajta, hanem DVD meghajtó?
Szerk.: Most nézem, nincs /ACTIVE láb az IC-n. Akkor a föld felé legyen a - lába a led-nek?
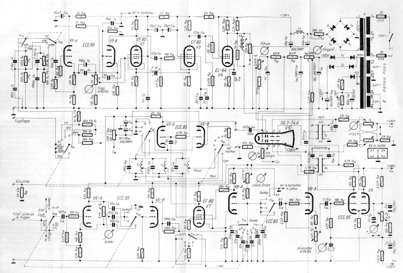
Kedves Kollégák!
A mellékelt képen lévő oszcilloszkóp kapcsolási rajzát keresem. Kérem, ha valaki tudja, hol lelhető fel, vagy megvan Neki, legyen olyan jó, és tegye fel! Előre is hálásan köszönöm!
Sziasztok
Egy olyan kapcsolási rajzra lenne szükségem, ami 40KHz-es impulzusokat generál. Ha lehet, 555-ös IC-vel. Úgy tudom ezt használják, de ha lehet, ne pic-el, mert ahhoz nem értek.
Használd az oldalon levő 555 astabil segédprogramot.
Üdv
Hello!
Én kábeltv-re szeretnék egy erősítőt, hogy ne csak 1 tv-t köthessek rá. Tehát adott a (koax)kábel, amin túl gyenge a jel hogy 2 tv-be menjen, és ezt szetném erősíteni. Köszönöm a segítséget.
Vegyél egyet, nem drága (2500 körül). Ha magad szeretnéd megépíteni, akkor a sikerhez meglehetősen nagy gyakorlat szükséges.
Kellene nekem egy videoton 3 utas (dc 2550A) hangváltó kapcsolási rajza:
Előre is köszi
hát jó...
lehet,hogy az egészet úgy is macerás lett volna árnyékolni.
Szia!
Honnan tudod hogy a kábel rendszeren gyenge a jelerősséged? Mérted, vagy távol vagy az erősítőtől? Mert ha próbáltad splitterel leosztani, és úgy volt gyenge a jelszint, annak lehet a gyenge minőségű, (SM) olcsó splitter is az oka. Én is jártam már így. :yes:
Hello! Keresnék egy egyzserü olcsó kevés alkatrészből könyen megépithető kapcsolást, egy transzformátor bemenő 220V-os feszültségének a szabályozására. Illetve azt kérdezném lehetséges e hogy adott egy trafó ami 220-on 38 V-ot ad le és hogy ezt kisebbre vegyem kb 14V körülire. Azt gondoltam megoldható e a bemenő fesz valamilyen teljesitmény vagyis feszültség csökkentése, hogy a kimenet az 14 V legyen egyenirányitó hid után. Akksi töltésre. Kösz az észrevételeket.
Hello!
Azért a 38V és a 14V között, elég sok a differencia. Így több gond is akadhat. - A feszültséget a trafó áttétele határozza meg, így csak áttekerés a járható út. - Ha a trafó 38V-on adta le a teljesítményét, mekkorát fog leadni 14V-on? 36%-át? - Ha fázishasításosmódszert használsz, annak nem fog örülni a trafó, és a triac sem. A kivehető áram így sem lesz nagyobb a 38V-on megadottóll. - A kimeneten egyébként is kell valami szabályzó, és ha lehet nagyobb fesz, mint 14V, mert akkor a tötés végfeszültségét a hálózati feszültség ingadozása fogja befolyásolni. (Esetleg elhúzódik a töltés a végtelenig) - Esetleg soros előtét induktivitás használható lenne, de az áram ezzel sem lesz több, mint 38V-on. (Ha jól emlékszem Imi65 szokta használni) üdv! proli007
Sziasztok!
Felteszem ide, hátha valakinek ez hiányzott az életéből! A TR-5282 DFM-127 típusú frekvenciamérő szervízkönyve!
Szia, ennek konkrétan mi lenne a típusa?
Üdv.
Konkrétan ORION 1581/S a típusjelzése, a Híradástecnikai Szövetkezet gyártotta (HTSZ), és csöves öreg készülék. Kaptam hozzá egy rajzot, de abban nincs benne minden, ami beépítésre került benne.
A bajom az, hogy egy 1 Ohm/2W-os ellenállás elszállt benne, és nem tudom pontosan, honnan. (Megpróbáltam visszaforrasztani ahová gondoltam, de ennek eredményeképpen csak egy függőleges vonal lett a képernyőjén, ill. egyes állásaiban egy pötty. Jel hatására a pötty "ugrál", tehát van jelfeldolgozás, csak nem vízszintes az eltérítés.) |
Bejelentkezés
Hirdetés |













