Fórum témák
» Több friss téma |
Fórum » Kapcsolóüzemű (PWM) végfok építése
Idézet: „Azért döntöttem inkább ennél a megoldásnál, a hidalás helyett mert ehhez minden megvan itthon, és fele annyi az alkatrészigénye is.” Viszont dupla feszültségű cuccok kellenek. Persze megoldható. IR2110 tökéletes hozzá az 600V-ot tud. Valami bika fet kellene vagy lehet inkább IGBT. A kimenetre viszont a dupla feszültség miatt komolyabb fojtók kellenek mint egy hidalt végfokba. A tápodat meg nagyon megkell pakolnod majd pufferrel. És a magas feszültség is gondot okozhat. Nem érné meg kapcsolóüzemű tápot csinálni neki? Valamint mégis maradni a hidalt megoldásnál? Vagy: Mivel említetted hogy két 8Ohmos ládát hajt feltételezem ugyanaz szól bennük. Párhuzamosan kellene kötni és máris elegendő kevesebb tápfesz.
Az igaz, de mint írtam van itthon 1200V, 125A-es IGBT félhídmodulom. A meghajtást IR2110-el gondoltam, azis akad pár darab. A szűrővel viszont tényleg bajban leszek, de sikerült szert tennem pár szép nagy magra, de tul sok adatát nem ismerem, ezért kikell kisérleteznem hogy jók lesznek e oda.
A tápot KEVESEBB pufferral kell pakolnom,mintha beleraknék egy izmos toroidot(példaképp megint a carverem hoznám elé, márcsak azért is mert onnan loptam az ötletet, 1200w-ra van benne 2x40V 2200uF, 2x80V 2200uF, és 2x130V 3300µF +-38,+-75,+-120V-ról jár. A 3 fajta tápfesznek köszönhetően iszonyatosan jo hatásfokkal dolgozik) A kapcsolótáp nyilván jobb lenne, de macerásabb és több olyan alkatrészt igényel, ami nincs a fiokomba. A két 8 ohmos ládát lehet párhuzamba rakni, de nem nyerek vele semmit, mivel ugy akkor nem 1000W kell 8 ohmon, hanem 2000W 4 ohmon, amihez ugyanakkor tápfesz kell, ergo ugyanott vagyok vele megint.....
Sziasztok!
A TI oldaláról rendeltem termékmintát 3t a következő D-Class Erősítő ícéből TPA3123D2! Mellékeltem az adatlapot. A kérdésem az lenne hogy ennek mekkora táp kell és a kimenetekre honnét lehet beszerezni 22uH tekercset? még egy kérdésem lenne: a Mute és Shutdown Controlra mit kell kötni? elég egy nyomógomb másik feléfelvel a GND-re? Köszönnettel a segítségekkel. Ha rossz topikba írtam bocsánat! PeTi
Üdv!
Valóban ezt a tápfeszültséges dolgot nem gondoltam végig. Az IGBT mudulok szerintem jóljönnek mert úgysem kell magas kapcsolófreki, 10kHz bőven megteszi. Bár annyi probléma lehet hogy a hozzávezetések a modulhoz túlságosan nagy induktivításúak lesznek és zavarokat okozhat... Viszont a fojtókat jó lenne előre beszerezni hogy nehogy azon múljon. Hidalva továbbra is kisebb fojtók kellenének.
Helló
A tápfeszültséget nagyon sok helyen említi. 10V-30V ig működik. AZ SD és a mute 2V-tól működik a földhöz mérve. Azt hogy mikor kapcsol ki be az nemvilágos nekem sem az adatlapból. 22uH-s tekercset valami légréses fazékmagra, vagy jobb minőségű ferrit toroidra érdemes tekerni. Az AL száma a ferritnek mindenképpen legyen alacsony 50-300
Szia!
Tekercsnek ez pl jó?induktivitás vagy inkább ezinduktivitás Vagy tudnál esetleg küldeni valami linket ahonnét lehet venni? Sajnos csak pár monitorból kiszedett ferrit gyűrűm van otthon. Köszi
Hali
Az elsőről kár hogy nincs kép. Annyiban jobb lenne az első hogy kisebb az ellenállása. A másodiknak 107mOhm az ellenállása ez sajnos túl sok. Inkább az elsőt javaslom. Bár ezek axiálisak, azaz valamiféle álló feritrúdra van tekercselve nagy lehet a zavarkibocsáltása.
Hello mindenkinek ! Azt szeretném kérdezni hogy irfp260 használható-e pwm végfokba??
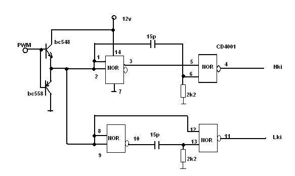
Háát őőő izé pillanatnyilag nem tudom, hogyan is működnek ezek az önrezgő erősítők.
Gondolom az a másik kapcsolás is az, amiről itt szó van, de hiába, nem látom hogyan működik. :no: A diódáról meg annyit, hogy tudom, hogy az nem jó, csak mivel a kapcsolást úgy 5 perc alatt kellet scanner híján a progiban megrajzolnon, éppen a legközelebb lévő diódát tettem oda.
Az a logikai rész csinálja a holtidőt (remélem).
Ha a compról 1 jel jön, akkor a kondi egy pillanatra (20ns) felhúzza a második NOR egyik bemenetét, és igy az első NOR után jövő nullát nem fordítja meg, így a kimenet egészen az RC-tag időállandójáig nulla marad. Viszont, ha a bemenet 0, második NOR egyik bemenete 1 lesz, így a kimenete nulla lesz. Ezt a működést pár hete találtam ki, remélem a gyakorlatban is beválik. Az áramkor második fele tdk. ugyanaz, csak hogy fázist fordítson, nem fordítom meg a második NOR bemenetét.
én széles sávuba teszem akkor mi lehet a gond? Egyépként van egy gyári rajzom amibe irfp240 van igaz abba tranyós a meghajtás!
Kíválóan az mit jelent? néztél szkópon jelalakokat és minden olyan volt amilyennek kell lennie? Gondolom azt a FETet kis frekin kapcsolgatod subhoz?
se szkóp se sub. egyenlőre igy javítottam meg egy kész végfokot
és a fetek nem is melegednek.
Sziasztok!
Én régebben terveztem és próbapanelom csináltam egy kapcsolóüzemű erősítőt. Hallott már valaki ilyesmiről. Én azóta nem hallottam. Volt benne egy kis teljesítményű "A"osztályú végfok. Erre dolgozott rá két két kapcsoló tranzisztor. Nagy teljesítményű volt és nagy hatásfokú. A szkópon tökéletesen visszadta a színuszt. Nem volt benne fűrészfog egyáltalán. A kis"A" osztályú erősítő volt vezérelve és amikor kezdett valamely irányba telítésbe menni, akkor rákapcsolt a kapcsoló tranyó, amit egy komparátor vezérelt. Az visszahozta az "A" osztályút a normál tartományba. Majd elindult az a másik irányba, akkor lekapcsolt a kapcsoló tranyó. Ez volt az ellen ütemmel is. Ezt már vagy 20 éve csináltam. Akkor még FET-ek alig voltak itt kaphatók. Le vagyok maradva elektronikában.
Heló,
Kicsit homályos, nemigazán értem hogyan működik. Fura hogy tranzisztorokkal kapcsolgatsz, eléggé lassú nem? Kitudnád fejteni kicsit bővebben?
Sziasztok!
Végigolvastam ezt meg több fórumot is D osztályú erősítők témában. Egy teljesen alap kapcsolást szeretnék építeni minimális teljesítménnyel, a működéssel tisztában vagyok aránylag. Most Tinában próbáltam szimulálni pár dolgot, de a PWM résznél meg vagyok lőve, akármit próbálok, nem az lesz a kimeneten, ami pwm lenne. Elvileg egy komparátor + bementére megy a jel, - bemenetére pedig jóval nagyobb frekvenciás háromszög jel. Ezeknek a frekvenciaviszonyai hogy vannak? Úgy tudom, hogy 100kHz fölötti 3szög jelet szoktak alkalmazni. (bemenet max 20kHz) Meg itt van a komparátor dolog. Neten pl NE5534-es IC van erre a célra, de ez 7 lábú, a kompenzálás lábakra meg nem tudom, mit kell tenni. Próbáltam mindenféle más opampal, de nem jön össze a dolog. Szóval ha valakinek van az alapokkal kapcsolatos rajza, tapasztalata, azt megköszönném!
Hali
Ha fix 3 szöges módon akarsz erősíteni akkor kell ugye egy precíziós 3szög kb 300-400kHz-t javaslok. Komparátornak inkább valami gyorsabbat ajánlanék. LM319, vagy épp minap nézegettem a lomexben kapható MAX902, rendkívül gyors TTL kimenetű. Javasolják az adatlapban a PWM-alkalmazását is. Felépítésben én inkább az önrezgő típusú erősítőkkel kísérletezem. + láb jel, -láb visszacsatolt L-C szűrt kimenőjel. Ha logokailag jól jön a visszacsatolt jel akkor pont mindig szintet vált a komparátor és automatukusan kialakul a PWM jel.
Akkor még FET. Nehezen volt elérhető. 200kHz-el volt kapcsolgatva a tranyó. Trükkös módszereket alkalmaztam a bázis gyors kiürítésére és töltésére. Ma nem kéne ilyet csinálni.
Nézegettem ezeket a kapcsolásokat itt lentebb elvileg, de ezek nem olyanok, mint amit én csináltam. Nekem a terhelésre két dolog dolgozik párhuzamosan. Az "A" osztályú és a kapcsoló tranyók. A kettő eredője adja ki a színuszt tökéletesen. A kapcsoló tranyó egy ferrites tekercsen csatlakozik a terhelésre. A lényeg az, amikor az "A" osztályú kezd telítésbe menni vagy lezárni, akkor a műveleti erősítős komparátorok bekapcsolják vagy az alsó vagy a felső kapcsoló tranyót. Ettől a nagy áramtól az "A" osztályó elkezd az ellenkező irányba menni. Lényegében teljesen kikompenzálja a fűrészfogat amit a kapcsoló tranyó a tekerccsel együtt csinál.
Egyszer láttam egy hasonlo kapcsolást, mint amit Te mondasz, de nem értettem igazán hogy hogy is akar kinézni. Én akkor alra gondoltam hogy kis teljesítményen jár az A osztály, késöbb pedig a d osztályu rész. Tudnál valami blokkvázlatot neadj isten kapcsolást mutatni elre a megoldásodra?
Én most egy olyan kapcsolást igyekszek utánépíteni, ami ugyan analóg üzemű, de 4 tápfeszről jár(a legnagyobb az +-100V feletti), amíg kis teljesítmény kell dolgozik az alsó feszhez tartozo tranyo, ha nagyobb kell akkor rásegít a következő fokozat, ha pedig nagy teljesítmény kell akkor a legnagyobb fokozat is müködik, így gyakorlatilag elérhető 85-90% hatásfok minden további nélkül, mivel a tranyokon alig esik fesz, mert mindíg ahhoz illően választja a tápot, ameikhez a legközelebb esik a kimenő teljesítmény. Ezt most kicsit szakszerűtlenül írtam le, de remélem a lényege érthető volt.
A tinában LM318 van, de google szerint az is nagy sebességű, talán elég.
Milyen jelszinteken kellene megtörténni a pwm-nek? Most 1V-s 3szög, és 0.1V-s bemenő esetén a bemenővel azonos frekvenciájú trapéz jelet kapok, ezt tapasztaltam más opampokkal is. Variálva a bemenet jelszintjét, elég furcsa kimeneti jelet kapok, mászkál mindenfelé, de nagyrészt akkor is trapéz lesz. Van valami, amit esetleg még be kellene építeni tinában a csupasz lm318-ra a tápon kívül?
Üdv
Szeretnék építeni én is egy ilyen elven működő erősítőt is. Már többféle erősítőt építettem(ic-s,tranyós,fetes), de erről azt olvastam hogy nehéz megépíteni és hogy oszcilloszkóp is kell hozzá. De én itt nem adtam fel. Nekiálltam hogy keresek egy egyszerűnek tűnő kapcsolást keresni ami nem túl nagy teljesítményű és ezt találtam. Azt szeretném kérdezni hogy lehetséges ezt megépíteni szkóp nélkül? Ha igen segít valaki elkészíteni a nyáktervet?
Ja amúgy lehet rossz a meglátásom, de minthogyha látnék valami párhuzamot a plazmahangszóró és a PWM erősítő között.
Találtam egy nagyon egyszerű kapcsolást, mindössze csak egy opamp meg a körítése van, önrezgő típus. Tinában kipróbáltam, ott a kimeneten egy fordított fázisú négyszögjel van, a kimeneti tekercs előtt és után is. (8 ohm terhelést rákötve)
Most nemsokára belemélyedek a Diyaudios fórumba, de ha valakinek van egyszerű példa áramköre, akár tinában szimulálható is, az ne tartsa magában.
Majd előkotrom valahonnan a kapcsolást, amit lehet mai korra szabni. Tuti megvan, csak keresni kell a papír tömeg között.
Ez a lépcsőzetes táp jó dolog csak kicsit bonyolult lehet a táp, nem?
Üdv!
Bővebben: Link Bővebben: Link Érdemes megnézni ezeket a linkeket! Vannak benne egyszerű PWM üzemű erősítők.
Azért egyszerűnek már annyira nem nevezném őket, ezek a példák, amik igazán az "egyszerű" színvonalat testesítik meg, pár helyen értékek is szerepelnek: önoszcilláló kapcsolások
Az alul áteresztő szűrő miatt az összes ilyennek nagy a kimenő belső ellenállása. Azaz nem működik jó feszültség generátorként.
Azt nem tudom, hogy ez hangzásban mit jelent.
Szerintem pont hogy sokkal kisebb egy digit végfok kimenő ellenállása.
Pl autóhifikben nagy teljesítményen csak d-osztályú végfokok jöhetnek szóba, csak azok bírják pl az 1Ohmot. A kimenő L-C szűrő értékei a terhelő impedancia változásával változni szokott. Fele akkora impedanciára mondjuk 2x akkora kondi. |
Bejelentkezés
Hirdetés |








Kíváloan működik az irfp260






