Fórum témák
» Több friss téma |
Fórum » Kapcsolóüzemű (PWM) végfok építése
Annak azzal a menetszámmal 29,x uH-nek kell lenni. De ha megnézed a Laci számolójában az is 30uH körül hozza az adott menetszámmal. Egyébként a 24uH is jó, legfeljebb variálni kell majd picit a visszacsatoló hálózaton.
Most néztem meg, a számoló 19 menettel hozza a 30uH-t. Érdekes. Én két műszerrel is megmértem, nekem 17 menettel annyi.
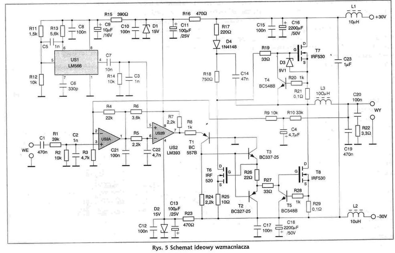
Mellékelek egy önrezgő Class D osszcillátor részt. 3 kondi egy ellenállás plussz egy 150pF-os kondi. Ez a minimum, amivel nagyon jó hangot lehet kiszedni.
Szia!
Köszi, majd kipróbálom. Csatoltam kicsit átrajzolva, hogy mit is rajzoltál fel. Hátha más is elmélkedik majd rajta.
Sziasztok!
Pár HSZ-el feljebb írtam a MOSFET meghajtóról, hogy mikor nagyobb frekin hajtottam akkor búgott a táp stb., Azt viszont elhallgattam (azthiszem), hogy az áram is ugrált terheletlenül. Akkor ezekszerint összenyitottak a fetek és a védelem nemérkezett lehúzni. Közben észrevettem, hogy a holtidő beállító ellenállásokat felcserélve cineztem be. 45ns helyett 15ns ra állítottam be. Legalább ilyet is láttam... Remélem a végtranyók nem haltak meg, de hát 50A re vagy mennyire vannak tervezve.
Ha jól működik az áramkör, akkor nem ugrál az áram, függetlenül attól, hogy van e holtidő, vagy nincs. Ott valami egész más probléma van.
Egy UcD-ben sincs holtidő és nem ugrál az árama. Szóval, keresd a hibát. Mondjuk rossz nyák, gerjedés, stb.
Hát azért valamilyen áram csak folyik ha összenyitnak, végülis zárlatba kerül. A kijelzőn ugrált az áram. Nemtudom ez most táp, mérés, vagy áramkör hiba. Mindegy, holnap okosabbak leszünk. A nyák az csak olyan "próba" nyák stílusú. A kimenetet figyeltem, az szép volt a túllövésen kívül. Ube: 0-5V, Uki: +/-30V.
A hozzászólás módosítva: Nov 17, 2014
Ha digitális kijelzőjű a táp, akkor persze ugrál. Kérdés, hogy mennyire? Ugyanis, az összenyitás miatt mondjuk 2...400 kHz-el ugrál. Ezt egy deprez műszer biztosan nem mutatja meg. Egy digitális, ha pont akkor vesz mintát, akkor igen. De ugye a bemeneti pufferkondik kiintegrálják ezeket az áramcsúcsokat, tehát ebből nem sokat lehet látni. Ha komolyabb áramugrálás van, akkor az másból ered.
Szimuláció?
Digitális kijelzőjű, 7 szegmenses. Lehet, hogy csak a lassúságából adódott, mert valahogy úgy tűnt, hogy felugrott 4A ra, aztán valamikor lement kevesebbre, 0ra, megint 4re és így olyan másodpercenként kb váltakozott. De nemtudom milyen frekin kezdett el hülyéskedni, mert 100Hz ről emeltem 10x esével 1MHz-ig.
Az áramvédelem meg pár mA-ra volt állítva. A feszültség maradt stabilan. Holnap kipróbálom megint. Bemenő jel nélkül 0.01A-t mutatott. Szimulációm nincs az IRS20124 ről ha arra gondoltál.
Nem, Trivium93 rajzára gondoltam. Ahhoz nem kell IRS modell. ( Általában, ezeket a szimulációkat meg lehet csinálni cél ic-k nélkül is. Nem az a lényege egy szimulációnak, hogy abszolút pontos legyen, hanem hogy az elméletet megértsd. Azt, hogy mitől működik.
Jaj, azt megcsináltam még mielőtt feltettem a rajzot, csak még nemérkeztem elemezni.[off] Több mindennel kell most foglalkoznom, sajnos.
Így ránézésre VCS ágakban valami sávszűrőknek, fázistolónak, vagy valami ilyesminek néznek ki. A hozzászólás módosítva: Nov 17, 2014
Nekem ez a VCS nem produkál semmit. Ha csak 2 ellenállás van, akkor 80-110KHz en rezeg és ha beteszem a komplex VCS-t akkor is. Ha változtatom az értékeket a freki akkor sem változik, vagy csak kis mértékben.
Fájl?
Tessék. Légyszives próbáld meg neked lefut-e az AC analízis. Nekem nem.
Miért AC analízis? Az a kutyát nem érdekel.
Tranziens analízist használj, az itt az érdekes. További tanácsok: használj összeadó elemet a komparatáor helyet, sokat gyorsít.
Azt használok természetesen. Csak kíváncsi voltam az AC ra, ezenkívül semmi.
Ez most amúgy melyik önrezgő akar lenni?
Nekem a fázistolásos oszcillátor jutott eszembe (lásd mellékelt kép) róla először, de az más. A hozzászólás módosítva: Nov 17, 2014
Ha ez most találós kérdés, akkor a fáziseltolásos.
Sajnos, nekem az a tapasztalatom, hogy amelyik áramkörben kapcsoló van, azt nem tudja az MS AC analizálni... ebből a tanulság: ne akarjunk ilyet csinálni...
A csatoltban hasonló VCS-t alkalmaznak. Mondjuk ez nem önrezgő, de ebben láttam.
A triviumVCS fájlban a felső T ben a 2 ellenállás áthidalva egy 1n-s kondival máris jobb eredményt produkál. Senki se kérdezze meg, hogy miért pont oda. A hozzászólás módosítva: Nov 17, 2014
Így már engedi jobban állítani a frekvenciát, 0.1n jobb lesz...
A hozzászólás módosítva: Nov 17, 2014
Szóval, ez a kapcsolás így nem jó. Ha a vcs-t a kimenetről áthelyezed a fojtó elé, akkor már rendesen működik. Ha megnöveled hozzá a bemeneti ( integráló ) kondikat, akkor normális vivőfrekvenciát is el lehet érni. Ezt az elrendezést használja az IR is az első erősítőjében. ( Meg azt hiszem a többiben is, bár ott csináltak egy rendes integrátort ) Tehát, a kimenetről nincs visszacsatolás. Ha jól gondolom, ezt hívják analóg delta-szigma modulációnak. ( Nem órajeles. )
Itt küldök egy rendesen működőt. Inább 4 ohm kell terhelésnek, ebben a kapcsolásban nagyon nem mindegy. Nézd meg a négyszögátvitelt, ha már megy a Paraméter Sweep, akkor azzal. ha nem, akkor tegyél be 8 ohmot, aztán meg szakadást. Hát, ezért nem jó ez a megoldás.
Valóban igazad van, tényleg olyan delta-szigmás.
Szerintetek ezeknek a különböző változatoknak van valami hangzásbeli különbségük? (Részemről mára ennyi, aztán remélhetőleg holnap lesz valami gyakorlati eredmény is. Köszönöm a fáradozást mindenkinek. Jó éjszakát!) A hozzászólás módosítva: Nov 17, 2014
Természetesen vannak hangzásbeli különbségek.
Én ezt nem nagyon tudom megmondani, de Karesz50-nel csinálunk egy D-classt, ő azt mondja, hogy soha nem hallott még olyan tiszta hangokat, mint egy D class. Igaz, a mienk inkább UcD jellegű, persze teljesen más kapcsolástechnikával.
Nem csak a hangja számít. Kipróbáltad mit csinál terhelés nélkül? Ugye, nem mindegy...
Azt, hogy az UCD-nek nincs holtideje , nem jelenteném ki. Mert van neki, mivel az egymásranyitást megelőzően képes lineáris üzemben működni a fokozat, ezért nem történik durva egymásranyitás, mint más topológiájú végfokozatoknál.
Sajnos rengeteget változik a hangja. Próbáltam számtalan fejlesztést eszközölni a visszacsatolást illetően, de mindig a szűrő előtt visszacsatolt nyert. Hiába voltak sokkal jobb mérhető paraméterei a szűrő után visszacsatolt, UCD-szerű végfokozatnak, valamint a szűrő utáni áramvcs-s végfokozatnak.
Én nem erre gondoltam, hanem csak arra, hogy hiába van egymásranyitás, attól nem fog az áram ugrálni. Legalábbis én az ugrálás alatt valami komolyabb változást értek.
|
Bejelentkezés
Hirdetés |








