Fórum témák
» Több friss téma |
Okés majd kedden lesznek meg a cuccok remélem müxeni fog mert régebben is megcsináltam de akkor sajnos nem ment mert később kiderült hogy rossz volt a meghajtótrafó mert egy sárga fojtót használtam arra a célra!Amúgy izzót akkor is beraktam meg úgy csináltam hogy kikapcsolás után mindig kisütettem a kondit a lámpával nehogy megrázzon.Vmi ellenállatot nem lehet odatenni hogy kisüsse mikor kikapcsolom a tápot??Képeket megpróbálok majd felrakni!!Na addigis köszi a segítséget!
Had füzzek hozzá annyit, hogy nem nagy költség de egy 230/230 esetleg egy 230/2x115V-os leválasztótrafó életet menthet !!
Meg egyébként ha raktok a 200V os kondival párhuzamosan egy mondjuk 120k-s ellenállást akkor az a kikapcsolás után másodparcek alatt kisüti a puffereket.
És akkor nincs gond az üzemen kívüli tapogatózással
Amúgy a 230/230 azért jó mert a fázist galvanikusan leválasztja vagy hogy???Amúgy képzeljétek el hogy ülök a székben az asztalnál tervezgetek és a lábújjam hozzáért a radiátorra a kezemmel meg megfogtam az erősítőmet és hát úgy megrázott csak néztem de már többször is előfordult pl radiátor+gép háta na mondom megnézem 1 kábellel rövidrezárom és hát jókat szikrázik aztán mondom rámérek már és hát 119V váltóba
mondom ez nem lehet aztán rájöttem hogy nincs föld abban az aljzatban ahova megy a földelt hosszabbítóm meg mindenem és hát a radiátor meg le van földelve akkor ha az erősítőmről ami persze földeltre van kialaítva kihúzok egy drótot a radiátorra akkor le lesz földelve minden cuccosom??AMúgy holnap mek az elektró boltba szal holnap csinálom a tápegységet remélem jó lesz!Na üdv!
A 230/230-as leválasztó azért jó, hogy ha egy ponthoz érsz hozzá, akkor még nem ráz meg. De ha kettőhöz érsz hozzá, akkor már ugyanúgy agyonvághat.
A 119-et azért mérted, mert pl. a számítógépben is van két kondenzátor a bemeneten a föld felé zavarszűréshez. Namost ha a földelővezeték nincs leföldelve, akkor a kapacitív osztó miatt itt kb. a hálózati feszültség felét méred. Ami ilyen fogyasztó, azt előírás szerint földelt aljzatba kell csatlakoztatni (a számítógépet is oda kell). Szóval vagy húzz földet abba az aljzatba, vagy keress egy olyan aljzatot, amiben van, és oda dugdost az ilyen cuccokat. Egyelőre megteszi, ha összekötöd az aljzat földjét a radiátorral, de ez csak abban az esetben biztonságos, ha a fűtés végig fémcsövekkel van vezetve, és az leis van földelve.
Én is földeltem már ilyen radiátorra, ami minden általad leírt feltételnek megfelelt. Az áramszolgáltató szakija mégis letérdepeltetett az árokpartra , hogy főbelőjön.......
szerintem csak ideiglenesen jó így.
Császtok!Na összeraktam a tápot!!Átnéztem kétszer is első indítás előtt mindent aztán 100W-os izzó sorosan a hálózati ágba
aztán multiméter is sorba aztán adtam neki tápot és az izzó picit felvillant a multiméter is kimutat egy kis áramfelvételt egy pillanatra okés leveszem a tápot rámérek kondira és szépen csökken a fesz rajta a kis ellenállat miatt okés akkor több tápot neki, adtam is rá és ilyen fura magas hangot lehet hallani ami mintha magasodna de idővel csökken gondolom a kondi töltődésének a hangja vagy nem tom...Aztán a kimenetre raktam 3W-os 12V-os izzót de úgy csak hangosabb a hang, levettem ráadtam a feszt és kikapcsoltam aztán a kimenetre rámértem 14V-ot mértem és az izzót ráraktam éppen hogy csak felvillant aztán ki is aludt!Na most kivettem már a tirisztort is hátha az a baja mert az langyosodott 15-20 másodperc üzem után de úgyse volt külömbség ígyhát írok ide hátha ti tudtok segíteni!Amúgy nem melegszik más semmi,ja és a kimeneten 10000µF/25V-os kondi van lehet az nagy neki és nem bír beindulni a táp miatta??Amúgy a rézfólia azért van átónozva mert a szar hidrogén-peroxid alámart kicsit aztán mondom inkább áthúzom ónnal de rá is mértem diódamérővel és nincs szakadás egyik vezetősávon se!Képeket mellékelek nézzétek meg hátha láttok vmit de nem tom mi lehet a baja ja és még beraktam a trafó primerével párhuzamba a soros RC kört 2W 100ohm és 1kv 1n-s kondit!Jajj még egy dolog a pc táp trafónak melyik lábán jön le a 12V??Lehet az lett roszra kötve??ÉS még annyi hogy a két IRF840 nem egyforma gyártmányú de mondjuk ettől függetlenül szerintem jónak kellene lenni vagy nem??Van itthon még két darab IRF730-am az 400V és 4A azzal is meglehetne próbálni esetleg mert az a két darab egyforma típusú.Közbe nézegettem rádadott hálózati feszültségnél mértem a kimeneti pontokat és a feszültség 10V-ról szépen nő felfele egészen 18V-ig de ha terhelem 3-10W-al akkor visszaesik a fesz szal nincs benne kraft már nem tom mi lehet a baja...Remélem tudtok segíteni!!!Előre is nagyon köszönöm tőletek!!
Helló!
A tirisztort gyorsan rakd vissza, ha nem akarod temetni a feteket! Avval van megvalósítva a túláram-védelem. Soha ne szedd ki belőle! ![]() Na, szal, jó lenne megálapítani, hogy mi sípol, mert így kicsit tág a kör. A 10000µF túl sok neki, ráadásul hatalmas esr-je is lehet, 2db 2200µF-os 16-25V-os lenne jó inkább... A sípolás arra utalhat hogy a tirisztor mindig begyújt, mert a feteken áthaladó áram megnő, ekkor lekapcsol, majd újból beindul az oszciláció, és megin begyújt a megnövekedett áram miatt. De erre rácáfol hogy tirisztor nélkül is ezt csínálta... Más: A feteknél nem számít hogy különböző a gyártója, attól még ugyanazokkal a fő paraméterekkel rendelkezik. Az irf730-al is menne, de teljesen fölösleges kicserélni. Amire még tudok következtetni, az az hogy a pc-trafó 12V-os tekercséről, 100-ohm-on keresztül megy vissza a meghajtótrafóra. Próbáld meg megcserélni a 2 vezetéket hogy ellentétes fázisban csatoljon vissza... Ja, ésmég anyit, hogy a meghajtótrafó, az is pc-tápból van, csakhogy ugye nem a segédtáp trafója igaz?, hanem az amit a pc-tápban is meghajtásra használtak, igaz? Eddig jól haladsz
Csá!Már visszaraktam a tirisztort és közben felcseréltem az L4 a 8 menetes tekercs kivezetéseit úgy csitult a sípolás valamelyest de a kondikat is kicserélem holnap meg szórikázok még vele remélem hogy jó lesz a táp mert egész vasárnap tervezgettem meg tekertem ma meg az összerakás Most ezt nem értem hogy a pc-tápból való segéd vagy meghajtó trafó melyik milyen??Nekem sajnos a két darab EE19-emet sikerült eltörni és hát maradtak az EE16-ok ezek valamivel kisebbek most akkor ez lehet nem lesz jó??Megpróbáljam az 1cm-es ferrit gyűrűvel???Azért hanyagoltam a ferrit gyűrűt mert megtekertem és közbe rájöttem hogy az anyaga olyan recés hogy megsérti a lakk réteget ami a rézdróton van szal inkább maradt az EE-re való tekerés!Szerinted milyenre sikerült a panel??Az alkatrészek elhelyezésével gondjaim voltak de végülis két átkötés lett benne a többi meg panelon Csináltam egy kis excel táblázatot hogy majd a későbbiek során ki tudjam számítani a táp hatásfokát a mért adatokból, felrakom nézd meg majd kíváncsi leszek rá hogy a tápnak milyen lesz a hatásfoka, a beírt adatok nem valódiak csak úgy beírtam,de jó vele szórikázni mert akármilyen cuccnak lehet a hatásfokát számolni XD!!Amúgy köszi szépen hogy segítesz!!!
Hello!
Jó jel hogy csitult a sípolás, még megpróbálhatnád kicserélni a C4-es kondit pl 100nF-ra, és ha változik a sípolás frekvenciája, akkor biztosan a D5-el van valami gond, bár a képeken minden stimmel. Majd ha kicserélted a kondit akkor írjál, hogy mi változott. A meghajtó trafóval kapcsolatban: a pc-tápban (atx) 3 trafó van általában, a főtrafó, a meghajtótrafó, és a segédtáp trafója. A 2 kis-trafó közül, neked csak az eredeti meghajtótrafó felel meg, mert a segédtáp trafó légréses, és nem használható ilyen célra. A ferrit gyűrűt is megpróbálhatod megtekerni, de ne CuZ-vel, hanem inkább valami müanyag szigetelésű vezetékkel, pl bontasz szét egy szallagklábelt. A nyák-elrendezés egész jó, legközelebb törekedj a minnél kisebb hurkok kialakítására, ott ahol nagyfrekis nagy áram folyik (0,5A-20A), ez leginkább a mosfetek, a tápfelező kondik, és a főtrafó által bezárt hurok. Akkor, a primer oldalon, kialakíthatsz egy csillagpontot az elkó negatív kivezetésén, ha méregetned kell, sok hajhullástól megvéd ![]() Ja, meg az alkatrészek lábait nyugodtan rakhatod közelebb egymáshoz. Röviden ennyi.
Üdv
Szerintem az EE-16 os trafók nem a jelátvitelre vannak a PC tápban hanem a segédtápnak. Nemtudom pontosan, hogy a te tápodban az a trafó milyen szerepet tölt be de én ahgy szoktam látni a PC tápokban ott az EE19 et használják a tranyók meghajtására az EE-16 os magot pedig egy önrezgő seédtápnak. Szóval lehet hogy az EE-16 neked nem jó oda.
Az excel tábla jó ötlet a képletekhez, nekem egy kis füzetem van, amibe csoportosítva benne van az összes, de lehet felviszem én is excel-be, jó ötlet
CSásztok!!Rájöttem egy hibára a tirisztor gateje felé menő 47ohmos ellenállat a felső FET drainjére volt kötve ezt átraktam a sourcere és ezzel még nem szűnt meg a sípolás de felcseréltem az L4 kivezetéseit és megszűnt a hang de a táp még ígyse indult be. Rámértem a felső fet source ás az alsó fet drainje közt lévő 0,15ohm-os ellenállatra nah az meg 0,5ohmos volt szal párhuzamosan kötötetten vele asszem 15ohmot és így most 0,375ohm de 0,15-öset egyenlőre nem találok :S lehet ez is gond?? Amúgy a tirisztor gateje előtt ellenállat meg is volt feketedve de rámértem és még 47 ohm egyenlőre más hibát nem találtam de elkezdek variálni az L4 utánni 100ohmos ellenállattal hátha beindulna akkor a táp, még megpróbálom terhelve elindulíani!
Nem zárlatolt közben be valamelyik FET?
Kedves kapcsitáp-építő kollégák!
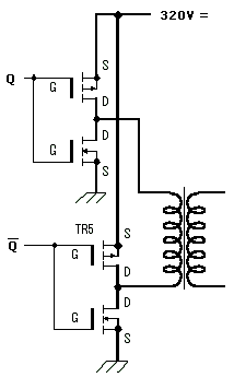
Már egy ideje szemezgetek kapcsitáp építésével, természetesen erősítőhöz. PC-tápot már berheltem, de a kimenő fesz emelésén túl sajnos nem sokra jutottam. Nameg szívesen megépíteném a sajátomat. A PC táp trafójához nem szívesen nyúlnék hozzá mert eddigi áttekerési kísérleteim mind katasztrófával végződtek. Úgy gondoltam, hogy nem a félhidas megoldást választom, hanem a teljes egyenirányított 230V-ot kapcsolgatnám a trafóra, így két félhidas üzemre tervezett PC táptrafót sorba tudnék kötni mind primer, mind szekunder ügyileg. Ugye az eredeti PC táptrafók szekunder feszültsége is kb. 25V 50%-os kit. tényező mellett, így kettőt sorbakötve már meg is van 50V max fesz., de a 35-40V is elég lenne. Első lépésben hanyagolnám a +/- tápot, elég lenne a szimpla. A trafó meghajtására egy példát csatolok. Kérdésem a következő: A FET-ek meghajtásához milyen feszültséget kéne a gate-jükre kapcsolni? FET-ek helyett tranyók alkalmazása is érdekelne, mert tranyóm nagyon sok van, kellő feszültségű típusból is. Itt a bázisáram beállítása a kérdés. A vezérlőtrafót szeretném elhagyni, inkább optocsatolós megoldáson gondolkozom. A táp eleje természetesen TL494 alapú lenne. Mit gondoltok, működőképes lenne a tervem? Vagy mit lenne ajánlatos másképp csinálnom? Mindenféle segítséget szívesen fogadok, és előre köszönöm őket. Üdv, Tom
A rajzod nem jó. Ez a megoldás működik pl. CMOS inverternél, ahol a tápfeszültség nem üti át a fetek gate-source kapacitását, de itt 320V körüli feszültségről van szó. Valamint P csatornás fet nemigazán kapható ekkora feszültségre, és a csatornaellenállása is nagy. A teljes hídhoz két darab félhidas megoldás kell, és azokat ellenütemben vezérelni.
A trafók sorbakötése nekem nem szimpatikus megoldás, de működhet, ha a trafók egyformák. A gate-en a source-hoz képest maximum 20V engedhető meg. Viszont ahhoz, hogy ne nagyon melegedjenek, irgalmatlan áramtüskékkel kell ki- és bekapcsolni a feteket. Az IR2110 meghajtó 2A-t tud, de nem hátrány, ha az ember tud produkálni 10A-os meghajtást. A szimpla optocsatoló nem jó, túl lassú. A 6N137 használható, de az is csak párban, ellenütemben. De egyszerűbb az IR2110-et használni. Csak beteszi az ember, és működik, nem kell vacakolni vele. Idézet: „Vagy mit lenne ajánlatos másképp csinálnom?” Először olvasd végig a topikot az elejétől kezdve. Sokmindenről volt már itt szó.
Tom025: totál katasztrófa a rajzod.
![]() Jótanácsként, inkább először keress egy könyvet a fet-ekről, és olvasd el. A TL494-el való kezdést is felejsd el, inkább fogj egy kompakt fénycsövet és alakísd át először tápnak (150W kijött egy osramos elektronikából 2db irf830-al, meg pár patkolással, meg persze stabilizálatlanul, de ennél olcsóbb táp nem létezik kb 1000Ft volt mindenestül)Kurtyka: A tirisztort cseréld ki, mert azt nem élhette túl. A kondit cseréld kisebbre és estleg tegyél rá egy 100ohm-os előterhelést a kimenetre. Ez a táp önrezgő, elvileg be sem indulna terhelés nélkül, ezt küszöböli ki az L4 meg a 100 ohm. Az hogy a söntöt (0,15ohm) nagyobra cserélted azt fogja eredményezni, hogy kisebb áramnál is lefog majd kapcsolni a táp.
Idézet: „nkább fogj egy kompakt fénycsövet és alakísd át” Jó ötletet adtál! Elindítottad a fantáziámat, van úgyis itthon 1-2 darab (csak az üveget dobom ki, az elektronikát megtartom a kompakt fénycsövekből...)
Üdv!
Amire te gondoltál az a teljes hidas megoldás. Ezt nagy teljesítményeknél alkalmazzák 500W felett. Szerintem neked elég lenne a félhidas. És az talán egyszerűbb és ezáltal problémamentesebb. Én nemrég fejeztem be a félhidas tápomomat ami fetekkel készült. Ha érdekel a félhidas megoldás akkor szívesen segítek.
Üdv !!!
Örülök neki hogy ennyi embert foglalkoztat a kapcsitáp 230V-ra. Koccintsunk az 500-dik hozzászólásra. Remélem az 1000. nél is én konfelálhatok
Sziasztok!
Először is, pimi9 válaszára: Rámondani erre a rajzra, hogy totál katasztrófa, hát én nem tettem volna. Megjegyzem: Ez a kapcsolás nekem már kisebb frekin, alacsonyabb feszen és nagyobb áramerősségen már bizonyított, tökéletesen működik egy DC-DC konverterben. Azt elfogadom, hogy így ebben a formában nem jó a jelenlegi feladatra, de ezért van a fórum hogy ezt megbeszéljük, hogyan lehetne mégis használni. Indoklás nélkül a hozzászólásod csak fikázás, ami semmi építő kritikát nem fogalmaz meg. FET-es könyv: Régóta keresem, a FET-ek egyéb alkalmazásai terén is hasznát venném az információnak. Leginkább tranyókkal építettem idáig, és el kell ismernem, hiányosak az ismereteim térvezérlésű társaikról. Ha tudsz nekem ilyet ajánlani, kérlek linkeld be! Potyo! Fontos részletekre hívtad fel a figyelmem. P csatornás fetet tényleg nem találtam, egyenlőre keresek még, ha meg abszolút nincs, majd megoldom. Egyenlőre tisztán elméleti síkon vagyok, csak tervezgetem a kapcsolást. A 320V-ot csak a D-S átmenetre kapcsolnám, a gate-re természetesen kisebb feszt gondoltam, a 20V jól hangzik. Irgalmatlan áramtüskék: A rajzomon a Q és föléhúzott Q jelölések csupán a funkciót jelzik, nem az IC-re gondoltam kötni, hanem egy tranyós meghajtófokozatra. Első gondolatra egy invertáló alapkapcsolás jut eszembe: Vmilyen feszről egy ellenállás a tranyó kollektorára, ide kötve a FETek gate-je is, tranyó bázisa az IC-re, emittere a földre. Így már azért nagyobb áramok szaladgálhatnak a bekapcsoláskor. Trafók sorbakötése: 50Hz-en működik, és igen, a trafók egyformák. Az IR2110-et nem ismerem, nem tudom egyenlőre feldolgozni mire való. Majd még tanulmányozom az adatlapját. Optocsati: A párban, ellenütemben való használatról kicsit bővebben tudnál nekem valamit mondani? Nagyon szeretném lecserélni a meghajtó trafókat. Még ami nem volt tejlesen tiszta, a két darab félhíd ellenütemű vezérlése. Hogyan is van ez és miért jobb mint a szimpla teljes híd? A topicot végigolvastam. Hasznos, de ezekről a dolgokról nem találtam fontos infót. Bocs a regényért. Üdv, Tom
Először a könyv:
Eredeti cím: Das FET-Kochbuch - Herausgegeben von Szerző: Horst Schwahn A magyar-fordítás címe: Texas FET receptek Fordította: Várnai Ferenc A Műszaki könyvkiadó adta ki ja, és ISBN: 963 10 3682 0 Az enyém 1981-ből származik, kis piros könyvecske. 169 oldalon keresztül fogalkozik a fetekkel, (8 fejezet) minden benne van, amit tudni kell róluk. Jó kis apróbetűs olvasmány. Ezenkívül 3 fejezeten keresztül példakapcsolások is vannak benne. A totál katasztrófa szerintem megfelelő volt, bár kicsit durva. A rajzod hibás, ezt te is elismered. De ennek valóban egy oka van, mégpedig az hogy odaírtad hogy 320V (DC). Egyébként használhatóvá lehetne tenni 320V DC-re is, meg kéne valósítani egy színteltolást a fetek g-je között (egy 220nF-os, 400V-os fólai kondi) A felső, és alsó fet g-s lábai közé kellene rakni 1-1 12V-os zener-t, valamint egy kb 1k-os ellenálást a felső fet g-s közé. A meghajtás az alsó fet g-re csatlakozna. Ez így működőképes lenne, igaz csak kis gate-töltésű feteknél használható. Az egész megértésében talán segíthet az alábbi rajz: ClassDAmp (Egyébként ezt a kapcsolást 2 napja megépítettem,+-35V-ról megy és tökéletesen működőképes, bár a jfet-es áramgenerátor helyett csak egy ellenálás van benne, mivel a jfet nem bír ki 90V-ot ehh... )Az alkatrészértékek szándékosan nem láthatóak. ui: ebben a hozzászólásodban is némiképp tükröződik hogy nem vagy pontosan tisztában a mosfetek működésével: "Vmilyen feszről egy ellenállás a tranyó kollektorára, ide kötve a FETek gate-je is, tranyó bázisa az IC-re, emittere a földre." Így nem szaladgálnának nagy áramok bekapcsoláskor, hanem csak a kikapcsoláskor, ha ellenáláson keresztül töltöd a fet bemeneti kapacítását, akkor elég hosszú ideig fog tartani a bekapcsolás. (persze lehet 1ohm-os kollektor-ellenálást is használni, de akkor a meghajtótranzisztor nagyobb lenne mint a fetek.) Röviden ennyi. A könyvet mindenképpen ajánlom. :yes: Idézet: „Ez a kapcsolás nekem már kisebb frekin, alacsonyabb feszen és nagyobb áramerősségen már bizonyított, tökéletesen működik egy DC-DC konverterben.” Gondolom ez egy 12V-ról működő konverter. Idézet: „A párban, ellenütemben való használatról kicsit bővebben tudnál nekem valamit mondani?” Belepillantottam a 6N137 adatlapjába, és ennek nem olyan a felépítése, mint amire emlékeztem. Ennél nincs szükség az ellenütemű meghajtásra, viszont van egy másik probléma, hogy a tápja maximum 7V lehet. Így a kimenetére hiába akasztunk egy push-pull emitterkövetőt, az nem fogja tudni rendesen kinyitni a fetet. Tehát kell még egy fetmeghajtó fokozat is, ami már egybevéve a lebegő 5V-os és 12V körüli segédtápokkal, ráadásul mindez kétszer (két felső oldali fet van a teljes hídnál), eléggé alkatrésztemető lesz. Idézet: „Így már azért nagyobb áramok szaladgálhatnak a bekapcsoláskor.” Minden olyan elgondolás, hogy ellenálláson keresztül kapcsoljuk be a fetet, hibás. Tegyük fel, hogy van 15V-os táp, és ha itt akarunk 2A áramot bekapcsoláskor, akkor az ellenállás 7.5ohm. Ha a tranzisztor be van kapcsolva, akkor az ellenálláson 2A áram folyik, ami 30W veszteség. Ez négyszerezve, és felezve mert csak az idő felében lesz bekapcsolva 1-1 fet, 60W folyamatos veszteséget jelent. Csak olyan meghajtás jöhet számításba, ahol tranziszor vagy fet rángatja a meghajtani kívánt fet gate-jét a felső vagy alsó tápra. Idézet: „Még ami nem volt tejlesen tiszta, a két darab félhíd ellenütemű vezérlése. Hogyan is van ez és miért jobb mint a szimpla teljes híd?” A teljes híd meghajtása ugyanolyan, mint a félhídé, csak mindenből kettő van. Az ellenütemű pedig azt jelenti, hogy amikor az egyik oldalon a felső fetet kapcsoljuk be, akkor a másik oldalon az alsót, és fordítva.
csá én ezt tudom neked ajánlani MOSFET ügyben...
Ez a könyv eléggé jó, ahogy nézem, sokat foglalkozik a kapcsolóüzemmel (a címben is benne van
)Jobb mint a FET receptek, az dugig van rádiótechnikai, meg egyéb kapcsolásokkal is. Potyo: amikor még nem létezett az IR fetmeghajtó család, akkoriban sokat használták az opto-s megoldást. A +5V-ot, és a +12V-ot pedig bootstrap diódákon keresztül juttatták a felsőoldalra. Így nem kellet a felső oldalon stab-kockát betenni, mert az alsó oldalon már volt +5, meg +12V. És általában egy komplett ttl bemenetű fet-driver ic volt meghajtónak.
Az IR-nél is így van megoldva a felső fet számára a táp. De minek rakjunk optot+fetmeghajtót, ha kapható komplett félhídmeghajtó egyben. Két IR2110, vagy egy IR2130 és megvan a teljes híd meghajtása.
Sziasztok!
A könyveket először is köszönöm. (Annyit hozzátennék, hogy a "Herausgegeben von" németül annyit tesz, hogy "kiadva (vki) által". Szóval ez nem a cím része.) Megpróbálom beszerezni, Gulyiét meg elkezdem nézegetni. A tisztánlátás érdekében felteszem az eredeti, 12-24V / 50Hz -es DC-DC konverterem elvi rajzát, amiből ezt kiollóztam. Erről a tranyós meghajtásról beszéltem, ezt az áramkört nem én terveztem, de működik szépen. Ellenálláson keresztül való bekapcsolás: Értem az érveidet ellene, mégis az eredeti kapcsolásban is így van, illetve ha megnézzül a VF2 erősítő Fetes részét, ott is. Valószínű, hogyha nem követelmény az ilyen gyors kapcsolgatás, akkor nem vesznek fel a fetek ekkora áramokat, és mégiscsak működik így a dolog. Ebben az alkalmazásban viszont akkor hanyagoljuk. Írod: "Csak olyan meghajtás jöhet számításba, ahol tranziszor vagy fet rángatja a meghajtani kívánt fet gate-jét a felső vagy alsó tápra." Jó ötlet, de azt az alsó vagy felső tápot még valahogy le kell osztani a 320V-ból, mivel a gate max. 20V-ot bír el. Ismét a VF2 kapcsolését nézem, ahol a 80V egy 820ohm-on és egy diódán keresztül rá van engedve a gate-re, ezt fogja meg a zéner. Mégsem fűt olyan nagyon sokat. Na akkor most hogyan is van? A teljes hidas megoldásról: Amit leírtál, az van a már előzőleg belinkelt rajzomon, mivel a Q és /Q bemeneteken mindíg ellentétes polaritású fesz van, így mikor egyik oldalon a felső FET van nyitva, a másik oldalon az alsó. Viszont tényleg érdemes lenne kiváltani a P csatornás FETet. De a teljes hídhoz nem ragaszkodom, félhídban is tudok PC táptrafókat használni, primerek párhuzamosan, szekunderek sorba kötve. Megy így is. Viszont az optocsatis megoldás nagyon jó lenne ha sikerülne. Más típus esetleg? Úgy néztem itt a 6N sorozatból a legnagyobb Vcc is 18V. Mert nem csak egy fototranyó van benne. Olyan lenne a legjobb szerintem. Üdv, Tom
A MOSFET meghajtására miért nem alkalmaztok gyűrűmagot (néhány + alkatrész hozzáadásával)? A nagyteljesítményű tápokban mindig ezeket használják. Előnye hogy a MOSFET-ek meghibásodása esetén sem megy el a többi elektronika.
Idézet: „a 80V egy 820ohm-on és egy diódán keresztül rá van engedve a gate-re, ezt fogja meg a zéner. Mégsem fűt olyan nagyon sokat. Na akkor most hogyan is van?” Nem 80V megy a gate-re mert ha figyelmesen megnézed, akkor a Source az a + tápon van és a gate ehhez képest max 12V-ot kaphat a zener miatt. A 820ohm sorbakötve a diódával, gyakolatilag az mpsa munkaellenállása(mivel a FET gate-je csak kapacitív terhelést jelent, mivel térvezérlésű eszköz), a dióda csak hőmérésklet kompenzációt végez. És tényleg átüt a gate 20V fölött.
Kimaradt hogy normál működés közben (amikor nincs agyig kihajtva négyszögre a kimenete az erősítőnek) Akkor gyakorlatilag a zener ott sincs, az csak védelmi feladatot végez....
|
Bejelentkezés
Hirdetés |




mondom ez nem lehet aztán rájöttem hogy nincs föld abban az aljzatban ahova megy a földelt hosszabbítóm meg mindenem és hát a radiátor meg le van földelve akkor ha az erősítőmről ami persze földeltre van kialaítva kihúzok egy drótot a radiátorra akkor le lesz földelve minden cuccosom??AMúgy holnap mek az elektró boltba szal holnap csinálom a tápegységet remélem jó lesz!Na üdv! 




Most ezt nem értem hogy a pc-tápból való segéd vagy meghajtó trafó melyik milyen??Nekem sajnos a két darab EE19-emet sikerült eltörni és hát maradtak az EE16-ok ezek valamivel kisebbek 

)




