Fórum témák

» Több friss téma
Fórum » Kapcsolóüzemű táp 230V-ról
 
Témaindító: cimopata, idő: Szept 13, 2006
Témakörök:
Lapozás: OK   181 / 787
(#) lorylaci válasza philips100 hozzászólására (») Ápr 20, 2011 /
 
A flyback táponál szükséges minimum terhelés, mivel egy bizonyos kitöltési tényzeő alatti jelet nem tud produkálni. Ha a minimális kitöltési téynezőnél is felmegy a zéner által diktált határ fölé a fesz, akkor az IC kikapcsolja magát egy rövid időre, majd visszakapcsol. Így az eredeti 67 kHz vagy 132kHz lemehet 20kHz alá, ahol pedig a vezetékek között fellépő taszító és vonzóerő a rajta fojó áramok miatt megrezgeti őket.
Egyrészt rakni kell rá akkora terhelést,hogy üresjáratban is elérje a minimális kitöltési tényezőt. Másrészt pedig érdemes a trafót belakkozni (vagy higított epokittbe bemártani), hogy a huzalok ne tudjanak rajta mozogni, így nem tudnak berezgeni.
(#) philips100 válasza cimopata hozzászólására (») Ápr 20, 2011 /
 
Szia!

Igen,az ellenállás 7w-os.Csak a teszt kedvéért tettem rá.A táp terhelve és terheletlenül is egyaránt sípol,csak terhelten hangosabban.
(#) philips100 válasza lorylaci hozzászólására (») Ápr 20, 2011 /
 
Szia,

Köszi a tanácsot.Megpróbálom belakkozni.Bár a PI tervezőszoftvere a trafo konstrukciónál megtiltja a vákum impregnálást.
(#) highand hozzászólása Ápr 20, 2011 /
 
A hozzáértőket kérdezném, hogy tápként mennyire lenne járható út pl egy Pafi féle D osztályú végfokot alkalmazni, természetesen úgy, hogy átméretezem 230V-ra és egy izolációs OPA-t használok a visszacsatoláshoz. Ez sok problémától megkímélne és nem is lenne bonyolult.
(#) Doncso válasza highand hozzászólására (») Ápr 21, 2011 /
 
Én ugyan nem vagyok nagy hozzáértő, de rajzot nehéz szerezni hozzá, Pafi ugyanis féltve őrzi szerintem. De ha így kérdezed, akkor te tudsz valamit....
(#) philips100 válasza philips100 hozzászólására (») Ápr 22, 2011 /
 
Szia,

Lelakkoztam a tekercselést de a hang még mindíg negvan.Esetleg valami más ötlet?
(#) cimopata válasza philips100 hozzászólására (») Ápr 22, 2011 /
 
A rezgés nem fog megszűnni.
Gondoskodni kell, hogy ne a hallható tartományban menjen.
Terheld kicsit be a szekunder, az a legegyszerűbb.
(#) Kocska hozzászólása Ápr 22, 2011 /
 
Sziasztok.

Egy rossz tápegységet szeretnék megjavítani. A Trafó adott maximum 100W körüli teljesítménnyel. A tápegység vezérlése elhalálozott, vezérlés ismeretlen. Ha jól néztem a +5V ot figyeli. Tudnátok ajánlani egy kapcsolást? Kár lenne ezért eldobni a műszert. Rajz ismert részét mellékeltem. Előre is köszönöm a segítséget.
(#) lorylaci válasza Kocska hozzászólására (») Ápr 22, 2011 /
 
Nézd körül a TOPsiwtch családban. Azokkal építhető hasonló 100W körüli táp, abba sok minden bele van integrálva.
A másik megoldás az például az UC3842, egy külső FET-tel.
Mindkét IC adatlapjában van ajánlott kapcsolás.
(#) Kocska válasza lorylaci hozzászólására (») Ápr 22, 2011 /
 
Köszönöm a tippet. Körülnézek, majd megnéznéd az összeollózott rajzot, hogy ugyan működőképes e? Szerintem kivitelezhető, a visszacsatolás adott, elvileg működhet. Még valami jó tanács, mire figyeljek?
(#) philips100 válasza cimopata hozzászólására (») Ápr 22, 2011 /
 
Az eredeti vas EF20/5,9 légrés kb 0,24mm anyaga Fi324.
Raktam bele egy EF20 B66311-G-x178-es.Ebben 0,22mm légrést mértem.Ezzel a vassal halkabb lett azonos terhelés mellett.
(#) lorylaci válasza Kocska hozzászólására (») Ápr 22, 2011 /
 
Én feleslegesen bonyolultnak találom. Én a +-12V-ra szimpla stabkockákat használnék (ahogy nézem max 1-1A terhelése van a stabilizált részeknek, annyit a TO220-asok símán tudnak).
A másik dolog hogy bipoláris tranzisztorra, mint kapcsolóeszköz, nem csinálnék SMPSt.
Meg az mondjuk nem esik le, hogy az egyik opto minek figyeli a hálózati feszt (és onnan visz egy line signal-t), de ezt gondolom a készülék használja valamire.
(#) philips100 válasza philips100 hozzászólására (») Ápr 23, 2011 /
 
Megoldódni látszik a dolog.
Úgy néz ki nem rögzítettem megfelelően a vasakat a csévetestben.Kábelkötözővel összefogattam most alig hallható.Végleges rögzítésre van valami javaslatotok?
(#) Kocska válasza lorylaci hozzászólására (») Ápr 23, 2011 /
 
Egy oszcilloszkóp tápegysége, nem véletlenül ilyen bonyolult. Azt figyeltem meg, ugye gyakrabb az hogy el sem indul. De ha a a multiméterrel rábökök a kapcsoló tranzisztor C lábára akkor elindul. Mi lehet a gond? Jó kis műszer szeretném megjavítani.
(#) kadarist válasza Kocska hozzászólására (») Ápr 23, 2011 /
 
Szia4
Az R7 nem nyúlt meg a primer oldalon?
(#) Kocska válasza kadarist hozzászólására (») Ápr 23, 2011 /
 
Szia.

De igen. megnyúlott egész a végtelenségig. Pedig úgy rémlik mikor nekiálltam a javításnak végigmértem a telesítény ellenállásokat. Regélem csak kimaradt, nem most szállt el. Eddig 2x indult el rendesen a szkóp akkor minden ok volt vele. Most ha el is indul a kapcsoló tranyó melegszik. Teljesen homályos az ernyőn a kép. Kutatok ellenállást és jelentkezem. Köszönöm a tippet
(#) Kocska válasza kadarist hozzászólására (») Ápr 23, 2011 /
 
Csere után minden egyes alkalommal indul. Már csak a +12V nem ok. Megpróbálom csak magát a tápot méricskélni.
(#) kadarist válasza Kocska hozzászólására (») Ápr 23, 2011 /
 
Trimmerpotival tudsz állítani, vagy a szokásos elkókiszáradás szokott még gondot okozni. És mennyire nem ok a +12V?
(#) Kocska válasza kadarist hozzászólására (») Ápr 23, 2011 /
 
Ahogy néztem csak a -12V tudom potival állítani. Elkócsere megvolt. Terheletlenül minden feszültség megvan. Terhelés teszt most jön.
(#) steelbird hozzászólása Ápr 23, 2011 /
 
Gyakorlott kapcsitáp -építőktől szeretném kérdezni, hogy ezzel a ferrit maggal lehetne-e félhidas tápot építeni?
Adatok:
Anyag: N30
Vasmag-keresztmetszet: 0,94x1,36 cm (1,27 négyzet cm)
Induktivitási állandó: 5000 nH
Relatív mágneses permeabilitás (Al érték?): 4300

Az adatlap szerint 10 kHz - 400 kHz között használható, és ha jól néztem a grafikont, akkor az indukció 0,2 T nyugodtan lehet. A maximum 0,25 - 0,3 Tesla, akkor telítődik a mag.

A Skori-féle trafóméretező excel táblázat alapján, 0,2 T indukcióval számolva, 100 kHz frekvencián a félhidas táphoz a primer menetszám 18 menet.
A keresztmetszet alapján kb. 200 W -ot tudnia kellene, ha a pc tápok vasmagkeresztmetszetét veszem viszonyítási alapul. Ez nekem elég is lenne.

Jó lesz ez a vas ilyen paraméterekkel erre a teljesítményre?
(#) Kocska válasza Kocska hozzászólására (») Ápr 23, 2011 /
 
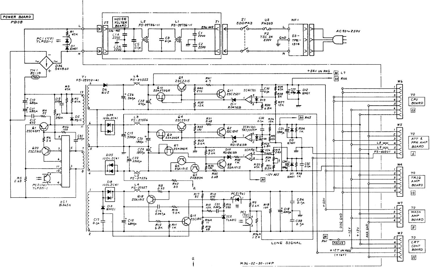
Méricskéltem. Terheletlenül minden oké. Terhelve csak a 12V ot nagyon leesik.. ha 5V is megterhelem javul a helyzet de nem az igazi. Eredeti környezetében ha az illuminátor le van tekerve akkor 9,5V ha feltekerem ennek hatására leesik 8,2V-ra. A többi feszültség stimmel. A nem tévedek a hibát a pirossal bekeretezett részen kell keresni, kezdve a félvezetőkkel. (esetleg megnyúlott ellenállások? Q4 nem az eredeti 2SC2315 extrája a nagy béta. Esetleg tegyek be helyette egy darlingtont?

hiba.JPG
    
(#) cimopata válasza steelbird hozzászólására (») Ápr 23, 2011 /
 
N30-as anyagú magok zavarszűrésre jók.
Az EPCOS-os listában is az "Electromagnetic
Interference (EMI)" kategóriába sorolták.
(#) steelbird válasza cimopata hozzászólására (») Ápr 23, 2011 /
 
ETD vasmagokat találtam a Distrelec -nél.
Lehet máshol is kapni, esetleg jobb áron?
(#) kadarist válasza Kocska hozzászólására (») Ápr 23, 2011 /
 
A +50V jó értékű? Mert oda is be van kötve a 12V-os szabályzás.
(#) lorylaci válasza steelbird hozzászólására (») Ápr 23, 2011 /
 
Ezt sokszor megkérdezik, itt egy rövid lista:
Tali transformers
FDH (Farnell kpviselet)
RS Components
LOMEX
TME disztribúció
Ezeken kívül még sok helyen.
AZ N30 táptrafónak nem ajánlott. Már csak azért mert 130°C a Curie pontja, ami azért elég könnyen túlléphető, ha spórolósra veszi az ember.
(#) Kocska válasza kadarist hozzászólására (») Ápr 23, 2011 /
 
Igen 50,4V ha jól emlékszem. Próbaképp lehúztam nem kötöttem be a bemeneti panelt. Így tudja tartani a 12V ot megjelennek a kurzorok, az elektronika elvileg jó. Nem lehet csak az a gond, hogy a Q9, Q4 helyett valami más van bent? A 2SC2315 nek 500-1000 a bétája. Esetleg valami darlingtonnal nem lehetne kiváltani? Ma már nem szedem szét, holnap megnézem milyen típusú tranzisztorok vannak bent.
(#) kadarist válasza Kocska hozzászólására (») Ápr 23, 2011 /
 
Próbáld ki Darlingtonnal. Végső esetben valami jópofa stabkockát is beépíthetsz.
(#) steelbird válasza lorylaci hozzászólására (») Ápr 24, 2011 /
 
Köszi a listát!
A Farnellt és a TME-t már ismertem.

Nézelődtem az oldalakon, amiket linkeltél. A Lomex nem jön be, a Tali honlapja meg egy nagy undormány, árak sincsenek fent. Nem tudom, megy-e egyáltalán még a cég, mert 2007-es éves beszámolójuk van fent. (Az oldal színvonala meg kb kőkorszaki)

ETD 39-es vasmagokat néztem minden oldalon, tartozékokkal együtt. (kengyelek, csévetest)
Nettó árak, összesen:
Fhd.hu: 2027
Rs: csak komplett, készre tekercselt trafókat találtam
TME: 2462
Distrelec: 1537 (Euroból átszámolva, pillanatnyi árfolyamon)
Lomex: nem jön be
Tali: nincs ár

Még egy kérdés:
Mindenki azt írja, hogy a ferrit gyűrűk nem alkalmasak kapcsolóüzemű táp trafónak.
Akkor az autós erősítőkben hogyhogy 3-400 Wattokat tudnak a tápegységek 3-4 cm átmérőjű gyűrűs vasakkal? Vagy azokat itt nálunk nem lehet kapni, amik erre a célra jók lennének?
(#) Doncso hozzászólása Ápr 24, 2011 /
 
Sziasztok, lőttem egy ilyen kis spot előtétet, egész jó kis kütyü, 12v-7A-t tud. Gondoltam csinálok belőle egy weller trafót, mert pont 2 párhuzamos szekundere van, ezt sorosítom majd. Viszont úgy gondoltam kicsit kisérletezek vele, ilyen általános felhasználásra megcsinálom, ehhez behúzom sprintbe a nyák tervét, ha érdekel valakit, felteszem majd. Jó mert nincs benne vezérlő IC, teljesen fióktakarítós alkatrészekből van. Ilyen apró tápnak szerintem szuper.

DSC00503.JPG
    
(#) steelbird válasza lorylaci hozzászólására (») Ápr 24, 2011 /
 
Megtaláltam a Lomex oldalát, semmilyen ferritet nem találtam náluk.
A kereső a ferrit szóra nem hoz találatot, baloldalt a listában nincs trafó sem.
(vagy csak én nem találom..)
Az összesített xls listában van ETD mag, de nem találtam sehol.
Következő: »»   181 / 787
Bejelentkezés

Belépés

Hirdetés
XDT.hu
Az oldalon sütiket használunk a helyes működéshez. Bővebb információt az adatvédelmi szabályzatban olvashatsz. Megértettem